| ||||||||||||||||||||||||||||
Скачать Серия 1.232.1-8 Выпуск 1-2. Панели однослойные самонесущие для зданий с высотой этажа 3,3 м. Пространственный каркас. Рабочие чертежиДата актуализации: 10.08.2017
|
| Обозначение: | Серия 1.232.1-8 |
| Обозначение англ: | Series 1.232.1-8 |
| Статус: | действует |
| Название рус.: | Выпуск 1-2. Панели однослойные самонесущие для зданий с высотой этажа 3,3 м. Пространственный каркас. Рабочие чертежи |
| Дата добавления в базу: | 01.09.2013 |
| Дата актуализации: | 05.05.2017 |
| Область применения: | Выпуск содержит: техническое описание, спецификации, сборочные чертежи пространственных каркасов и арматурные узлы |
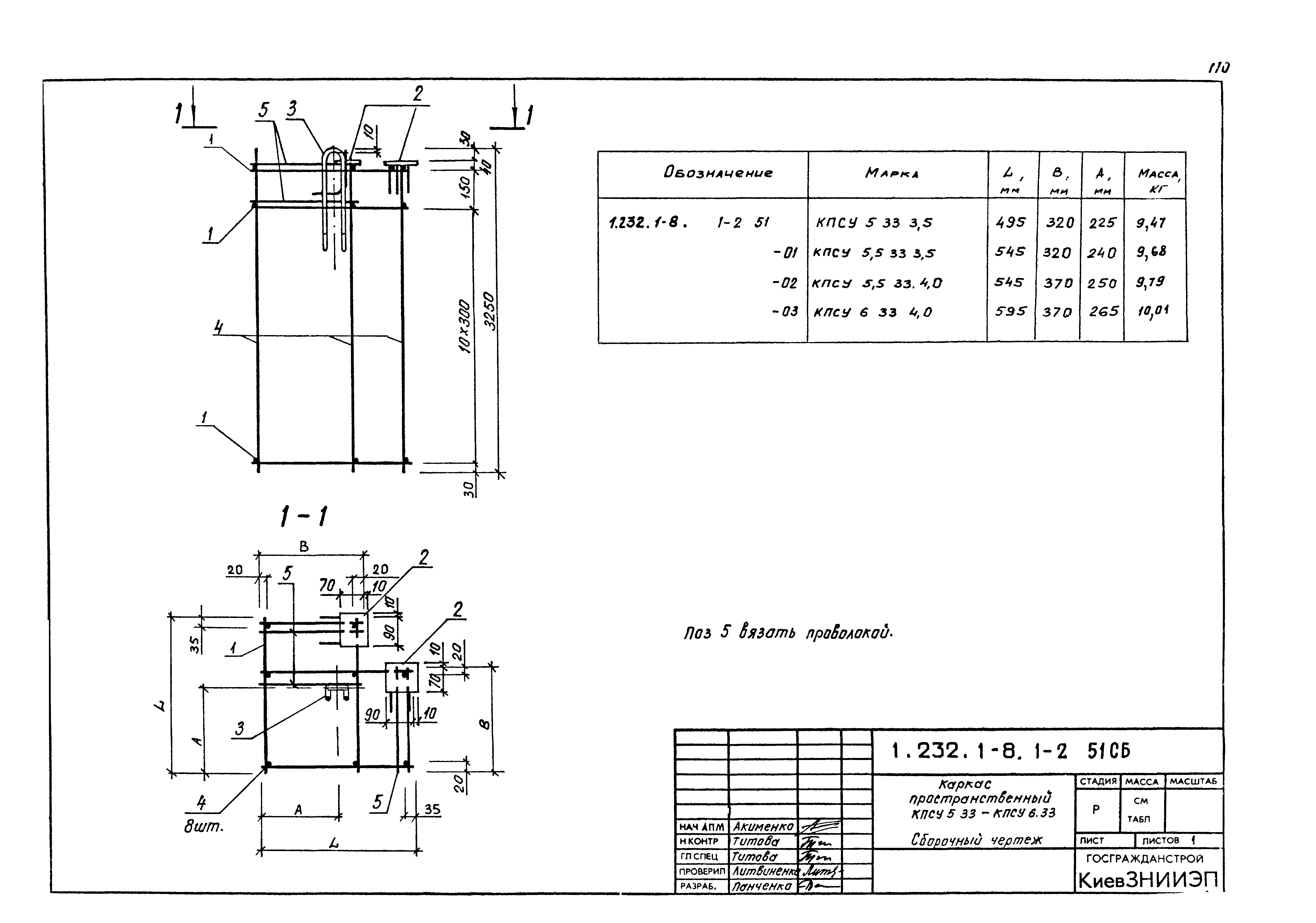
| Оглавление: | 1.232.1-8.1-2 00 ТО Техническое описание 1.232.1-8.1-2 01 Каркас пространственный 1КПС030-3КПС030 1.232.1-8.1-2 01СБ Каркас пространственный 1КПС030-3КПС030. Сборочный чертеж 1.232.1-8.1-2 02 Каркас пространственный 4КПС030-6КПС030 1.232.1-8.1-2 02 СБ Каркас пространственный 4КПС030-6КПС030. Сборочный чертеж 1.232.1-8.1-2 03 Каркас пространственный 7КПС030-9КПС030 1.232.1-8.1-2 03 СБ Каркас пространственный 7КПС030-9КПС030. Сборочный чертеж 1.232.1-8.1-2 04 Каркас пространственный 1КПС060-3КПС060 1.232.1-8.1-2 04 СБ Каркас пространственный 1КПС060-3КПС060. Сборочный чертеж 1.232.1-8.1-2 05 Каркас пространственный 4КПС060-6КПС060 1.232.1-8.1-2 05 СБ Каркас пространственный 4КПС060-6КПС060. Сборочный чертеж 1.232.1-8.1-2 06 Каркас пространственный 1КПСЛ30-2КПСЛ30 1.232.1-8.1-2 06 СБ Каркас пространственный 1КПСЛ30-2КПСЛ30. Сборочный чертеж 1.232.1-8.1-2 07 Каркас пространственный 3КПСЛ30-4КПСЛ30 1.232.1-8.1-2 07 СБ Каркас пространственный 3КПСЛ30-4КПСЛ30. Сборочный чертеж 1.232.1-8.1-2 08 Каркас пространственный КПСЛ 30 1.232.1-8.1-2 08 СБ Каркас пространственный КПСЛ 30. Сборочный чертеж 1.232.1-8.1-2 09 Каркас пространственный КПС 30.33 1.232.1-8.1-2 09 СБ Каркас пространственный КПС 30.33. Сборочный чертеж 1.232.1-8.1-2 10 Каркас пространственный КПС 30.16 1.232.1-8.1-2 10 СБ Каркас пространственный КПС 30.16. Сборочный чертеж 1.232.1-8.1-2 11 Каркас пространственный КПС 12.33 1.232.1-8.1-2 11 СБ Каркас пространственный КПС 12.33. Сборочный чертеж 1.232.1-8.1-2 12 Каркас пространственный КПСД 30 1.232.1-8.1-2 12 СБ Каркас пространственный КПСД 30. Сборочный чертеж 1.232.1-8.1-2 13 Каркас пространственный 1КПСБ 30 1.232.1-8.1-2 13 СБ Каркас пространственный 1КПСБ 30. Сборочный чертеж 1.232.1-8.1-2 14 Каркас пространственный 2КПСБ 30 1.232.1-8.1-2 14 СБ Каркас пространственный 2КПСБ 30. Сборочный чертеж 1.232.1-8.1-2 15 Каркас пространственный 1КПСД 30 1.232.1-8.1-2 15 СБ Каркас пространственный 1КПСД 30. Сборочный чертеж 1.232.1-8.1-2 16 Каркас пространственный 1КПСО 27 1.232.1-8.1-2 16 СБ Каркас пространственный 1КПСО 27. Сборочный чертеж 1.232.1-8.1-2 17 Каркас пространственный 1КПСО 28 1.232.1-8.1-2 17 СБ Каркас пространственный 1КПСО 28. Сборочный чертеж 1.232.1-8.1-2 18 Каркас пространственный 2КПСО 27 1.232.1-8.1-2 18 СБ Каркас пространственный 2КПСО 27. Сборочный чертеж 1.232.1-8.1-2 19 Каркас пространственный 2КПСО 28 1.232.1-8.1-2 19 СБ Каркас пространственный 2КПСО 28. Сборочный чертеж 1.232.1-8.1-2 20 Каркас пространственный КПСО 24 1.232.1-8.1-2 20 СБ Каркас пространственный КПСО 24. Сборочный чертеж 1.232.1-8.1-2 21 Каркас пространственный КПСО 25 1.232.1-8.1-2 21 СБ Каркас пространственный КПСО 25. Сборочный чертеж 1.232.1-8.1-2 22 Каркас пространственный 1КПС27-1КПС28 1.232.1-8.1-2 22 СБ Каркас пространственный 1КПС27-1КПС28. Сборочный чертеж 1.232.1-8.1-2 23 Каркас пространственный 1КПС9-1КПС10 1.232.1-8.1-2 23 СБ Каркас пространственный 1КПС9-1КПС10. Сборочный чертеж 1.232.1-8.1-2 24 Каркас пространственный 2КПС27-2КПС28 1.232.1-8.1-2 24 СБ Каркас пространственный 2КПС27-2КПС28. Сборочный чертеж 1.232.1-8.1-2 25 Каркас пространственный 2КПС9, 2КПС10 1.232.1-8.1-2 25 СБ Каркас пространственный 2КПС9, 1КПС10. Сборочный чертеж 1.232.1-8.1-2 26 Каркас пространственный КПС 24 1.232.1-8.1-2 26 СБ Каркас пространственный КПС 24. Сборочный чертеж 1.232.1-8.1-2 27 Каркас пространственный КПС 25 1.232.1-8.1-2 27 СБ Каркас пространственный КПС 25. Сборочный чертеж 1.232.1-8.1-2 28 Каркас пространственный 1КПСД 27 1.232.1-8.1-2 28 СБ Каркас пространственный 1КПСД 27. Сборочный чертеж 1.232.1-8.1-2 29 Каркас пространственный 1КПСД 28 1.232.1-8.1-2 29 СБ Каркас пространственный 1КПСД 28. Сборочный чертеж 1.232.1-8.1-2 30 Каркас пространственный 2КПСД 27 1.232.1-8.1-2 30 СБ Каркас пространственный 2КПСД 27. Сборочный чертеж 1.232.1-8.1-2 31 Каркас пространственный 2КПСД 28 1.232.1-8.1-2 31 СБ Каркас пространственный 2КПСД 28. Сборочный чертеж 1.232.1-8.1-2 32 Каркас пространственный КПСД 24 1.232.1-8.1-2 32 СБ Каркас пространственный КПСД 24. Сборочный чертеж 1.232.1-8.1-2 33 Каркас пространственный КПСД 25 1.232.1-8.1-2 33 СБ Каркас пространственный КПСД 25. Сборочный чертеж 1.232.1-8.1-2 34 Каркас пространственный 1КПСЛ27-2КПСЛ27 1.232.1-8.1-2 34 СБ Каркас пространственный 1КПСЛ27-2КПСЛ27. Сборочный чертеж 1.232.1-8.1-2 35 Каркас пространственный 1КПСЛ28-2КПСЛ28 1.232.1-8.1-2 35 СБ Каркас пространственный 1КПСЛ28-2КПСЛ28. Сборочный чертеж 1.232.1-8.1-2 36 Каркас пространственный 3КПСЛ27-4КПСЛ27 1.232.1-8.1-2 36 СБ Каркас пространственный 3КПСЛ27-4КПСЛ27. Сборочный чертеж 1.232.1-8.1-2 37 Каркас пространственный 3КПСЛ28-4КПСЛ28 1.232.1-8.1-2 37 СБ Каркас пространственный 3КПСЛ28-4КПСЛ28. Сборочный чертеж 1.232.1-8.1-2 38 Каркас пространственный 5КПСЛ27-5КПСЛ28 1.232.1-8.1-2 38 СБ Каркас пространственный 5КПСЛ27-5КПСЛ28. Сборочный чертеж 1.232.1-8.1-2 39 Каркас пространственный 6КПСЛ27-6КПСЛ28 1.232.1-8.1-2 39 СБ Каркас пространственный 6КПСЛ27-6КПСЛ28. Сборочный чертеж 1.232.1-8.1-2 40 Каркас пространственный КПСЛ24, КПСЛ25 1.232.1-8.1-2 40 СБ Каркас пространственный КПСЛ24, КПСЛ25. Сборочный чертеж 1.232.1-8.1-2 41 Каркас пространственный КПСП24 1.232.1-8.1-2 41 СБ Каркас пространственный КПСП24. Сборочный чертеж 1.232.1-8.1-2 42 Каркас пространственный КПСП25 1.232.1-8.1-2 42 СБ Каркас пространственный КПСП25. Сборочный чертеж 1.232.1-8.1-2 43 Каркас пространственный 1КПСП27 1.232.1-8.1-2 43 СБ Каркас пространственный 1КПСП27. Сборочный чертеж 1.232.1-8.1-2 44 Каркас пространственный 1КПСП28 1.232.1-8.1-2 44 СБ Каркас пространственный 1КПСП28. Сборочный чертеж 1.232.1-8.1-2 45 Каркас пространственный 1КПСП9 1.232.1-8.1-2 45 СБ Каркас пространственный 1КПСП9. Сборочный чертеж 1.232.1-8.1-2 46 Каркас пространственный 1КПСП10 1.232.1-8.1-2 46 СБ Каркас пространственный 1КПСП10. Сборочный чертеж 1.232.1-8.1-2 47 Каркас пространственный 2КПСП27 1.232.1-8.1-2 47 СБ Каркас пространственный 2КПСП27. Сборочный чертеж 1.232.1-8.1-2 48 Каркас пространственный 2КПСП28 1.232.1-8.1-2 48 СБ Каркас пространственный 2КПСП28. Сборочный чертеж 1.232.1-8.1-2 49 Каркас пространственный 2КПСП9 1.232.1-8.1-2 49 СБ Каркас пространственный 2КПСП9. Сборочный чертеж 1.232.1-8.1-2 50 Каркас пространственный 2КПСП10 1.232.1-8.1-2 50 СБ Каркас пространственный 2КПСП10. Сборочный чертеж 1.232.1-8.1-2 51 Каркас пространственный КПСУ 5.33- КПСУ 6.33 1.232.1-8.1-2 51 СБ Каркас пространственный КПСУ 5.33- КПСУ 6.33. Сборочный чертеж 1.232.1-8.1-2 52 Каркас пространственный КПСУ 5.16- КПСУ 6.16 1.232.1-8.1-2 52 СБ Каркас пространственный КПСУ 5.16- КПСУ 6.16. Сборочный чертеж 1.232.1-8.1-2 53 Каркас пространственный КПСУ 5.10- КПСУ 6.10 1.232.1-8.1-2 53 СБ Каркас пространственный КПСУ 5.10- КПСУ 6.10. Сборочный чертеж 1.232.1-8.1-2 00 Д2 Узлы арматурные |
| Разработан: | КиевЗНИИЭП |
| Утверждён: | 19.05.1987 Госгражданстрой (Gosgrazhdanstroy 161) |
| Расположен в: | |
| Нормативные ссылки: |
|






















































































































