| ||||||||||||||||||||||||||
Скачать Серия 1.132.1-12с Выпуск 1-1. Панели группы С-НР1 одношаговые толщиной 300 и 350 ммДата актуализации: 10.08.2017
|
| Обозначение: | Серия 1.132.1-12с |
| Обозначение англ: | Series 1.132.1-12с |
| Статус: | действует |
| Название рус.: | Выпуск 1-1. Панели группы С-НР1 одношаговые толщиной 300 и 350 мм |
| Дата добавления в базу: | 01.09.2013 |
| Дата актуализации: | 05.05.2017 |
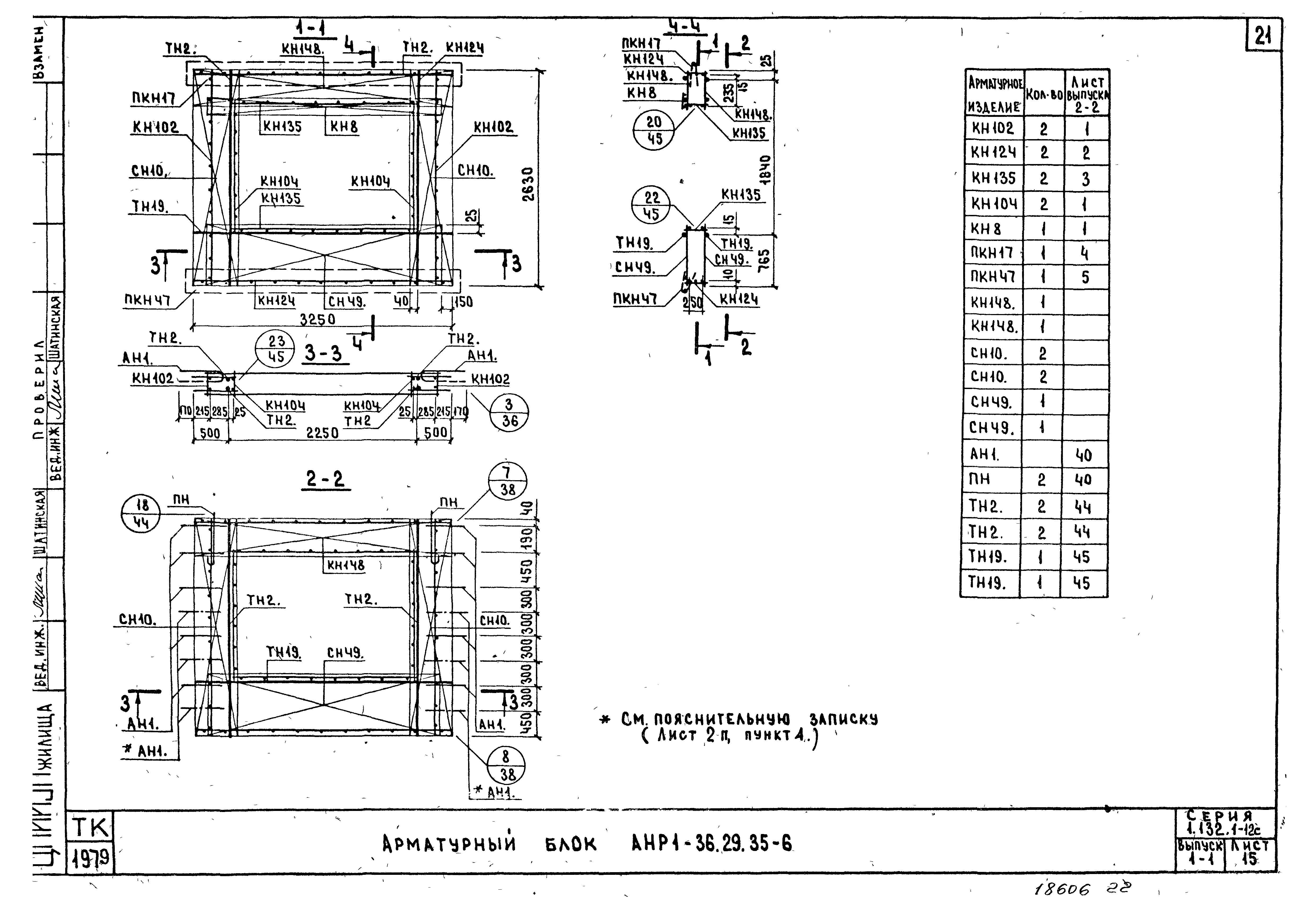
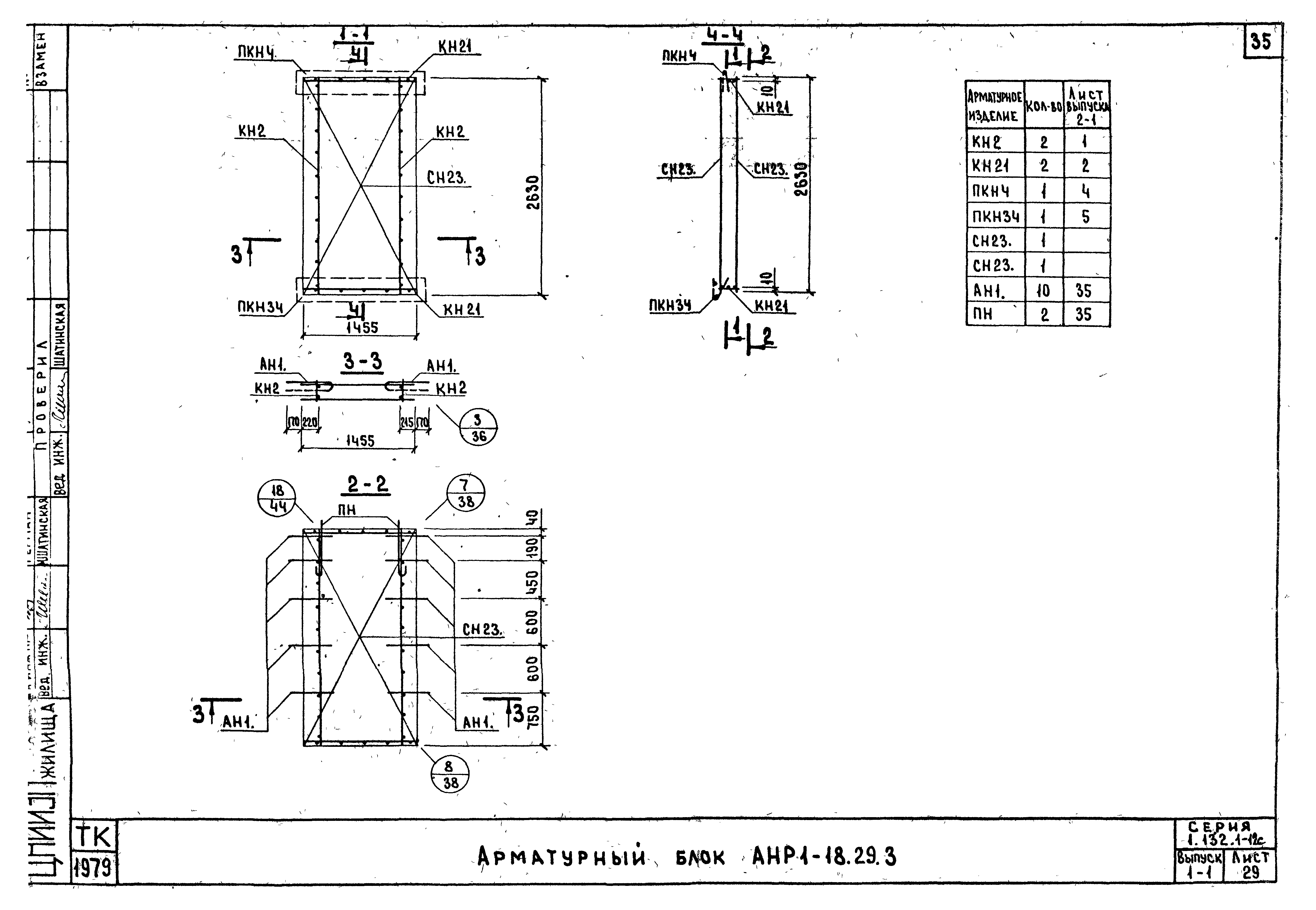
| Область применения: | В данном выпуске представлены рабочие чертежи наружных стеновых панелей групп С-НР1 одношаговых толщиной 300 и 350 мм |
| Разработан: | ЦНИИСК им. В.А. Кучеренко ЦНИИЭП жилища |
| Утверждён: | 28.01.1983 Госгражданстрой (Gosgrazhdanstroy 37) |
| Расположен в: | |
| Нормативные ссылки: |








































