Информационная система
«Ёшкин Кот»

Скачать базу одним архивом
Скачать обновления
История создания базы
Карта сайта

Скачать Серия 1.030.1-1/88 Выпуск 1-2. Панели из легких и ячеистых бетонов толщиной 250 мм для стен общественных зданий и вспомогательных зданий промышленных предприятий. Опалубка и армирование. Рабочие чертежи

Дата актуализации: 10.08.2017

Серия 1.030.1-1/88

Выпуск 1-2. Панели из легких и ячеистых бетонов толщиной 250 мм для стен общественных зданий и вспомогательных зданий промышленных предприятий. Опалубка и армирование. Рабочие чертежи

Обозначение: Серия 1.030.1-1/88
Обозначение англ: Series 1.030.1-1/88
Статус:действует
Название рус.:Выпуск 1-2. Панели из легких и ячеистых бетонов толщиной 250 мм для стен общественных зданий и вспомогательных зданий промышленных предприятий. Опалубка и армирование. Рабочие чертежи
Дата добавления в базу:01.09.2013
Дата актуализации:05.05.2017
Область применения:Выпуск содержит технические требования, опалубочные чертежи, армирование, спецификации, опалубочные и арматурные узлы, ведомость расхода стали на панели толщиной 250 мм
Оглавление:1.030.1-1/88.1-2-ТТ Технические требования
1.030.1-1/88.1-2-К1 Панели ПС 30.6.2,5…, ПС 30.9.2,5…
1.030.1-1/88.1-2-К2 Панели ПС 30.12.2,5…, ПС 30.15.2,5…
1.030.1-1/88.1-2-К3 Панели ПС 30.18.2,5…, ПС 30.21.2,5…
1.030.1-1/88.1-2-К4 Панели ПС 60.6.2,5…, ПС 60.9.2,5…
1.030.1-1/88.1-2-К5 Панели ПС 60.12.2,5…, ПС 60.15.2,5…
1.030.1-1/88.1-2-К6 Панели ПС 60.18.2,5…, ПС 60.21.2,5…
1.030.1-1/88.1-2-К7 Панели ПС 72.12.2,5…
1.030.1-1/88.1-2-К8 Панели ПС 72.12.2,5…, ПС 72.15.2,5…
1.030.1-1/88.1-2-К9 Панели ПС 72.18.2,5…, ПС 72.21.2,5…
1.030.1-1/88.1-2-К10 Панели ПС 90.12.2,5…, ПС 72.15.2,5…
1.030.1-1/88.1-2-К11 Панели ПС 90.18.2,5…, ПС 72.21.2,5…
1.030.1-1/88.1-2-К12 Панели 1ПС 27.6.2,5…, 1ПС 27.9.2,5…
1.030.1-1/88.1-2-К13 Панели 1ПС 27.12.2,5…, 1ПС 27.15.2,5…
1.030.1-1/88.1-2-К14 Панели 1ПС 27.18.2,5…, 1ПС 27.21.2,5…
1.030.1-1/88.1-2-К15 Панели 2ПС 27.6.2,5…, 2ПС 27.9.2,5…
1.030.1-1/88.1-2-К16 Панели 2ПС 27.12.2,5…, 2ПС 27.15.2,5…
1.030.1-1/88.1-2-К17 Панели 2ПС 27.16.2,5…, 2ПС 27.21.2,5…
1.030.1-1/88.1-2-К18 Панели 1ПС 57.6.2,5…, 1ПС 57.9.2,5…
1.030.1-1/88.1-2-К19 Панели 1ПС 57.12.2,5…, 1ПС 57.15.2,5…
1.030.1-1/88.1-2-К20 Панели 1ПС 57.18.2,5…, 1ПС 57.21.2,5…
1.030.1-1/88.1-2-К21 Панели 2ПС 57.6.2,5…, 2ПС 57.9.2,5…
1.030.1-1/88.1-2-К22 Панели 2ПС 57.12.2,5…, 2ПС 57.15.2,5…
1.030.1-1/88.1-2-К23 Панели 2ПС 57.18.2,5…, 2ПС 57.12.2,5…
1.030.1-1/88.1-2-К24 Панели ПС 3.12.2,5…, ПС 3.18.2,5…, ПС 3.21.2,5…
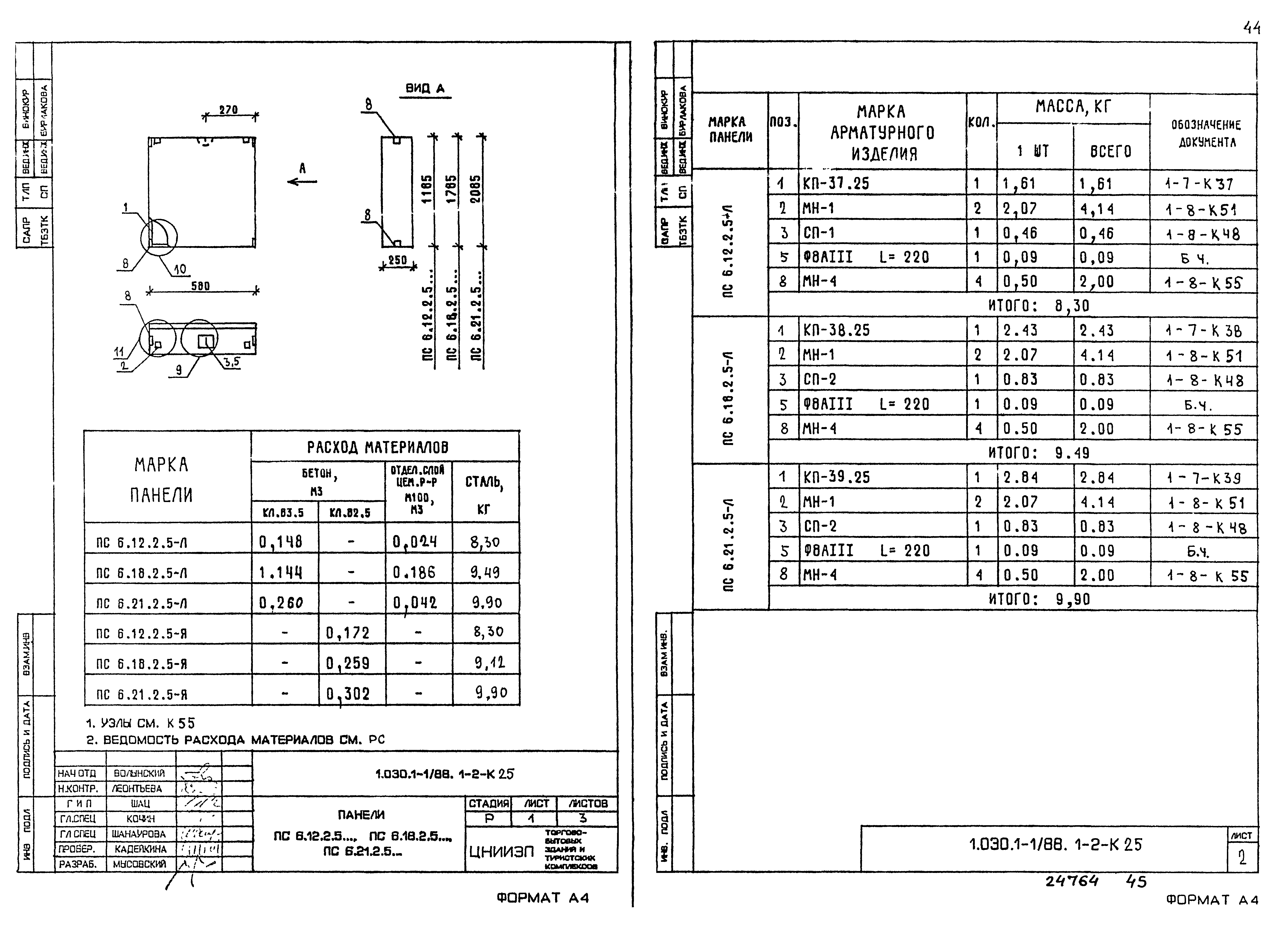
1.030.1-1/88.1-2-К25 Панели ПС 6.12.2,5…, ПС 6.18.2,5…, ПС 6.21.2,5…
1.030.1-1/88.1-2-К26 Панели ПС 12.12.2,5…, ПС 12.18.2,5…, ПС 12.21.2,5…
1.030.1-1/88.1-2-К27 Панели ПС 12.12.2,5…-1, ПС 12.18.2,5…-1, ПС 12.21.2,5…-1
1.030.1-1/88.1-2-К28 Панели 3ПС 46.60.2,5…, 3ПС 46.90.2,5…
1.030.1-1/88.1-2-К29 Панели 3ПС 46.120.2,5…, 3ПС 46.150.2,5…
1.030.1-1/88.1-2-К30 Панели 3ПС 46.180.2,5…, 3ПС 46.210.2,5…
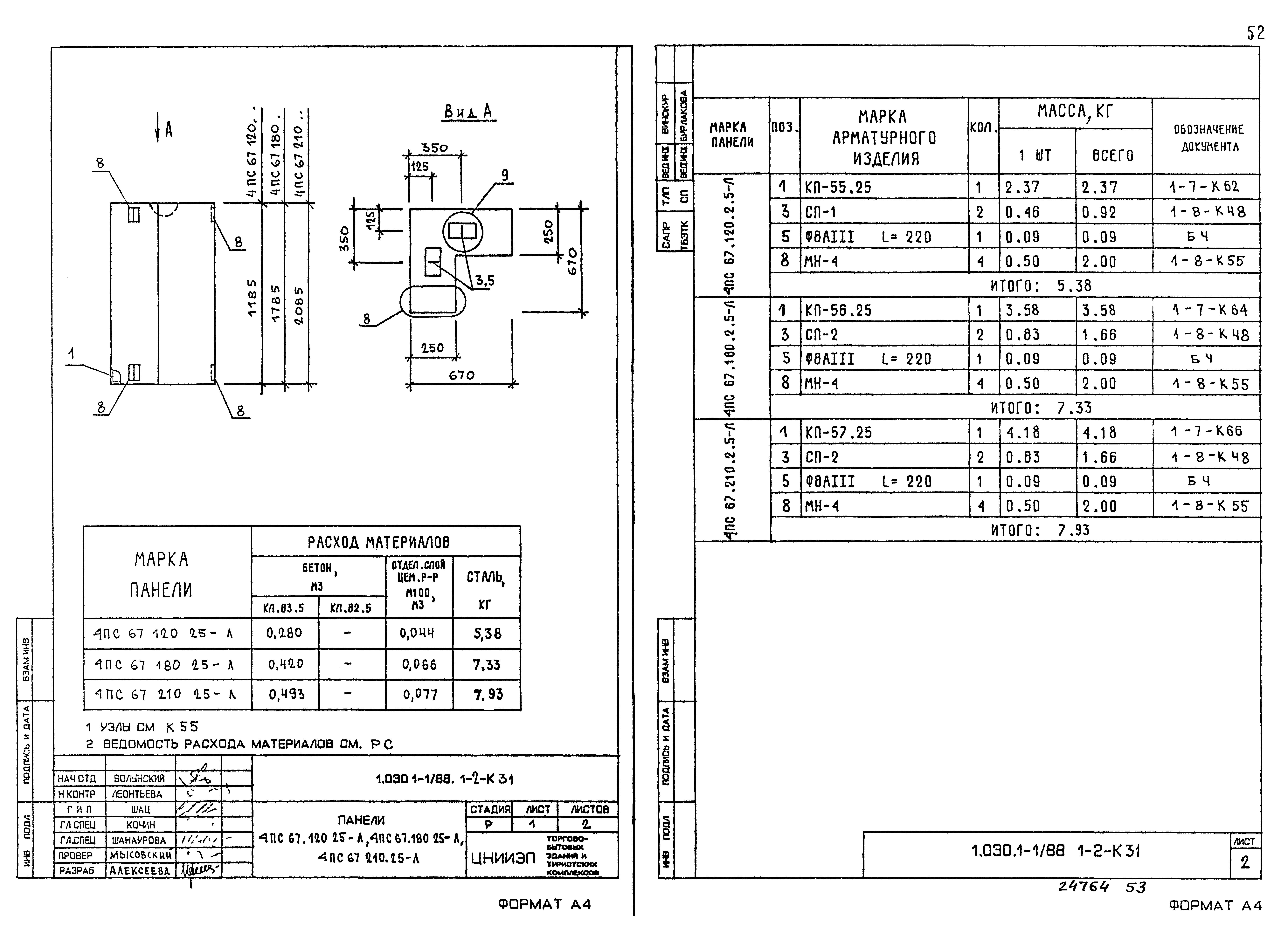
1.030.1-1/88.1-2-К31 Панели 4ПС 67.120.2,5-л, 4ПС 67.180.2,5-л, 4ПС 67.210.2,5-л
1.030.1-1/88.1-2-К32 Панели 4ПС 67.120.2,5-я, 4ПС 67.180.2,5-я, 4ПС 67.210.2,5-я
1.030.1-1/88.1-2-К33 Панели ПСК 60.6.2,5…, ПСК 60.9.2,5…
1.030.1-1/88.1-2-К34 Панели 1ПСК 57.6.2,5…, 1ПСК 57.9.2,5…
1.030.1-1/88.1-2-К35 Панели 2ПСК 57.6.2,5…, 2ПСК 57.9.2,5…
1.030.1-1/88.1-2-К36 Панели 1ПС 27.5.6.2,5…, 1ПС 27.9.2,5…
1.030.1-1/88.1-2-К37 Панели 1ПС 27.5.12.2,5…, 1ПС 27.5.15.2,5…
1.030.1-1/88.1-2-К38 Панели 1ПС 27.5.18.2,5…,1ПС 27.5.21.2,5…
1.030.1-1/88.1-2-К39 Панели 2ПС 27.5.6.2,5…, 2ПС 27.9.2,5…
1.030.1-1/88.1-2-К40 Панели 2ПС 27.5.12.2,5…, 2ПС 27.5.15.2,5…
1.030.1-1/88.1-2-К41 Панели 2ПС 27.5.18.2,5…, 2ПС 27.5.21.2,5…
1.030.1-1/88.1-2-К42 Панели 1ПС57.5.6.2,5…, 1ПС 57.9.2,5…
1.030.1-1/88.1-2-К43 Панели 1ПС 57.5.12.2,5…, 1ПС 57.5.15.2,5…
1.030.1-1/88.1-2-К44 Панели 1ПС 57.5.18.2,5…,1ПС 57.5.21.2,5…
1.030.1-1/88.1-2-К45 Панели 2ПС 57.5.6.2,5…, 2ПС 57.9.2,5…
1.030.1-1/88.1-2-К46 Панели 2ПС 57.5.12.2,5…, 2ПС 57.5.15.2,5…
1.030.1-1/88.1-2-К47 Панели 2ПС 57.5.18.2,5…, 2ПС 57.5.21.2,5…
1.030.1-1/88.1-2-К48 Панели 3ПС 41.60.25…, 3ПС 41.90.25…
1.030.1-1/88.1-2-К49 Панели 3ПС 41.120.25…, 3ПС 41.150.25…
1.030.1-1/88.1-2-К50 Панели 3ПС 41.180.25…, 3ПС 41.210.25…
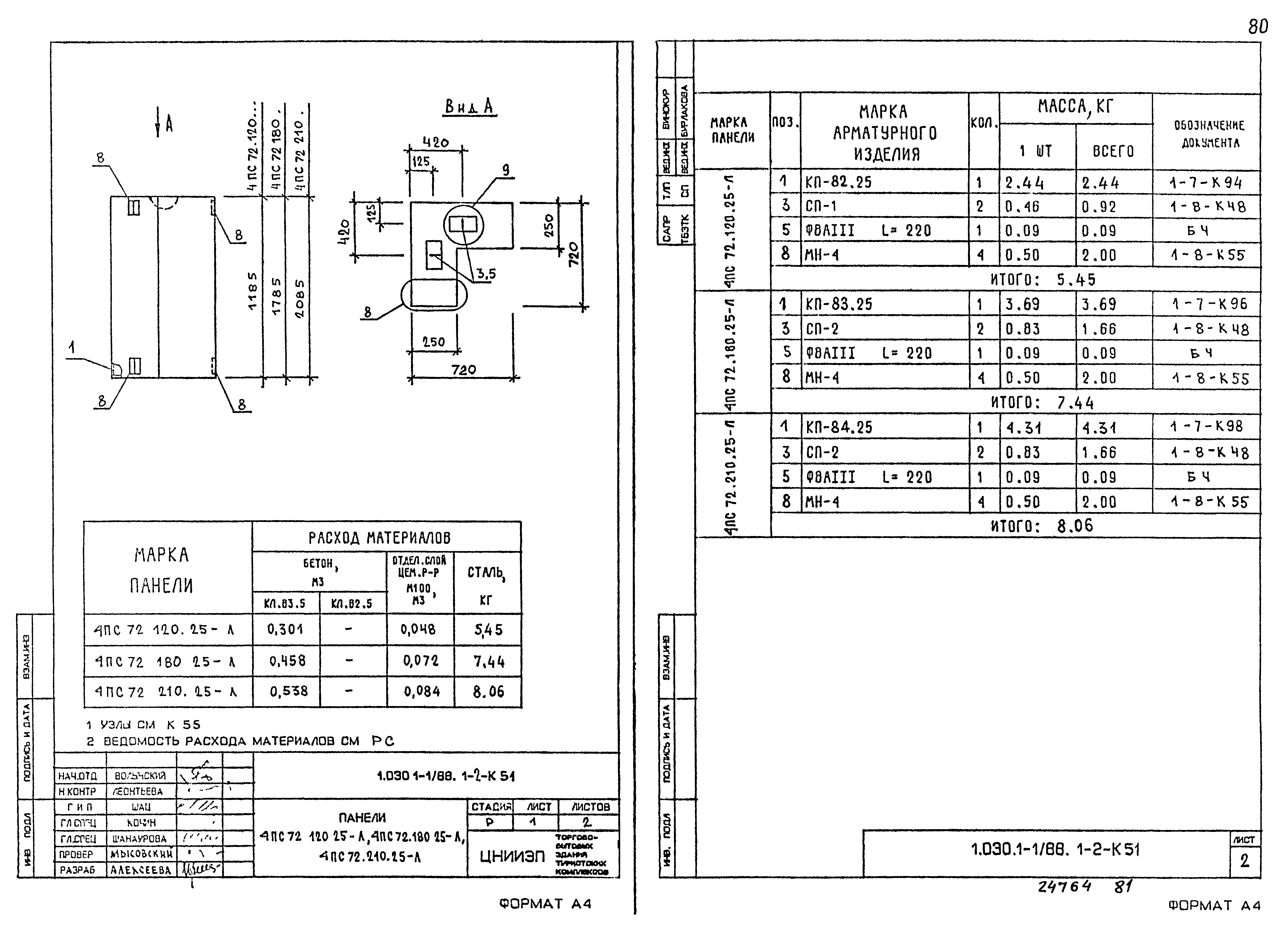
1.030.1-1/88.1-2-К51 Панели 4ПС 72.120.25-л, 4ПС 72.180.25-л, 4ПС 72.210.25-л
1.030.1-1/88.1-2-К52 Панели 4ПС 72.120.25-я, 4ПС 72.180.25-я, 4ПС 72.210.25-я
1.030.1-1/88.1-2-К53 Панели 1ПСК 57.5.6.2,5…, 1ПСК57.5.9.2,5…
1.030.1-1/88.1-2-К54 Панели 2ПСК 57.5.6.2,5…, 2ПСК57.5.9.2,5…
1.030.1-1/88.1-2-К55 Узлы 1… 14
1.030.1-1/88.1-2-РС Ведомость расхода стали
Разработан: НИИЖБ Госстроя СССР
ЦНИИЭП ТБЗ и ТК
Утверждён:17.03.1989 Госстрой СССР (Государственный комитет Совета Министров СССР по делам строительства) (USSR Gosstroy АЧ-10)
Расположен в:Техническая документация Экология СТРОИТЕЛЬНЫЕ МАТЕРИАЛЫ И СТРОИТЕЛЬСТВО Строительные элементы Стены. Перегородки. Фасады Строительство Справочные документы Типовые строительные конструкции, изделия и узлы Общероссийский строительный каталог Строительные конструкции, изделия и узлы зданий и сооружений для всех видов строительства Конструкции, изделия и узлы зданий Ограждающие конструкции Стены наружные Панели (бетонные и железобетонные)
Нормативные ссылки:
Серия 1.030.1-1/88Серия 1.030.1-1/88Серия 1.030.1-1/88Серия 1.030.1-1/88Серия 1.030.1-1/88Серия 1.030.1-1/88Серия 1.030.1-1/88Серия 1.030.1-1/88Серия 1.030.1-1/88Серия 1.030.1-1/88Серия 1.030.1-1/88Серия 1.030.1-1/88Серия 1.030.1-1/88Серия 1.030.1-1/88Серия 1.030.1-1/88Серия 1.030.1-1/88Серия 1.030.1-1/88Серия 1.030.1-1/88Серия 1.030.1-1/88Серия 1.030.1-1/88Серия 1.030.1-1/88Серия 1.030.1-1/88Серия 1.030.1-1/88Серия 1.030.1-1/88Серия 1.030.1-1/88Серия 1.030.1-1/88Серия 1.030.1-1/88Серия 1.030.1-1/88Серия 1.030.1-1/88Серия 1.030.1-1/88Серия 1.030.1-1/88Серия 1.030.1-1/88Серия 1.030.1-1/88Серия 1.030.1-1/88Серия 1.030.1-1/88Серия 1.030.1-1/88Серия 1.030.1-1/88Серия 1.030.1-1/88Серия 1.030.1-1/88Серия 1.030.1-1/88Серия 1.030.1-1/88Серия 1.030.1-1/88Серия 1.030.1-1/88Серия 1.030.1-1/88Серия 1.030.1-1/88Серия 1.030.1-1/88Серия 1.030.1-1/88Серия 1.030.1-1/88Серия 1.030.1-1/88Серия 1.030.1-1/88Серия 1.030.1-1/88Серия 1.030.1-1/88Серия 1.030.1-1/88Серия 1.030.1-1/88Серия 1.030.1-1/88Серия 1.030.1-1/88Серия 1.030.1-1/88Серия 1.030.1-1/88Серия 1.030.1-1/88Серия 1.030.1-1/88Серия 1.030.1-1/88Серия 1.030.1-1/88Серия 1.030.1-1/88Серия 1.030.1-1/88Серия 1.030.1-1/88Серия 1.030.1-1/88Серия 1.030.1-1/88Серия 1.030.1-1/88Серия 1.030.1-1/88Серия 1.030.1-1/88Серия 1.030.1-1/88Серия 1.030.1-1/88Серия 1.030.1-1/88Серия 1.030.1-1/88Серия 1.030.1-1/88Серия 1.030.1-1/88Серия 1.030.1-1/88Серия 1.030.1-1/88Серия 1.030.1-1/88Серия 1.030.1-1/88Серия 1.030.1-1/88Серия 1.030.1-1/88Серия 1.030.1-1/88Серия 1.030.1-1/88Серия 1.030.1-1/88Серия 1.030.1-1/88Серия 1.030.1-1/88Серия 1.030.1-1/88Серия 1.030.1-1/88Серия 1.030.1-1/88Серия 1.030.1-1/88Серия 1.030.1-1/88Серия 1.030.1-1/88Серия 1.030.1-1/88Серия 1.030.1-1/88Серия 1.030.1-1/88Серия 1.030.1-1/88Серия 1.030.1-1/88Серия 1.030.1-1/88Серия 1.030.1-1/88Серия 1.030.1-1/88Серия 1.030.1-1/88Серия 1.030.1-1/88Серия 1.030.1-1/88Серия 1.030.1-1/88Серия 1.030.1-1/88Серия 1.030.1-1/88Серия 1.030.1-1/88Серия 1.030.1-1/88Серия 1.030.1-1/88Серия 1.030.1-1/88Серия 1.030.1-1/88Серия 1.030.1-1/88Серия 1.030.1-1/88Серия 1.030.1-1/88Серия 1.030.1-1/88Серия 1.030.1-1/88Серия 1.030.1-1/88Серия 1.030.1-1/88Серия 1.030.1-1/88Серия 1.030.1-1/88Серия 1.030.1-1/88Серия 1.030.1-1/88Серия 1.030.1-1/88Серия 1.030.1-1/88Серия 1.030.1-1/88Серия 1.030.1-1/88Серия 1.030.1-1/88Серия 1.030.1-1/88Серия 1.030.1-1/88Серия 1.030.1-1/88Серия 1.030.1-1/88Серия 1.030.1-1/88Серия 1.030.1-1/88Серия 1.030.1-1/88Серия 1.030.1-1/88Серия 1.030.1-1/88Серия 1.030.1-1/88Серия 1.030.1-1/88Серия 1.030.1-1/88Серия 1.030.1-1/88Серия 1.030.1-1/88Серия 1.030.1-1/88Серия 1.030.1-1/88Серия 1.030.1-1/88Серия 1.030.1-1/88Серия 1.030.1-1/88Серия 1.030.1-1/88Серия 1.030.1-1/88Серия 1.030.1-1/88Серия 1.030.1-1/88

© 2013 Ёшкин Кот :-) Карта сайта