| ||||||||||||||||||||||||||
Скачать РС1-3120 Панели внутренних стен толщиной 14 и 18 см. Рабочие чертежиДата актуализации: 10.08.2017
|
| Обозначение: | РС1-3120 |
| Обозначение англ: | РС1-3120 |
| Статус: | не определен законодательством |
| Название рус.: | Панели внутренних стен толщиной 14 и 18 см. Рабочие чертежи |
| Дата добавления в базу: | 01.09.2013 |
| Дата актуализации: | 05.05.2017 |
| Дата введения: | 01.01.2004 |
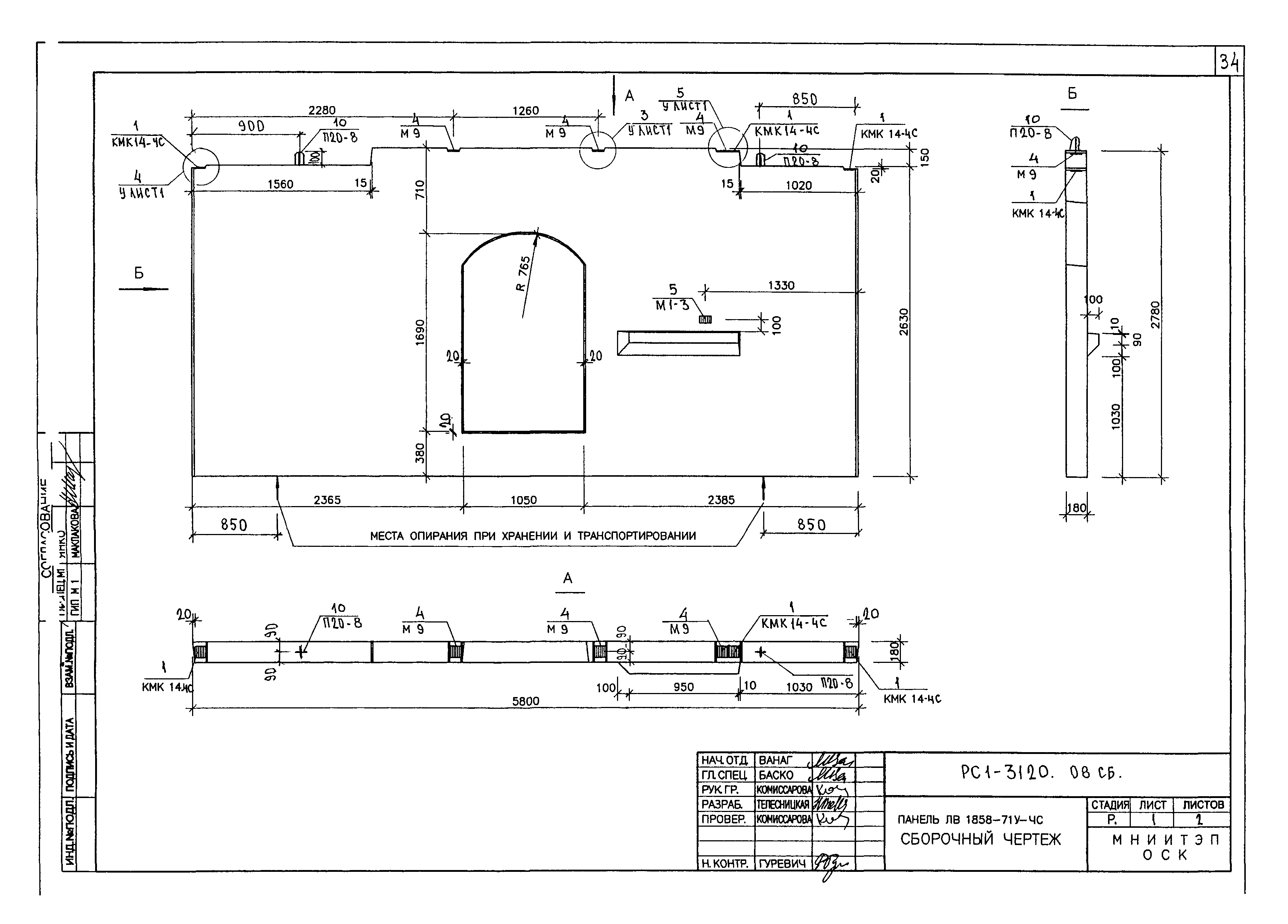
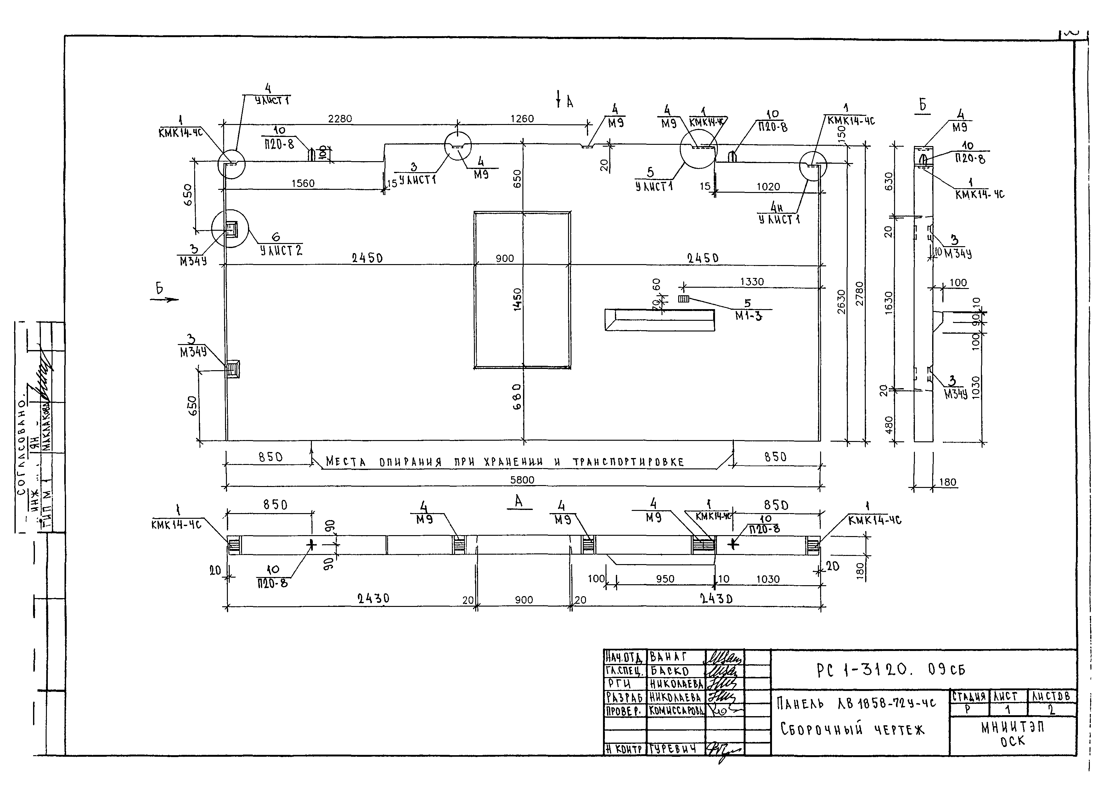
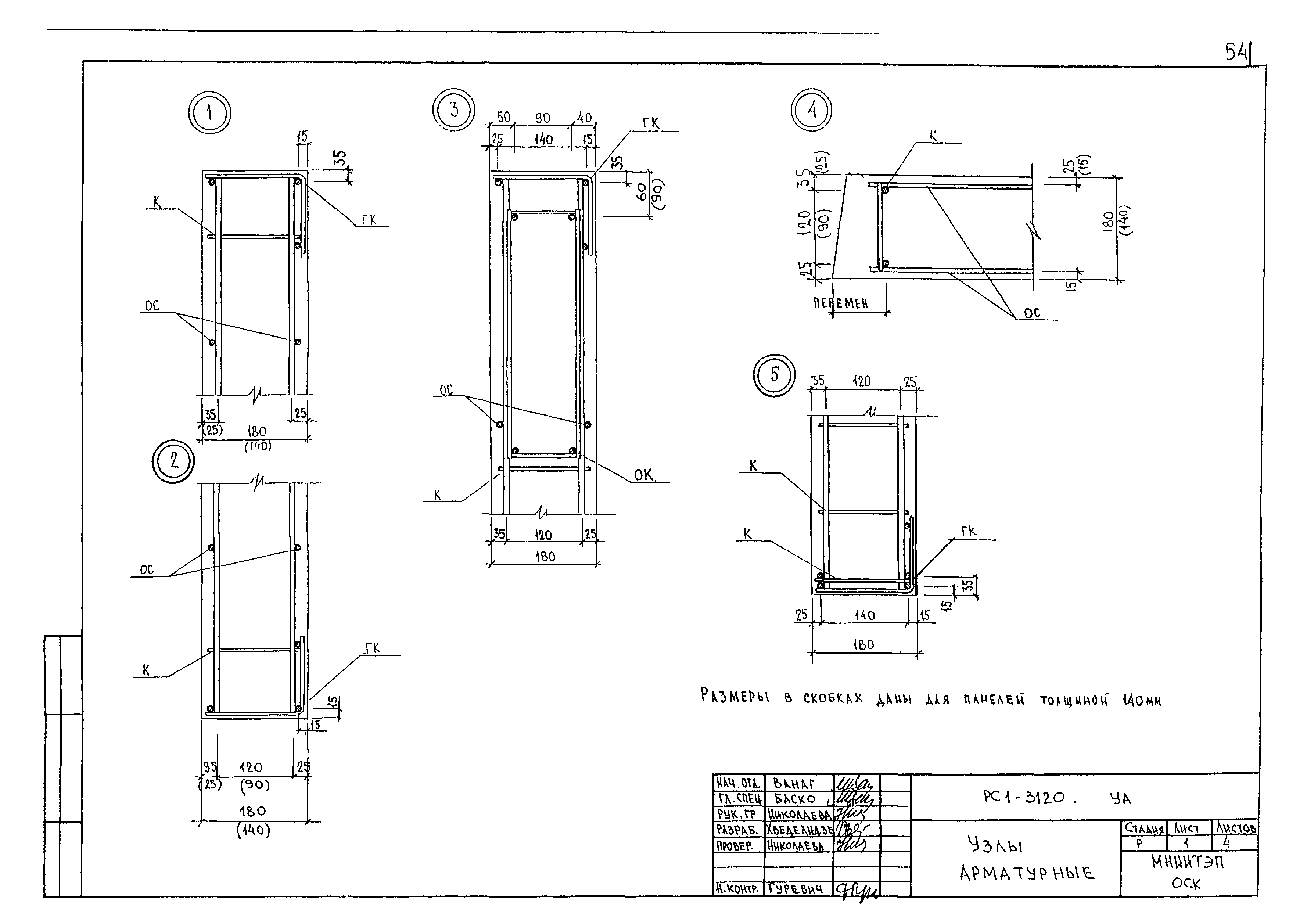
| Оглавление: | РС1-3120. ПЗ. Пояснительная записка РС1-3120. НИ. Номенклатура изделий РС1-3120. РС. Ведомость расхода стали РС1-3120. 01СБ. Панели В1855-71у-Т-4с; В1855-71у-4с. Сборочный чертеж РС1-3120. 02СБ. Панель В1827-1у-4с. Сборочный чертеж РС1-3120. 03Сб. Панель В1824-1у-4с. Сборочный чертеж РС1-3120. 04СБ. Панели В1855-7ОУ-Т-4с; В1855-7ОУ-4с. Сборочный каркас РС1-3120. 05СБ. Панель В1821-1у-4с. Сборочный чертеж РС1-3120. 06СБ. Панель АВ1448-1ул-4с. Сборочный чертеж РС1-3120. 07СБ. Панель АВ1858-70у-4с. Сборочный чертеж РС1-3120. 08СБ. Панель ЛВ1858-71у-4с. Сборочный чертеж РС1-3120. 09СБ. Панель ЛВ1858-72у-4с. Сборочный чертеж РС1-3120. 10СБ. Панель ЛВ1862-72у-4с. Сборочный чертеж РС1-3120. 11СБ. Панель ЛВ1862-71у-4с. Сборочный чертеж РС1-3120. 12СБ. Панель ЛВ1862-70у-4с. Сборочный чертеж РС1-3120. 13СБ. Панель ЛВ1862-5у-К-4с. Сборочный чертеж РС1-3120. У Узлы габаритные РС1-3120. УЭ Узлы по электрике РС1-3120. УЛ Узлы арматурные РС1-3120 Каркасы. Сборочный чертеж РС1-3120 Гнутые каркасы. Сборочный чертеж РС1-3120 Объемные каркасы. Сборочный чертеж РС1-3120 Сетки. Сборочный чертеж РС1-3120Петли. Сборочный чертеж РС1-3120 Закладные детали. Сборочный чертеж РС1-3120 Информационная карта |
| Разработан: | МНИИТЭП |
| Утверждён: | 01.01.2004 МНИИТЭП (MNIITEP ) |
| Расположен в: |












































































