| ||||||||||||||||||||||||||||
Скачать РМ-2923-01 Изделия остекления лоджий и балконов с применением алюминиевых профилей для жилых домов серии П3МДата актуализации: 10.08.2017
|
| Обозначение: | РМ-2923-01 |
| Обозначение англ: | РМ-2923-01 |
| Статус: | не определен законодательством |
| Название рус.: | Изделия остекления лоджий и балконов с применением алюминиевых профилей для жилых домов серии П3М |
| Дата добавления в базу: | 01.09.2013 |
| Дата актуализации: | 05.05.2017 |
| Дата введения: | 01.01.2004 |
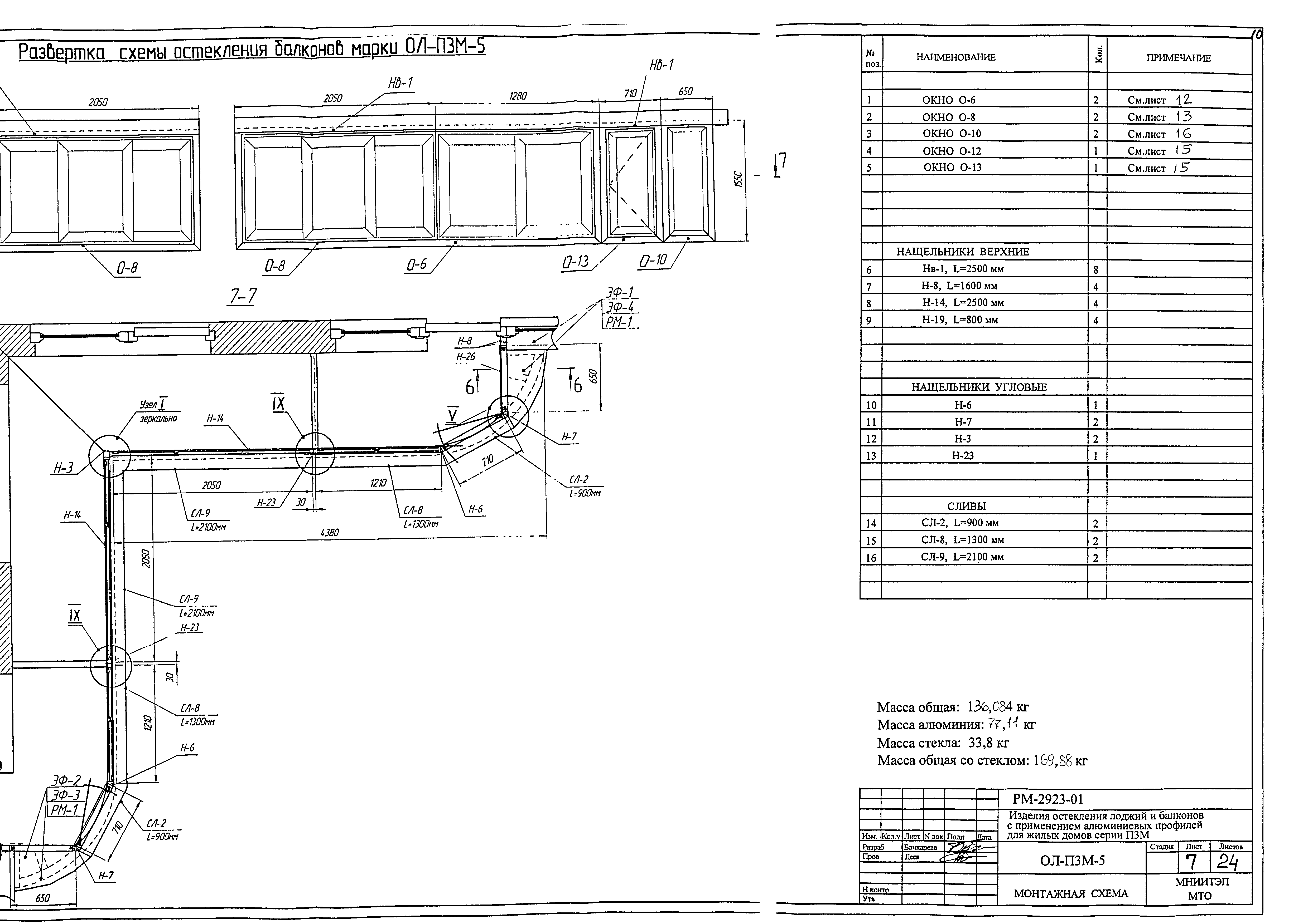
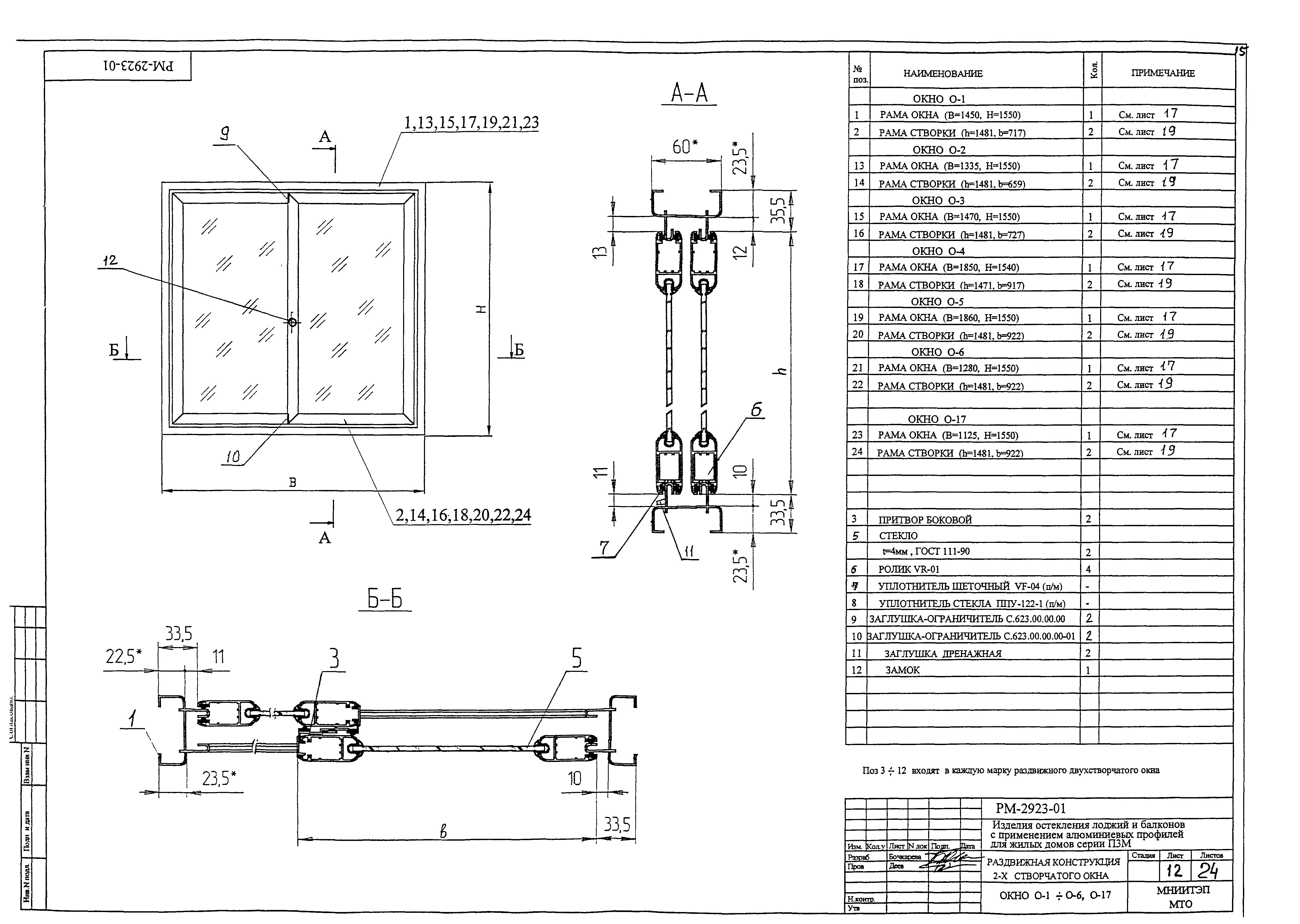
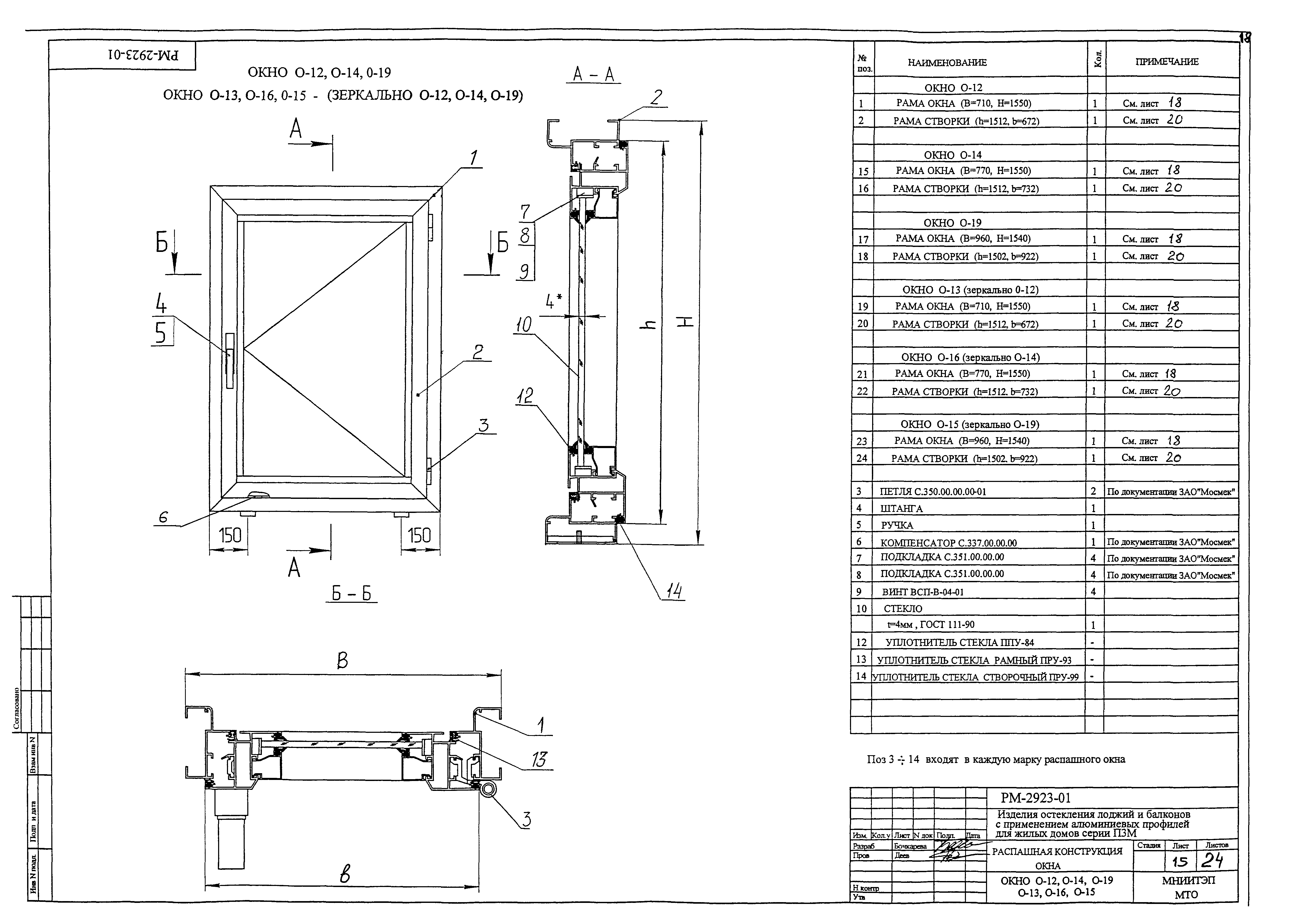
| Оглавление: | 1. Пояснительная записка и номенклатура конструкций остекления 2. Монтажные схемы 3. Разрезы 4. Марки конструкций остекления 5. Рама окна 6. Рама створки 7. Узлы 1-ХIII 8. Приложение №1 9. Приложение №2 |
| Разработан: | МНИИТЭП |
| Утверждён: | 01.01.2004 МНИИТЭП (MNIITEP ) |
| Принят: | РусАлюмстрой |
| Расположен в: |







































