| ||||||||||||||||||||||||||||||||||
Скачать Серия 5.905-26.01 Выпуск 1. Уплотнение вводов. Рабочие чертежиДата актуализации: 10.08.2017
|
| Обозначение: | Серия 5.905-26.01 |
| Обозначение англ: | Series 5.905-26.01 |
| Статус: | заменен |
| Название рус.: | Выпуск 1. Уплотнение вводов. Рабочие чертежи |
| Дата добавления в базу: | 01.09.2013 |
| Дата актуализации: | 05.05.2017 |
| Дата введения: | 01.03.2005 |
| Область применения: | Рабочие чертежи применяются при проектировании и реконструкции, строительстве и эксплуатации инженерных коммуникаций, проходящих через стены подвалов (цокольных этажей) или фундаменты зданий: трубопроводы водопровода; трубопроводы канализации; кабели электроосвещения (кабель связи); трубопроводы теплосетей. |
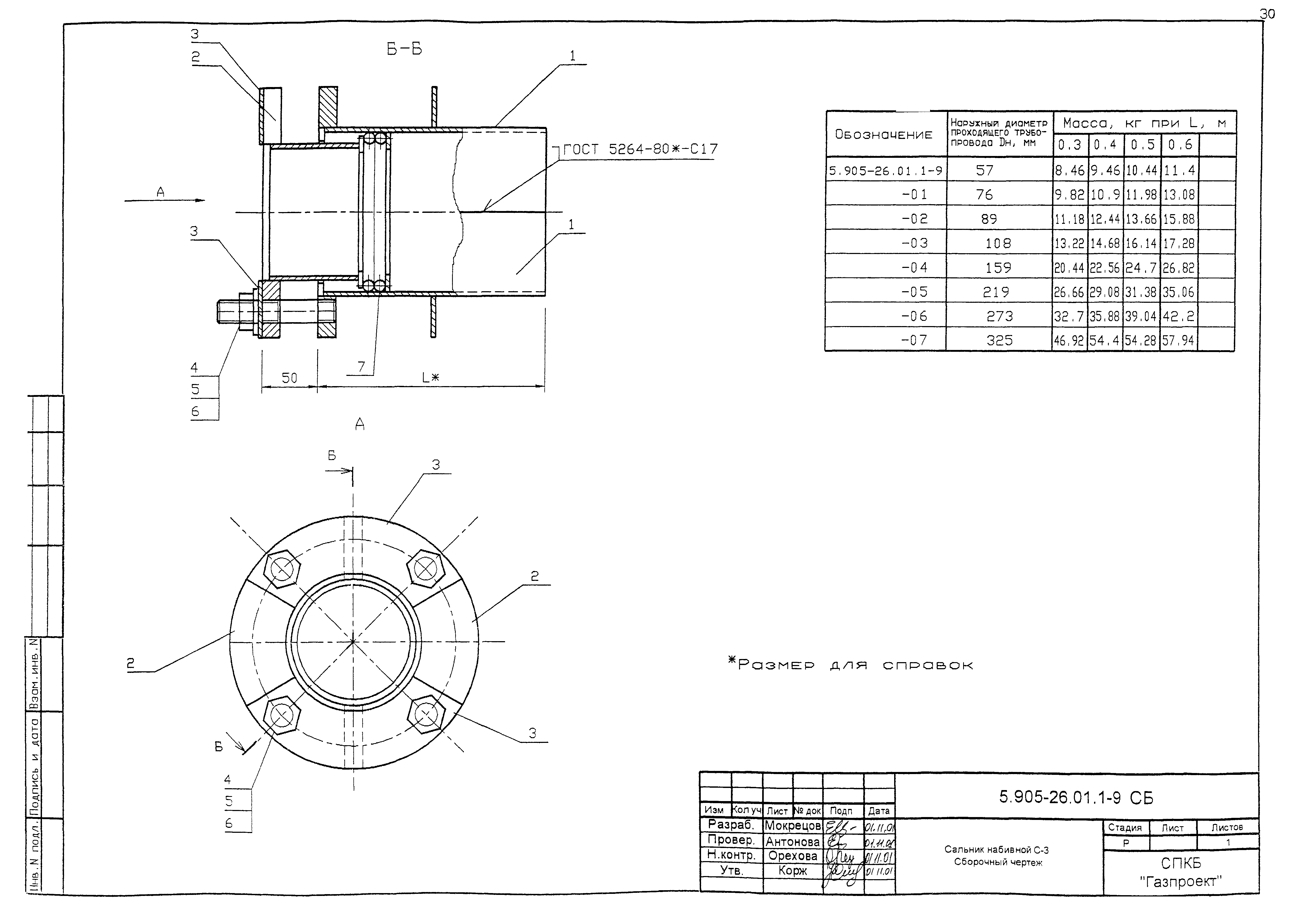
| Оглавление: | 5.905-26.01.1-ПЗ Пояснительная записка 5.905-26.01.1-1 Уплотнение ввода водопровода (канализации) в цокольных (подвальных) этажах зданий для сухих грунтов 5.905-26.01.1-2 Уплотнение ввода водопровода (канализации) в цокольных (подвальных) этажах зданий в мокрых грунтах 5.905-26.01.1-3 Уплотнение ввода электрокабеля (кабеля связи) в цокольных (подвальных) этажах зданий для сухих грунтов 5.905-26.01.1-4 Уплотнение ввода электрокабеля (кабеля связи) в цокольных (подвальных) этажах зданий в мокрых грунтах 5.905-26.01.1-5 Теплотрасса без канала. Уплотнение ввода в цокольных (подвальных) этажах зданий 5.905-26.01.1-6 Теплотрасса в канале. Уплотнение ввода в цокольных (подвальных) этажах зданий 5.905-26.01.1-7СБ Сальник нажимной С-1. Сборочный чертеж 5.905-26.01.1-7 Сальник нажимной С-1 5.905-26.01.1-.01СБ Корпус. Сборочный чертеж 5.905-26.01.1-7.01 Корпус 5.905-26.01.1-7.01.01 Полуобечайка 5.905-26.01.1-7.01.02 Ребро 5.905-26.01.1-7.01.03 Полуфланец 5.905-26.01.1-7.01.04 Полукольцо 5.905-26.01.1-7.02СБ Грундбукса. Сборочный чертеж 5.905-26.01.1-7.02 Грундбукса 5.905-26.01.1-7.02.01 Полуобечайка 5.905-26.01.1-7.02.02 Полукольцо 5.905-26.01.1-7.02.03 Полуфланец 5.905-26.01.1-7.03 Шайба 5.905-26.01.1-7.04 Шпилька 5.905-26.01.1-8СБ Сальник набивной С-2, Сборочный чертеж 5.905-26.01.1-8 Сальник набивной С-2 5.905-26.01.1-8.01 Корпус 5.905-26.01.1-8.02 Упор 5.905-26.01.1-8.03 Кольцевое ребро 5.905-26.01.1-8.04 Упорное кольцо 5.905-26.01.1-9СБ Сальник нажимной С-3. Сборочный чертеж 5.905-26.01.1-9 Сальник нажимной С-3 5.905-26.01.1-9.01СБ Корпус. Сборочный чертеж 5.905-26.01.1-9.01 Корпус 5.905-26.01.1-9.01.01 Полуобечайка 5.905-26.01.1-9.01.02 Ребро 5.905-26.01.1-9.01.03 Полуфланец 5.905-26.01.1-9.01.04 Полукольцо 5.905-26.01.1-9.02СБ Грундбукса. Сборочный чертеж 5.905-26.01.1-9.02 Грундбукса 5.905-26.01.1-9.02.01 Полуобечайка 5.905-26.01.1-9.02.02 Полукольцо 5.905-26.01.1-9.02.03 Полуфланец 5.905-26.01.1-9.03 Шайба 5.905-26.01.1-10СБ Сальник набивной С-4. Сборочный чертеж 5.905-26.01.1-10 Сальник набивной С-4 905-26.01.1-10.01 Корпус 5.905-26.01.1-11СБ Сальник набивной С-5, Сборочный чертеж 5.905-26.01.1-11 Сальник набивной С-5 5.905-26.01.1-11.01 Корпус 5.905-26.01.1-02 Упор 5.905-26.01.1-03 Кольцевое ребро 5.905-26.01.1-12СБ Сальник нажимной С-6, Сборочный чертеж 5.905-26.01.1-12 Сальник нажимной С-6 5.905-26.01.1-12.01СБ Корпус. Сборочный чертеж 5.905-26.01.1-12.01 Корпус 5.905-26.01.1-12.01.01 Обечайка 5.905-26.01.1-12.01.02 Ребро 5.905-26.01.1-12.01.03 Фланец 5.905-26.01.1-12.01.04 Кольцо |
| Разработан: | ОАО СПКБ Газпроект -БТЦ |
| Утверждён: | 20.11.2001 Госстрой России (Russian Federation Gosstroy ВК-187/14) |
| Издан: | ГУП ЦПП (CPP GUP 2002 г. ) |
| Расположен в: | |
| Заменяет собой: | |
| Чем заменён: |
























































