| ||||||||||||||||||||||||||||||
Скачать Серия 3.503.1-81 Выпуск 0-2. Материалы для проектирования температурно-неразрезных пролетных строений мостов и путепроводов расположенных на автомобильных дорогах общего пользованияДата актуализации: 10.08.2017
|
| Обозначение: | Серия 3.503.1-81 |
| Обозначение англ: | Series 3.503.1-81 |
| Статус: | не определен законодательством |
| Название рус.: | Выпуск 0-2. Материалы для проектирования температурно-неразрезных пролетных строений мостов и путепроводов расположенных на автомобильных дорогах общего пользования |
| Дата добавления в базу: | 01.09.2013 |
| Дата актуализации: | 05.05.2017 |
| Дата введения: | 01.07.1992 |
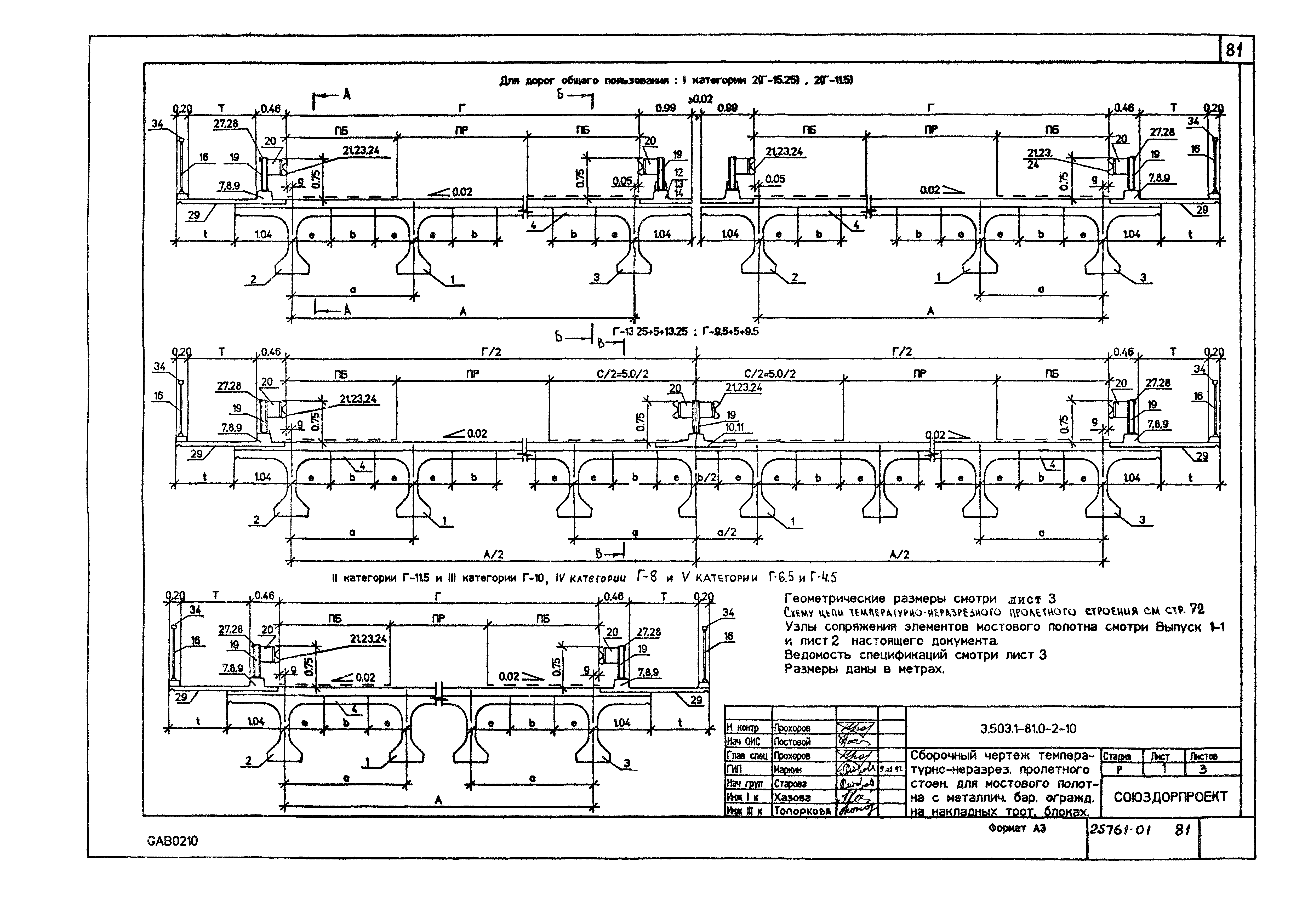
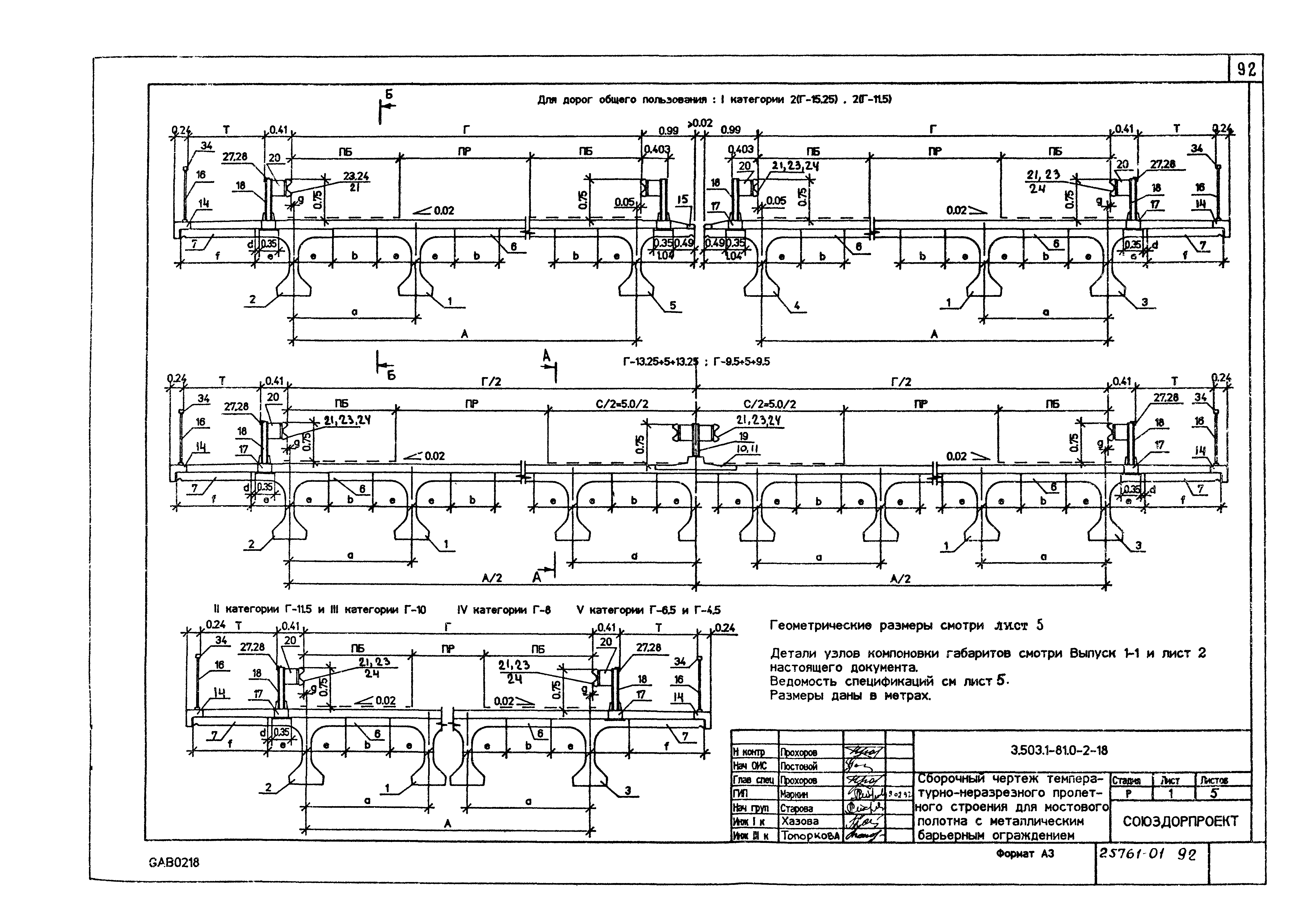
| Оглавление: | 3.503.1-81.0-2-ПЗ Пояснительная записка 3.503.1-81.0-2-1НИ Номенклатура изделий 3.503.1-81.0-2-2 Сборочный чертеж температурно-неразрезного пролетного строения для мостового полотна с накладными тротуарными блоками 3.503.1-81.0-2-3 Балки с шириной плиты 140 и 174 см и монолитные участки пролетного строения L=24м с накладными тротуарными блоками (средний пролет цепи) 3.503.1-81.0-2-4 Балки шириной плиты 140 и 174 см и монолитные участки пролетного строения L=24м с накладными тротуарными блоками (крайний пролет цепи с малыми деформациями) 3.503.1-81.0-2-5 Балки шириной плиты 140 и 174 см и монолитные участки пролетного строения L=24м с накладными тротуарными блоками (крайний пролет цепи с большими деформациями) 3.503.1-81.0-2-6 Балки высотой 1,7 м и монолитные участки пролетного строения L=33 м с накладными тротуарными блоками (средний пролет цепи) 3.503.1-81.0-2-7 Балки высотой 1,7 м и монолитные участки пролетного строения L=33 м с накладными тротуарными блоками (крайний пролет цепи с малыми деформациями) 3.503.1-81.0-2-8 Балки высотой 1,7 м и монолитные участки пролетного строения L=33м с накладными тротуарными блоками (крайний пролет цепи с большими деформациями) 3.503.1-81.0-2-9 Мостовое полотно с накладными тротуарными блоками температурно-неразрезного пролетного строения 3.503.1-81.0-2-10 Сборочный чертеж температурно-неразрезного пролетного строения для мостового полотна с металлическим барьерным ограждением на накладных тротуарных блоках 3.503.1-81.0-2-11 Балки с шириной плиты 140 и 174 см и монолитные участки пролетного строения L=24м с металлическим барьерным ограждением на накладных тротуарных блоках (средний пролет цепи) 3.503.1-81.0-2-12 Балки с шириной плиты 140 и 174 см и монолитные участки пролетного строения L=24м с металлическим барьерным ограждением на накладных тротуарных блоках (крайний пролет цепи с малыми деформациями) 3.503.1-81.0-2-13 Балки с шириной плиты 140 и 174 см и монолитные участки пролетного строения L=24м с металлическим барьерным ограждением (крайний пролет цепи с большими деформациями) 3.503.1-81.0-2-14 Балки высотой 1,7 м и монолитные участки пролетного строения L=33м с металлическим барьерным ограждением (средний пролет цепи) 3.503.1-81.0-2-15 Балки высотой 1,7 м и монолитные участки пролетного строения L=33м с металлическим барьерным ограждением (крайний пролет цепи с малыми деформациями) 3.503.1-81.0-2-16 Балки высотой 1,7 м и монолитные участки пролетного строения L=33м с металлическим барьерным ограждением (крайний пролет цепи с большими деформациями) 3.503.1-81.0-2-17 Мостовое полотно с металлическим барьерным ограждением температурно-неразрезного пролетного строения 3.503.1-81.0-2-18 Сборочный чертеж температурно-неразрывного пролетного строения для мостового полотна с металлическим барьерным ограждением 3.503.1-81.0-2-19 Балки с шириной плиты 140 и 174 см и монолитные участки пролетного строения L=24м с металлическим барьерным ограждением (средний пролет цепи) 3.503.1-81.0-2-20 Балки с шириной плиты 140 и 174 см и монолитные участки пролетного строения L=24м с металлическим барьерным ограждением (крайний пролет цепи с малыми деформациями) 3.503.1-81.0-2-21 Балки с шириной плиты 140 и 174 см и монолитные участки пролетного строения L=24м с металлическим барьерным ограждением (крайний пролет цепи с большими деформациями) 3.503.1-81.0-2-22 Балки высотой 1,7 м и монолитные участки пролетного строения L=33м с металлическим барьерным ограждением (средний пролет цепи) 3.503.1-81.0-2-23 Балки высотой 1,7 м и монолитные участки пролетного строения L=33м с металлическим барьерным ограждением (крайний пролет цепи с малыми деформациями) 3.503.1-81.0-2-24 Балки высотой 1,7 м и монолитные участки пролетного строения L=33м с металлическим барьерным ограждением (крайний пролет цепи с большими деформациями) 3.503.1-81.0-2-25 Мостовое полотно с металлическим барьерным ограждением температурно-неразрезного пролетного строения 3.503.1-81.0-2-26 Монолитные участки температурно-неразрезного пролетного строения для мостового полотна с накладными тротуарными блоками и с металлическим барьерным ограждением на накладных тротуарных блоках 3.503.1-81.0-2-27 Монолитные участки температурно-неразрезного пролетного строения из балок L=21м с накладными тротуарными блоками и с металлическим барьерным ограждением на накладных тротуарных блоках 3.503.1-81.0-2-28 Монолитные участки температурно-неразрезного пролетного строения из балок L=24м с накладными тротуарными блоками и с металлическим барьерным ограждением на накладных тротуарных блоках 3.503.1-81.0-2-29 Монолитные участки температурно-неразрезного пролетного строения из балок L=33м h=1,7м с накладными тротуарными блоками и с металлическим барьерным ограждением на накладных тротуарных блоках 3.503.1-81.0-2-30 Монолитные участки температурно-неразрезного пролетного строения для мостового полотна с металлическим барьерным ограждением 3.503.1-81.0-2-31 Монолитные участки температурно-неразрезного пролетного строения из балок L=21м с металлическим барьерным ограждением 3.503.1-81.0-2-32 Монолитные участки температурно-неразрезного пролетного строения из балок L=24м с металлическим барьерным ограждением 3.503.1-81.0-2-33 Монолитные участки температурно-неразрезного пролетного строения из балок L=33м h=1,7м с металлическим барьерным ограждением 3.503.1-81.0-2-34ВМ Ведомость расхода материалов на пролетное строение длиной 24м 3.503.1-81.0-2-35ВМ Ведомость расхода материалов на пролетное строение длиной 33м высотой 1,7м |
| Разработан: | Союздорпроект Минтрансстроя |
| Утверждён: | 03.02.1992 Корпорация Трансстрой (Transstroy Corporation 3002-18/4) |
| Издан: | АПП ЦИТП (1993 г. ) |
| Расположен в: | |
| Заменяет собой: |





























































































































