| ||||||||||||||||||||||||||||||
Скачать Серия 3.503.1-79 Выпуск 1. Конструкции и узлы свайных опор. Материалы для проектированияДата актуализации: 10.08.2017
|
| Обозначение: | Серия 3.503.1-79 |
| Обозначение англ: | Series 3.503.1-79 |
| Статус: | не определен законодательством |
| Название рус.: | Выпуск 1. Конструкции и узлы свайных опор. Материалы для проектирования |
| Дата добавления в базу: | 01.09.2013 |
| Дата актуализации: | 05.05.2017 |
| Дата введения: | 01.07.1988 |
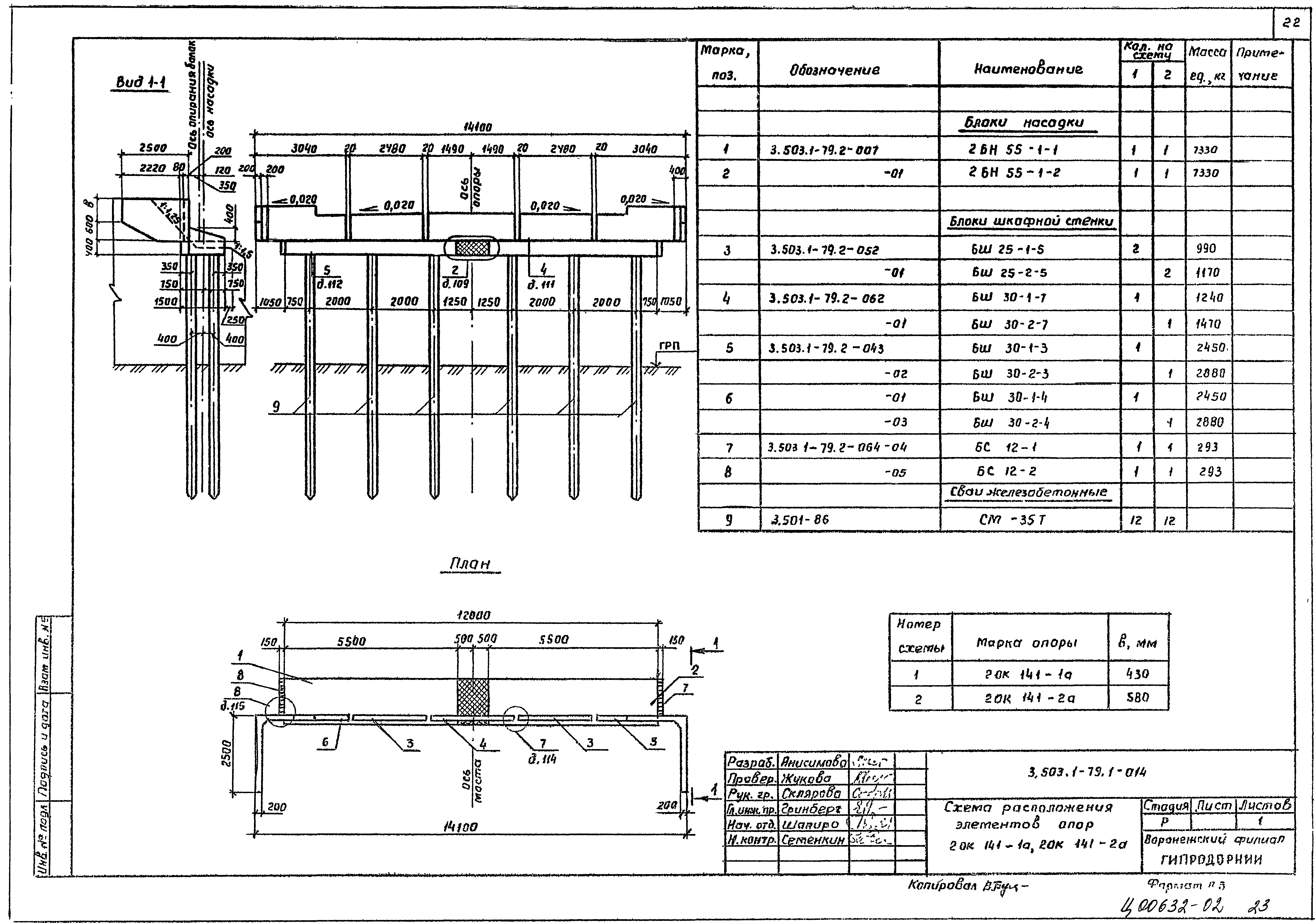
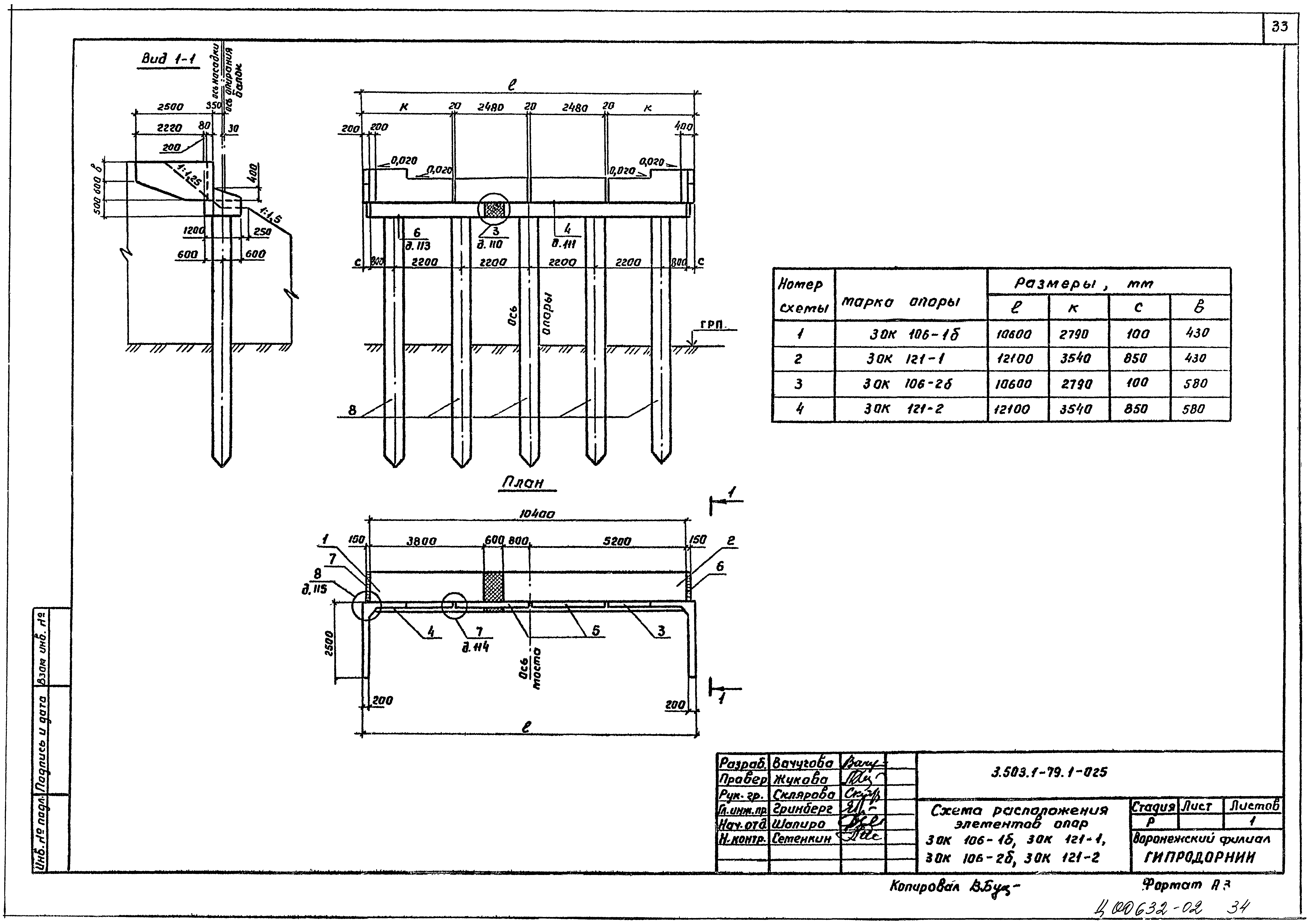
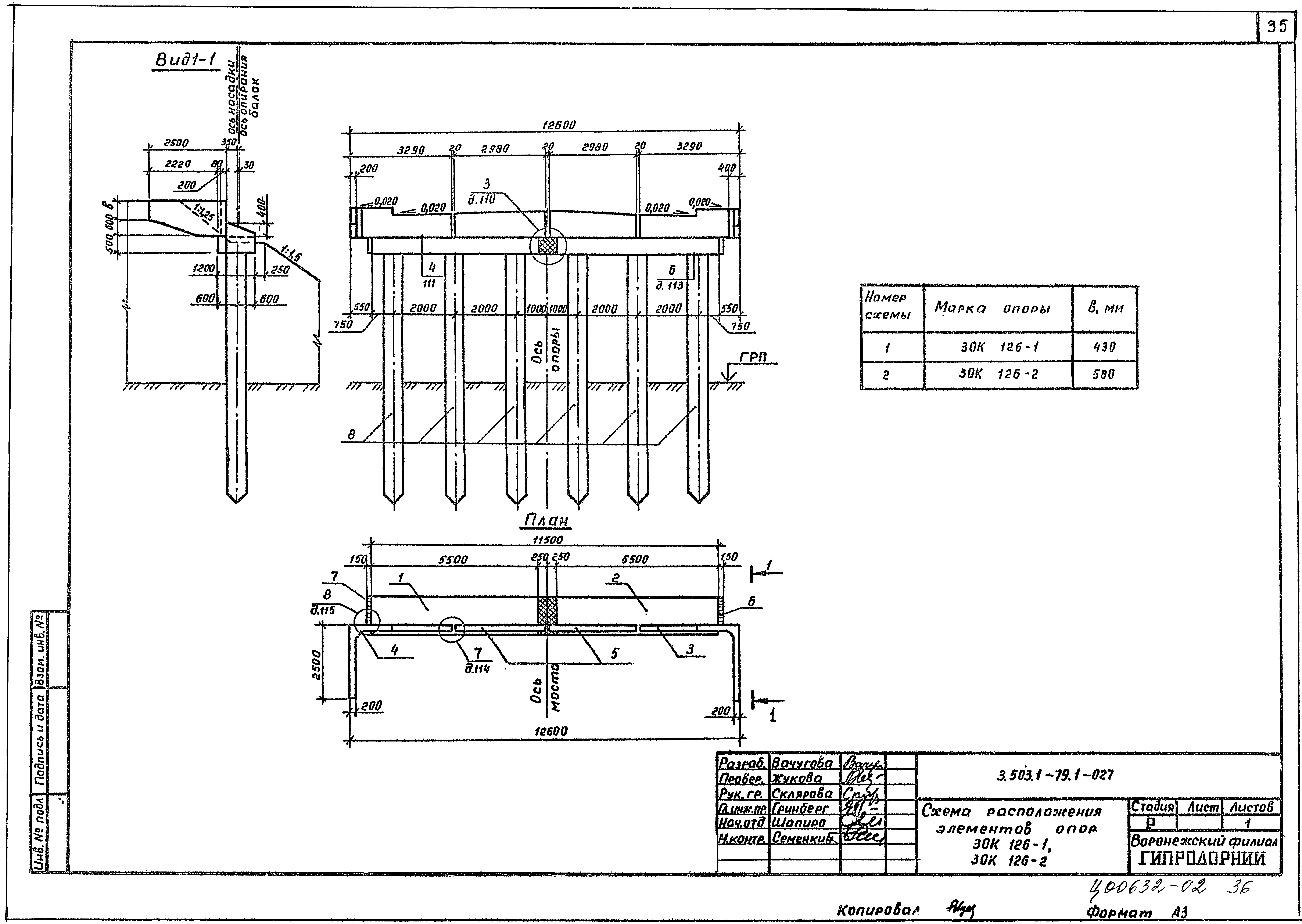
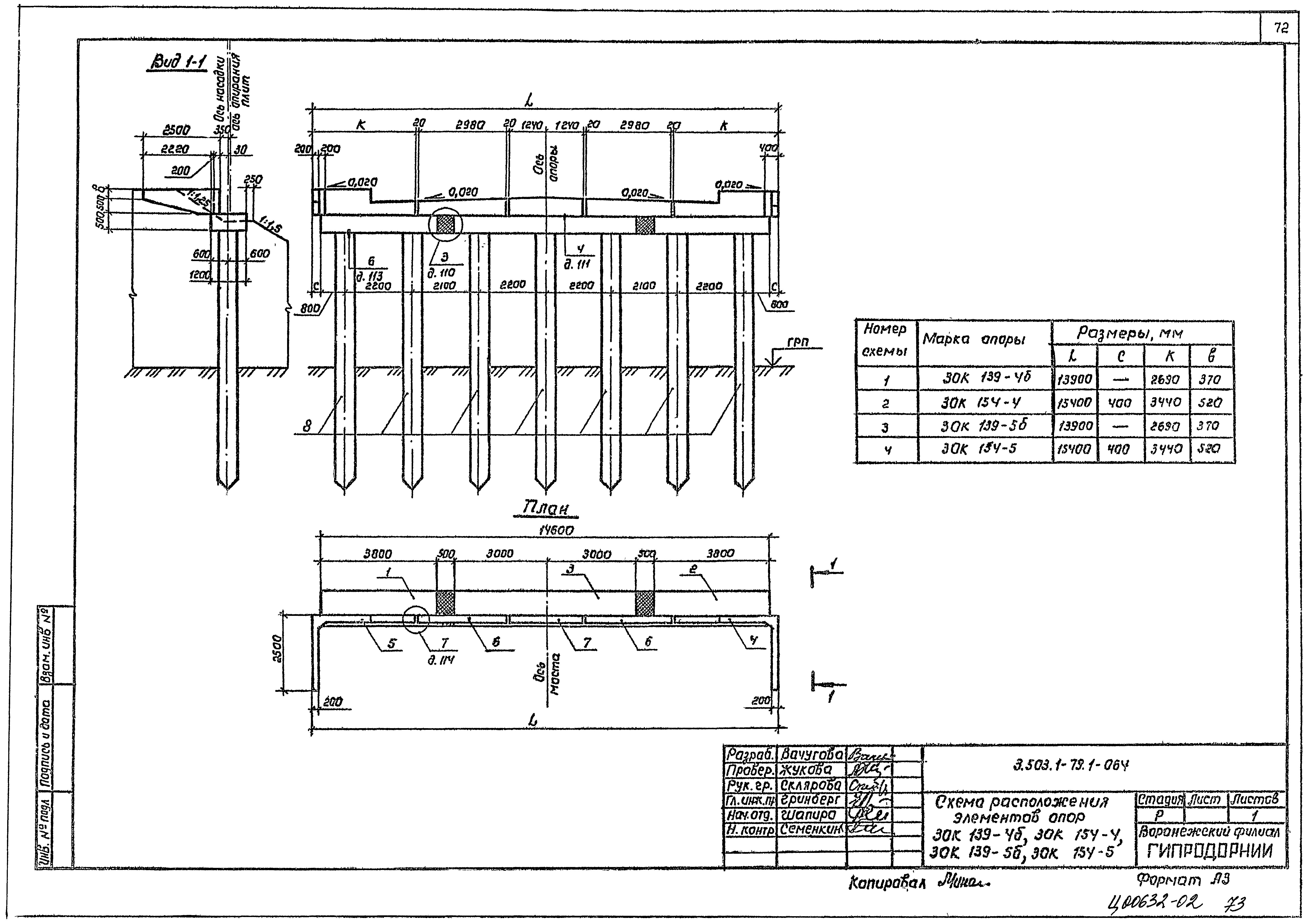
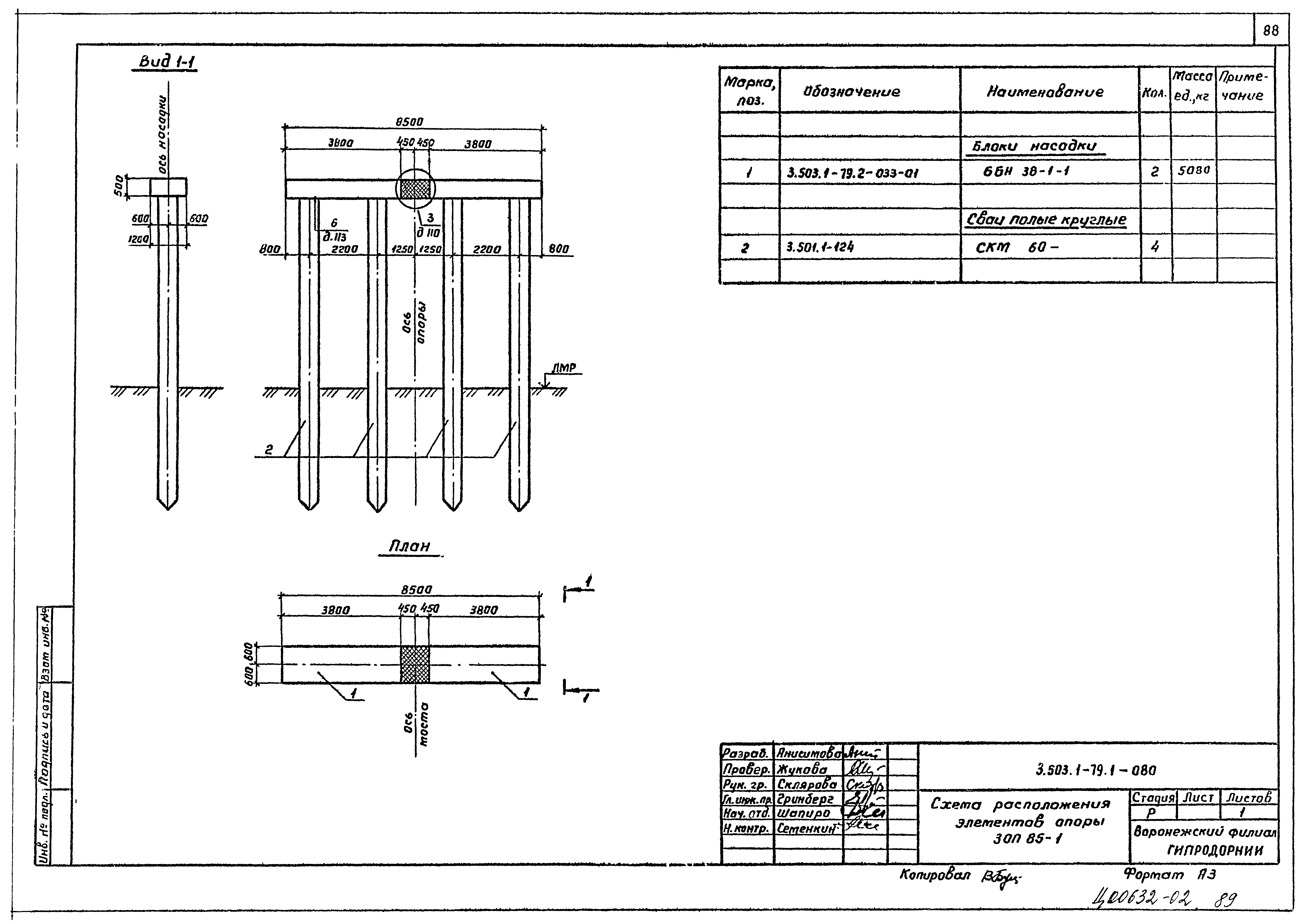
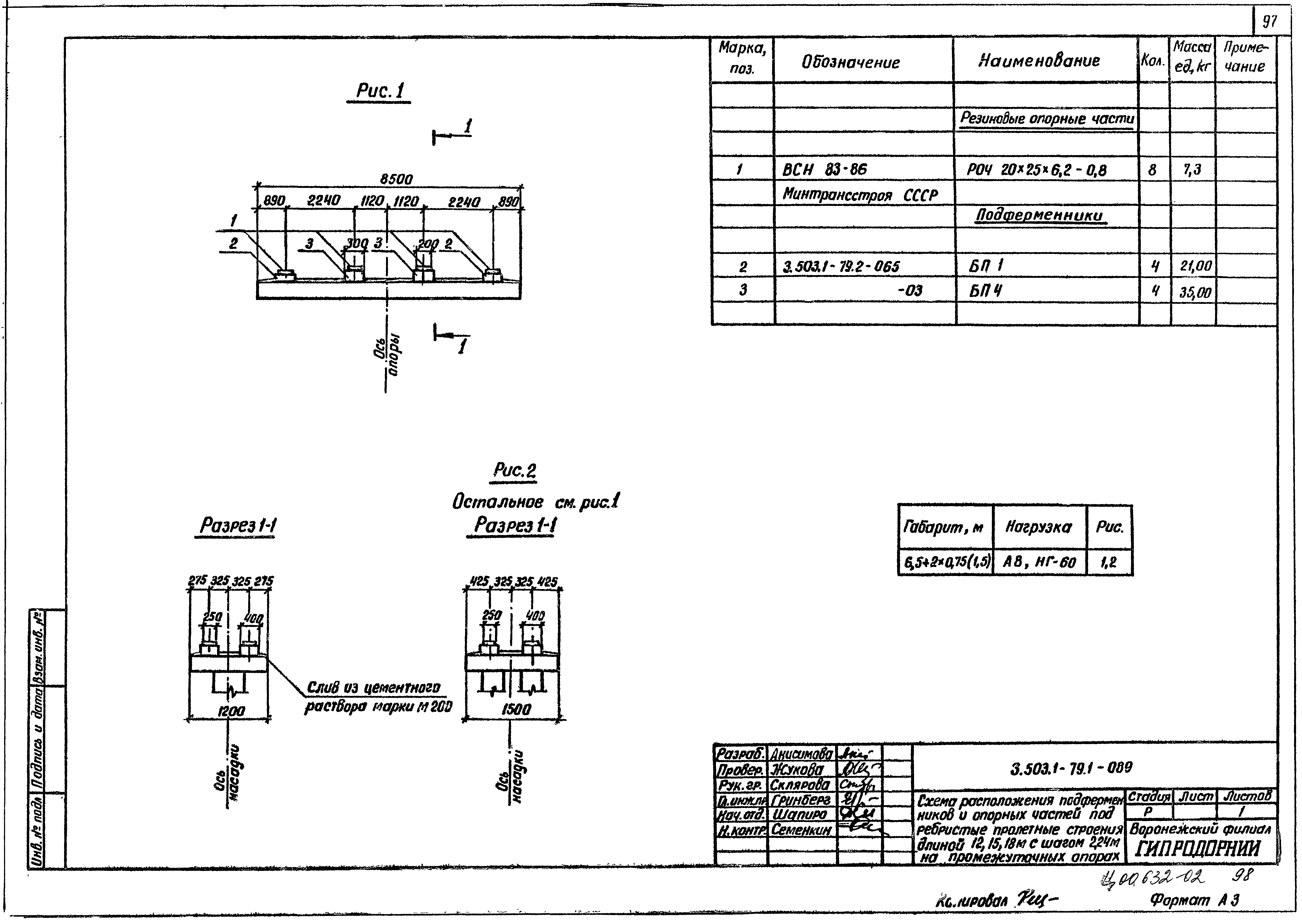
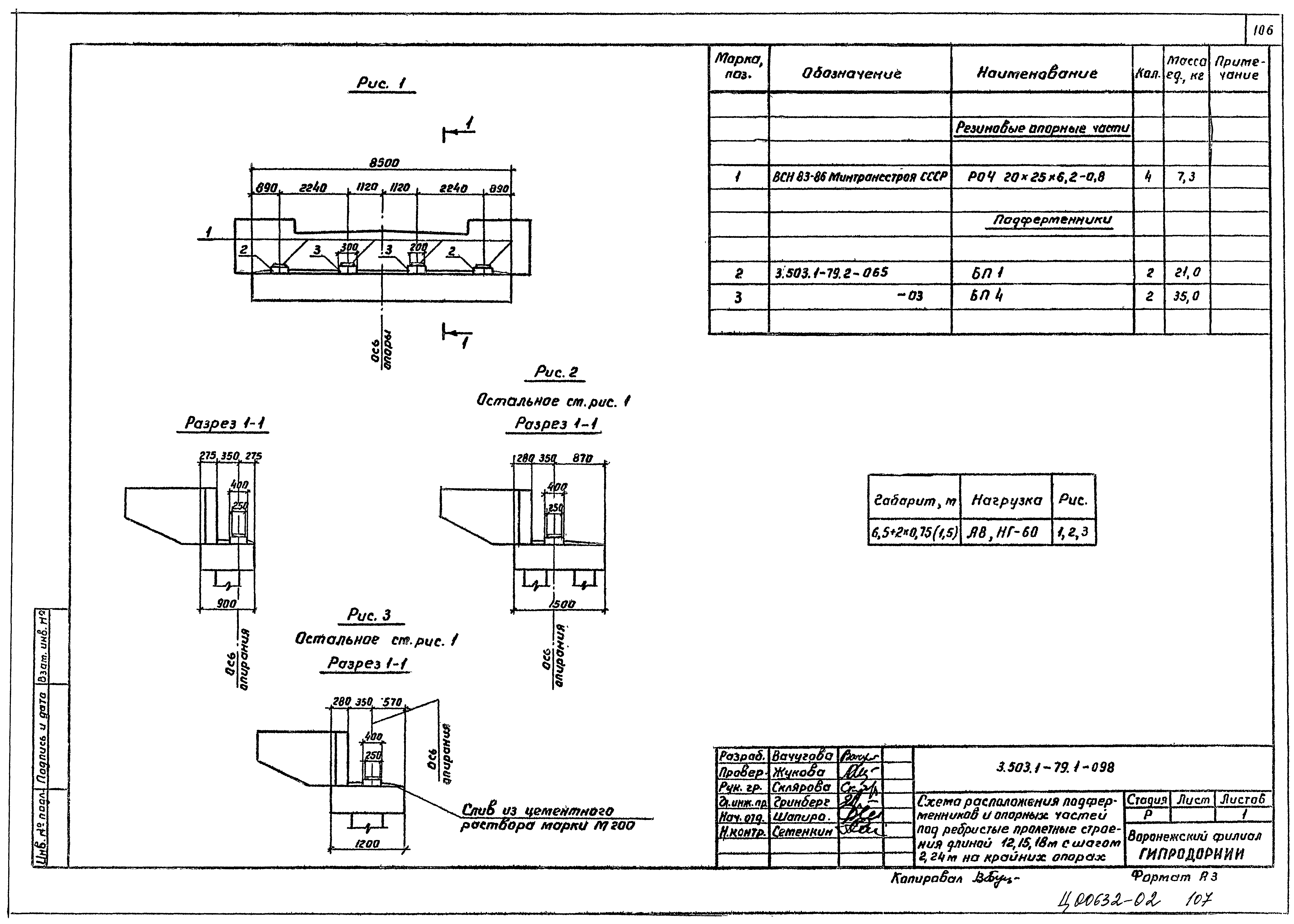
| Оглавление: | 3.503.1-79.1-000 Содержание 3.503.1-79.1-000ТТ Технические требования 3.503.1-79.1-001 Спецификация к схеме расположения элементов опор 1ОК 91-1, 1ОК 106-1а, 1ОК 91-2, 1ОК 106-2а 3.503.1-79.1-002 Схема расположения элементов опор 1ОК 91-1, 1ОК 106-1а, 1ОК 91-2, 1ОК 106-2а 3.503.1-79.1-003 Спецификация к схеме расположения элементов опор 1ОК 106-1б, 1ОК 121-1, 1ОК 106-2б, 1ОК 121-2 3.503.1-79.1-004 Схема расположения элементов опор 1ОК 106-1б, 1ОК 121-1, 1ОК 106-2б, 1ОК 121-2 3.503.1-79.1-005 Схема расположения элементов опор 1ОК 126-1, 1ОК 126-2 3.503.1-79.1-006 Схема расположения элементов опор 1ОК 141-1а, 1ОК 141-2а 3.503.1-79.1-007 Спецификация к схеме расположения элементов опор 1ОК 141-1б, 1ОК 156-1, 1ОК 141-2б, 1ОК 156-2 3.503.1-79.1-008 Схема расположения элементов опор 1ОК 141-1б, 1ОК 156-1, 1ОК 141-2б, 1ОК 156-2 3.503.1-79.1-009 Схема расположения элементов опор 2ОК 91-1, 2ОК 91-2 3.503.1-79.1-010 Схема расположения элементов опор 2ОК 106-1а, 2ОК 106-2а 3.503.1-79.1-011 Спецификация к схеме расположения элементов опор 2ОК 106-1б, 2ОК 121-1, 2ОК 106-2б, 2ОК 121-2 3.503.1-79.1-012 Схема расположения элементов опор 2ОК 106-1б, 2ОК 121-1, 2ОК 106-2б, 2ОК 121-2 3.503.1-79.1-013 Схема расположения элементов опор 2ОК 126-1, 2ОК 126-2 3.503.1-79.1-014 Схема расположения элементов опор 2ОК 141-1а, 2ОК 141-2а 3.503.1-79.1-015 Спецификация к схеме расположения элементов опор 2ОК 141-1б, 2ОК 156-1, 2ОК 141-2б, 2ОК 156-2 3.503.1-79.1-016 Схема расположения элементов опор 2ОК 141-1б, 2ОК 156-1, 2ОК 141-2б, 2ОК 156-2 3.503.1-79.1-017 Схема расположения элементов опор 2ОК 89-3, 2ОК 104-3а 3.503.1-79.1-018 Схема расположения элементов опор 2ОК 104-3б, 2ОК 119-3 3.503.1-79.1-019 Схема расположения элементов опор 2ОК 124-3 3.503.1-79.1-020 Схема расположения элементов опор 2ОК 139-3а 3.503.1-79.1-021 Схема расположения элементов опор 2ОК 139-3б, 2ОК 154-3 3.503.1-79.1-022 Спецификация к схеме расположения элементов опор 3ОК 91-1, 3ОК 106-1а, 3ОК 91-2, 3ОК 106-2а 3.503.1-79.1-023 Схема расположения элементов опор 3ОК 91-1, 3ОК 106-1а, 3ОК 91-2, 3ОК 106-2а 3.503.1-79.1-024 Спецификация к схеме расположения элементов опор 3ОК 106-1б, 3ОК 121-1, 3ОК 106-2б, 3ОК 121-2 3.503.1-79.1-025 Схема расположения элементов опор 3ОК 106-1б, 3ОК 121-1, 3ОК 106-2б, 3ОК 121-2 3.503.1-79.1-026 Спецификация к схеме расположения элементов опор 3ОК 126-1, 3ОК 126-2 3.503.1-79.1-027 Схема расположения элементов опор 3ОК 126-1, 3ОК 126-2 3.503.1-79.1-028 Спецификация к схеме расположения элементов опор 3ОК 141-1а, 3ОК 141-2а 3.503.1-79.1-029 Схема расположения элементов опор 3ОК 141-1а, 3ОК 141-2а 3.503.1-79.1-030 Спецификация к схеме расположения элементов опор 3ОК 141-1б, 3ОК 156-1, 3ОК 141-2б, 3ОК 156-2 3.503.1-79.1-031 Схема расположения элементов опор 3ОК 141-1б, 3ОК 156-1, 3ОК 141-2б, 3ОК 156-2 3.503.1-79.1-032 Схема расположения элементов опор 3ОК 89-3, 3ОК 104-3а 3.503.1-79.1-033 Схема расположения элементов опор 3ОК 104-3б 3.503.1-79.1-034 Схема расположения элементов опор 3ОК 119-3 3.503.1-79.1-035 Схема расположения элементов опор 3ОК 124-3 3.503.1-79.1-036 Схема расположения элементов опор 3ОК 139-3а 3.503.1-79.1-037 Схема расположения элементов опор 3ОК 139-3б, 3ОК 154-3 3.503.1-79.1-038 Схема расположения элементов опор 1ОК 89-4, 1ОК 104-4а 3.503.1-79.1-039 Схема расположения элементов опор 1ОК 104-4б 3.503.1-79.1-040 Схема расположения элементов опор 1ОК 119-4 3.503.1-79.1-041 Схема расположения элементов опор 1ОК 124-4 3.503.1-79.1-042 Схема расположения элементов опор 1ОК 139-4а 3.503.1-79.1-043 Спецификация к схеме расположения элементов опор 1ОК 139-4б, 1ОК 154-4 3.503.1-79.1-044 Схема расположения элементов опор 1ОК 139-4б, 1ОК 154-4 3.503.1-79.1-045 Схема расположения элементов опор 2ОК 89-4, 2ОК 89-5 3.503.1-79.1-046 Схема расположения элементов опор 2ОК 104-4а, 2ОК 104-5а 3.503.1-79.1-047 Схема расположения элементов опор 2ОК 104-4б, 2ОК 104-5б 3.503.1-79.1-048 Схема расположения элементов опор 2ОК 119-4, 2ОК 119-5 3.503.1-79.1-049 Схема расположения элементов опор 2ОК 124-4, 2ОК 124-5 3.503.1-79.1-050 Схема расположения элементов опор 2ОК 139-4а, 2ОК 139-5а 3.503.1-79.1-051 Спецификация к схеме расположения элементов опор 1ОК 139-4б, 1ОК 139-5б, 2ОК 154-4, 2ОК 154-5 3.503.1-79.1-052 Схема расположения элементов опор 2ОК 139-4б, 2ОК 139-5б, 2ОК 154-4, 2ОК 154-5 3.503.1-79.1-053 Спецификация к схеме расположения элементов опор 3ОК 89-4, 3ОК 104-4а, 3ОК 89-5, 3ОК 104-5а 3.503.1-79.1-054 Схема расположения элементов опор 3ОК 89-4, 3ОК 104-4а, 3ОК 89-5, 3ОК 104-5а 3.503.1-79.1-055 Спецификация к схеме расположения элементов опор 3ОК 104-4б, 3ОК 104-5б 3.503.1-79.1-056 Схема расположения элементов опор 3ОК 104-4б, 3ОК 104-5б 3.503.1-79.1-057 Спецификация к схеме расположения элементов опор 3ОК 119-4, 3ОК 119-5 3.503.1-79.1-058 Схема расположения элементов опор 3ОК 119-4, 3ОК 119-5 3.503.1-79.1-059 Спецификация к схеме расположения элементов опор 3ОК 124-4, 3ОК 124-5 3.503.1-79.1-060 Схема расположения элементов опор 3ОК 124-4, 3ОК 124-5 3.503.1-79.1-061 Спецификация к схеме расположения элементов опор 3ОК 139-4а, 3ОК 139-5а 3.503.1-79.1-062 Схема расположения элементов опор 3ОК 139-4а, 3ОК 139-5а 3.503.1-79.1-063 Спецификация к схеме расположения элементов опор 3ОК 139-4б, 3ОК 154-4, 3ОК 139-5б, 3ОК-154-5 3.503.1-79.1-064 Схема расположения элементов опор 3ОК 139-4б, 3ОК 154-4, 3ОК 139-5б, 3ОК 154-5 3.503.1-79.1-065 Схема расположения элементов опор 1ОК 85-1 3.503.1-79.1-066 Схема расположения элементов опор 1ОП 100-1, 1ОП 104-1 3.503.1-79.1-067 Схема расположения элементов опор 1ОП 115-1 3.503.1-79.1-068 Схема расположения элементов опор 1ОП 130-1 3.503.1-79.1-069 Схема расположения элементов опор 1ОП 135-1 3.503.1-79.1-070 Схема расположения элементов опор 1ОП 145-1 3.503.1-79.1-071 Схема расположения элементов опор 2ОП 85-1 3.503.1-79.1-072 Схема расположения элементов опор 2ОП 95-1, 2ОП 104-1 3.503.1-79.1-073 Схема расположения элементов опор 2ОП 115-1, 2ОП 120-1 3.503.1-79.1-074 Схема расположения элементов опор 2ОП 126-1 3.503.1-79.1-075 Схема расположения элементов опор 2ОП 135-1, 2ОП 146-1 3.503.1-79.1-076 Схема расположения элементов опор 2ОП 85-2 3.503.1-79.1-077 Схема расположения элементов опор 2ОП 100-2 3.503.1-79.1-078 Схема расположения элементов опор 2ОП 115-2 3.503.1-79.1-079 Схема расположения элементов опор 2ОП 130-2 3.503.1-79.1-080 Схема расположения элементов опор 3ОП 85-1 3.503.1-79.1-081 Схема расположения элементов опор 3ОП 95-1, 3ОП 104-1, 3ОП 86-2, 3ОП 88-2 3.503.1-79.1-082 Схема расположения элементов опор 3ОП 115-1, 3ОП 103-2 3.503.1-79.1-083 Схема расположения элементов опор 3ОП 126-1, 3ОП 110-2 3.503.1-79.1-084 Схема расположения элементов опор 3ОП 135-1, 3ОП 146-1 3.503.1-79.1-085 Схема расположения элементов опор 3ОП 140-2 3.503.1-79.1-086 Схема расположения подферменников и опорных частей под ребристые пролетные строения длиной 12, 15, 18 м с шагом 1,7 м на промежуточных опорах 3.503.1-79.1-087 Схема расположения подферменников и опорных частей под ребристые пролетные строения длиной 12, 15, 18 м с шагом 1,66 м на промежуточных опорах 3.503.1-79.1-088 Схема расположения подферменников и опорных частей под ребристые пролетные строения длиной 12, 15, 18 м с шагом 2,08 м на промежуточных опорах 3.503.1-79.1-089 Схема расположения подферменников и опорных частей под ребристые пролетные строения длиной 12, 15, 18 м с шагом 2,24 м на промежуточных опорах 3.503.1-79.1-090 Схема расположения подферменников и опорных частей под ребристые пролетные строения длиной 21,24 м с шагом 2,2 м на промежуточных опорах 3.503.1-79.1-091 Схема расположения подферменников и опорных частей под ребристые пролетные строения длиной 21,24м с шагом 2,4 м на промежуточных опорах 3.503.1-79.1-092 Схема расположения подферменников и опорных частей под ребристые пролетные строения длиной 21,24м с шагом 2,5 м на промежуточных опорах 3.503.1-79.1-093 Схема расположения подферменников и опорных частей под ребристые пролетные строения длиной 21,24м с шагом 2,1 м на промежуточных опорах 3.503.1-79.1-094 Схема расположения подферменников и опорных частей под ребристые пролетные строения длиной 21,24 м с шагом 2,3 м на промежуточных опорах 3.503.1-79.1-095 Схема расположения подферменников и опорных частей под ребристые пролетные строения длиной 12, 15, 18 м с шагом 1,7 м на крайних опорах 3.503.1-79.1-096 Схема расположения подферменников и опорных частей под ребристые пролетные строения длиной 12, 15, 18 м с шагом 1,66 м на крайних опорах 3.503.1-79.1-097 Схема расположения подферменников и опорных частей под ребристые пролетные строения длиной 12, 15, 18 м с шагом 2,08 м на крайних опорах 3.503.1-79.1-098 Схема расположения подферменников и опорных частей под ребристые пролетные строения длиной 12, 15, 18 м с шагом 2,24 м на крайних опорах 3.503.1-79.1-099 Схема расположения подферменников и опорных частей под ребристые пролетные строения длиной 21,24 м с шагом 2,2 м на крайних опорах 3.503.1-79.1-100 Схема расположения подферменников и опорных частей под ребристые пролетные строения длиной 21,24м с шагом 2,4 м на крайних опорах 3.503.1-79.1-101 Схема расположения подферменников и опорных частей под ребристые пролетные строения длиной 21,24м с шагом 2,5 м на крайних опорах 3.503.1-79.1-102 Схема расположения подферменников и опорных частей под ребристые пролетные строения длиной 21,24 м с шагом 2,1 м на крайних опорах 3.503.1-79.1-103 Схема расположения подферменников и опорных частей под ребристые пролетные строения длиной 21,24 м с шагом 2,3 м на промежуточных опорах 3.503.1-79.1-104 Спецификация к схеме расположения опорных частей под плитные пролетные строения на промежуточных опорах 3.503.1-79.1-105 Схема расположения опорных частей под плитные пролетные строения на промежуточных опорах 3.503.1-79.1-106 Спецификация к схеме расположения опорных частей под плитные пролетные строения на крайних опорах 3.503.1-79.1-107 Схема расположения опорных частей под плитные пролетные строения на крайних опорах 3.503.1-79.1-108 Узел 1. Сопряжение блоков насадки опор типа 1 3.503.1-79.1-109 Узел 2. Сопряжение блоков насадки опор типа 2 3.503.1-79.1-110 Узел 3. Сопряжение блоков насадки опор типа 3 3.503.1-79.1-111Узел 4. Сопряжение шкафной стенки с насадкой 3.503.1-79.1-112 Узел 5. Сопряжение сваи сечением 35х35 см с насадкой 3.503.1-79.1-113 Узел 6. Сопряжение сваи диаметром 60 см с насадкой 3.503.1-79.1-114 Узел 7. Сопряжение блоков шкафной стенки 3.503.1-79.1-115 Узел 8. Сопряжение блока боковой стенки с насадкой 3.503.1-79.1-116 Подуклонка монолитная Ум1 - Ум6 при ширине насадки 90 см 3.503.1-79.1-117 Подуклонка монолитная Ум7 - Ум12 при ширине насадки 120, 150 см |
| Разработан: | Воронежский филиал ГипродорНИИ |
| Утверждён: | 03.03.1988 Министерство автомобильных дорог РСФСР (28-ор) |
| Издан: | ЦИТП Госстроя СССР (CITP, Gosstroy (USSR) 1988 г. ) |
| Расположен в: | |
| Заменяет собой: |
|





























































































































