| ||||||||||||||||||||||||||||||
Скачать Р 50-54-71-88 Рекомендации. Единая система технологической документации. Автоматизированное формирование форм технологических документов на основе базы данныхДата актуализации: 10.08.2017
|
| Обозначение: | Р 50-54-71-88 |
| Обозначение англ: | R 50-54-71-88 |
| Статус: | действует |
| Название рус.: | Рекомендации. Единая система технологической документации. Автоматизированное формирование форм технологических документов на основе базы данных |
| Дата добавления в базу: | 01.09.2013 |
| Дата актуализации: | 05.05.2017 |
| Дата введения: | 01.07.1989 |
| Область применения: | Рекомендации устанавливают комплекс требований по формированию форм технологических документов (с текстом, разбитым на графы) на основе базы данных, применяемых в автоматизированных системах технологической подготовки и управления производством на предприятиях (организациях) машиностроения и приборостроения. |
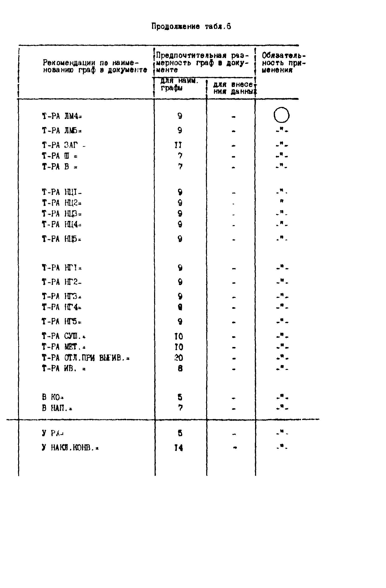
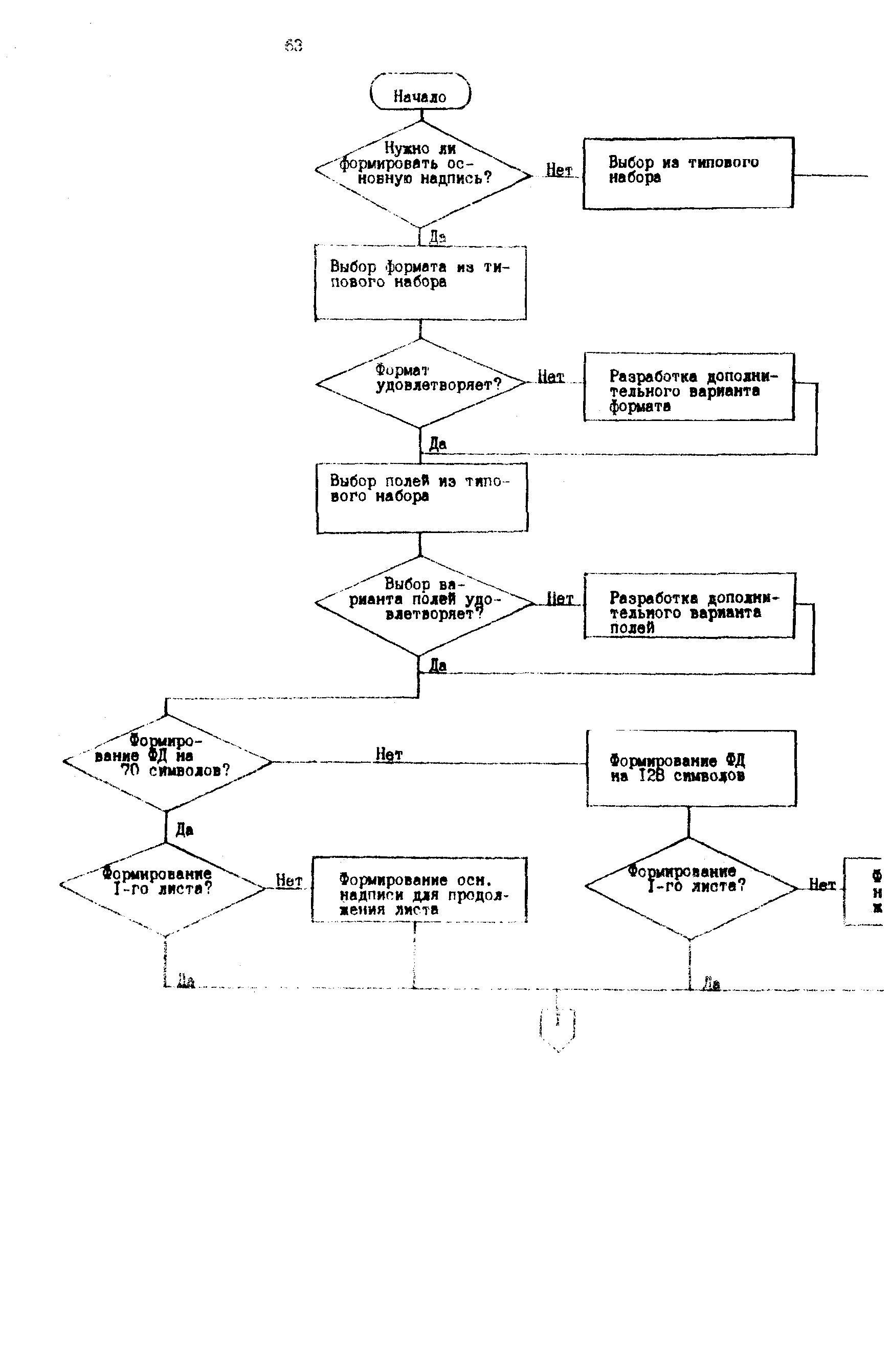
| Оглавление: | 1. Общие положения 2. Классификация технологических документов 3. Система обозначений форм технологических документов 4. Классификация информации, включаемой в базу донных 5. Состав и назначение элементов информации, включаемых в базу данных 6. Состав и назначение типовых блоков и модулей информации, включаемых в базу данных 7. Правила автоматизированного формирования форм технологических документов Приложения: 1. Примеры оформления основных надписей на бумажной ленте 240 мм и 420 мм с применением МАФФД 2. Примеры построения форм основных документов на 70 символов с применением МАФФД Информационные данные |
| Разработан: | ВНИИНМАШ |
| Утверждён: | 26.07.1988 ВНИИНМАШ (VNIINMASH 207) |
| Расположен в: | |
| Нормативные ссылки: |
|
























































































































