Информационная система
«Ёшкин Кот»

Скачать базу одним архивом
Скачать обновления
История создания базы
Карта сайта

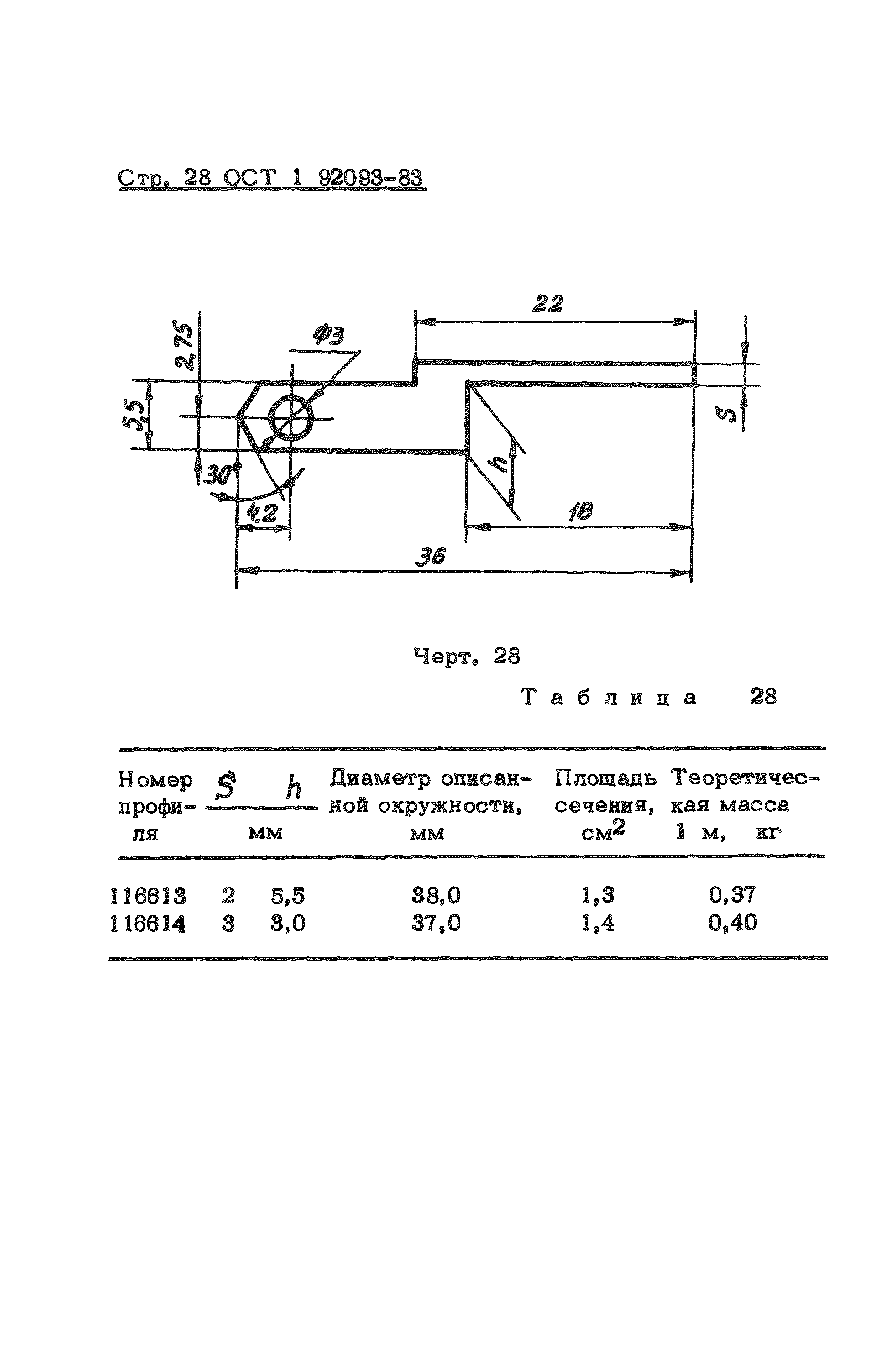
Скачать ОСТ 1 92093-83 Профили прессованные петлевые из алюминиевых сплавов. Сортамент

Дата актуализации: 10.08.2017

ОСТ 1 92093-83

Профили прессованные петлевые из алюминиевых сплавов. Сортамент

Обозначение: ОСТ 1 92093-83
Обозначение англ: 92093-83
Статус:действует
Название рус.:Профили прессованные петлевые из алюминиевых сплавов. Сортамент
Дата добавления в базу:01.09.2013
Дата актуализации:05.05.2017
Дата введения:01.01.1984
Область применения:Стандарт устанавливает сортамент петлевых профилей из алюминиевых сплавов, изготовляемых методом горячего прессования и предназначенных для применения в специальных отраслях машиностроения.
Оглавление:Приложение 1 (справочное). Переводные коэффициенты для вычисления приближенной теоретической массы 1 м профиля из алюминиевых сплавов
Приложение 2 (справочное)
Приложение 3 (справочное)
Приложение 4 (справочное). Перечень стандартов, связанных с требованием ОСТ 1 92093-83
Расположен в:Техническая документация
ОСТ 1 92093-83ОСТ 1 92093-83ОСТ 1 92093-83ОСТ 1 92093-83ОСТ 1 92093-83ОСТ 1 92093-83ОСТ 1 92093-83ОСТ 1 92093-83ОСТ 1 92093-83ОСТ 1 92093-83ОСТ 1 92093-83ОСТ 1 92093-83ОСТ 1 92093-83ОСТ 1 92093-83ОСТ 1 92093-83ОСТ 1 92093-83ОСТ 1 92093-83ОСТ 1 92093-83ОСТ 1 92093-83ОСТ 1 92093-83ОСТ 1 92093-83ОСТ 1 92093-83ОСТ 1 92093-83ОСТ 1 92093-83ОСТ 1 92093-83ОСТ 1 92093-83ОСТ 1 92093-83ОСТ 1 92093-83ОСТ 1 92093-83ОСТ 1 92093-83ОСТ 1 92093-83ОСТ 1 92093-83ОСТ 1 92093-83ОСТ 1 92093-83ОСТ 1 92093-83ОСТ 1 92093-83ОСТ 1 92093-83ОСТ 1 92093-83ОСТ 1 92093-83ОСТ 1 92093-83ОСТ 1 92093-83ОСТ 1 92093-83ОСТ 1 92093-83ОСТ 1 92093-83ОСТ 1 92093-83ОСТ 1 92093-83ОСТ 1 92093-83ОСТ 1 92093-83ОСТ 1 92093-83ОСТ 1 92093-83ОСТ 1 92093-83ОСТ 1 92093-83ОСТ 1 92093-83ОСТ 1 92093-83ОСТ 1 92093-83ОСТ 1 92093-83ОСТ 1 92093-83ОСТ 1 92093-83ОСТ 1 92093-83ОСТ 1 92093-83

© 2013 Ёшкин Кот :-) Карта сайта