Информационная система
«Ёшкин Кот»

Скачать базу одним архивом
Скачать обновления
История создания базы
Карта сайта

Скачать ОСТ 108.462.05-82 Патрубки блоков с диафрагмами для трубопроводов ТЭС. Конструкция и размеры

Дата актуализации: 10.08.2017

ОСТ 108.462.05-82

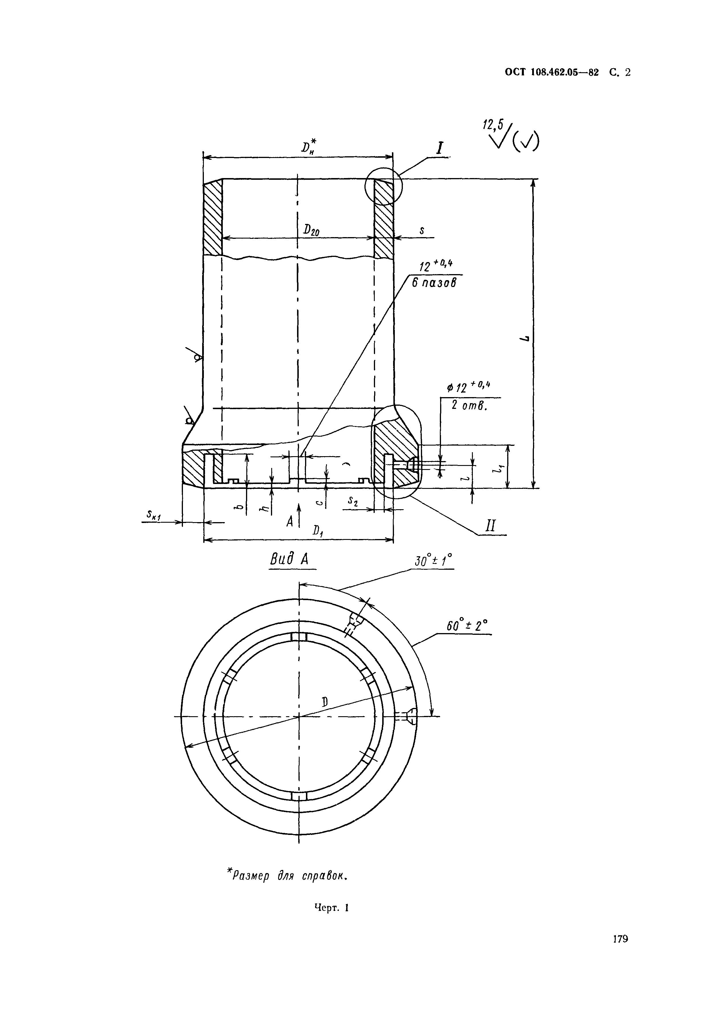
Патрубки блоков с диафрагмами для трубопроводов ТЭС. Конструкция и размеры

Обозначение: ОСТ 108.462.05-82
Обозначение англ: OST 108.462.05-82
Статус:заменен
Название рус.:Патрубки блоков с диафрагмами для трубопроводов ТЭС. Конструкция и размеры
Дата добавления в базу:01.09.2013
Дата актуализации:05.05.2017
Дата введения:01.05.2010
Область применения:Стандарт распространяется на патрубки для блоков с диафрагмами, устанавливаемых на трубопроводах питательной воды тепловых электростанций с абсолютным давлением и температурой воды: p=23,54 МПа (240 кгс/см2), t=250° C; p=18,14 МПа (185 кгс/см2), t=215° C.
Утверждён:04.06.1982 Министерство энергетического машиностроения (Ministry of Energy Machinery Manufacturing ВВ-002/4628)
Принят: Министерство энергетики и электрификации СССР (USSR Ministry of Energy and Electrical Power )
Издан: НПО ЦКТИ (1993 г. )
Расположен в:Техническая документация Экология ГИДРАВЛИЧЕСКИЕ И ПНЕВМАТИЧЕСКИЕ СИСТЕМЫ И КОМПОНЕНТЫ ОБЩЕГО НАЗНАЧЕНИЯ Трубопроводы и их компоненты Трубы из цветных металлов Строительство Стандарты Отраслевые стандарты и технические условия Отраслевые стандарты
Список изменений:
Заменяет собой:
  • ОСТ 24.462.07 (в части)
Чем заменён:
ОСТ 108.462.05-82ОСТ 108.462.05-82ОСТ 108.462.05-82ОСТ 108.462.05-82ОСТ 108.462.05-82ОСТ 108.462.05-82ОСТ 108.462.05-82ОСТ 108.462.05-82ОСТ 108.462.05-82ОСТ 108.462.05-82ОСТ 108.462.05-82

Текстовое изменение № от 15.02.1994

№ № № №

Текстовое изменение № 1 от 01.01.1984

№ 1

© 2013 Ёшкин Кот :-) Карта сайта