Информационная система
«Ёшкин Кот»

Скачать базу одним архивом
Скачать обновления
История создания базы
Карта сайта

Скачать РД 153-34.1-35.418-2002 Методические указания по наладке системы регулирования процесса горения газомазутных котлов

Дата актуализации: 10.08.2017

РД 153-34.1-35.418-2002

Методические указания по наладке системы регулирования процесса горения газомазутных котлов

Обозначение: РД 153-34.1-35.418-2002
Обозначение англ: RD 153-34.1-35.418-2002
Статус:действует
Название рус.:Методические указания по наладке системы регулирования процесса горения газомазутных котлов
Дата добавления в базу:01.09.2013
Дата актуализации:05.05.2017
Область применения:Методические указания содержат схемные рекомендации по построению АСР процесса горения газомазутных котлов и их реализацию на современных микропроцессорных средствах автоматического регулирования аппаратуры Протар, применяемых на отечественных тепловых электростанциях. Описаны основные этапы выполнения наладочных работ, начиная с обследования объекта и заканчивая корректировкой параметров настройки на действующем оборудовании и испытанием регуляторов. Даны указания по расчету статической и динамической настройки регуляторов с использованием экспериментальных характеристик объектов регулирования, рассмотрен пример расчета и реализации полученных значений параметров настройки на аппаратуре Протар.
Оглавление:Введение
1. Общая часть
2. Схемные решения по системам автоматического регулирования процесса горения
3. Основные этапы при выполнении наладочных работ
4. Методика расчета системы автоматического регулирования процесса горения
5. Обеспечение наладочных работ и испытания регуляторов процесса горения
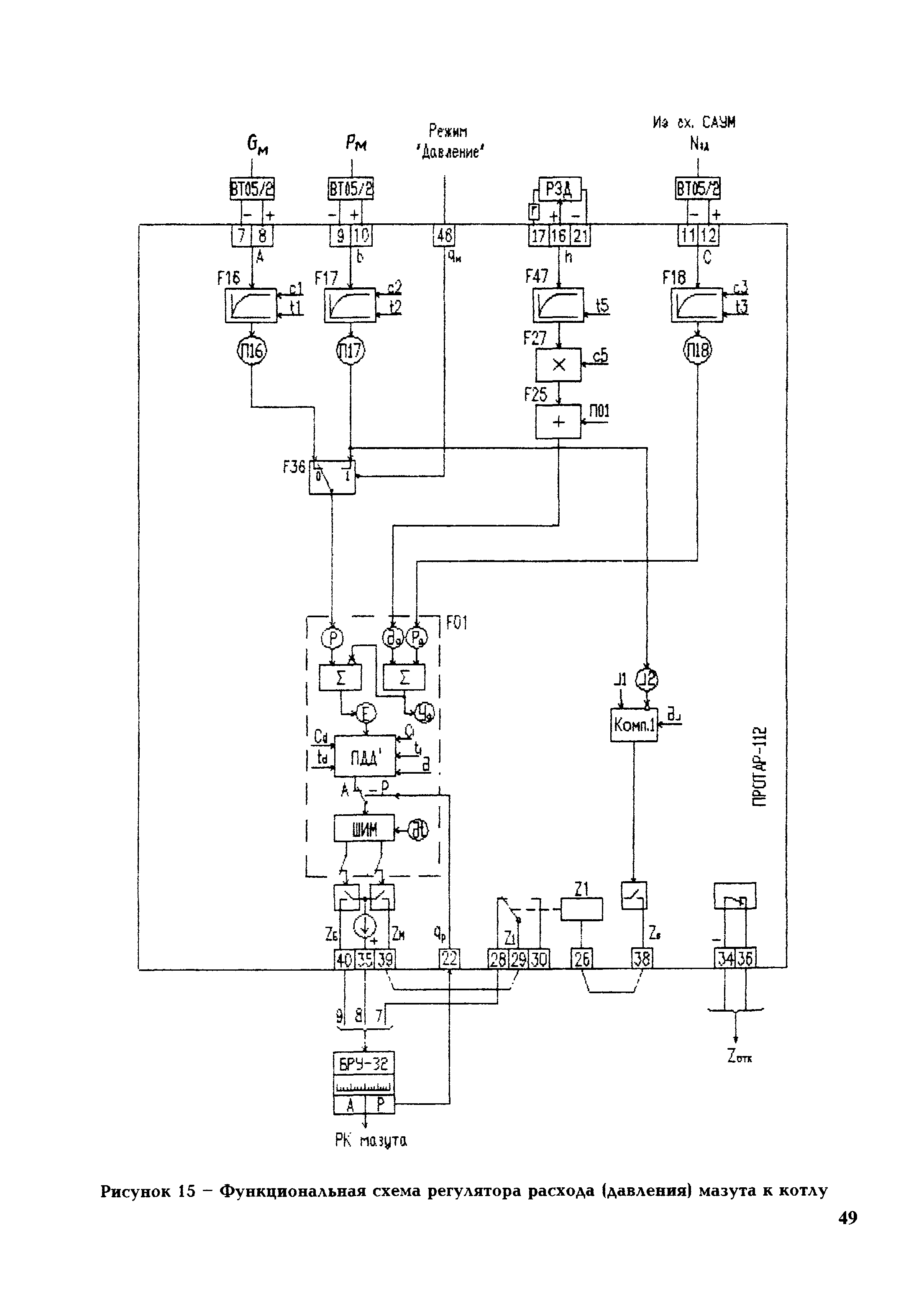
Приложение А. Примеры реализации схем АСР процесса горения на микропроцессорной технике Протар
Приложение Б. Пример расчета параметров статической и динамической настройки АСР подачи воздуха в котел на аппаратуре Протар
Список использованной литературы
Разработан: Фирма ОРГРЭС
Утверждён:31.01.2002 Департамент научно-технической политики и развития
Издан: СПО ОРГРЭС (2003 г. )
Расположен в:Техническая документация Мостостроение Автоматика, защита, блокировки, средства измерений (включая ИИС АСУ ТП)
РД 153-34.1-35.418-2002РД 153-34.1-35.418-2002РД 153-34.1-35.418-2002РД 153-34.1-35.418-2002РД 153-34.1-35.418-2002РД 153-34.1-35.418-2002РД 153-34.1-35.418-2002РД 153-34.1-35.418-2002РД 153-34.1-35.418-2002РД 153-34.1-35.418-2002РД 153-34.1-35.418-2002РД 153-34.1-35.418-2002РД 153-34.1-35.418-2002РД 153-34.1-35.418-2002РД 153-34.1-35.418-2002РД 153-34.1-35.418-2002РД 153-34.1-35.418-2002РД 153-34.1-35.418-2002РД 153-34.1-35.418-2002РД 153-34.1-35.418-2002РД 153-34.1-35.418-2002РД 153-34.1-35.418-2002РД 153-34.1-35.418-2002РД 153-34.1-35.418-2002РД 153-34.1-35.418-2002РД 153-34.1-35.418-2002РД 153-34.1-35.418-2002РД 153-34.1-35.418-2002РД 153-34.1-35.418-2002РД 153-34.1-35.418-2002РД 153-34.1-35.418-2002РД 153-34.1-35.418-2002РД 153-34.1-35.418-2002РД 153-34.1-35.418-2002РД 153-34.1-35.418-2002РД 153-34.1-35.418-2002РД 153-34.1-35.418-2002РД 153-34.1-35.418-2002РД 153-34.1-35.418-2002РД 153-34.1-35.418-2002РД 153-34.1-35.418-2002РД 153-34.1-35.418-2002РД 153-34.1-35.418-2002РД 153-34.1-35.418-2002РД 153-34.1-35.418-2002РД 153-34.1-35.418-2002РД 153-34.1-35.418-2002РД 153-34.1-35.418-2002РД 153-34.1-35.418-2002РД 153-34.1-35.418-2002РД 153-34.1-35.418-2002РД 153-34.1-35.418-2002РД 153-34.1-35.418-2002РД 153-34.1-35.418-2002РД 153-34.1-35.418-2002РД 153-34.1-35.418-2002РД 153-34.1-35.418-2002РД 153-34.1-35.418-2002РД 153-34.1-35.418-2002РД 153-34.1-35.418-2002РД 153-34.1-35.418-2002РД 153-34.1-35.418-2002РД 153-34.1-35.418-2002РД 153-34.1-35.418-2002РД 153-34.1-35.418-2002РД 153-34.1-35.418-2002РД 153-34.1-35.418-2002РД 153-34.1-35.418-2002РД 153-34.1-35.418-2002РД 153-34.1-35.418-2002РД 153-34.1-35.418-2002РД 153-34.1-35.418-2002РД 153-34.1-35.418-2002РД 153-34.1-35.418-2002РД 153-34.1-35.418-2002РД 153-34.1-35.418-2002РД 153-34.1-35.418-2002

© 2013 Ёшкин Кот :-) Карта сайта