Информационная система
«Ёшкин Кот»

Скачать базу одним архивом
Скачать обновления
История создания базы
Карта сайта

Скачать Технологическая карта Типовая технологическая карта на клеевую окраску стен и потолков

Дата актуализации: 10.08.2017

Технологическая карта

Типовая технологическая карта на клеевую окраску стен и потолков

Обозначение: Технологическая карта
Статус:не установлен срок действия
Название рус.:Типовая технологическая карта на клеевую окраску стен и потолков
Дата добавления в базу:01.09.2013
Дата актуализации:05.05.2017
Дата введения:01.01.1983
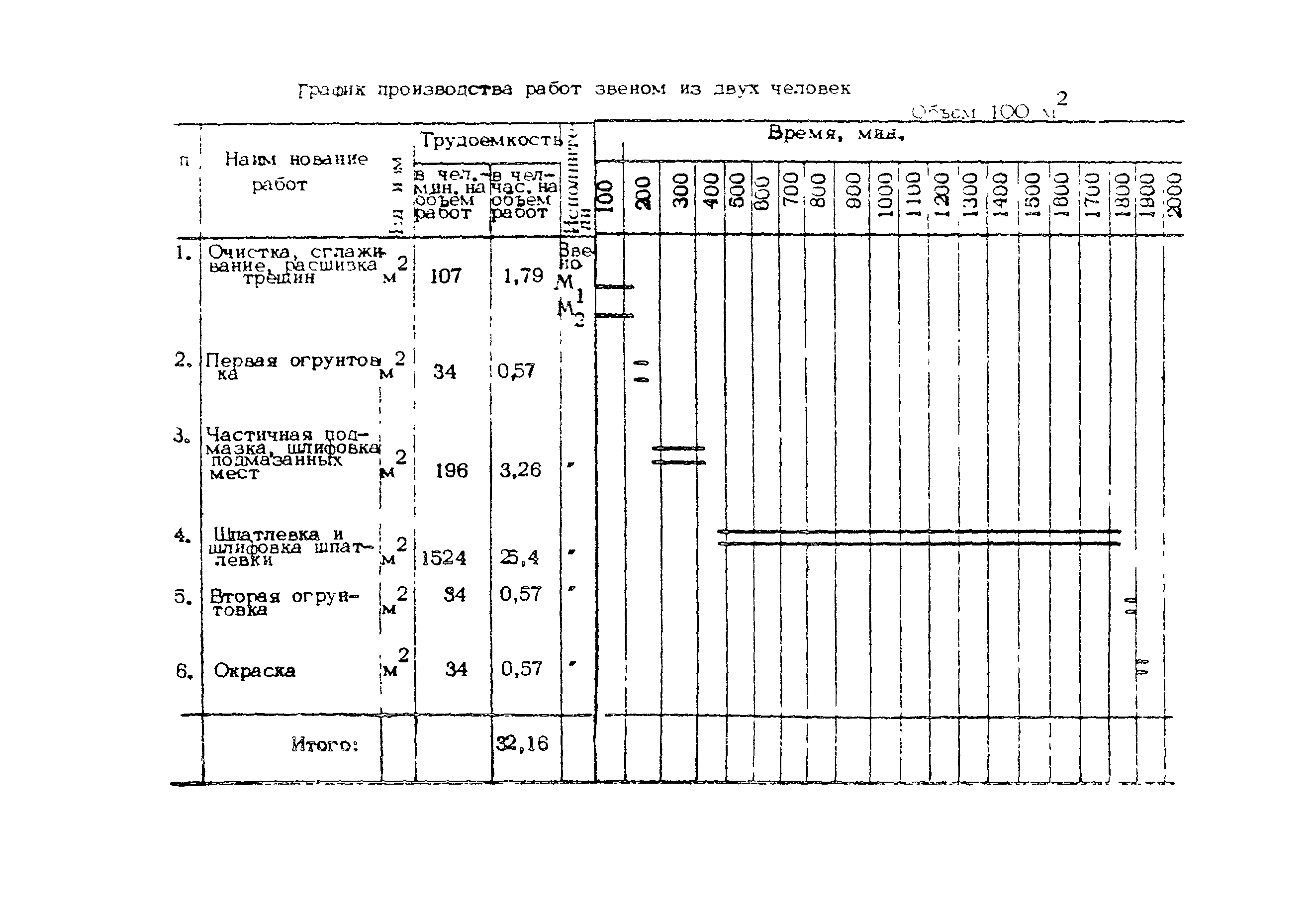
Область применения:Технологическая карта разработана на клеевую окраску стен и потолков, применяемую при отделке жилых, гражданских и промышленных зданий и сооружений.
Оглавление:1 Область применения
2 Организация и технология строительного процесса
3 Технико-экономические показатели
4 Материально-технические ресурсы
Разработан: Трест Мосоргстрой
Утверждён:01.01.1983 Трест Мосоргстрой Главмосстроя
Принят: Главмосстрой (Glavmosstroy )
Издан: Мосоргстрой (1983 г. )
Расположен в:Техническая документация Экология СТРОИТЕЛЬНЫЕ МАТЕРИАЛЫ И СТРОИТЕЛЬСТВО Технология строительства Технология строительства, прочие аспекты Строительство Справочные документы Технологические карты Отделочные работы
Нормативные ссылки:
Технологическая карта Технологическая карта Технологическая карта Технологическая карта Технологическая карта Технологическая карта Технологическая карта Технологическая карта Технологическая карта Технологическая карта Технологическая карта Технологическая карта Технологическая карта Технологическая карта Технологическая карта Технологическая карта Технологическая карта Технологическая карта Технологическая карта Технологическая карта Технологическая карта

© 2013 Ёшкин Кот :-) Карта сайта