Скачать ГОСТ 6469-69 Фрезы дисковые двусторонние со вставными ножами, оснащенными твердым сплавом. Конструкция и размерыДата актуализации: 10.08.2017 ГОСТ 6469-69
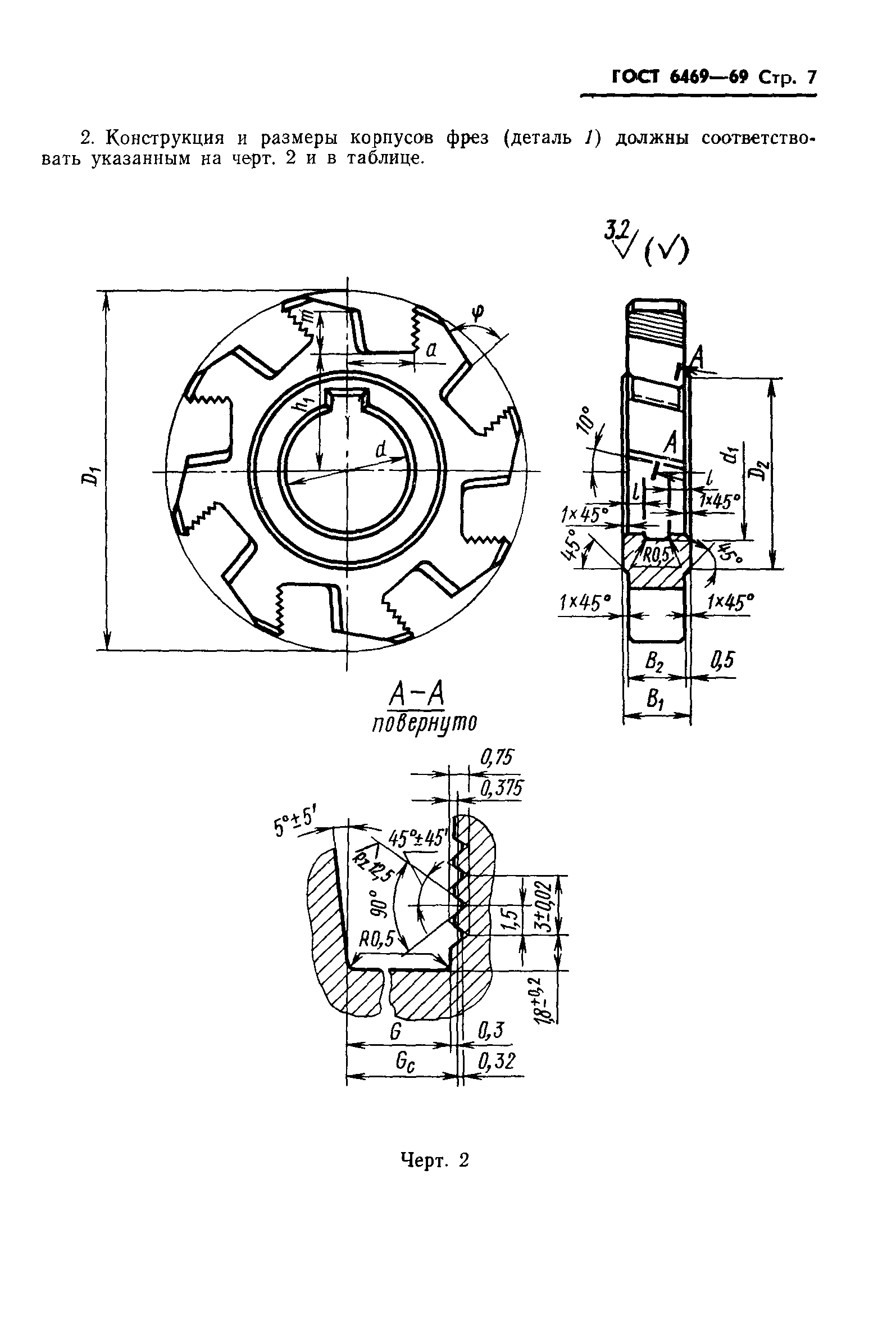
Фрезы дисковые двусторонние со вставными ножами, оснащенными твердым сплавом. Конструкция и размеры| Обозначение: | ГОСТ 6469-69 | | Обозначение англ: | GOST 6469-69 | | Статус: | действует | | Название рус.: | Фрезы дисковые двусторонние со вставными ножами, оснащенными твердым сплавом. Конструкция и размеры | | Название англ.: | Double angle disc cutters with inserted carbide blades. Construction and dimensions | | Дата добавления в базу: | 01.09.2013 | | Дата актуализации: | 05.05.2017 | | Дата введения: | 01.07.1970 | | Оглавление: | 1. Размеры 2. Конструкция и размеры корпусов Приложение. Геометрические параметры, конструкция и размеры фрез | | Утверждён: | 02.06.1969 Госстандарт СССР (USSR Gosstandart 629)
| | Расположен в: |
| | Заменяет собой: | - МН 999-60 (Сведения из перечня "Указатель государственных стандартов СССР 1970 г.", Издательство комитета стандартов 1970)
ГОСТ 6469-60 «Фрезы дисковые двухсторонние со вставными ножами, оснащенные твердым сплавом. Основные размеры» (Сведения из перечня "Указатель государственных стандартов СССР 1970 г.", Издательство комитета стандартов 1970) |
         
|