| ||||||||||||||||||||||||||
Скачать ГОСТ 29072-91 Постоянные резисторы для электронной аппаратуры. Часть 8. Групповые технические условия на постоянные чип-резисторыДата актуализации: 10.08.2017
|
| Обозначение: | ГОСТ 29072-91 |
| Обозначение англ: | GOST 29072-91 |
| Статус: | действует |
| Название рус.: | Постоянные резисторы для электронной аппаратуры. Часть 8. Групповые технические условия на постоянные чип-резисторы |
| Название англ.: | Fixed resistors for use in electronic equipment. Part 8. Blank detail specification fixed chip-resistors. Assessment level E |
| Дата добавления в базу: | 01.09.2013 |
| Дата актуализации: | 05.05.2017 |
| Дата введения: | 01.07.1992 |
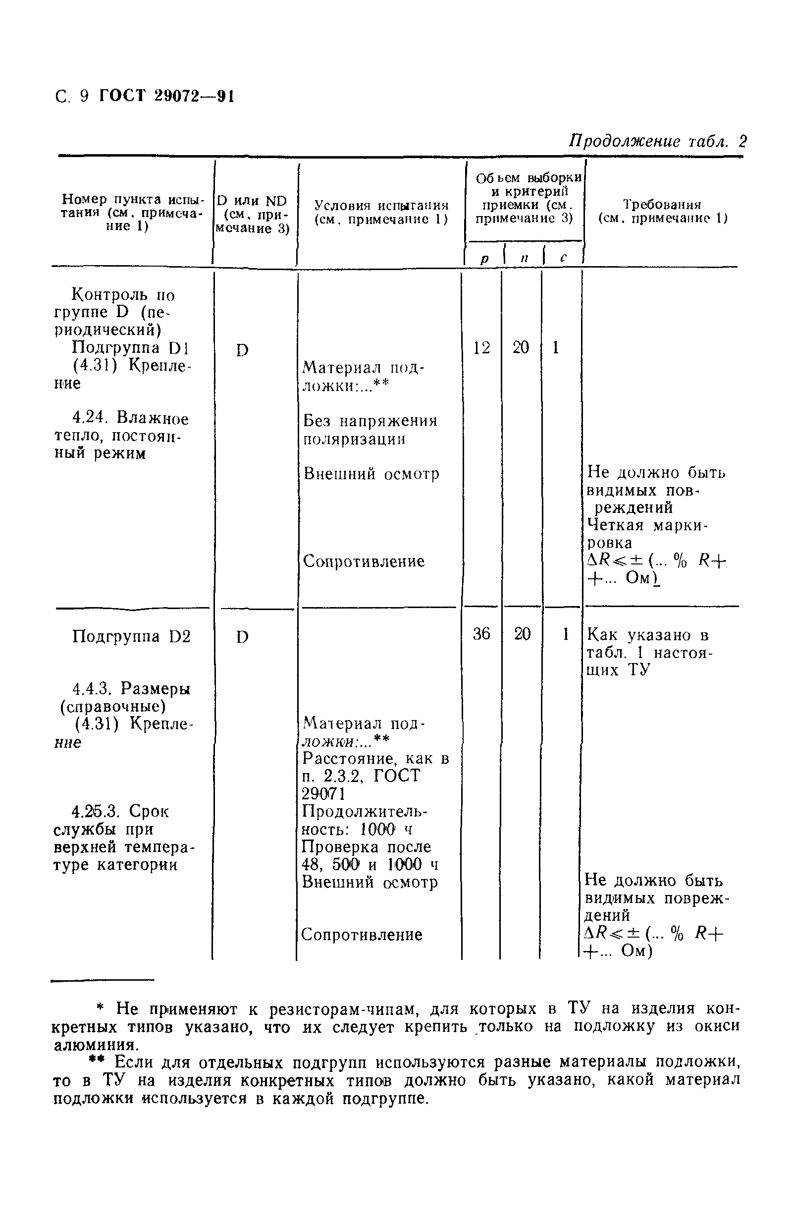
| Оглавление: | Форма ТУ на Чип-резисторы конкретных типов Раздел I. Общие данные 1. Общие данные Раздел II. Требования к контролю 2. Требования к контролю Приложение |
| Утверждён: | 08.07.1991 Госстандарт России (Russian Federation Gosstandart 1227) |
| Расположен в: |











