Скачать ГОСТ 28046-89 Протяжки сборные для десятишлицевых отверстий с прямобочным профилем с центрированием по внутреннему диаметру комбинированные переменного резания трехпроходные. КонструкцияДата актуализации: 10.08.2017 ГОСТ 28046-89
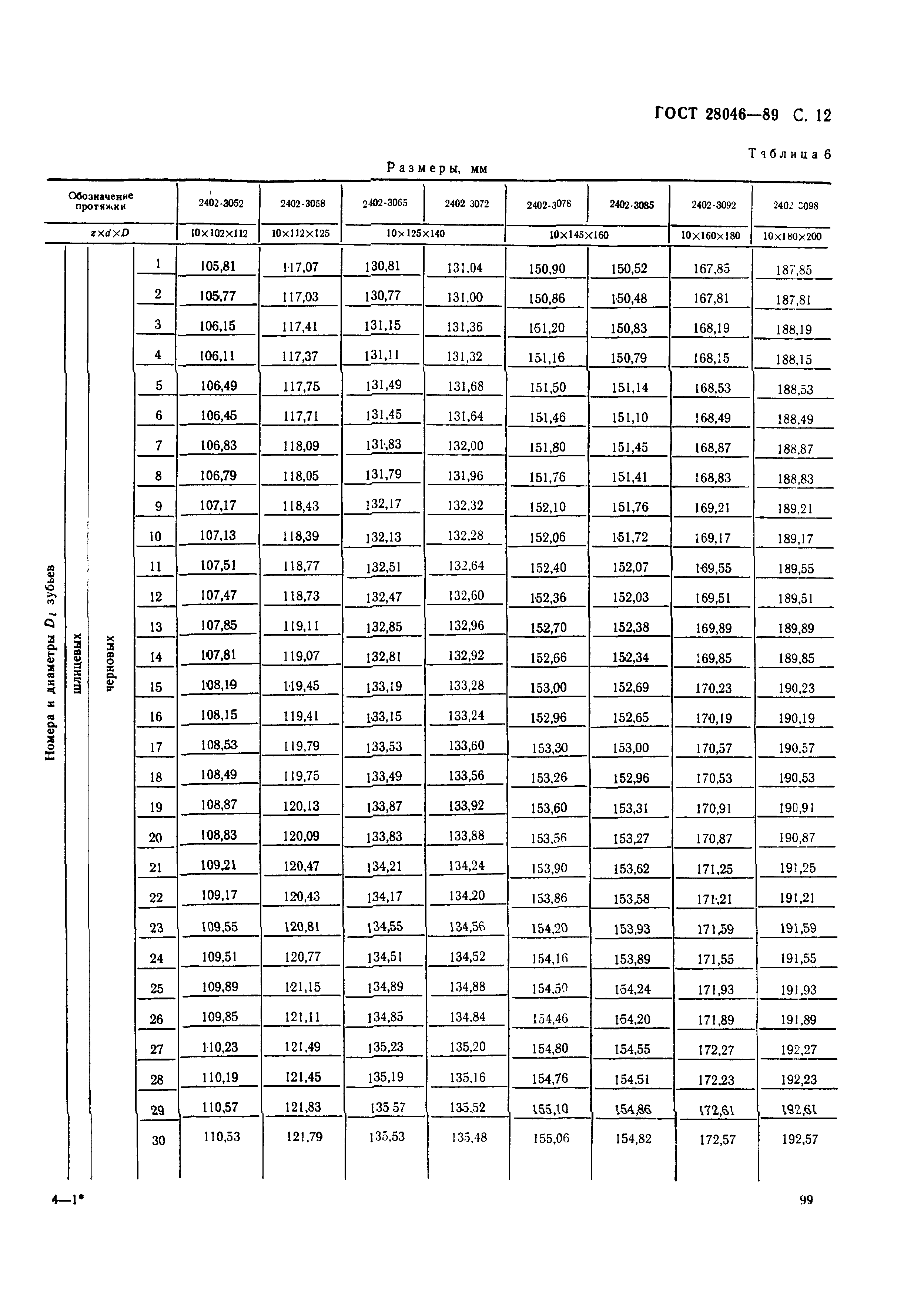
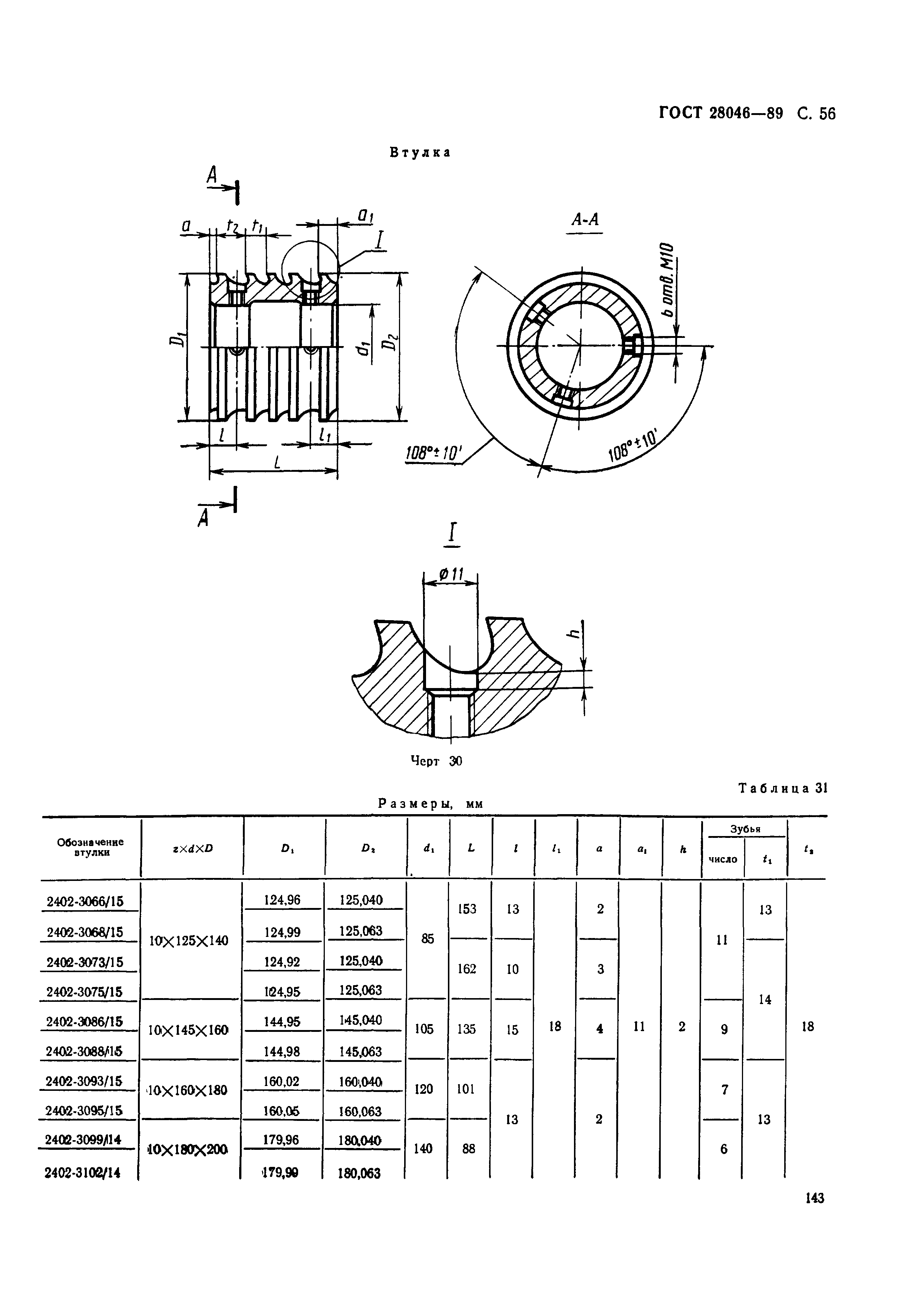
Протяжки сборные для десятишлицевых отверстий с прямобочным профилем с центрированием по внутреннему диаметру комбинированные переменного резания трехпроходные. Конструкция| Обозначение: | ГОСТ 28046-89 | | Обозначение англ: | GOST 28046-89 | | Статус: | действует | | Название рус.: | Протяжки сборные для десятишлицевых отверстий с прямобочным профилем с центрированием по внутреннему диаметру комбинированные переменного резания трехпроходные. Конструкция | | Название англ.: | Internal broaches for straight splines based at internal diameter three pass combined type. Construction | | Дата добавления в базу: | 01.09.2013 | | Дата актуализации: | 05.05.2017 | | Дата введения: | 01.07.1990 | | Утверждён: | 16.03.1989 Госстандарт СССР (USSR Gosstandart 516)
| | Расположен в: |
|
                                                             
|