Информационная система
«Ёшкин Кот»

Скачать базу одним архивом
Скачать обновления
История создания базы
Карта сайта

Скачать ГОСТ 24097-86 Микрокалькуляторы. Условные функциональные обозначения органов управления

Дата актуализации: 10.08.2017

ГОСТ 24097-86

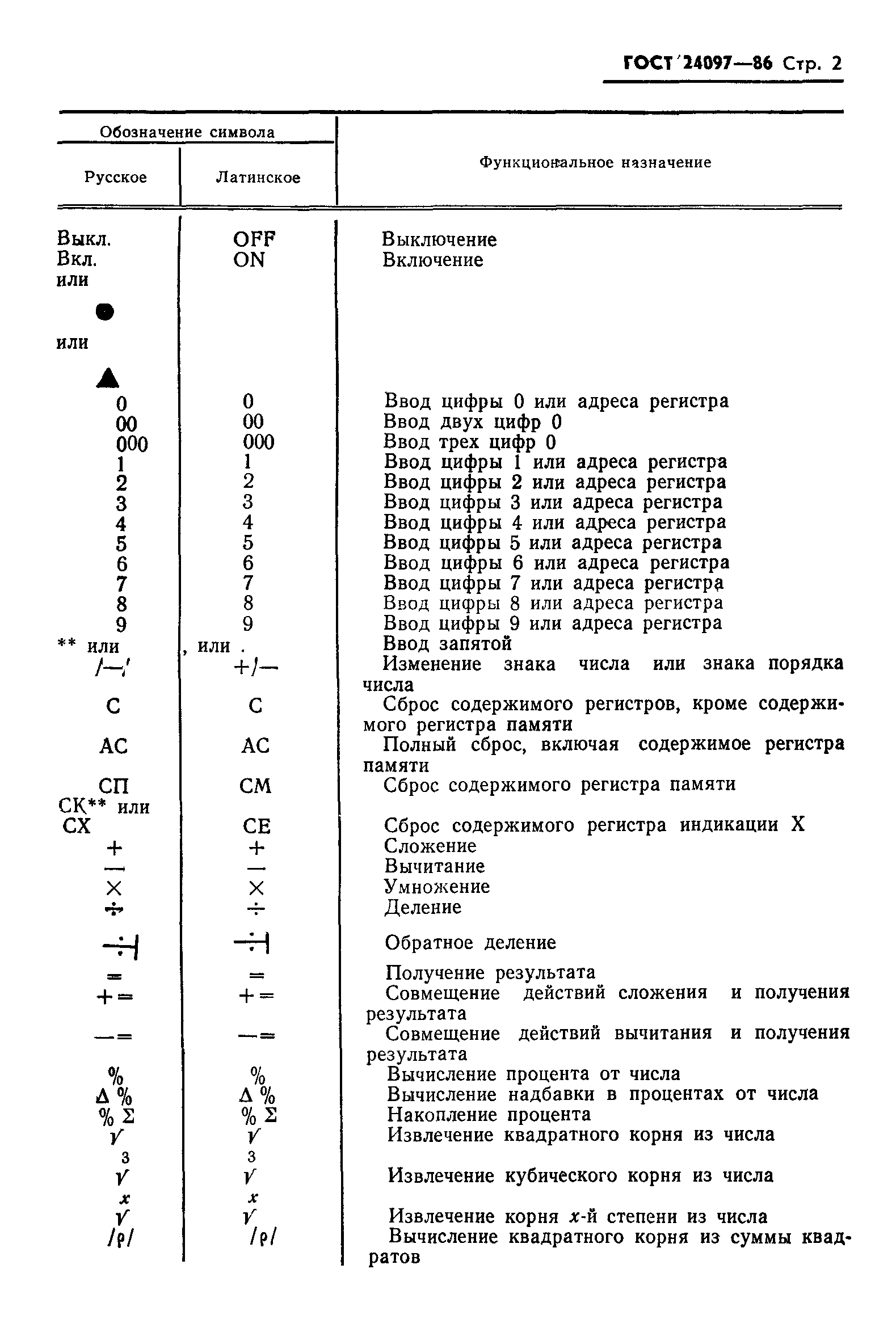
Микрокалькуляторы. Условные функциональные обозначения органов управления

Обозначение: ГОСТ 24097-86
Обозначение англ: GOST 24097-86
Статус:взамен
Название рус.:Микрокалькуляторы. Условные функциональные обозначения органов управления
Название англ.:Microcalculators. Symbols and symbolic functional names of control response
Дата добавления в базу:01.09.2013
Дата актуализации:05.05.2017
Дата введения:01.07.1987
Область применения:Стандарт распространяется на электронные микрокалькуляторы, разрабатываемые по ГОСТ 23468-85, и устанавливает условные обозначения (символы) органов управления (клавиш) микрокалькуляторов и их функциональное назначение.
Утверждён:25.04.1986 Государственный комитет СССР по стандартам (USSR National Committee on Standards 1080)
Издан: Издательство стандартов (1986 г. )
Расположен в:Техническая документация Электроэнергия ИНФОРМАЦИОННЫЕ ТЕХНОЛОГИИ. МАШИНЫ КОНТОРСКИЕ Микропроцессорные системы ОБЩИЕ ПОЛОЖЕНИЯ. ТЕРМИНОЛОГИЯ. СТАНДАРТИЗАЦИЯ. ДОКУМЕНТАЦИЯ Графические обозначения Графические обозначения для технических чертежей и соответствующей технической документации в области информационных технологий и телекоммуникаций Экология ИНФОРМАЦИОННЫЕ ТЕХНОЛОГИИ. МАШИНЫ КОНТОРСКИЕ Микропроцессорные системы ОБЩИЕ ПОЛОЖЕНИЯ. ТЕРМИНОЛОГИЯ. СТАНДАРТИЗАЦИЯ. ДОКУМЕНТАЦИЯ Графические обозначения Графические обозначения для технических чертежей и соответствующей технической документации в области информационных технологий и телекоммуникаций
Список изменений:
Заменяет собой:
  • ГОСТ 24097-80 «Микрокалькуляторы. Условные обозначения»
Нормативные ссылки:
ГОСТ 24097-86ГОСТ 24097-86ГОСТ 24097-86ГОСТ 24097-86ГОСТ 24097-86ГОСТ 24097-86ГОСТ 24097-86ГОСТ 24097-86ГОСТ 24097-86

Текстовое изменение Поправка от 01.11.1988

Поправка

© 2013 Ёшкин Кот :-) Карта сайта