Информационная система
«Ёшкин Кот»

Скачать базу одним архивом
Скачать обновления
История создания базы
Карта сайта

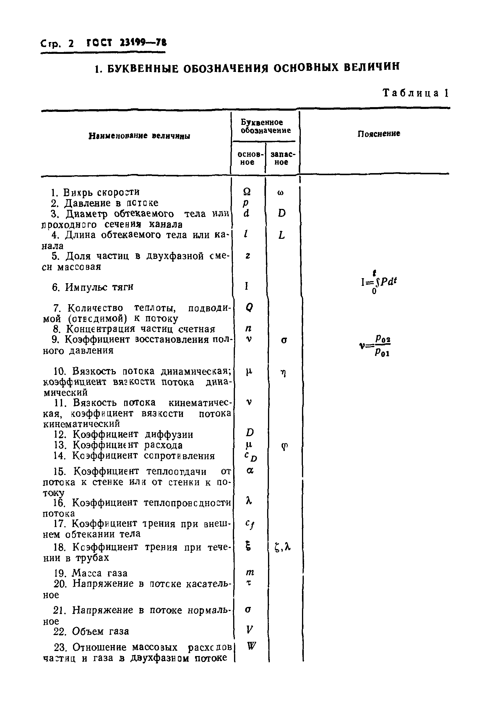
Скачать ГОСТ 23199-78 Газодинамика. Буквенные обозначения основных величин

Дата актуализации: 10.08.2017

ГОСТ 23199-78

Газодинамика. Буквенные обозначения основных величин

Обозначение: ГОСТ 23199-78
Обозначение англ: GOST 23199-78
Статус:действует
Название рус.:Газодинамика. Буквенные обозначения основных величин
Название англ.:Gas dynamics. Basic letter symbols
Дата добавления в базу:01.09.2013
Дата актуализации:05.05.2017
Дата введения:01.01.1980
Область применения:Стандарт устанавливает основные буквенные обозначения и индексы в газодинамике.
Оглавление:1 Буквенные обозначения основных величин
2 Индексы буквенных обозначений величин
Утверждён:30.06.1978 Госстандарт СССР (USSR Gosstandart 1759)
Издан: Издательство стандартов (1978 г. )
Расположен в:Техническая документация Электроэнергия МАТЕМАТИКА. ЕСТЕСТВЕННЫЕ НАУКИ Физика. Химия ОБЩИЕ ПОЛОЖЕНИЯ. ТЕРМИНОЛОГИЯ. СТАНДАРТИЗАЦИЯ. ДОКУМЕНТАЦИЯ Знаковые обозначения Величины и единицы измерения Экология МАТЕМАТИКА. ЕСТЕСТВЕННЫЕ НАУКИ Физика. Химия ОБЩИЕ ПОЛОЖЕНИЯ. ТЕРМИНОЛОГИЯ. СТАНДАРТИЗАЦИЯ. ДОКУМЕНТАЦИЯ Знаковые обозначения Величины и единицы измерения
ГОСТ 23199-78ГОСТ 23199-78ГОСТ 23199-78ГОСТ 23199-78ГОСТ 23199-78ГОСТ 23199-78ГОСТ 23199-78

© 2013 Ёшкин Кот :-) Карта сайта