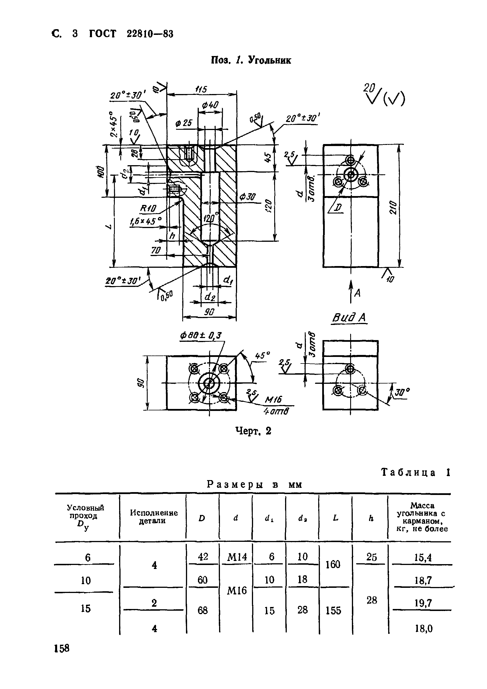
Скачать ГОСТ 22810-83 Сборочные единицы и детали трубопроводов. Угольники с карманами под термометры сопротивления и термоэлектрические термометры на Ру св. 10 до 100 МПа (св. 100 до 1000 кгс/см.кв.). Конструкция и размерыДата актуализации: 10.08.2017 ГОСТ 22810-83
Сборочные единицы и детали трубопроводов. Угольники с карманами под термометры сопротивления и термоэлектрические термометры на Ру св. 10 до 100 МПа (св. 100 до 1000 кгс/см.кв.). Конструкция и размерыОбозначение: | ГОСТ 22810-83 | Обозначение англ: | GOST 22810-83 | Статус: | действует | Название рус.: | Сборочные единицы и детали трубопроводов. Угольники с карманами под термометры сопротивления и термоэлектрические термометры на Ру св. 10 до 100 МПа (св. 100 до 1000 кгс/см.кв.). Конструкция и размеры | Название англ.: | Assembling units and pipeline parts. Pocket angles for resistance thermometers and thermocouple thermometers for pn 9,81-98,1 mpa (100-1000 kgf/cm2). Construction and dimensions | Дата добавления в базу: | 01.09.2013 | Дата актуализации: | 05.05.2017 | Дата введения: | 01.01.1985 | Утверждён: | 25.11.1983 Госстандарт СССР (USSR Gosstandart 5521)
| Расположен в: |
|
        
|