Информационная система
«Ёшкин Кот»

Скачать базу одним архивом
Скачать обновления
История создания базы
Карта сайта

Скачать ГОСТ 13218.6-80 Корпуса типа ШБ подшипников качения диаметром от 160 до 400 мм. Конструкция и размеры

Дата актуализации: 10.08.2017

ГОСТ 13218.6-80

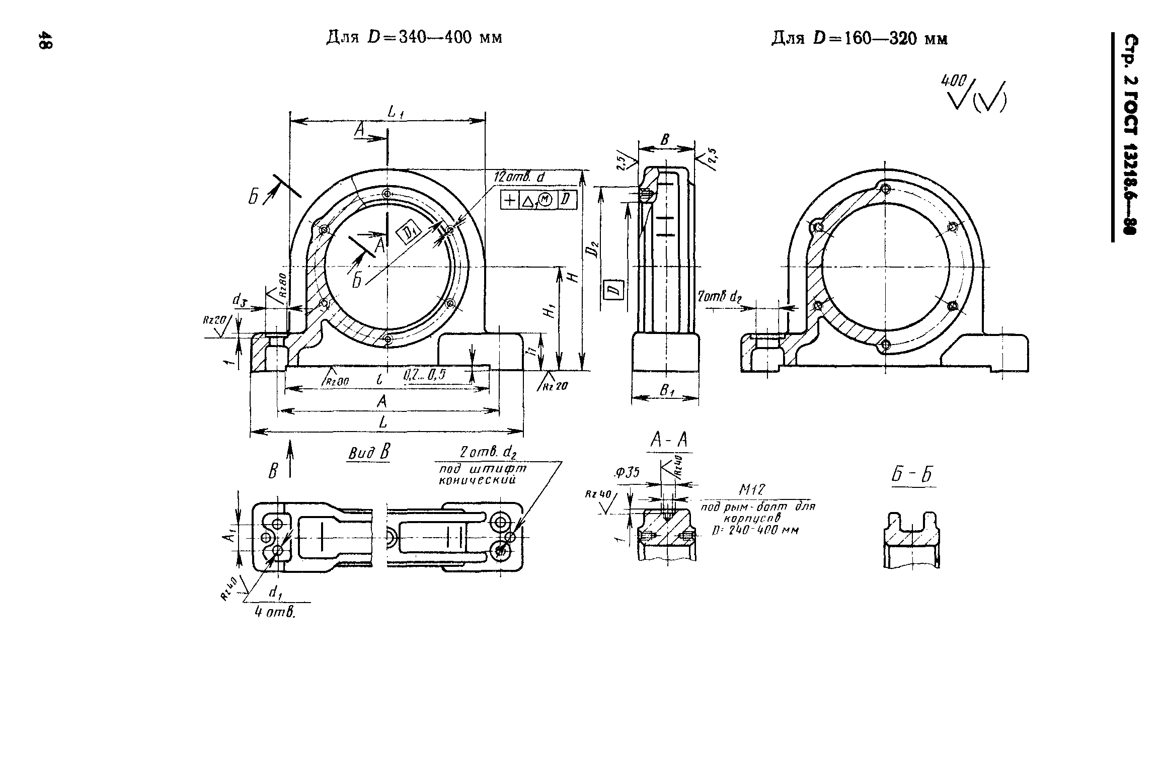
Корпуса типа ШБ подшипников качения диаметром от 160 до 400 мм. Конструкция и размеры

Обозначение: ГОСТ 13218.6-80
Обозначение англ: GOST 13218.6-80
Статус:действует
Название рус.:Корпуса типа ШБ подшипников качения диаметром от 160 до 400 мм. Конструкция и размеры
Название англ.:Pillow blocks of serie Шm for rolling bearings of diameters from 160 till 400 mm. Basic dimensions
Дата добавления в базу:01.09.2013
Дата актуализации:05.05.2017
Дата введения:01.01.1982
Область применения:Стандарт распространяется на неразъемные широкие корпуса типа ШБ со сквозным отверстием для подшипников качения.
Утверждён:30.09.1980 Госстандарт СССР (USSR Gosstandart 4893)
Издан: Издательство стандартов (1981 г. )
Расположен в:Техническая документация Электроэнергия МЕХАНИЧЕСКИЕ СИСТЕМЫ И УСТРОЙСТВА ОБЩЕГО НАЗНАЧЕНИЯ Подшипники Подшипники качения Экология МЕХАНИЧЕСКИЕ СИСТЕМЫ И УСТРОЙСТВА ОБЩЕГО НАЗНАЧЕНИЯ Подшипники Подшипники качения
Заменяет собой:
  • ГОСТ 13218.6-67 «Корпуса серии ШБ подшипников качения диаметром от 160 до 400 мм. Основные размеры»
Нормативные ссылки:
ГОСТ 13218.6-80ГОСТ 13218.6-80ГОСТ 13218.6-80ГОСТ 13218.6-80

© 2013 Ёшкин Кот :-) Карта сайта