Информационная система
«Ёшкин Кот»

Скачать базу одним архивом
Скачать обновления
История создания базы
Карта сайта

Скачать ГОСТ 8.417-81 Государственная система обеспечения единства измерений. Единицы физических величин

Дата актуализации: 10.08.2017

ГОСТ 8.417-81

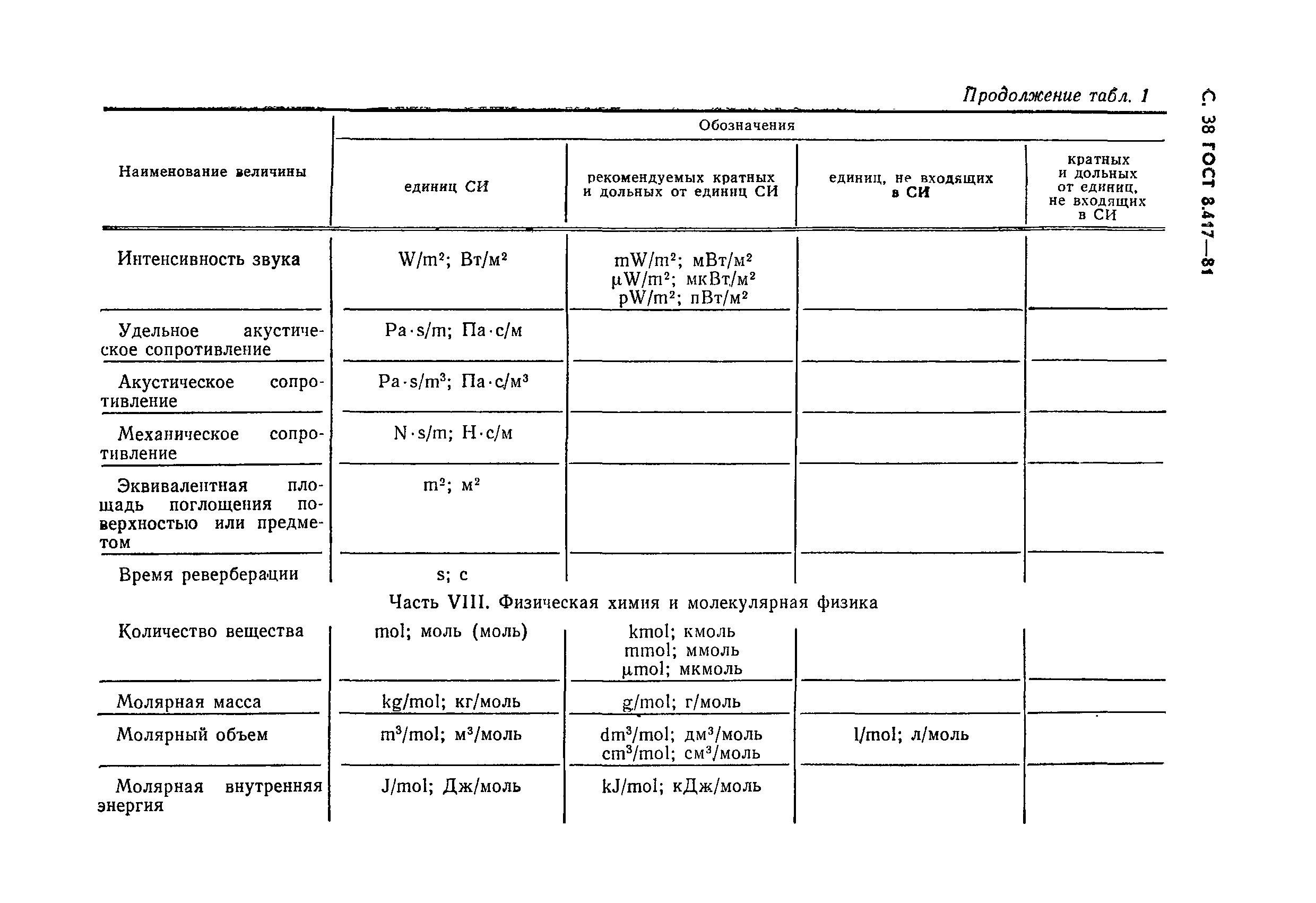
Государственная система обеспечения единства измерений. Единицы физических величин

Обозначение: ГОСТ 8.417-81
Обозначение англ: GOST 8.417-81
Статус:заменен
Название рус.:Государственная система обеспечения единства измерений. Единицы физических величин
Название англ.:State system for esuring the uniformity of measurements. Units of physical quantities
Дата добавления в базу:01.09.2013
Дата актуализации:05.05.2017
Дата введения:01.09.2003
Область применения:Стандарт устанавливает единицы физических величин (далее - единицы), применяемые в СССР, их наименования, обозначения и правила применения этих единиц Стандарт не распространяется на единицы, применяемые в научных исследованиях и при публикациях их результатов, если в них не рассматривают и не используют результаты измерений конкретных физических величин, а также на единицы величин, оцениваемых по условным шкалам.
Оглавление:1. Общие положения
2. Единицы международной системы
3. Единицы, не входящие в СИ
4. Правила образования десятичных квадратных и дольных единиц, а также их наименований и обозначений
5. Правила написаний обозначений единиц
Приложение 1 (обязательное) Правила образования когерентных производных единиц СИ
Приложение 2 (справочное) Соотношение некоторых внесистемных единиц с единицами СИ
Приложение 3 (справочное) Рекомендации по выбору десятичных кратных и дольных единиц
Приложение 4 (справочное) Информационные данные о соответствии ГОСТ 8.417-81 и СТ СЭВ 1052-78
Разработан: Государственный комитет СССР по стандартам
Утверждён:19.03.1981 Государственный комитет СССР по стандартам (USSR National Committee on Standards 1449)
Издан: Издательство стандартов (1982 г. )
Издательство стандартов (1990 г. )
Расположен в:Техническая документация Электроэнергия МЕТРОЛОГИЯ И ИЗМЕРЕНИЯ. ФИЗИЧЕСКИЕ ЯВЛЕНИЯ Метрология и измерения в целом ОБЩИЕ ПОЛОЖЕНИЯ. ТЕРМИНОЛОГИЯ. СТАНДАРТИЗАЦИЯ. ДОКУМЕНТАЦИЯ Величины и единицы измерения Экология МЕТРОЛОГИЯ И ИЗМЕРЕНИЯ. ФИЗИЧЕСКИЕ ЯВЛЕНИЯ Метрология и измерения в целом ОБЩИЕ ПОЛОЖЕНИЯ. ТЕРМИНОЛОГИЯ. СТАНДАРТИЗАЦИЯ. ДОКУМЕНТАЦИЯ Величины и единицы измерения Строительство Стандарты Другие государственные стандарты, применяемые в строительстве Метрология и измерения. Физические явления Общие положения. Терминология. Стандартизация. Документация
Список изменений:
Чем заменён:
Нормативные ссылки:
ГОСТ 8.417-81ГОСТ 8.417-81ГОСТ 8.417-81ГОСТ 8.417-81ГОСТ 8.417-81ГОСТ 8.417-81ГОСТ 8.417-81ГОСТ 8.417-81ГОСТ 8.417-81ГОСТ 8.417-81ГОСТ 8.417-81ГОСТ 8.417-81ГОСТ 8.417-81ГОСТ 8.417-81ГОСТ 8.417-81ГОСТ 8.417-81ГОСТ 8.417-81ГОСТ 8.417-81ГОСТ 8.417-81ГОСТ 8.417-81ГОСТ 8.417-81ГОСТ 8.417-81ГОСТ 8.417-81ГОСТ 8.417-81ГОСТ 8.417-81ГОСТ 8.417-81ГОСТ 8.417-81ГОСТ 8.417-81ГОСТ 8.417-81ГОСТ 8.417-81ГОСТ 8.417-81ГОСТ 8.417-81ГОСТ 8.417-81ГОСТ 8.417-81ГОСТ 8.417-81ГОСТ 8.417-81ГОСТ 8.417-81ГОСТ 8.417-81ГОСТ 8.417-81ГОСТ 8.417-81ГОСТ 8.417-81ГОСТ 8.417-81ГОСТ 8.417-81

© 2013 Ёшкин Кот :-) Карта сайта