| ||||||||||||||||||||||||||||||||||||
Скачать ГОСТ 2.781-96 Единая система конструкторской документации. Обозначения условные графические. Аппараты гидравлические и пневматические, устройства управления и приборы контрольно-измерительныеДата актуализации: 10.08.2017
|
| Обозначение: | ГОСТ 2.781-96 |
| Обозначение англ: | GOST 2.781-96 |
| Статус: | действует |
| Название рус.: | Единая система конструкторской документации. Обозначения условные графические. Аппараты гидравлические и пневматические, устройства управления и приборы контрольно-измерительные |
| Название англ.: | Unified system for design documentation. Graphic designations. Hydraulic and pneumatic valves, control devices and measuring instruments, indicators, switches |
| Дата добавления в базу: | 01.09.2013 |
| Дата актуализации: | 05.05.2017 |
| Дата введения: | 01.01.1998 |
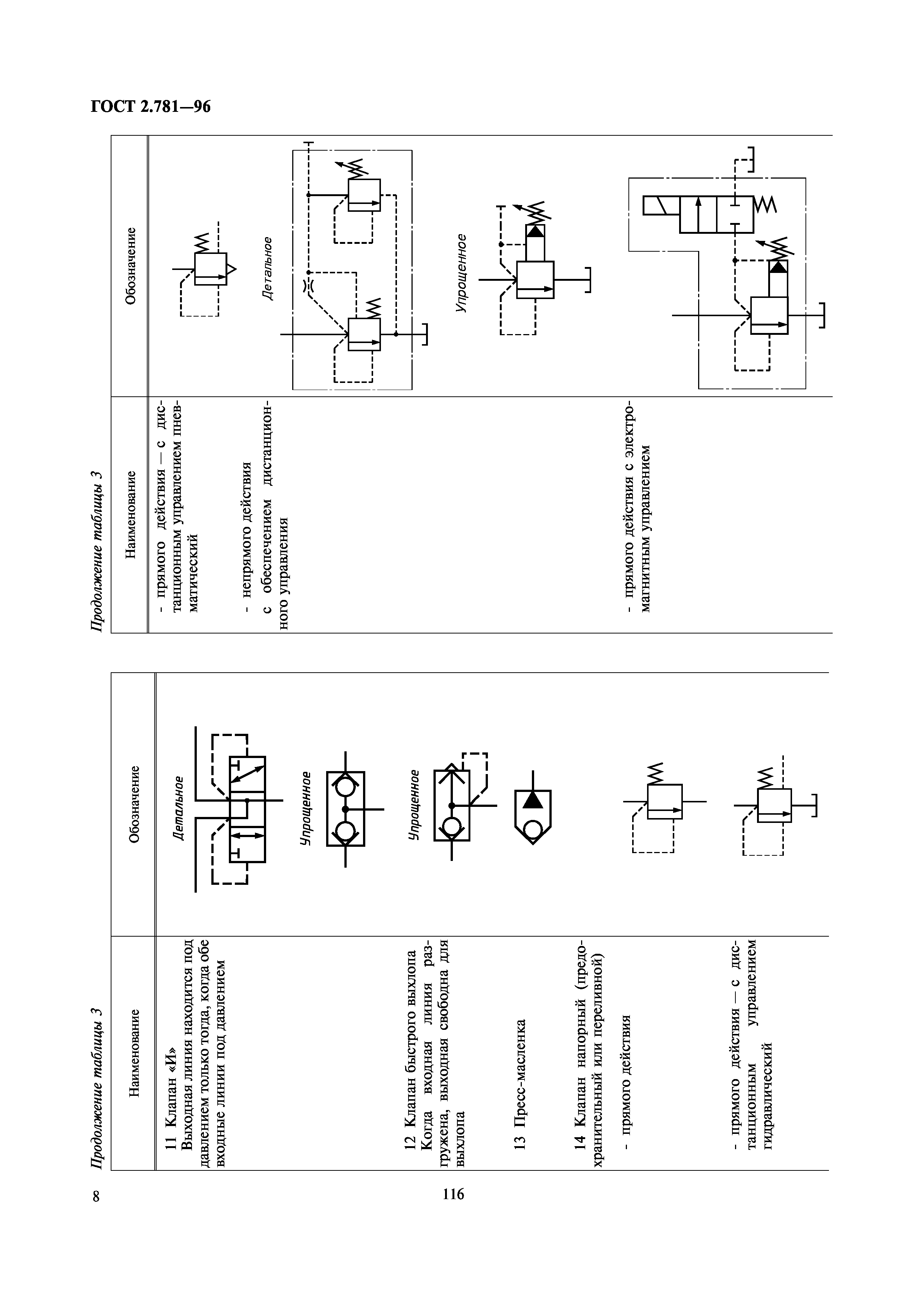
| Область применения: | Стандарт устанавливает условные графические обозначения направляющих и регулирующих аппаратов, устройств управления и контрольно-измерительных приборов в схемах и чертежах всех отраслей промышленности. |
| Оглавление: | 1 Область применения 2 Нормативные ссылки 3 Определения 4 Основные положения |
| Разработан: | ВНИИНМАШ Госстандарта России НИИ-Гидропривод |
| Утверждён: | 07.04.1997 Госстандарт России (Russian Federation Gosstandart 122) 04.10.1996 Межгосударственный Совет по стандартизации, метрологии и сертификации (Inter-Governmental Council on Standardization, Metrology, and Certification 10) |
| Издан: | ИПК Издательство стандартов (1998 г. ) ИПК Издательство стандартов (2004 г. ) |
| Расположен в: | |
| Заменяет собой: | |
| Нормативные ссылки: |
|

















