ГОСТ 17376-2001 (ИСО 3419-81)

МЕЖГОСУДАРСТВЕННЫЙ СТАНДАРТ

 

Детали трубопроводов бесшовные приварные
из углеродистой и низколегированной стали

ТРОЙНИКИ

Конструкция

 

 

МЕЖГОСУДАРСТВЕННЫЙ СОВЕТ
ПО СТАНДАРТИЗАЦИИ, МЕТРОЛОГИИ И СЕРТИФИКАЦИИ

Минск

 

 

 

Предисловие

1. РАЗРАБОТАН ОАО «Корпорация МОНТАЖСПЕЦСТРОЙ»

ВНЕСЕН Государственным комитетом Российской Федерации по стандартизации и метрологии

2. ПРИНЯТ Межгосударственным Советом по стандартизации, метрологии и сертификации (протокол № 20 от 1 ноября 2001 г.).

За принятие проголосовали:

Наименование государства

Наименование

Азербайджанская Республика

Азгосстандарт

Республика Армения

Армгосстандарт

Республика Беларусь

Госстандарт Республики Беларусь

Грузия

Грузстандарт

Республика Казахстан

Госстандарт Республики Казахстан

Кыргызская Республика

Кыргызстандарт

Республика Молдова

Молдовастандарт

Российская Федерация

Госстандарт России

Республика Таждикистан

Таджикстандарт

Туркменистан

Главгосслужба «Туркменстандартлары»

Республика Узбекистан

Узгосстандарт

Украина

Госстандарт Украины

3. Стандарт соответствует ИСО 3419-81 «Фитинги из легированной и нелегированной стали приварные встык» в части конструкции тройников

4. Постановлением Государственного комитета Российской Федерации по стандартизации и метрологии от 27 мая 2002 г. № 205-ст межгосударственный стандарт ГОСТ 17376-2001 (ИСО 3419-81) введен в действие непосредственно в качестве государственного стандарта Российской Федерации с 1 января 2003 г.

5. ВЗАМЕН ГОСТ 17376-83

 

МЕЖГОСУДАРСТВЕННЫЙ СТАНДАРТ

 

Детали трубопроводов бесшовные приварные из углеродистой
и низколегированной стали

ТРОЙНИКИ

Конструкция

Carbon and low-alloy steel butt-welding fittings. Tees. Design

 

 

Дата введения 2003-01-01

1. Область применения

Настоящий стандарт распространяется на бесшовные приварные равнопроходные и переходные тройники из углеродистой и низколегированной стали.

Область применения тройников - в соответствии с разделом 1 ГОСТ 17380.

Требования пункта 4.1 и раздела 5 являются обязательными, остальные требования - рекомендательными.

2. Нормативные ссылки

В настоящем стандарте использована ссылка на ГОСТ 17380-2001 (ИСО 3419-81). Детали трубопроводов бесшовные приварные из углеродистой и низколегированной стали. Общие технические условия.

(Измененная редакция. Изм. № 1)

3. Определения, обозначения и сокращения

Термины, их определения, обозначения и сокращения - по ГОСТ 17380.

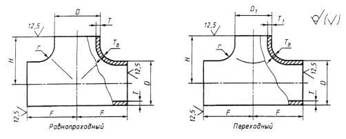
4. Конструкция и размеры

4.1. Конструкция и размеры тройников должны соответствовать указанным на рисунке 1 и в таблицах 1 и 2.

Рисунок 1

Таблица 1 - Тройники исполнения 1

Размеры в миллиметрах

DN

D

T

D1

T1

F

H

Масса, кг

 

 

2,0

 

2,0

 

 

0,19

15

21,3

3,2

 

3,2

25

25

0,30

 

 

4,0

 

4,0

 

 

0,38

 

 

2,0

21,3

2,0

 

 

0,26

 

 

3,2

 

3,2

 

 

0,42

 

 

4,0

 

4,0

 

 

0,52

20

26,9

2,0

 

2,0

29

29

0,23

 

 

3,2

26,9

3,2

 

 

0,37

 

 

4,0

 

4,0

 

 

0,46

 

 

2,3

 

2,0

 

 

0,25

 

 

3,2

21,3

3,2

 

 

0,35

 

 

4,5

 

4,0

 

 

0,40

 

 

2,3

 

2,0

 

 

0,25

25

33,7

3,2

26,9

3,2

38

38

0,35

 

 

4,5

 

4,0

 

 

0,40

 

 

2,3

 

2,3

 

 

0,40

 

 

3,2

33,7

3,2

 

 

0,64

 

 

4,5

 

4,5

 

 

0,80

 

 

2,6

 

2,0

 

 

0,79

 

 

3,6

21,3

3,2

 

 

1,10

 

 

5,0

 

4,0

 

 

1,50

 

 

2,6

 

2,0

 

 

0,79

 

 

3,6

26,9

3,2

 

 

1,10

 

 

5,0

 

4,0

 

 

1,50

32

42,4

2,6

 

2,3

48

48

0,79

 

 

3,6

33,7

3,2

 

 

1,10

 

 

5,0

 

4,0

 

 

1,50

 

 

2,6

 

2,6

 

 

0,79

 

 

3,6

42,4

3,6

 

 

1,10

 

 

5,0

 

5,0

 

 

1,50

 

 

2,6

 

2,0

 

 

1,00

 

 

3,6

26,9

3,2

 

 

1,40

 

 

5,0

 

4,0

 

 

2,00

 

 

2,6

 

2,3

 

 

1,00

 

 

3,6

33,7

3,2

 

 

1,40

 

 

5,0

 

4,5

 

 

2,00

40

48,3

2,6

 

2,6

57

57

1,00

 

 

3,6

42,4

3,6

 

 

1,40

 

 

5,0

 

5,0

 

 

2,00

 

 

2,6

 

2,6

 

 

1,00

 

 

3,6

48,3

3,6

 

 

1,40

 

 

5,0

 

5,0

 

 

2,00

 

 

2,9

 

2,9

 

 

1,60

 

 

4,0

33,7

4,0

 

51

2,20

 

 

5,6

 

5,6

 

 

3,00

 

 

2,9

 

2,6

 

 

1,60

 

 

4,0

42,4

3,6

 

57

2,20

 

 

5,6

 

5,0

 

 

3,00

50

60,3

2,9

 

2,6

64

 

1,60

 

 

4,0

48,3

3,6

 

60

2,20

 

 

5,6

 

5,0

 

 

3,00

 

 

2,9

 

2,3

 

 

1,60

 

 

4,0

60,3

3,2

 

64

2,20

 

 

5,6

 

4,5

 

 

3,00

 

 

2,9

 

2,6

 

 

3,20

 

 

5,0

42,4

3,6

 

64

5,50

 

 

7,1

 

5,0

 

 

7,90

 

 

2,9

 

2,9

 

 

3,20

 

 

5,0

48,3

4,0

 

67

5,50

 

 

7,1

 

5,6

 

 

7,90

65

76,1

2,9

 

2,6

76

 

3,20

 

 

5,0

60,3

3,6

 

70

5,50

 

 

7,1

 

5,0

 

 

7,90

 

 

2,9

 

2,9

 

 

3,20

 

 

5,0

76,1

5,0

 

76

5,50

 

 

7,1

 

7,1

 

 

7,90

 

 

3,2

 

2,9

 

 

2,20

 

 

5,6

48,3

4,0

 

73

4,00

 

 

8,0

 

5,6

 

 

5,50

 

 

3,2

 

2,9

 

 

2,20

 

 

5,6

60,3

4,0

 

76

4,00

 

 

8,0

 

5,6

 

 

5,50

80

88,9

3,2

 

2,9

86

 

2,50

 

 

5,6

76,1

5,0

 

83

4,50

 

 

8,0

 

7,1

 

 

6,20

 

 

3,2

 

3,2

 

 

2,50

 

 

5,6

88,9

5,6

 

86

4,50

 

 

8,0

 

8,0

 

 

6,20

 

 

3,6

 

2,7

 

 

3,80

 

 

6,3

60,3

4,0

 

89

6,70

 

 

8,8

 

5,6

 

 

10,00

 

 

3,6

 

2,9

 

 

4,50

 

 

6,3

76,1

5,0

 

95

7,80

 

 

8,8

 

7,1

 

 

10,00

100

114,3

3,6

 

3,2

105

 

4,50

 

 

6,3

88,9

5,6

 

98

7,80

 

 

8,8

 

8,0

 

 

10,00

 

 

3,6

 

3,6

 

 

4,50

 

 

6,3

114,3

6,3

 

105

7,80

 

 

8,8

 

8,8

 

 

10,00

 

 

4,0

 

2,9

 

 

3,40

 

 

6,3

76,1

5,0

 

108

5,30

 

 

10,0

 

7,1

 

 

16,00

 

 

4,0

 

3,2

 

 

3,40

 

 

6,3

88,9

5,6

 

111

5,30

 

 

10,0

 

8,0

 

 

16,00

125

139,7

4,0

 

3,6

124

 

3,40

 

 

6,3

114,3

6,3

 

117

5,30

 

 

10,0

 

8,8

 

 

16,00

 

 

4,0

 

4,0

 

 

3,40

 

 

6,3

139,7

6,3

 

124

5,30

 

 

10,0

 

10,0

 

 

16,00

 

 

4,5

 

3,2

 

 

9,40

 

 

7,1

88,9

5,6

 

124

16,00

 

 

11,0

 

8,0

 

 

24,00

 

 

4,5

 

3,6

 

 

9,40

 

 

7,1

114,3

6,3

 

130

16,00

 

 

11,0

 

8,8

 

 

24,00

150

168,3

4,5

 

4,0

143

 

9,40

 

 

7,1

139,7

6,3

 

137

16,00

 

 

11,0

 

10,0

 

 

24,00

 

 

4,5

 

4,5

 

 

9,40

 

 

7,1

168,3

7,1

 

143

16,00

 

 

11,0

 

11,0

 

 

24,00

 

 

6,3

 

3,6

 

 

16,00

 

 

8,0

114,3

6,3

 

156

20,00

 

 

12,5

 

8,8

 

 

43,00

 

 

6,3

 

4,0

 

 

16,00

 

 

8,0

139,7

6,3

 

162

20,00

 

 

12,5

 

10,0

 

 

43,00

200

219,1

6,3

 

4,5

178

 

16,00

 

 

8,0

168,3

7,1

 

168

20,00

 

 

12,5

 

11,0

 

 

43,00

 

 

6,3

 

6,3

 

 

23,00

 

 

8,0

219,1

8,0

 

178

29,00

 

 

12,5

 

12,5

 

 

44,00

 

 

6,3

 

4,0

 

 

33,0

 

 

10,0

139,7

6,3

 

191

52,0

 

 

6,3

 

4,5

 

 

33,0

 

 

10,0

168,3

7,1

 

194

52,0

250

273,0

6,3

 

6,3

216

 

33,0

 

 

10,0

219,1

7,1

 

203

52,0

 

 

6,3

 

6,3

 

 

33,0

 

 

10,0

273,0

10,0

 

216

52,0

 

 

7,1

 

4,5

 

 

47,00

 

 

10,0

168,3

7,1

 

219

66,00

 

 

7,1

 

6,3

 

 

47,00

 

 

10,0

219,0

8,0

 

229

66,00

300

323,9

7,1

 

6,3

254

 

47,00

 

 

10,0

273,0

8,0

 

241

66,00

 

 

7,1

 

7,1

 

 

54,00

 

 

10,0

323,9

10,0

 

254

77,00

 

 

8,0

 

6,3

 

 

 

 

 

11,0

219,1

8,0

 

248

 

 

 

8,0

 

6,3

 

 

 

 

 

11,0

273,0

10,0

 

257

-

350

355,6

8,0

 

7,1

279

 

 

 

 

11,0

323,9

10,0

 

270

 

 

 

8,0

 

8,0

 

 

68,00

 

 

11,0

355,6

11,0

 

279

94,00

 

 

8,8

 

6,3

 

 

 

 

 

12,5

273,0

10,0

 

283

 

 

 

8,8

 

7,1

 

 

-

 

 

12,5

323,9

10,0

 

295

 

400

406,4

8,8

 

8,0

305

 

 

 

 

12,5

355,6

10,0

 

 

-

 

 

8,8

 

8,8

 

305

88,00

 

 

12,5

406,4

12,5

 

 

131,00

 

 

 

323,9

7,1

 

321

 

 

 

 

355,6

8,0

 

 

 

450

457,0

10,0

355,6

11,0

343

330

-

 

 

 

406,4

8,8

 

 

 

 

 

 

457,0

10,0

 

343

 

 

 

 

355,6

8,0

 

 

 

 

 

 

406,4

8,8

 

356

 

500

508,0

11,0

457,0

10,0

381

368

 

 

 

 

508,0

11,0

 

381

 

 

 

 

406,4

8,8

 

406

 

 

 

 

457,0

10,0

 

419

 

600

610,0

12,5

508,0

11,0

432

 

-

 

 

 

610,0

12,5

 

432

 

700

711,0

 

711,0

 

521

521

 

800

813,0

 

813,0

 

597

597

 

900

914,0

-

914,0

-

673

673

 

1000

1016,0

 

1016,0

 

749

749

 

Примечание - Масса приведена для справок.

Таблица 2 - Тройники исполнения 2

Размеры в миллиметрах

DN

D

T

D1

T1

F

H

r, не менее

Масса, кг

 

 

2,5

 

 

 

 

 

0,3

40

45

4,0

-

-

40

40

 

0,4

 

 

5,0

 

 

 

 

 

0,4

 

 

3,0

 

2,5

 

 

 

0,4

 

 

4,0

45

3,0

 

 

 

0,6

 

 

5,0

 

4,0

 

 

 

0,7

50

57

3,0

 

 

50

45

 

0,4

 

 

4,0

-

-

 

 

 

0,6

 

 

5,0

 

 

 

 

5

0,7

 

 

3,5

 

2,5

 

 

 

0,8

 

 

6,0

45

4,0

 

 

 

1,4

 

 

7,0

 

5,0

 

 

 

1,6

 

 

3,5

 

3,0

 

 

 

0,8

65

76

6,0

57

5,0

65

60

 

1,4

 

 

7,0

 

5,5

 

 

 

1,6

 

 

3,5

 

 

 

 

 

0,8

 

 

6,0

-

-

 

 

 

1,4

 

 

7,0

 

 

 

 

 

1,6

 

 

3,5

 

3,0

 

 

 

1,5

 

 

6,0

57

4,0

 

 

 

2,0

 

 

8,0

 

5,5

 

 

 

2,7

 

 

3,5

 

3,5

 

 

 

1,5

80

89

6,0

76

6,0

80

70

 

2,0

 

 

8,0

 

7,0

 

 

 

2,7

 

 

3,5

 

 

 

 

 

1,5

 

 

6,0

-

-

 

 

 

2,0

 

 

8,0

 

 

 

 

 

2,7

 

 

4,0

 

3,5

 

 

 

2,2

 

 

6,0

 

5,0

 

 

 

3,3

 

 

8,0

76

6,0

 

 

 

4,5

 

 

9,0

 

7,0

 

 

5

4,9

 

 

4,0

 

4,0

 

 

 

2,2

100

108

6,0

 

6,0

100

80

 

3,3

 

 

8,0

89

8,0

 

 

 

4,5

 

 

9,0

 

8,0

 

 

 

4,9

 

 

4,0

 

 

 

 

 

2,2

 

 

6,0

 

 

 

 

 

3,3

 

 

8,0

-

-

 

 

 

4,5

 

 

9,0

 

 

 

 

 

4,9

 

 

4,0

 

3,5

 

 

 

2,9

 

 

6,0

 

5,0

 

 

 

4,1

 

 

8,0

89

6,0

 

 

 

5,9

 

 

10,0

 

8,0

 

 

 

6,8

 

 

12,0

 

9,0

 

 

 

8,0

 

 

4,0

 

4,0

 

 

6

2,9

 

 

6,0

 

5,0

 

 

 

4,1

125

133

8,0

108

6,0

110

95

 

5,9

 

 

10,0

 

9,0

 

 

 

6,8

 

 

12,0

 

10,0

 

 

 

8,0

 

 

4,0

 

 

 

 

 

2,9

 

 

6,0

 

 

 

 

 

4,1

 

 

8,0

-

-

 

 

 

5,9

 

 

10,0

 

 

 

 

 

6,8

 

 

12,0

 

 

 

 

 

8,0

 

 

4,5

 

4,0

 

 

 

4,8

 

 

6,0

 

5,0

 

 

 

6,6

 

 

8,0

108

6,0

 

 

 

9,0

 

 

10,0

 

9,0

 

 

 

10,1

 

 

12,0

 

10,0

 

 

8

12,2

 

 

4,5

 

4,0

 

 

 

4,8

150

159

6,0

 

5,0

130

110

 

6,6

 

 

8,0

133

6,0

 

 

 

9,0

 

 

10,0

 

10,0

 

 

 

10,1

 

 

12,0

 

12,0

 

 

 

12,2

 

 

4,5

 

 

 

 

 

4,8

 

 

6,0

 

 

 

 

 

6,6

 

 

8,0

-

-

 

 

 

9,0

 

 

10,0

 

 

 

 

 

10,1

 

 

12,0

 

 

 

 

 

12,2

 

 

6,0

 

5,0

 

 

 

10,2

 

 

8,0

 

6,0

 

 

 

13,8

 

 

10,0

133

8,0

 

 

 

16,8

 

 

12,0

 

10,0

 

 

 

19,9

 

 

16,0

 

16,0

 

 

 

26,6

 

 

6,0

 

6,0

 

 

 

10,2

200

219

8,0

 

6,0

160

140

10

13,8

 

 

10,0

159

8,0

 

 

 

16,8

 

 

12,0

 

11,0

 

 

 

19,9

 

 

16,0

 

12,0

 

 

 

26,6

 

 

6,0

 

 

 

 

 

10,2

 

 

8,0

 

 

 

 

 

13,8

 

 

10,0

-

-

 

 

 

16,8

 

 

12,0

 

 

 

 

 

19,9

 

 

16,0

 

 

 

 

 

26,6

 

 

7,0

 

4,5

 

 

 

18,4

 

 

10,0

 

6,0

 

 

 

26,0

 

 

12,0

159

8,0

 

 

 

31,2

 

 

16,0

 

11,0

 

 

 

41,6

 

 

18,0

 

12,0

 

 

 

46,8

 

 

7,0

 

6,0

 

 

 

18,4

250

273

10,0

 

8,0

190

175

12

26,0

 

 

12,0

219

10,0

 

 

 

31,2

 

 

16,0

 

12,0

 

 

 

41,6

 

 

18,0

 

16,0

 

 

 

46,8

 

 

7,0

 

 

 

 

 

18,4

 

 

10,0

 

 

 

 

 

26,0

 

 

12,0

-

-

 

 

 

31,2

 

 

16,0

 

 

 

 

 

41,6

 

 

18,0

 

 

 

 

 

46,8

 

 

8,0

 

6,0

 

 

 

27,4

 

 

10,0

 

8,0

 

 

 

34,2

 

 

12,0

219

10,0

 

 

 

41,1

 

 

16,0

 

12,0

 

 

 

54,8

 

 

22,0

 

16,0

 

 

 

75,3

 

 

8,0

 

7,0

 

 

 

27,4

300

325

10,0

 

10,0

220

200

15

34,2

 

 

12,0

273

12,0

 

 

 

41,1

 

 

16,0

 

16,0

 

 

 

54,8

 

 

22,0

 

18,0

 

 

 

75,3

 

 

8,0

 

 

 

 

 

27,4

 

 

10,0

 

 

 

 

 

34,2

 

 

12,0

-

-

 

 

 

41,1

 

 

16,0

 

 

 

 

 

54,8

 

 

22,0

 

 

 

 

 

75,3

 

 

10,0

 

7,0

 

 

 

46,0

 

 

12,0

 

10,0

 

 

 

55,2

 

 

16,0

273

12,0

 

 

 

73,6

 

 

20,0

 

16,0

 

 

 

92,0

 

 

10,0

 

8,0

 

 

 

46,0

 

 

12,0

 

10,0

 

 

 

55,2

350

377

16,0

325

16,0

240

225

15

73,6

 

 

20,0

 

18,0

 

 

 

92,0

 

 

10,0

 

 

 

 

 

46,0

 

 

12,0

 

 

 

 

 

55,2

 

 

16,0

-

-

 

 

 

73,6

 

 

20,0

 

 

 

 

 

92,0

 

 

10,0

 

8,0

 

 

 

55,5

 

 

12,0

 

10,0

 

 

 

66,6

 

 

16,0

325

12,0

 

 

 

88,8

 

 

18,0

 

16,0

 

 

 

100,0

 

 

10,0

 

10,0

 

 

 

55,5

400

426

12,0

 

12,0

270

250

18

66,6

 

 

16,0

377

16,0

 

 

 

88,8

 

 

18,0

 

18,0

 

 

 

100,0

 

 

10,0

 

 

 

 

 

55,5

 

 

12,0

 

 

 

 

 

66,6

 

 

16,0

-

-

 

 

 

88,8

 

 

18,0

 

 

 

 

 

100,0

 

 

2,0

 

 

 

 

3

0,2

15

20

3,0

-

-

25

15

0,2

 

 

4,0

 

 

 

 

0,3

20

25

2,0

 

2,0

29

20

0,3

3,0

20

3,0

0,3

4,0

 

4,0

0,4

2,0

 

 

0,3

3,0

-

-

0,3

4,0

 

 

0,4

25

32

2,0

 

2,0

38

25

0,3

3,0

20

3,0

0,4

4,0

 

4,0

0,4

2,0

 

2,0

0,3

3,0

25

3,0

0,4

4,0

 

4,0

0,4

2,0

 

 

0,3

3,0

-

-

0,4

4,0

 

 

0,4

32

38

2,0

 

2,0

32

32

4

0,3

3,0

20

3,0

0,4

4,0

 

4,0

0,4

2,0

 

2,0

0,3

3,0

25

3,0

0,4

4,0

 

4,0

0,4

2,0

 

2,0

0,3

3,0

32

3,0

0,4

4,0

 

4,0

0,4

2,0

 

 

0,3

3,0

-

-

0,4

4,0

 

 

0,4

100

114

4,0

76

4,0

100

90

5

3,0

5,0

5,0

3,7

6,0

6,0

4,4

9,0

7,0

6,5

4,0

89

4,0

3,0

5,0

5,0

3,7

6,0

6,0

4,4

9,0

8,0

6,5

4,0

-

4,0

3,0

5,0

5,0

3,7

6,0

6,0

4,4

9,0

9,0

6,5

Примечания

1. Масса приведена для справок.

2. Масса соответствует тройникам, изготовляемым из труб с размерами D и T гидроштамповкой. При изготовлении другими способами и (или) из других заготовок массу устанавливает изготовитель.

(Измененная редакция. Изм. № 1)

Примеры условных обозначений:

- переходного тройника исполнения 1, D = 60,3 мм, Т = 2,9 мм, D1 = 48,3 мм, Т1 = 2,6 мм из стали марки TS9:

Тройник 1-60,3 ´ 2,9-48,3 ´ 2,6-TS9 ГОСТ 17376-2001

- равнопроходного тройника исполнения 2, D = 76 мм, Т = 7,0 мм из стали марки 20:

Тройник 76 ´ 7 ГОСТ 17376-2001

- то же, с Тв = 10 мм, из стали 09Г2С для трубопроводов, подконтрольных органам надзора:

Тройник П 76 ´ 7/10-09Г2С ГОСТ 17376-2001

4.2. По согласованию между потребителем (заказчиком) и изготовителем допускается изготавливать тройники других размеров.

4.3. Допускается изготовление тройников с увеличенной толщиной стенки Тв в зоне сопряжения магистрали и ответвления и других неторцевых сечений.

5. Технические условия

Технические условия - по ГОСТ 17380.

 

 

Ключевые слова: трубопроводы, детали трубопроводов, трубопроводные тройники, конструкция, размеры.