ТРУБЫ МЕТАЛЛИЧЕСКИЕ
И СОЕДИНИТЕЛЬНЫЕ ЧАСТИ
К НИМ

Часть 4

ТРУБЫ ИЗ ЧЕРНЫХ МЕТАЛЛОВ И СПЛАВОВ

ЛИТЫЕ И СОЕДИНИТЕЛЬНЫЕ ЧАСТИ К НИМ.
ОСНОВНЫЕ РАЗМЕРЫ.

МЕТОДЫ ТЕХНОЛОГИЧЕСКИХ ИСПЫТАНИЙ ТРУБ

ГОСТ 8956-75*

Москва

ИПК ИЗДАТЕЛЬСТВО СТАНДАРТОВ

1998

ГОСУДАРСТВЕННЫЙ СТАНДАРТ СОЮЗА ССР

СОЕДИНИТЕЛЬНЫЕ ЧАСТИ ИЗ КОВКОГО ЧУГУНА

 С ЦИЛИНДРИЧЕСКОЙ РЕЗЬБОЙ ДЛЯ ТРУБОПРОВОДОВ.

 МУФТЫ КОМПЕНСИРУЮЩИЕ

Основные размеры

Ductile iron fittings with parallel thread for pipelines.
Compensation sockets. Basic dimensions

ГОСТ
8956-75*

Взамен
ГОСТ 8956-59

Постановлением Государственного комитета стандартов Совета Министров СССР от 14.11.75 № 2901 дата введения установлена

01.01.77

Ограничение срока действия снято по протоколу Межгосударственного Совета по стандартизации, метрологии и сертификации (ИУС 2-93)

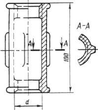
1. Основные размеры муфты должны соответствовать указанным на чертеже и в таблице.

Примечание. Чертеж не определяет конструкцию муфты.

Размеры в мм

Условный проход Dy

Резьба d

Число ребер

Масса без покрытия, кг, не более*

15

G 1/2 - В

2

0,175

20

G 3/4 - В

2

0,236

25

G 1 - В

4

0,342

32

G 11/4 - В

4

0,462

40

G 1/2 - В

4

0,582

50

G 2 - В

6

0,832

* Для справок.

Примечание. Масса оцинкованных соединительных частей не должна превышать массу неоцинкованных более чем на 5 %.

Примеры условных обозначений

Компенсирующей муфты без покрытий с Dy 40 мм:

Муфта компенсирующая 40 ГОСТ 8956-75

То же, с цинковым покрытием:

Муфта компенсирующая Ц-40 ГОСТ 8956-75

(Измененная редакция, Изм. № 1).

2. Конструктивные размеры и технические требования - по ГОСТ 8944-75.