ГОСТ Р МЭК 60081-99
ГОСУДАРСТВЕННЫЙ СТАНДАРТ РОССИЙСКОЙ ФЕДЕРАЦИИ |
ЛАМПЫ ЛЮМИНЕСЦЕНТНЫЕ ДВУХЦОКОЛЬНЫЕ
Эксплуатационные требования
СОДЕРЖАНИЕ
1 РАЗРАБОТАН И ВНЕСЕН Всероссийским научно-исследовательским институтом источников света имени А.Н. Лодыгина (ОАО «Лисма - ВНИИИС»)
2. ПРИНЯТ И ВВЕДЕН В ДЕЙСТВИЕ Постановлением Госстандарта России от 30 сентября 1999 г. № 318-ст
3. Настоящий стандарт представляет собой аутентичный текст международного стандарта МЭК 60081-97 «Лампы люминесцентные двухцокольные. Эксплуатационные требования»
4. ВВЕДЕН ВПЕРВЫЕ
ГОСТ Р МЭК 60081-99
ЛАМПЫ ЛЮМИНЕСЦЕНТНЫЕ ДВУХЦОКОЛЬНЫЕ Эксплуатационные требования Double-capped fluorescent lamps. Performance requirements |
Дата введения 2001-01-01
Настоящий стандарт распространяется на лампы люминесцентные двухцокольные для общего освещения и устанавливает эксплуатационные требования к ним.
Испытания по настоящему стандарту являются типовыми. Правила приемки, включая методы статистической оценки, находятся в стадии рассмотрения.
Стандарт предусматривает следующие группы ламп и способы их работы:
а) лампы с предварительным подогревом катодов, предназначенные для работы на сетевых частотах переменного тока со стартером, а также на высокой частоте (далее - ВЧ);
б) лампы с предварительным подогревом высокоомных катодов, предназначенные для работы на сетевых частотах переменного тока без стартера (бесстартерные), а также на ВЧ;
в) лампы с предварительным подогревом низкоомных катодов, предназначенные для работы на сетевых частотах переменного тока без стартера (бесстартерные), а также на ВЧ;
г) лампы с предварительным подогревом катодов, предназначенные для работы на ВЧ;
д) лампы без предварительного подогрева катодов, предназначенные для работы на сетевых частотах переменного тока;
ж) лампы без предварительного подогрева катодов, предназначенные для работы на ВЧ.
Лампы, удовлетворяющие настоящему стандарту, должны зажигаться и удовлетворительно функционировать при напряжениях от 92 до 106 % расчетного питающего напряжения и температуре окружающей среды от 10 до 50°С, когда они работают с пускорегулирующим аппаратом (ПРА) согласно МЭК 60921 или МЭК 60929, стартером по МЭК 60155 или МЭК 60927 в светильнике, соответствующем МЭК 60598.
Настоящий стандарт содержит положения нижеследующих нормативных документов, на которые даны ссылки.
На дату опубликования настоящего стандарта указанные нормативные документы были действующими.
Все нормативные документы подвергаются пересмотру и частичным согласованным изменениям, поэтому необходимо учитывать возможность применения для настоящего стандарта более поздних изданий нормативных документов, указанных ниже. Члены МЭК и ИСО ведут регистрацию действующих международных стандартов.
МЭК 60050 (845) (1987) Международный электротехнический словарь (МЭС). Глава 845. Освещение
МЭК 60061-1 (1969)* Цоколи и патроны ламп, а также калибры для проверки их взаимозаменяемости и безопасности. Часть 1. Цоколи ламп
МЭК 60155 (1993)* Стартеры тлеющего разряда для люминесцентных ламп
МЭК 60598 (все части) Светильники
МЭК 60921 (1968)* Аппараты пускорегулирующие для трубчатых люминесцентных ламп. Требования к рабочим характеристикам
МЭК 60927 (1996)* Устройства вспомогательные для ламп. Зажигающие устройства (кроме стартеров тлеющего разряда). Требования к рабочим характеристикам
МЭК 60929 (1990)* Аппараты пускорегулирующие электронные переменного тока для трубчатых люминесцентных ламп. Требования к рабочим характеристикам
МЭК 61049 (1991) Конденсаторы для использования в схемах трубчатых люминесцентных и других разрядных ламп. Требования к рабочим характеристикам
МЭК 61195 (1993)* Лампы люминесцентные двухцокольные. Требования безопасности
МЭК 61231 (1995) Международная система обозначений ламп (МСОЛ)
* Соответствие стандартов МЭК государственным стандартам указано в приложении G.
В дополнение к определениям по МЭК 60050 (845) в настоящем стандарте используют следующие определения:
1.4.1 люминесцентная лампа: Разрядная ртутная лампа низкого давления, в которой главным образом свет излучается одним или несколькими слоями люминофора, возбуждаемого ультрафиолетовым излучением разряда [МЭС 845-07-26, измененный].
1.4.2 лампа люминесцентная двухцокольная: Люминесцентная лампа как правило трубчатой прямолинейной формы с двумя отдельными цоколями.
1.4.3 номинальное значение: Величина, используемая для обозначения или идентификации лампы.
1.4.4 расчетное значение: Количественное значение параметров лампы при заданных рабочих условиях. Значение и условия приведены в настоящем стандарте или объявлены изготовителем или ответственным поставщиком.
1.4.5 стабильность светового потока: Отношение светового потока лампы после определенного времени продолжительности горения к ее начальному световому потоку, выраженное в процентах.
1.4.6 начальные значения: Характеристики зажигания лампы, измеренные до отжига, электрические и световые параметры и характеристики катода, измеренные после отжига в течение 100 ч.
1.4.7 зажигающее вспомогательное устройство (далее - ЗВУ): Проводящая полоса, закрепленная на внешней поверхности лампы, или проводящая пластинка, расположенная на соответствующем расстоянии от лампы. Зажигающее вспомогательное устройство обычно заземляется и может быть эффективно только тогда, когда имеет достаточную разницу потенциалов с одним из концов лампы.
1.4.8 образцовый ПРА: Специальный ПРА, индуктивный для ламп, работающих на сетевых частотах переменного тока, или резисторный для ламп, работающих на ВЧ, является эталоном для испытания других ПРА и применяется при отборе номинальных ламп для измерения электрических и световых параметров. Главная особенность его состоит в том, что при его расчетной частоте он имеет стабильное отношение напряжения к току, которое мало зависит от колебаний тока, температуры и от внешних магнитных полей, как указано в соответствующем стандарте на ПРА МЭК [845-08-36, измененный].
1.4.9 ток калибровки образцового ПРА: Значение тока, на котором основаны калибровка и проверка образцового ПРА.
1.4.10 типовые испытания: Испытание или серия испытаний, проведенное на выборке для типовых испытаний с целью проверки соответствия конструкции данного изделия требованиям соответствующего стандарта.
1.4.11 выборка для типовых испытаний: Выборка, состоящая из одной или нескольких одинаковых единиц, представленная изготовителем или ответственным поставщиком для типовых испытаний.
1.5.1 Общие положения
Лампа, соответствующая требованиям настоящего стандарта, должна удовлетворять требованиям МЭК 61195.
Лампа должна быть надежной при нормальной ее эксплуатации. Это обеспечивается соответствием ламп требованиям нижеследующих пунктов.
Примечание - Требования и допуски, установленные настоящим стандартом, основаны на испытании выборки для типовых испытаний, представленной изготовителем для этой цели. Выборка должна состоять из ламп, имеющих характеристики, типичные для продукции изготовителя, которые по возможности должны быть ближе к средним их значениям. Можно ожидать, что большая часть ламп с допусками по настоящему стандарту будет удовлетворять стандарту, если они изготовлены аналогично лампам выборки для типовых испытаний. Некоторые параметры из-за их разброса неизбежно окажутся вне заданных допусков. Руководство по правилам и планам выборочного контроля по качественным признакам см. МЭК 60410.
1.5.2 Цоколи
Размеры цоколей на готовых лампах должны соответствовать МЭК 60061 -1.
а) Для ламп с цоколями G5 или G13: штырьки (включая буртики) цоколей на готовой лампе должны проходить одновременно и свободно через параллельные, продольно расположенные пазы шириной 2,87 мм (для цоколей G5) и 3,05 мм (для цоколей G13).
б) Для ламп с цоколями R17d: выступы цоколей на готовой лампе должны одновременно и свободно проходить через параллельные, продольно расположенные пазы, каждый из которых глубиной 6,35 мм и шириной 9,22 мм. Дно паза должно находиться против концов выступов.
1.5.3 Размеры
Размеры лампы должны удовлетворять значениям, указанным в соответствующем листе с параметрами лампы (далее - лист).
1.5.4 Характеристики зажигания
Лампа должна зажигаться полностью в течение времени, указанного в соответствующем листе, и оставаться зажженной. Условия и метод испытания приведены в приложении А.
1.5.5 Электрические параметры и характеристики катода
а) Начальное значение напряжения на лампе должно удовлетворять значениям, указанным в соответствующем листе.
б) Начальное значение мощности, потребляемой лампой, не должно превышать расчетную мощность, указанную в соответствующем листе, более чем на 5 % ±0,5 Вт.
Примечание - Мощность катода из-за дополнительного нагрева не включают в расчетную мощность лампы, если иное не указано в листе.
в) Для лампы с предварительным подогревом катодов, работающей на сетевых частотах переменного тока в бесстартерных схемах, начальное значение сопротивления каждого катода должно быть не менее наименьшего значения, указанного в соответствующем листе.
г) Для лампы с предварительным подогревом катодов для работы на ВЧ начальное значение сопротивления каждого катода должно удовлетворять значениям, указанным в соответствующем листе.
Условия и метод испытания приведены в приложении В.
1.5.6 Световые параметры
а) Начальное значение светового потока лампы должно быть не менее 92 % расчетного значения.
б) начальное значение координат цветности х и у лампы должно быть в пределах 5 СОЦС (стандартное отклонение цвета сравнения) от расчетных значений.
Примечание - См. также приложение D.
в) Начальное значение общего индекса цветопередачи Ra лампы должно быть не менее расчетного значения, уменьшенного на три единицы. Условия и метод испытания приведены в приложении В.
1.5.7 Стабильность светового потока
Стабильность светового потока лампы должна быть не менее 92 % (находится в стадии рассмотрения) значения расчетной стабильности светового потока в заданное время ее продолжительности горения.
Условия и метод испытания приведены в приложении С.
1.5.8 Маркировка
На лампе должны быть нанесены следующие данные:
а) номинальная мощность или ток.
Примечание - При необходимости для более точного отличия следует приводить дополнительную информацию (например, номинальные размеры лампы в миллиметрах);
б) обозначения, определяющие электрические и световые параметры ламп, объявленные изготовителем или ответственным поставщиком.
Информация по расчету ПРА и стартера приведена в соответствующем листе и приложении Е.
Информация по расчету светильника приведена в приложении F.
А.1 Общие положения
Испытания должны проводиться при условии отсутствия сквозняков, температуре окружающей среды от 20 до 27°С и относительной влажности не более 65 %.
Вблизи ламп не должно быть лишних металлических частей и проводов, за исключением ЗВУ.
До испытания на зажигание лампы должны находиться в нерабочем состоянии при температуре окружающей среды от 20 до 27°С и относительной влажности не более 65 % в течение не менее 24 ч.
А.2 Лампы с предварительным подогревом катодов для работы на сетевых частотах переменного тока со стартером
А.2.1 Схема испытания
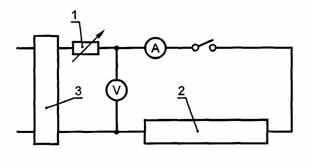
Лампы должны испытываться с источником питания 50 или 60 Гц по схеме на рисунке А.1.
А.2.2 ПРА
Используемый ПРА должен быть индуктивного типа, если не указано иное в соответствующем листе, и удовлетворять требованиям МЭК 60921. Его расчетные характеристики должны удовлетворять указанным в соответствующем листе. Если задается емкостная схема, то дополнительно используемый конденсатор должен удовлетворять требованиям МЭК 61049.
Когда ПРА при его расчетном напряжении соединен с контрольной лампой, тогда ее мощность не должна отличаться от расчетного значения более чем на 4 %. Контрольной лампой является такая, напряжение на которой не должно отличаться более чем на 2 % от расчетного значения при работе с образцовым ПРА.
Ток предварительного подогрева, измеренный при 90 % расчетного напряжения ПРА, должен составлять от 1,1 до 1,2 расчетного тока лампы. Для получения значения тока предварительного подогрева в этом диапазоне может потребоваться специальный отбор из коммерческих ПРА или ПРА, рассчитанных и изготовленных для этой заданной цели. Допускается для уменьшения тока предварительного подогрева до значений диапазона применение дополнительного сопротивления, включаемого последовательно со стартером.
Примечание - В некоторых случаях ПРА может содержать автотрансформатор, повышающий (или понижающий) напряжение до соответствующего значения для зажигания и работы лампы.
А.2.3 Стартер
Стартер тлеющего разряда должен удовлетворять требованиям МЭК 60155, и его тип должен быть согласован с изготовителем лампы или ответственным поставщиком.
А.2.4 Испытательное напряжение
Испытательное напряжение, приложенное к схеме, должно соответствовать указанному в листе.
А.3 Лампы с предварительным подогревом катодов для работы на сетевых частотах переменного тока без стартера (бесстартерные)
А.3.1 Схема испытания
Лампы должны испытываться с источником питания 50 или 60 Гц по схеме на рисунке А.2.
А.3.2 ПРА
Используемый ПРА должен быть индуктивного типа и удовлетворять требованиям МЭК 60921. Его расчетные характеристики должны быть такими, как указано в соответствующем листе.
Когда ПРА при его расчетном напряжении соединен с контрольной лампой, ее мощность не должна отличаться от расчетного значения более чем на 4 %. Контрольной лампой является такая, напряжение на которой не должно отличаться более чем на 2 % от расчетного значения при работе с образцовым ПРА.
1. В некоторых случаях ПРА может содержать автотрансформатор, повышающий (или понижающий) напряжение до соответствующего значения для зажигания и работы лампы.
2. Может потребоваться заземление схемы, как показано на рисунке А.2, чтобы питать ее через изолирующий трансформатор.
А.3.3 Зажигающее вспомогательное устройство
ЗВУ - металлическая пластинка, которая должна быть заземлена совместно с одним из катодов лампы. Ее длина должна быть не менее длины испытуемой лампы, а ширина должна быть 25 мм для ламп диаметром 16 и 40 мм - для ламп диаметром 26 и 38 мм. Расстояние между поверхностью лампы и ЗВУ должно быть таким, как указано в соответствующем листе.
Необходимость применения внешнего ЗВУ и заземления определяет изготовитель или ответственный поставщик. Если для ламп не требуется ЗВУ, металлическая пластинка должна быть изъята.
А.3.4 Испытательные напряжения
Напряжение цепи подогрева, которое должно быть приложено к зажимам катода, и напряжение холостого хода на зажимах лампы для испытания на зажигание должны быть такими, как указано в соответствующем листе.
Примечание - Напряжения, указанные для испытания на зажигание, выбирают прежде всего для воспроизведения результатов испытания, и нет необходимости приспосабливать их к конструкции ПРА.
Напряжения сетевой цепи и цепей подогрева должны прикладываться одновременно.
Напряжение, приложенное к цепям подогрева катодов, не должно увеличивать напряжение сетевой цепи. Две цепи должны быть присоединены к одной и той же фазе источника питания.
Два трансформатора для подогрева катодов могут быть заменены одним с изолированными вторичными обмотками. Трансформатор(ы) должен(ны) быть таким(ми), чтобы напряжение не изменялось более чем на 2 %, когда присоединяется максимальная катодная нагрузка.
Если лампа не зажигается при заданном напряжении холостого хода, то напряжение постепенно повышают до не более 110 % испытательного значения. Если лампа при этом не зажигается, то ее бракуют. Если лампа зажигается, то она должна работать 30 мин при расчетном напряжении, и после выдержки в нерабочем состоянии в течение 24 ч. она должна быть снова подвергнута нормальному испытанию.
А.4 Лампы без предварительного подогрева катодов для работы на сетевых частотах переменного тока
А.4.1 Схема испытания
Лампы должны испытываться с источником питания 50 или 60 Гц по схеме на рисунке А.3.
А.4.2 ПРА
Используемый ПРА должен быть индуктивного типа и удовлетворять требованиям МЭК 60921. Он должен иметь необходимое напряжение холостого хода.
А.4.3 Испытательное напряжение
Напряжение холостого хода на зажимах лампы для испытания на зажигание должно быть таким, как указано в соответствующем листе.
Примечание - Напряжения, указанные для испытания на зажигание, выбираются прежде всего для воспроизведения результатов испытания, и нет необходимости приспосабливать их к конструкции ПРА.
Если лампа не зажигается при заданном напряжении холостого хода, то напряжение постепенно повышают до значения не более 125 % расчетного. Если лампа после этого все еще не зажигается, то ее бракуют. Если лампа зажигается, то она должна работать 50 мин. при расчетном напряжении, и после выдержки в нерабочем состоянии в течение 24 ч. должна быть снова подвергнута нормальному испытанию.
А.5 Лампы для работы на ВЧ
А.5.1 Схема испытания
Лампы должны испытываться с источником питания переменного тока частоты от 20 до 26 кГц, если не указано иное в соответствующем листе, по схемам, приведенным на рисунках:
- А.4 для ламп с предварительным подогревом катодов;
- А.5 для ламп без предварительного подогрева катодов.
Примечание - Диапазон частоты, заданный для этого испытания, не следует связывать с конструкцией ПРА (см. также приложение Е).
А.5.2 Резистор
Резистор должен быть отрегулирован так, чтобы высокочастотный ток лампы равнялся значению, приведенному в соответствующем листе.
А.5.3 ЗВУ
Для ламп с предварительным подогревом катодов ЗВУ - металлическая пластинка, которая должна быть заземлена совместно с одним из катодов лампы. Ее длина должна быть не менее длины испытуемой лампы, а ширина должна быть 25 мм для ламп диаметром 16 и 40 мм - для ламп диаметром 26 и 38 мм. Расстояние между поверхностью лампы и ЗВУ должно быть таким, как указано в соответствующем листе.
Изготовитель или ответственный поставщик должен указать о необходимости применения внешнего ЗВУ и заземления одного из катодов. Если лампам не требуется отдельное ЗВУ, металлическая пластинка должна быть изъята.
А.5.4 Испытательное напряжение и ток
Ток предварительного подогрева катодов, указанный в соответствующем листе, устанавливается источниками питания для подогрева катодов. В течение времени предварительного подогрева, указанного в соответствующем листе, выключатель S1 должен быть разомкнут, а выключатели S2 замкнуты. После этого периода времени выключатели S2 размыкают одновременно с замыканием выключателя S1.
Напряжение холостого хода, приложенное к цепи, должно быть таким, как указано в соответствующем листе.
1 - ПРА; 2 - стартер; 3 - лампа
Рисунок А.1 - Схема испытания на зажигание со стартером
1 - лампа; 2 - трансформатор; 3 - ЗВУ; 4 - ПРА
Рисунок А.2 - Схема испытания на зажигание ламп с предварительным подогревом катодов для работы в бесстартерных схемах
1 - ПРА; 2 - лампа
Рисунок А.3 - Схема испытания на зажигание ламп без предварительного подогрева катодов
1 - резистор;2 - лампа; 3 - ЗВУ; 4 - ВЧ генератор
Рисунок А.4 - Схема испытания на зажигание ламп с предварительным подогревом катодов для работы на ВЧ
1 - резистор; 2 - лампа; 3 - ВЧ генератор
Рисунок А.5 - Схема испытания на зажигание ламп без предварительного подогрева катодов для работы на ВЧ
В.1 Электрические и световые параметры ламп без дополнительного подогрева катодов
В.1.1 Общие положения
Световые параметры должны измеряться в соответствии с рекомендациями МКО (Международная комиссия по освещению).
Перед измерениями лампы должны подвергаться отжигу в течение 100 ч. нормальной работы.
Измерения должны проводиться после периода стабилизации лампы. Период стабилизации приблизительно 15 мин.
Примечание - Если лампа поступает со стенда на испытательную установку, то перед началом измерений необходим дополнительный период стабилизации. Перерыв в питании лампы должен быть как можно короче, а дополнительный период стабилизации должен составлять не менее 5 мин.
Лампы должны испытываться в горизонтальном положении.
Соединения контактов лампы с зажимами ПРА не должны меняться во время испытаний. Для ламп с цоколями, имеющими два штырька или контакта, принята следующая схема:
х - контакты, подключаемые к источнику питания.
Лампы должны испытываться в условиях отсутствия сквозняков, при температуре окружающей среды (25 ±1)°С, если иное не указано в соответствующем листе.
При измерении в фотометрическом шаре за окружающую температуру принимают температуру воздуха в следующих местах фотометрического шара:
- на расстоянии, равном не менее 10 % номинального диаметра шара от трубки-колбы;
- на расстоянии от стенки шара, равном не менее одной шестой его номинального диаметра;
- на уровне центра лампы.
При испытании в шаре должна поддерживаться равномерная температура. В горизонтальной плоскости, проходящей через центр лампы, за исключением непосредственной близости к стенке лампы, требуется равномерная температура с допуском ±1°С. Необходимо уделять особое внимание, если шар включает в себя систему нагрева.
Температуру обычно измеряют термопреобразователем или термистором, которые должны быть защищены от излучения небольшим экраном.
В.1.2 Схема испытания
Лампы должны испытываться по схемам, приведенным на рисунках:
- В.1 для ламп с предварительным подогревом катодов;
- В.2 для ламп без предварительного подогрева катодов;
- В.3 для ламп, предназначенных для работы на ВЧ.
До проведения измерений любое устройство, используемое для зажигания лампы, должно быть отсоединено от испытательной цепи.
В испытательной схеме, приведенной на рисунке В.5 для ламп, предназначенных для работы на ВЧ, соединения должны быть короче и прямее, насколько возможно, во избежание паразитной емкости, которая не должна быть более 1 нФ.
В.1.3 П РА
Для этих испытаний должны использоваться образцовые ПРА по МЭК 60921 для сетевых частот переменного тока или по МЭК 60929 для ВЧ. Электрические параметры образцовых ПРА должны быть такими, как указано в соответствующем листе.
В.1.4 Питающее напряжение
Питающее напряжение должно быть равно расчетному напряжению образцового ПРА. При стабилизации питающее напряжение должно быть стабильным с допуском +0,5 % (допускается до 0,2 % при измерении).
Для сетевых частот переменного тока частота должна быть равна расчетной частоте образцового ПРА с допуском 0,5 %. Для высокочастотных источников питания частота должна быть от 20 до 26 кГц, если не указано иное в соответствующем листе.
Примечание - Диапазон частоты, указанный для этого испытания лампы, не следует увязывать с конструкцией ПРА, см. также приложение Е.
Форма кривой питающего напряжения должна быть синусоидальной. Полная гармоническая составляющая не должна превышать 3 % основной (для высокочастотных источников питания это значение находится в стадии рассмотрения). Полную гармоническую составляющую определяют как среднее квадратичное суммы отдельных гармонических составляющих, принимая основную за 100 %.
Примечание - Имеется ввиду, что источник питания имеет достаточную мощность, а цепь источника питания имеет достаточно низкое полное сопротивление, сравнимое с полным сопротивлением ПРА. Необходимо следить, чтобы это соблюдалось при всех условиях, возможных при измерении.
В.1.5 Электрические приборы
Приборы должны показывать действующие значения, не искажать форму волны и быть пригодными для работы на соответствующей частоте.
Цепь измерения напряжения приборов должна иметь полное сопротивление не менее 100 кОм и должна отключаться, когда не используется. Цепь измерения тока приборов должна иметь наименьшее возможное сопротивление и при необходимости закорачиваться, если не используется.
При измерении мощности лампы не делается поправка на потребление мощности ваттметром (цепь соединяется на ламповой стороне цепи измерения тока).
При измерении светового потока цепь измерения напряжения вольтметра и ваттметра должна быть разомкнута.
В.2 Электрические и световые параметры ламп с дополнительным подогревом катодов
В.2.1 Общие положения
Для ламп с низкоомными катодами предварительного подогрева для работы в бесстартерных схемах на 60 Гц параметры должны измеряться также с дополнительным подогревом катодов при работе.
Условия и метод испытания - по В.1, за исключением схемы испытания.
Для ламп, измеренных по настоящему методу, за мощность лампы принимают суммарную мощность, получаемую через образцовый ПРА (измеренную в условной части цепи), и мощность, используемую для нагрева катодов (мощность, измеренная на входной стороне трансформаторов для нагрева катодов, за вычетом потерь в трансформаторе, определенных как указано в В.2.4).
В.2.2 Схема испытания
Лампы должны испытываться по схеме на рисунке В.4.
Напряжение источника питания А - это напряжение образцового ПРА и измеряемой лампы. Напряжение источника питания В должно подаваться отдельно, чтобы его можно было регулировать и контролировать независимо от источника питания А. Напряжения питания А и В должны подаваться от одного источника питания, и не должны - от разных фаз многофазного источника питания.
Напряжение на первичной обмотке трансформаторов низкого напряжения, используемых для нагрева катодов, должно регулироваться для получения необходимого выходного напряжения. Трансформаторы катодов должны присоединяться так, чтобы их напряжение не влияло на напряжение цепи ПРА.
В.2.3 Трансформаторы для подогрева катодов
Два трансформатора для подогрева катодов (или один трансформатор с двумя вторичными обмотками) должны иметь значение тока, в несколько раз превышающий требуемый фактический ток. Они также должны иметь низкие потери, чтобы свести к минимуму любую погрешность при измерении этих потерь, влияющих на полную мощность лампы.
Базовое значение напряжение низкоомных катодов составляет 3,6 В, при этом можно использовать накальный трансформатор на 6,3 В, работающий при уменьшенном напряжении на первичной обмотке для получения на выходе 3,6 В.
В.2.4 Калибровка трансформатора для подогрева катодов
Каждый катодный трансформатор (или пара трансформаторов) должен(ны) быть откалиброван(ы) отдельно, чтобы определить потери мощности, возможные при нормальной работе.
Потери мощности зависят от тока, проходящего через каждый тип катода, которые необходимо определить один раз для данного трансформатора. Эти потери в трансформаторе должны быть учтены при измерении мощности ламп различных типов.
Необходимо проводить калибровку напряжения на каждом трансформаторе определением и установлением напряжения на первичной обмотке, чтобы получить требуемое выходное напряжение на вторичной обмотке. Такая калибровка дает возможность использовать установление напряжения на первичной обмотке для текущей работы без необходимости постоянного применения малодиапазонных вольтметров с термопреобразователями.
При калибровке каждая вторичная обмотка трансформатора должна быть присоединена к заменяющему резистору, имеющему электрические параметры, установленные для катода конкретного типа. Напряжение на первичной обмотке регулируют так, чтобы среднее значение напряжений на двух вторичных обмотках составляло 3,6 В, а затем фиксируют напряжение на первичной обмотке. Важно, чтобы эта калибровка повторялась для любого катода другого типа, с которым используется трансформатор.
Потери мощности в трансформаторе (потери в сердечнике и E2/R учитывают вместе) определяют для каждой конкретной нагрузки. Входную мощность измеряют при таком напряжении первичной обмотки, чтобы на заменяющих резисторах получить напряжение 3,6 В. Учитывая, что полная входная мощность вероятно будет менее 10 Вт, используют малодиапазонный ваттметр. Потери в трансформаторе могут быть подсчитаны как полная входная мощность без учета поправок на приборы и мощности, потребляемой заменяющими резисторами. Эта мощность в резисторах может быть подсчитана E2/R для каждой из обмоток.
Потери в трансформаторе считают постоянными для всех ламп с одинаковым сопротивлением катода, и не следует учитывать незначительные различия параметров катодов.
В.3 Характеристики катодов ламп с предварительным подогревом катодов для работы в бесстартерных схемах
В.3.1 Схема испытания
Сопротивление катода должно измеряться с использованием соответствующего источника питания постоянного или переменного тока на 50 или 60 Гц.
В.3.2 Лампы для работы на сетевых частотах переменного тока
Напряжение на зажимах катода доводят до значения испытательного напряжения, приведенного в соответствующем листе, и измеряют ток. По этим данным, без учета потребления вольтметром, определяют сопротивление катода.
В.3.3 Лампы для работы на ВЧ
Ток, проходящий через катод, доводят до значения испытательного тока, приведенного в соответствующем листе, и измеряют питающее напряжение. По этим данным, без учета напряжения амперметра, определяют сопротивление катода.
1 - образцовый ПРА; 2 - стартер; 3 - лампа
Рисунок В.1 - Схема измерения электрических и световых параметров ламп с предварительным подогревом катодов
1 - образцовый ПРА; 2 - лампа
Рисунок В.2 - Схема измерения электрических и световых параметров ламп без предварительного подогрева катодов
1 - ВЧ генератор; 2 - образцовый ПРА; 3 - лампа
Рисунок В.3 - Схема измерения электрических и световых параметров ламп для работы на ВЧ
1 - трансформатор; 2 - лампа; 3 - образцовый ПРА
Рисунок В.4 - Схема измерения электрических и световых параметров ламп с дополнительным подогревом катодов
С.1 Общие положения
Световой поток в заданное время продолжительности горения лампы измеряют согласно приложению В. Испытания на продолжительность горения ламп проводят при следующих условиях:
- температура окружающей среды от 15 до 50°С, без чрезмерных сквозняков;
- отсутствие чрезмерных вибраций и ударов;
- лампы должны работать в горизонтальном положении;
- соединения контактов ламп относительно зажимов ПРА должны оставаться неизменными в течение всех испытаний;
- лампы должны работать в схеме, для которой они предназначены изготовителем;
- лампы должны выключаться каждый раз на 15 мин после каждой работы в течение 2 ч. 45 мин.
С.2 Лампы для работы на сетевых частотах переменного тока
Используемый ПРА должен удовлетворять требованиям МЭК 60921. Для емкостных цепей дополнительно используемый конденсатор должен удовлетворять требованиям МЭК 61049.
Когда ПРА при его расчетном напряжении соединен с испытуемой лампой, ее мощность не должна отличаться от расчетного значения более чем на 4 %. Испытуемой лампой является лампа, напряжение на зажимах которой не отклоняется более чем на 2 % от расчетного значения, когда она работает с образцовым ПРА.
Примечание - Возможно применение ПРА других типов, но используемый ПРА может оказать влияние на результаты испытания. Рекомендуется установить тип используемого ПРА. При сомнении рекомендуется использовать ПРА индуктивного типа, так как он имеет наименьшее количество параметров, способных влиять на результаты.
Для ламп, работающих со стартером, ток предварительного подогрева при расчетном питающем напряжении не должен отличаться более чем на 10 % от расчетного значения, приведенного в соответствующем листе.
Для ламп, работающих со стартером, тип используемого стартера должен удовлетворять требованиям МЭК 60155 и быть согласован с изготовителем лампы или ответственным поставщиком.
При испытании на продолжительность горения испытательное напряжение и частота не должны отличаться более чем на 2 % от расчетного напряжения и частоты используемого ПРА.
С.3 Лампы для работы на ВЧ
Используемый ПРА должен удовлетворять требованиям МЭК 60929.
D.1 Общие положения
Приложение охватывает стандартизованные расчетные значения и площади допусков для координат цветности х и у, применимые для люминесцентных ламп.
Для ламп с нестандартизованными координатами цветности расчетные значения должны быть установлены изготовителем или ответственным поставщиком.
Примечание - Координаты цветности х и у заданы по МКО (1931 г.) «Стандартная колориметрическая система» (см. Публикацию 15-2 МКО)1. Площади допусков основаны на эллипсах, установленных Д.Л. МакАдамом в его статье «Спецификация малых различий цветности», опубликованной в журнале оптического общества США, том 1, № 1, 1943 г., стр. 18-26.
1) МКО 15-2: 1986 Колориметрия
Площади допусков определяются эллипсами МакАдама из 5 СОЦС (стандартное отклонение цвета сравнения). Координаты 5 СОЦС в отсутствии расчетных значений даются уравнением:
g11Δx2 + 2g12ΔxΔy + g22Δy2 = 52,
в котором х и у представляют собой отклонения от расчетных координат, в то время как коэффициенты g11, g12, g22 зависят от этих расчетных значений. Коэффициенты служат основой для подсчета Θ, а и b, где b - угол между большой осью эллипса и осью х, а и b - большая и малая полуоси эллипса 1 СОЦС.
D.2 Стандартные координаты цветности
Для стандартизованных координат цветности следующие расчетные значения х и у применимы для различных цветностей ламп (коррелированная цветовая температура TC в Кельвинах приведена как дополнительная информация):
Цветность |
TC |
x |
y |
Цветность |
TC |
x |
y |
F6500 |
6400 |
0,313 |
0,337 |
F3500 |
3450 |
0,409 |
0,394 |
F5000 |
5000 |
0,346 |
0,359 |
F3000 |
2940 |
0,440 |
0,403 |
F4000 |
4040 |
0,380 |
0,380 |
F2700 |
2720 |
0,463 |
0,420 |
Для коэффициентов g11, g12 и g22 применимы следующие значения:
Цветность |
g11 |
g12 |
g22 |
Цветность |
g11 |
g12 |
g22 |
F6500 |
86×104 |
-40×104 |
45×104 |
F3500 |
38×104 |
-20×104 |
25×104 |
F5000 |
56×104 |
-25×104 |
28×104 |
F3000 |
39×104 |
-19,5×104 |
27,5×104 |
F4000 |
39,5×104 |
-21,5×104 |
26×104 |
F2700 |
44×10 |
-18,6×104 |
27×104 |
Для коэффициентов Θ, а и b применимы следующие значения:
Цветность |
Θ |
а |
b |
Цветность |
Θ |
а |
b |
F6500 |
58° 23' |
0,00223 |
0,00095 |
F3500 |
52° 58' |
0,00317 |
0,00139 |
F5000 |
59° 37' |
0,00274 |
0,00118 |
F3000 |
53° 10' |
0,00278 |
0,00136 |
F4000 |
54° 00' |
0,00313 |
0,00134 |
F2700 |
57° 17' |
0,00258 |
0,00137 |
Площади допусков показаны на рисунках D.l - D.6 совместно с расчетными значениями, частью линии черного тела и прямыми постоянной коррелированной цветовой температуры.
D.3 Смещенные координаты цветности
Для некоторых ламп, указанных в соответствующем листе, применимы незначительно смещенные координаты цветности, но только для типов с общим индексом цветопередачи менее 80.
Используют те же площади допусков, что и приведенные в D.2, но с центрами расчетных значений, указанных в таблице:
Цветность |
x |
y |
Цветность |
x |
y |
F6500 |
0,309 |
0,337 |
F3500 |
0,403 |
0,394 |
F5000 |
0,342 |
0,359 |
F3000 |
0,433 |
0,403 |
F4000 |
0,375 |
0,380 |
F2700 |
- |
- |
Координаты центра эллипса: х = 0,313; у = 0,337
Рисунок D.1 - Площадь допусков для стандартной цветности F 6500
Координаты центра эллипса: х = 0,346; у - 0,359
Рисунок D.2 - Площадь допусков для стандартной цветности F 5000
Координаты центра эллипса: х = 0,380; у = 0,380
Рисунок D.3 - Площадь допусков для стандартной цветности F 4000
Координаты центра эллипса: х = 0,409; у = 0,394
Рисунок D.4 - Площадь допусков для стандартной цветности F 3500
Координаты центра эллипса: х = 0,440; у = 0,403
Рисунок D.5 - Площадь допусков для стандартной цветности F 3000
Координаты центра эллипса: х = 0,463; у = 0,420
Рисунок D.6 - Площадь допусков для стандартной цветности F 2700
Е. 1 Общие положения
Для обеспечения нормальной работы лампы при расчете ПРА и стартеров необходимо учитывать информацию, приведенную в соответствующем листе и настоящем приложении.
Е.2 Условия предварительного зажигания ламп, работающих на ВЧ
Для этих ламп, имеющих катоды предварительного подогрева, требования предварительного подогрева приведены в соответствующем листе. Пояснение этих требований дается в приложении D МЭК 60929 и приложении В МЭК 60927.
Для некоторых ламп информация относительно требований высокочастотного зажигания без предварительного подогрева приводится в соответствующем листе.
Е.3 Частота, используемая для ламп, работающих на ВЧ
Для этих ламп листы с параметрами лампы содержат диапазон частоты для образцового ПРА и испытания ламп (зажигание, электрические и световые параметры). Диапазон частоты выбирают для облегчения воспроизведения результатов испытания, он не предназначен для ограничения в конструкции ВЧ ПРА, когда для практических целей может быть приемлема более высокая частота.
F.1 Общие положения
Для обеспечения безопасной работы лампы необходимо при расчете светильников учитывать информацию, приведенную в настоящем приложении.
F.2 Свободное пространство
Для механической приемки ламп, удовлетворяющих настоящему стандарту, в светильнике следует предусмотреть свободное пространство, основанное на наибольших размерах лампы, приведенных в соответствующем листе.
F.3 Конденсаторы для последовательного включения, применяемые в емкостных схемах
Начальный допуск в 10 %, типичный для зашунтированных конденсаторов, не пригоден для конденсаторов последовательного включения. При совпадении предельных допусков на конденсатор и ПРА их суммирование может привести к ухудшению характеристики лампы. Чтобы удовлетворить требованиям, приведенным в соответствующих листах с параметрами лампы, допуск на конденсатор должен быть небольшим, или конденсатор и индуктивная реактивная составляющая ПРА должны подбираться так, чтобы неблагоприятные допуски не совпадали.
F.4 ЗВУ
Работа ламп в сетевых цепях переменного тока или высокочастотных бесстартерных цепях требует в большинстве случаев наличие проводящего ЗВУ с заземлением. Оно может быть условной частью светильника.
Расстояние между поверхностью лампы и ЗВУ не должно превышать значения, приведенного в соответствующем листе. Кроме того, должно соблюдаться минимальное расстояние 3 мм.
Обозначение стандартов МЭК |
Обозначение государственных стандартов |
Обозначение стандартов МЭК |
Обозначение государственных стандартов |
МЭК 60061-1 (1969) |
ГОСТ 28108-89 |
МЭК 60598-2-10 (1987) |
ГОСТ Р МЭК 598-2-10-98 |
МЭК 60155 (1993) |
МЭК 60598-2-17 (1984) |
ГОСТ Р МЭК 598-2-17-97 |
|
МЭК 60598-1 (1996) |
МЭК 60598-2-18 (1993) |
||
МЭК 60598-2-1 (1979) |
МЭК 60598-2-19 (1981) |
ГОСТ Р МЭК 598-2-19-97 |
|
МЭК 60598-2-2 (1996) |
ГОСТ Р МЭК 598-2-2-99 |
МЭК 60598-2-20 (1996) |
ГОСТ Р МЭК 598-2-20-97 |
МЭК 60598-2-3 (1997) |
МЭК 60598-2-22 (1997) |
||
МЭК 60598-2-4 (1997) |
ГОСТ Р МЭК 598-2-4-99 |
МЭК 60598-2-23 (1995) |
|
МЭК 60598-2-5 (1998) |
МЭК 60598-2-25 (1994) |
||
МЭК 60598-2-6 (1994) |
ГОСТ Р МЭК 598-2-6-98 |
МЭК 60921 (1988) |
ГОСТ Р МЭК 921-97 |
МЭК 60598-2-7 (1982) |
ГОСТ Р МЭК 598-2-7-98 |
МЭК 60927 (1996) |
|
МЭК 60598-2-8 (1996) |
ГОСТ Р МЭК 598-2-8-97 |
МЭК 60929 (1990) |
ГОСТ Р МЭК 929-98 |
МЭК 60598-2-9 (1987) |
ГОСТ Р МЭК 598-2-9-98 |
МЭК 61195 (1993) |
2 Листы с параметрами
2.1 Общие принципы нумерации листов с параметрами
Первое число и последующие после дефиса буквы «МЭК» обозначают номер настоящего стандарта, например: 60081-МЭК.
Второе число обозначает номер листа.
Третье число обозначает номер страницы листа. Если лист состоит из более чем одной страницы, то возможно, что страницы будут иметь различные номера, а номер листа останется прежним.
2.2 Листы для нанесения размеров ламп
2.2.1 Перечень листов:
60081-МЭК-01 Лампы линейной формы с цоколями G5 или G13.
60081-МЭК-02 Лампы линейной формы с цоколями Fa6, Fa8 или R17d.
2.3 Листы с параметрами ламп
2.3.1 Перечень листов с параметрами ламп по номерам
Номер листа |
Номи-.нальная мощность, Вт |
Частота, Гц |
Номиналь-ные размеры, мм |
Цоколь |
Схема |
Тип катода |
||
Сетевая перемен-ного тока |
Высоко-частотная |
|||||||
60081-МЭК-1020 |
4 |
50 |
60 |
16×150 |
G5 |
Стартерная |
- |
Предвари-тельного подогрева |
-1030 |
6 |
50 |
60 |
16×225 |
G5 |
» |
- |
То же |
-1040 |
8 |
50 |
60 |
16×300 |
G5 |
» |
- |
» |
-1060 |
13 |
50 |
60 |
16×525 |
G5 |
» |
- |
» |
-2120 |
15 |
50 |
60 |
26×450 |
G13 |
» |
Бесстар-терная |
» |
-2220 |
18 |
50 |
- |
26×600 |
G13 |
» |
» |
» |
-2230 |
20 |
50 |
60 |
32×600 |
G13 |
» |
- |
» |
-2240 |
20 |
50 |
60 |
38×600 |
G13 |
» |
- |
» |
-2315 |
25 |
50 |
- |
38×970 |
G13 |
» |
- |
» |
60081-МЭК-2320 |
30 |
50 |
60 |
26×900 |
G13 |
» |
Бесстар-терная |
» |
60081-МЭК-2340 |
30 |
50 |
- |
38×900 |
G13 |
Стартерная |
- |
Предварительного подогрева |
-2420 |
36 |
50 |
- |
26×1200 |
G13 |
» |
Бесстар-терная |
То же |
-2425 |
38 |
50 |
- |
26×1050 |
G13 |
» |
» |
» |
-2430 |
40 |
50 |
60 |
32×1200 |
G13 |
» |
- |
» |
-2440 |
40 |
50 |
60 |
38×120 |
G13 |
» |
- |
» |
-2520 |
58 |
50 |
- |
26×1500 |
G13 |
» |
Бесстар-терная |
» |
-2530 |
65 |
50 |
- |
32×1500 |
G13 |
» |
- |
» |
-2540 |
65 |
50 |
- |
38×1500 |
G13 |
» |
- |
» |
-2620 |
70 |
50 |
60 |
26×1800 |
G13 |
» |
Бесстар-терная |
» |
-2640 |
75 |
50 |
- |
38×1800 |
G13 |
» |
- |
» |
-2660* |
80 |
50 |
- |
38×1500 |
G13 |
» |
- |
» |
-2670* |
85 |
50 |
- |
38×1800 |
G13 |
» |
- |
» |
-2840 |
100 |
50 |
- |
38×2400 |
G13 |
» |
- |
» |
-2880* |
125 |
50 |
- |
38×2400 |
G13 |
» |
- |
» |
-3020 |
4 |
50 |
60 |
16×150 |
G5 |
Бесстар-терная |
|
Предвари-тельного подогрева, высокоомный |
-3030 |
6 |
50 |
60 |
16×255 |
G5 |
» |
- |
То же |
-3040 |
8 |
50 |
60 |
16×300 |
G5 |
» |
- |
» |
-4240 |
20 |
50 |
60 |
38×600 |
G13 |
» |
- |
» |
-4340 |
30 |
50 |
- |
38×900 |
G13 |
» |
- |
» |
-4440 |
40 |
50 |
60 |
38×1200 |
G13 |
» |
- |
» |
-4540 |
65 |
50 |
- |
38×1500 |
G13 |
» |
- |
» |
-4640 |
75 |
50 |
- |
38×1800 |
G13 |
» |
- |
» |
-4660* |
80 |
50 |
- |
38×1500 |
G13 |
» |
- |
» |
-4670* |
85 |
50 |
- |
38×1800 |
G13 |
» |
- |
» |
-4880 |
125 |
50 |
- |
38×2400 |
G13 |
» |
- |
» |
-5230 |
20 |
50 |
60 |
32×600 |
G13 |
» |
- |
Предвари-тельного подогрева, низкоомный |
-5240 |
20 |
50 |
60 |
38×600 |
G13 |
» |
- |
То же |
-5340 |
30 |
50 |
60 |
38×900 |
G13 |
» |
- |
» |
-5430 |
40 |
50 |
60 |
32×1200 |
G13 |
» |
- |
» |
-5440 |
40 |
50 |
60 |
38×1200 |
G13 |
» |
- |
» |
-5540 |
65 |
50 |
- |
38×1500 |
G13 |
» |
- |
» |
-5840 |
85 |
50 |
- |
38×2400 |
G13 |
» |
- |
» |
-5960 |
60 |
- |
60 |
38×1200 |
R17d |
» |
- |
» |
-5970 |
87 |
- |
60 |
38×1800 |
R17d |
» |
- |
» |
60081-МЭК-5980 |
112 |
- |
60 |
38×2400 |
R17d |
» |
- |
» |
60081-МЭК-6520 |
14 |
≥ 20 кГц |
16×550 |
G5 |
- |
Бесстар-терная |
Предварительного подогрева |
|
-6530 |
21 |
≥ 20 кГц |
16×850 |
G5 |
- |
» |
То же |
|
-6640 |
28 |
≥ 20 кГц |
16×1150 |
G5 |
- |
» |
» |
|
-6650 |
35 |
≥ 20 кГц |
16×1450 |
G5 |
- |
» |
» |
|
-7220 |
16 |
≥ 20 кГц |
26×600 |
G13 |
- |
» |
» |
|
-7420 |
32 |
≥ 20 кГц |
26×1200 |
G13 |
- |
» |
» |
|
-7520 |
50 |
≥ 20 кГц |
26×1500 |
G13 |
- |
» |
» |
|
-8240 |
20 |
50 |
- |
38×600 |
Fa6 |
Бесстар-терная |
- |
Без предварительного подогрева |
-8440 |
40 |
50 |
- |
38×1200 |
Fa6 |
» |
- |
То же |
-8540 |
65 |
50 |
- |
38×1500 |
Fa6 |
» |
- |
» |
-8640 |
39 |
- |
60 |
38×1200 |
Fa8 |
» |
- |
» |
-8740 |
57 |
- |
60 |
38×1800 |
Fa8 |
» |
- |
» |
-8840 |
75 |
- |
60 |
38×2400 |
Fa8 |
» |
- |
» |
-9420 |
32 |
≥ 20 кГц |
26×1200 |
Fa6 |
- |
- |
» |
|
60081-МЭК-9520 |
50 |
≥ 20 кГц |
26×1500 |
Fa6 |
- |
Бесстар-терная |
» |
|
* Предназначена для замены. |
2.3.2 Перечень листов с параметрами ламп по мощности
Номер листа |
Номинальная мощность, Вт |
Частота, Гц |
Номинальные размеры, мм |
Цоколь |
Схема |
Тип катода |
||
Сетевая переменного тока |
Высоко-частотная |
|||||||
60081-МЭК-1020 |
4 |
50 |
60 |
16×150 |
G5 |
Стартерная |
- |
Предварительного подогрева |
-3020 |
4 |
50 |
60 |
16×150 |
G5 |
Бесстар-терная |
- |
То же, высокоомный |
-1030 |
6 |
50 |
60 |
16×225 |
G5 |
Стартерная |
- |
Предварительного подогрева |
-3030 |
6 |
50 |
60 |
16×225 |
G5 |
Бесстар-терная |
- |
То же, высокоомный |
-1040 |
8 |
50 |
60 |
16×300 |
G5 |
Стартерная |
- |
Предварительного подогрева |
60081-МЭК-3040 |
8 |
50 |
60 |
16×300 |
G5 |
Бесстар-терная |
- |
То же, высокоомный |
60081-МЭК-1060 |
13 |
50 |
60 |
16×525 |
G5 |
Стартерная |
- |
Предварительного подогрева |
-6520 |
14 |
≥ 20 кГц |
16×550 |
G5 |
- |
Бесстар-терная |
То же |
|
-2120 |
15 |
50 |
60 |
26×450 |
G13 |
Стартерная |
» |
» |
-7220 |
16 |
≥ 20 кГц |
26×600 |
G13 |
- |
» |
» |
|
-2220 |
18 |
50 |
- |
26×600 |
G13 |
Стартерная |
» |
» |
-2230 |
20 |
50 |
60 |
32×600 |
G13 |
» |
» |
» |
-2240 |
20 |
50 |
60 |
38×600 |
G13 |
» |
- |
» |
-4240 |
20 |
50 |
60 |
38×600 |
G13 |
Бесстар-терная |
- |
То же, высокоомный |
-5230 |
20 |
50 |
60 |
32×600 |
G13 |
» |
- |
Предварительного подогрева, низкоомный |
-5240 |
20 |
50 |
60 |
38×600 |
G13 |
» |
- |
То же |
-8240 |
20 |
50 |
- |
38×600 |
Fa6 |
» |
- |
Без предварительного подогрева |
-6530 |
21 |
≥ 20 кГц |
16×850 |
G5 |
- |
Бесстар-терная |
Предварительного подогрева |
|
-2315 |
25 |
50 |
38×970 |
G13 |
Стартерная |
- |
То же |
|
-6640 |
28 |
≥ 20 кГц |
16×1150 |
G5 |
- |
Бесстар-терная |
» |
|
-2320 |
30 |
50 |
60 |
26×900 |
G13 |
Стартерная |
» |
» |
-2340 |
30 |
50 |
- |
38×900 |
G13 |
» |
- |
Предварительного подогрева |
-4340 |
30 |
50 |
- |
38×900 |
G13 |
Бесстар-терная |
- |
То же, высокоомный |
-5340 |
30 |
50 |
60 |
38×900 |
G13 |
» |
- |
Предварительного подогрева, низкоомный |
60081-МЭК-7420 |
32 |
≥ 20 кГц |
26×1200 |
G13 |
- |
Бесстар-терная |
Предварительного подогрева |
|
60081-МЭК-9420 |
32 |
≥ 20 кГц |
26×1200 |
Fa6 |
- |
Бесстар-терная |
Без предварительного подогрева |
|
-6650 |
35 |
≥ 20 кГц |
16×1450 |
G5 |
- |
» |
Предварительного подогрева |
|
-2420 |
36 |
50 |
- |
26×1200 |
G13 |
Стартерная |
» |
То же |
-2425 |
38 |
50 |
- |
26×1050 |
G13 |
» |
» |
» |
-8640 |
39 |
- |
60 |
38×1200 |
Fa8 |
Бесстар-терная |
- |
Без предварительного подогрева |
-2430 |
40 |
50 |
60 |
32×1200 |
G13 |
Стартерная |
- |
Предварительного подогрева |
-2440 |
40 |
50 |
60 |
38×1200 |
G13 |
» |
- |
То же |
-4440 |
40 |
50 |
60 |
38×1200 |
G13 |
Бесстар-терная |
- |
Предварительного подогрева, высокоомный |
-5430 |
40 |
50 |
60 |
32×1200 |
G13 |
» |
- |
То же, низкоомный |
-5440 |
40 |
50 |
60 |
38×1200 |
G13 |
» |
- |
» |
-8440 |
40 |
50 |
- |
38×1200 |
Fa6 |
» |
- |
Без предварительного подогрева |
-7520 |
50 |
≥ 20 кГц |
26×1500 |
G13 |
» |
Бесстар-терная |
Предварительного подогрева |
|
-9520 |
50 |
≥ 20 кГц |
26×1500 |
Fa6 |
- |
» |
Без предварительного подогрева |
|
-8740 |
57 |
- |
60 |
38×1800 |
Fa8 |
Бесстар-терная |
- |
То же |
-2520 |
58 |
50 |
- |
26×1500 |
G13 |
Стартерная |
Бесстар-терная |
Предварительного подогрева |
-5960 |
60 |
- |
60 |
38×1200 |
R17 |
Бесстар-терная |
- |
То же, низкоомный |
-2530 |
65 |
50 |
- |
32×1500 |
G13 |
Стартерная |
- |
Предварительного подогрева |
-2540 |
65 |
50 |
- |
38×1500 |
G13 |
» |
- |
То же |
-4540 |
65 |
50 |
- |
38×1500 |
G13 |
Бесстар-терная |
- |
Предварительного подогрева, высокоомный |
60081-МЭК-5540 |
65 |
50 |
- |
38×1500 |
G13 |
» |
- |
То же, низкоомный |
60081-МЭК-8540 |
65 |
50 |
- |
38×1500 |
Fa6 |
Бесстар-терная |
- |
Без предварительного подогрева |
-2620 |
70 |
50 |
60 |
26×1800 |
G13 |
Стартерная |
Бесстар-терная |
Предварительного подогрева |
-2640 |
75 |
50 |
- |
38×1800 |
G13 |
» |
- |
То же |
-4640 |
75 |
50 |
- |
38×1800 |
G13 |
Бесстар-терная |
- |
Предварительного подогрева, высокоомный |
-8840 |
75 |
- |
60 |
38×2400 |
Fa8 |
» |
- |
Без предварительного подогрева |
-2660* |
80 |
50 |
- |
38×1500 |
G13 |
Стартерная |
- |
Предварительного подогрева |
-4660* |
80 |
50 |
- |
38×1500 |
G13 |
Бесстар- терная |
- |
То же, высокоомный |
-2670* |
85 |
50 |
- |
38×1800 |
G13 |
Стартерная |
- |
Предварительного подогрева |
-4670* |
85 |
50 |
- |
38×1800 |
G13 |
Бесстар терная |
- |
То же, высокоомный |
-5840 |
85 |
50 |
- |
38×2400 |
G13 |
» |
- |
Предварительного подогрева, низкоомный |
-5970 |
87 |
- |
60 |
38×1800 |
R17 |
» |
- |
То же |
-2840 |
100 |
50 |
- |
38×2400 |
G13 |
Стартерная |
- |
Предварительного подогрева |
-5980 |
112 |
- |
60 |
38×2400 |
R17 |
Бесстар-терная |
- |
То же, низкоомный |
-2880* |
125 |
50 |
- |
38×2400 |
G13 |
Стартерная |
- |
Предварительного подогрева |
60081-МЭК-4880 |
125 |
50 |
- |
38×2400 |
G13 |
Бесстар-терная |
- |
То же, высокоомный |
* Предназначена для замены |
|
ДВУХЦОКОЛЬНЫЕ ЛЮМИНЕСЦЕНТНЫЕ ЛАМПЫ ЛИСТ С ПАРАМЕТРАМИ ДЛЯ НАНЕСЕНИЯ РАЗМЕРОВ Линейной формы |
|
Рисунок предназначен только для показа проверяемых размеров и должен применяться совместно с соответствующими листами на лампы.
Цоколи G5 и G13 по МЭК 60061-1
Для ламп с цоколями G5 и G13.
Значения размеров А, В и С вычисляют из базового значения, обозначенного X.
А - расстояние от основания одного цоколя до основания противоположного цоколя.
Амакс = Х
В - расстояние от основания одного цоколя до конца штырьков противоположного цоколя.
Вмакс = X + 7,1 мм.
Вмин = Х + 4,7 мм*.
С - полная длина лампы между концами штырьков обоих цоколей.
Смакс = Х + (2×7,1) = Х + 14,2 мм.
Смин не задается.
Рисунки предназначены для показа контролируемых размеров и должны применяться совместно с соответствующими листами на лампы.
1. Очевидно, что при переводе приведенных выше значений в миллиметрах в дюймы теряется соответствие между округленными превращенными значениями.
2. В некоторых случаях размеры, приведенные в национальных спецификациях, слегка отличаются от указанных в листах с параметрами.
Так как эти спецификации уже составлены, то не предусматривается их изменение. Размеры в листах с параметрами рассматривают как объективные.
3. Некоторые типы ламп США иногда обозначают номинальной полной длиной в дюймах лампы, установленной в два патрона, каждый из которых имеет толщину 5/16 дюйма для цоколей G5 и 3/8 дюйма для цоколей G13.
* В некоторых странах Вмин = Х + 4,6 мм.
|
ДВУХЦОКОЛЬНЫЕ ЛЮМИНЕСЦЕНТНЫЕ ЛАМПЫ ЛИСТ С ПАРАМЕТРАМИ ДЛЯ НАНЕСЕНИЯ РАЗМЕРОВ Линейной формы |
|
Рисунки предназначены только для показа проверяемых размеров и должны применяться совместно с соответствующими листами на лампы.
Цоколь Fa6 по МЭК 60061-1
Цоколь Fa8 по МЭК 60061-1
Цоколь R17d по МЭК 60061-1
60081-МЭК-02-1
|
ЛАМПА ЛЮМИНЕСЦЕНТНАЯ ДВУХЦОКОЛЬНАЯ ЛИСТ С ПАРАМЕТРАМИ |
|
МСОЛ: FD-4-E-G5-16/150
Номинальная мощность, Вт |
Схема |
Катод |
Цоколь |
Номинальные размеры, мм |
||||||||||||||||||||
4 |
Со стартером |
Предварительного подогрева |
G5 |
16×150 |
||||||||||||||||||||
Размеры, мм |
||||||||||||||||||||||||
А |
В |
С |
D |
|||||||||||||||||||||
не более |
не менее |
не более |
не более |
не более |
||||||||||||||||||||
135,9 |
140,6 |
143,0 |
150,1 |
16,0 |
||||||||||||||||||||
Характеристики зажигания |
||||||||||||||||||||||||
Частота, Гц |
Расчетное напряжение ПРА, В |
Испытательное напряжение, действующее значение, В |
Время зажигания, с |
|||||||||||||||||||||
50 |
110/120 |
103,5 |
30 |
|||||||||||||||||||||
60 |
110/120 |
103,5 |
30 |
|||||||||||||||||||||
Электрические параметры |
||||||||||||||||||||||||
Частота, Гц |
Расчетная мощность, Вт |
Напряжение на лампе, действующее значение, В |
Расчетный ток лампы, А |
Расчетный ток предварительного подогрева, А |
||||||||||||||||||||
расчетное |
не менее |
не более |
||||||||||||||||||||||
50 |
4,5 |
29 |
24 |
34 |
0,170 |
0,205 |
||||||||||||||||||
60 |
4,5 |
29 |
24 |
34 |
0,170 |
0,205 |
||||||||||||||||||
Координаты цветности: см. D.2, приложение D. |
||||||||||||||||||||||||
Характеристики образцового ПРА |
||||||||||||||||||||||||
Частота, Гц |
Номинальная мощность, Вт |
Расчетное напряжение, В |
Ток калибровки, А |
Отношение напряжения к току, Ом |
Коэффициент мощности |
|||||||||||||||||||
50 |
6 |
127 |
0,160 |
700 |
0,12 |
|||||||||||||||||||
60 |
6 |
118 |
0,160 |
650 |
0,075 |
|||||||||||||||||||
Информация для расчета ПРА |
||||||||||||||||||||||||
Частота, Гц |
50 |
60 |
||||||||||||||||||||||
Ток предварительного подогрева катода, А |
не менее |
0,144 |
0,144 |
|||||||||||||||||||||
не более |
0,275 |
0,275 |
||||||||||||||||||||||
Напряжение холостого хода на стартере, действующее значение, В, не менее |
103,5 |
103,5 |
||||||||||||||||||||||
Напряжение холостого хода на лампе, пиковое, В, не более |
400 |
400 |
||||||||||||||||||||||
Сопротивление заменяющего резистора обоих последовательно соединенных катодов, Ом |
140 |
140 |
||||||||||||||||||||||
Напряжение на стартере при работающей лампе, В, не более |
68 |
68 |
||||||||||||||||||||||
Информация для расчета стартера |
||||||||||||||||||||||||
Импульсное напряжение, В, не менее |
Напряжение неконтактирования, В, не более |
|||||||||||||||||||||||
250 |
70 |
|||||||||||||||||||||||
|
ЛАМПА ЛЮМИНЕСЦЕНТНАЯ ДВУХЦОКОЛЬНАЯ ЛИСТ С ПАРАМЕТРАМИ |
|
МСОЛ: FD-6-E-G5-16/225
Номинальная мощность, Вт |
Схема |
Катод |
Цоколь |
Номинальные размеры, мм |
||||||||||||||||||||
6 |
Со стартером |
Предварительного подогрева |
G5 |
16×225 |
||||||||||||||||||||
Размеры, мм |
||||||||||||||||||||||||
А |
В |
С |
D |
|||||||||||||||||||||
не более |
не менее |
не более |
не более |
не более |
||||||||||||||||||||
212,1 |
216,8 |
219,2 |
226,3 |
16,0 |
||||||||||||||||||||
Характеристики зажигания |
||||||||||||||||||||||||
Частота, Гц |
Расчетное напряжение ПРА, В |
Испытательное напряжение, действующее значение, В |
Время зажигания, с |
|||||||||||||||||||||
50 |
110/120 |
103,5 |
30 |
|||||||||||||||||||||
60 |
110/120 |
103,5 |
30 |
|||||||||||||||||||||
Электрические параметры |
||||||||||||||||||||||||
Частота, Гц |
Расчетная мощность, Вт |
Напряжение на лампе, действующее значение, В |
Расчетный ток лампы, А |
Расчетный ток предварительного подогрева, А |
||||||||||||||||||||
расчетное |
не менее |
не более |
||||||||||||||||||||||
50 |
6 |
42 |
36 |
48 |
0,160 |
0,205 |
||||||||||||||||||
60 |
6 |
42 |
36 |
48 |
0,160 |
0,205 |
||||||||||||||||||
Координаты цветности: см. D.2, приложение D. |
||||||||||||||||||||||||
Характеристики образцового ПРА |
||||||||||||||||||||||||
Частота, Гц |
Номинальная мощность, Вт |
Расчетное напряжение, В |
Ток калибровки, А |
Отношение напряжения к току, Ом |
Коэффициент мощности |
|||||||||||||||||||
50 |
6 |
127 |
0,160 |
700 |
0,12 |
|||||||||||||||||||
60 |
6 |
118 |
0,160 |
650 |
0,075 |
|||||||||||||||||||
Информация для расчета ПРА |
||||||||||||||||||||||||
Частота, Гц |
50 |
60 |
||||||||||||||||||||||
Ток предварительного подогрева катода, А |
не менее |
0,144 |
0,144 |
|||||||||||||||||||||
не более |
0,275 |
0,275 |
||||||||||||||||||||||
Напряжение холостого хода на стартере, действующее значение, В, не менее |
103,5 |
103,5 |
||||||||||||||||||||||
Напряжение холостого хода на лампе, пиковое, В, не более |
400 |
400 |
||||||||||||||||||||||
Сопротивление заменяющего резистора обоих последовательно соединенных катодов, Ом |
140 |
140 |
||||||||||||||||||||||
Напряжение на стартере при работающей лампе, действующее значение, В, не более |
68 |
68 |
||||||||||||||||||||||
Информация для расчета стартера |
||||||||||||||||||||||||
Импульсное напряжение, В, не менее |
Напряжение неконтактирования, В, не более |
|||||||||||||||||||||||
250 |
70 |
|||||||||||||||||||||||
|
ЛАМПА ЛЮМИНЕСЦЕНТНАЯ ДВУХЦОКОЛЬНАЯ ЛИСТ С ПАРАМЕТРАМИ |
|
МСОЛ: FD-8-E-G5-16/300
Номинальная мощность, Вт |
Схема |
Катод |
Цоколь |
Номинальные размеры, мм |
|||||||||||||||||||
8 |
Со стартером |
Предварительного подогрева |
G5 |
16×300 |
|||||||||||||||||||
Размеры, мм |
|||||||||||||||||||||||
А |
В |
С |
D |
||||||||||||||||||||
не более |
не менее |
не более |
не более |
не более |
|||||||||||||||||||
288,3 |
293,0 |
295,4 |
302,5 |
16,0 |
|||||||||||||||||||
Характеристики зажигания |
|||||||||||||||||||||||
Частота, Гц |
Расчетное напряжение ПРА, В |
Испытательное напряжение, действующее значение, В |
Время зажигания, с |
||||||||||||||||||||
50 |
110/120 |
103,5 |
30 |
||||||||||||||||||||
60 |
110/120 |
103,5 |
30 |
||||||||||||||||||||
Электрические параметры |
|||||||||||||||||||||||
Частота, Гц |
Расчетная мощность, Вт |
Напряжение на лампе, действующее значение, В |
Расчетный ток лампы, А |
Расчетный ток предварительного подогрева, А |
|||||||||||||||||||
расчетное |
не менее |
не более |
|||||||||||||||||||||
50 |
7,1 |
56 |
48 |
64 |
0,145 |
0,205 |
|||||||||||||||||
60 |
7,2 |
57 |
48 |
64 |
0,145 |
0,205 |
|||||||||||||||||
Координаты цветности: см. D.2, приложение D. |
|||||||||||||||||||||||
Характеристики образцового ПРА |
|||||||||||||||||||||||
Частота, Гц |
Номинальная мощность, Вт |
Расчетное напряжение, В |
Ток калибровки, А |
Отношение напряжения к току, Ом |
Коэффициент мощности |
||||||||||||||||||
50 |
6 |
127 |
0,160 |
700 |
0,12 |
||||||||||||||||||
60 |
6 |
118 |
0,160 |
650 |
0,075 |
||||||||||||||||||
Информация для расчета ПРА |
|||||||||||||||||||||||
Частота, Гц |
50 |
60 |
|||||||||||||||||||||
Ток предварительного подогрева катода, А |
не менее |
0,144 |
0,144 |
||||||||||||||||||||
не более |
0,275 |
0,275 |
|||||||||||||||||||||
Напряжение холостого хода на стартере, действующее значение, В, не менее |
103,5 |
103,5 |
|||||||||||||||||||||
Напряжение холостого хода на лампе, пиковое, В, не более |
400 |
400 |
|||||||||||||||||||||
Сопротивление заменяющего резистора обоих последовательно соединенных катодов, Ом |
140 |
140 |
|||||||||||||||||||||
Напряжение на стартере при работающей лампе, действующее значение, В, не более |
68 |
68 |
|||||||||||||||||||||
Информация для расчета стартера |
|||||||||||||||||||||||
Импульсное напряжение, В, не менее |
Напряжение неконтактирования, В, не более |
||||||||||||||||||||||
250 |
70 |
||||||||||||||||||||||
|
ЛАМПА ЛЮМИНЕСЦЕНТНАЯ ДВУХЦОКОЛЬНАЯ ЛИСТ С ПАРАМЕТРАМИ |
|
МСОЛ: FD-13-E-G5-16/525
Номинальная мощность, Вт |
Схема |
Катод |
Цоколь |
Номинальные размеры, мм |
|||||||||||||||||||
13 |
Со стартером |
Предварительного подогрева |
G5 |
16×525 |
|||||||||||||||||||
Размеры, мм |
|||||||||||||||||||||||
А |
В |
С |
D |
||||||||||||||||||||
не более |
не менее |
не более |
не более |
не более |
|||||||||||||||||||
516,9 |
521,6 |
524,0 |
531,1 |
16,0 |
|||||||||||||||||||
|
|||||||||||||||||||||||
Характеристики зажигания |
|||||||||||||||||||||||
Частота, Гц |
Расчетное напряжение ПРА, В |
Испытательное напряжение, действующее значение, В |
Время зажигания, с |
||||||||||||||||||||
50 |
220 |
198 |
30 |
||||||||||||||||||||
60 |
220 |
198 |
30 |
||||||||||||||||||||
Электрические параметры |
|||||||||||||||||||||||
Частота, Гц |
Расчетная мощность, Вт |
Напряжение на лампе, действующее значение, В |
Расчетный ток лампы, А |
Расчетный ток предварительного подогрева, А |
|||||||||||||||||||
расчетное |
не менее |
не более |
|||||||||||||||||||||
50 |
13 |
95 |
85 |
105 |
0,165 |
0,225 |
|||||||||||||||||
60 |
13 |
94 |
* |
* |
0,165 |
0,225 |
|||||||||||||||||
Координаты цветности: см. D.2, приложение D. |
|||||||||||||||||||||||
Характеристики образцового ПРА |
|||||||||||||||||||||||
Частота, Гц |
Номинальная мощность, Вт |
Расчетное напряжение, В |
Ток калибровки, А |
Отношение напряжения к току, Ом |
Коэффициент мощности |
||||||||||||||||||
50 |
13 |
220 |
0,165 |
1070 |
0,12 |
||||||||||||||||||
60 |
13 |
236 |
0,165 |
1200 |
0,075 |
||||||||||||||||||
Информация для расчета ПРА |
|||||||||||||||||||||||
Частота, Гц |
50 |
60 |
|||||||||||||||||||||
Ток предварительного подогрева катода, А |
не менее |
0,146 |
0,146 |
||||||||||||||||||||
не более |
0,297 |
0,297 |
|||||||||||||||||||||
Напряжение холостого хода на стартере, действующее значение, В, не менее |
198 |
198 |
|||||||||||||||||||||
Напряжение холостого хода на лампе, пиковое, В, не более |
400 |
400 |
|||||||||||||||||||||
Сопротивление заменяющего резистора обоих последовательно соединенных катодов, Ом |
140 |
140 |
|||||||||||||||||||||
Напряжение на стартере при работающей лампе, действующее значение, В, не более |
128 |
128 |
|||||||||||||||||||||
Информация для расчета стартера |
|||||||||||||||||||||||
Импульсное напряжение, В, не менее |
Напряжение неконтактирования, В, не более |
||||||||||||||||||||||
400 |
140 |
||||||||||||||||||||||
* В стадии рассмотрения.
|
ЛАМПА ЛЮМИНЕСЦЕНТНАЯ ДВУХЦОКОЛЬНАЯ ЛИСТ С ПАРАМЕТРАМИ |
С. 1 |
МСОЛ: FD-15-E-G13-26/450
Номинальная мощность, Вт |
Схема |
Катод |
Цоколь |
Номинальные размеры, мм |
||||||||||||||||||||
15 |
Со стартером |
Предварительного подогрева |
G13 |
26×450 |
||||||||||||||||||||
Размеры, мм |
||||||||||||||||||||||||
А |
В |
С |
D |
|||||||||||||||||||||
не более |
не менее |
не более |
не более |
не более |
||||||||||||||||||||
437,4 |
442,1 |
444,5 |
451,6 |
28,0 |
||||||||||||||||||||
Характеристики зажигания |
||||||||||||||||||||||||
Частота, Гц |
Расчетное напряжение ПРА, В |
Испытательное напряжение, действующее значение, В |
Время зажигания, с |
|||||||||||||||||||||
50 |
110/120 |
103,5 |
30 |
|||||||||||||||||||||
60 |
110/120 |
103,5 |
30 |
|||||||||||||||||||||
Электрические параметры |
||||||||||||||||||||||||
Частота, Гц |
Расчетная мощность, Вт |
Напряжение на лампе, действующее значение, В |
Расчетный ток лампы, А |
Расчетный ток предварительного подогрева, А |
||||||||||||||||||||
расчетное |
не менее |
не более |
||||||||||||||||||||||
50 |
15 |
55 |
46 |
64 |
0,310 |
0,440 |
||||||||||||||||||
60 |
15 |
55 |
46 |
64 |
0,305 |
0,550 |
||||||||||||||||||
Координаты цветности: см. D.2, приложение D. |
||||||||||||||||||||||||
Характеристики образцового ПРА |
||||||||||||||||||||||||
Частота, Гц |
Номинальная мощность, Вт |
Расчетное напряжение, В |
Ток калибровки, А |
Отношение напряжения к току, Ом |
Коэффициент мощности |
|||||||||||||||||||
50 |
15 |
127 |
0,310 |
325 |
0,12 |
|||||||||||||||||||
60 |
15 |
118 |
0,300 |
305 |
0,075 |
|||||||||||||||||||
Информация для расчета ПРА |
||||||||||||||||||||||||
Частота, Гц |
50 |
60 |
||||||||||||||||||||||
Ток предварительного подогрева катода, А |
не менее |
0,280 |
0,280 |
|||||||||||||||||||||
не более |
0,650 |
0,650 |
||||||||||||||||||||||
Напряжение холостого хода на стартере, действующее значение, В, не менее |
103,5 |
103,5 |
||||||||||||||||||||||
Напряжение холостого хода на лампе, пиковое, В, не более |
400 |
400 |
||||||||||||||||||||||
Сопротивление заменяющего резистора обоих последовательно соединенных катодов, Ом |
50 |
50 |
||||||||||||||||||||||
Напряжение на стартере при работающей лампе, действующее значение, В, не более |
68 |
68 |
||||||||||||||||||||||
Информация для расчета стартера |
||||||||||||||||||||||||
Импульсное напряжение, В, не менее |
Напряжение неконтактирования, В, не более |
|||||||||||||||||||||||
250 |
70 |
|||||||||||||||||||||||
|
ЛАМПА ЛЮМИНЕСЦЕНТНАЯ ДВУХЦОКОЛЬНАЯ ЛИСТ С ПАРАМЕТРАМИ |
С. 2 |
МСОЛ: FD-15-E-G13-26/450
Информация для расчета ВЧ ПРА |
|||||||||||||
Типичные параметры лампы |
|||||||||||||
Частота, кГц |
Мощность, Вт |
Напряжение на лампе, В |
Ток лампы, А |
||||||||||
≥ 20 |
13,5 |
45 |
0,310 |
||||||||||
Ток в любом вводе катодов, А, не более |
* |
||||||||||||
Рабочий ток лампы, А |
не менее |
* |
|||||||||||
не более |
* |
||||||||||||
Предварительный подогрев контролируется током |
|||||||||||||
Наименьший ток предварительного подогрева iк, А, за время эмиссии tе, с, iк = (a/tе + i2т)0,5 |
а |
0,130 |
|||||||||||
iт, A |
0,260 |
||||||||||||
Наибольший ток предварительного подогрева, А |
t ≤ 0,4 |
1,400 |
|||||||||||
0,4 < t < 2,0 |
1,580-0,450t |
||||||||||||
t ≥ 2,0 |
0,680 |
||||||||||||
Напряжение действующее холостого хода на лампе, значение, В |
не более |
t ≤ tе |
* |
||||||||||
не менее |
t > tе |
* |
|||||||||||
Напряжение на ЗВУ, пиковое, В |
не более |
t ≤ tе |
* |
||||||||||
не менее |
t > tе |
* |
|||||||||||
Сопротивление заменяющего резистора для каждого катода, Ом |
12,5* |
||||||||||||
Предварительный подогрев контролируется напряжением |
|||||||||||||
* |
|||||||||||||
Без предварительного подогрева |
|||||||||||||
Напряжение холостого хода на лампе, действующее значение на лампе, В, не менее |
* |
||||||||||||
Ток через резистор, заменяющий лампу, А, не менее |
* |
||||||||||||
Сопротивление заменяющего резистора лампы, Ом |
* |
||||||||||||
Сопротивление заменяющего резистора для каждого катода, Ом |
* |
||||||||||||
Ток катода, А, не более |
* |
||||||||||||
* В стадии рассмотрения.
|
ЛАМПА ЛЮМИНЕСЦЕНТНАЯ ДВУХЦОКОЛЬНАЯ ЛИСТ С ПАРАМЕТРАМИ |
С. 1 |
МСОЛ: FD-18-E-G13-26/600
Номинальная мощность, Вт |
Схема |
Катод |
Цоколь |
Номинальные размеры, мм |
||||||||||||||||||||
18 |
Со стартером |
Предварительного подогрева |
G13 |
26×600 |
||||||||||||||||||||
Размеры, мм |
||||||||||||||||||||||||
А |
В |
С |
D |
|||||||||||||||||||||
не более |
не менее |
не более |
не более |
не более |
||||||||||||||||||||
589,8 |
594,5 |
596,9 |
604,0 |
28,0 |
||||||||||||||||||||
Характеристики зажигания |
||||||||||||||||||||||||
Частота, Гц |
Расчетное напряжение ПРА, В |
Испытательное напряжение, действующее значение, В |
Время зажигания, с |
|||||||||||||||||||||
50 |
110 |
103,5 |
30 |
|||||||||||||||||||||
60 |
- |
- |
- |
|||||||||||||||||||||
Электрические параметры |
||||||||||||||||||||||||
Частота, Гц |
Расчетная мощность, Вт |
Напряжение на лампе, действующее значение, В |
Расчетный ток лампы, А |
Расчетный ток предварительного подогрева, А |
||||||||||||||||||||
расчетное |
не менее |
не более |
||||||||||||||||||||||
50 |
18 |
57 |
50 |
64 |
0,370 |
0,550 |
||||||||||||||||||
60 |
- |
- |
- |
- |
- |
- |
||||||||||||||||||
Координаты цветности: см. D.2, приложение D. |
||||||||||||||||||||||||
Характеристики образцового ПРА |
||||||||||||||||||||||||
Частота, Гц |
Номинальная мощность, Вт |
Расчетное напряжение, В |
Ток калибровки, А |
Отношение напряжения к току, Ом |
Коэффициент мощности |
|||||||||||||||||||
50 |
20 |
127 |
0,370 |
270 |
0,12 |
|||||||||||||||||||
60 |
- |
- |
- |
- |
- |
|||||||||||||||||||
Информация для расчета ПРА |
||||||||||||||||||||||||
Частота, Гц |
50 |
60 |
||||||||||||||||||||||
Ток предварительного подогрева катода, А |
не менее |
0,333 |
- |
|||||||||||||||||||||
не более |
0,800 |
- |
||||||||||||||||||||||
Напряжение холостого хода на стартере, действующее значение, В, не менее |
103,5 |
- |
||||||||||||||||||||||
Напряжение холостого хода на лампе, пиковое, В, не более |
400 |
- |
||||||||||||||||||||||
Сопротивление заменяющего резистора обоих последовательно соединенных катодов, Ом |
50 |
- |
||||||||||||||||||||||
Напряжение на стартере при работающей лампе, действующее значение, В, не более |
68 |
- |
||||||||||||||||||||||
Информация для расчета стартера |
||||||||||||||||||||||||
Импульсное напряжение, В, не менее |
Напряжение неконтактирования, В, не более |
|||||||||||||||||||||||
800 |
70 |
|||||||||||||||||||||||
|
ЛАМПА ЛЮМИНЕСЦЕНТНАЯ ДВУХЦОКОЛЬНАЯ ЛИСТ С ПАРАМЕТРАМИ |
С. 2 |
МСОЛ: FD-18-E-G13-16/600
Информация для расчета ВЧ ПРА |
|||||||||||||
Типичные параметры лампы |
|||||||||||||
Частота, кГц |
Мощность, Вт |
Напряжение на лампе, В |
Ток лампы, А |
||||||||||
≥ 20 |
16 |
55 |
0,290 |
||||||||||
Ток в любом вводе катодов, А, не более |
0,650 |
||||||||||||
Рабочий ток лампы, А |
не менее |
* |
|||||||||||
не более |
* |
||||||||||||
Предварительный подогрев контролируется током |
|||||||||||||
Наименьший ток предварительного подогрева iк, А, за время эмиссии tе, с, iк = (a/tс + i2т)0,5 |
а |
0,240 |
|||||||||||
iт, A |
0,315 |
||||||||||||
Наибольший ток предварительного подогрева, А |
t ≤ 0,4 |
1,800 |
|||||||||||
0,4 < t < 2,0 |
2,000-0,560t |
||||||||||||
t ≥ 2,0 |
0,900 |
||||||||||||
Напряжение действующее холостого хода на лампе, значение, В |
не более |
t ≤ tе |
270 |
||||||||||
не менее |
t > tе |
280 |
|||||||||||
Напряжение на ЗВУ, пиковое, В |
не более |
t ≤ tе |
* |
||||||||||
не менее |
t > tе |
* |
|||||||||||
Сопротивление заменяющего резистора для каждого катода, Ом |
12,5* |
||||||||||||
Предварительный подогрев контролируется напряжением |
|||||||||||||
* |
|||||||||||||
Без предварительного подогрева |
|||||||||||||
Напряжение холостого хода на лампе, действующее значение на лампе, В, не менее |
* |
||||||||||||
Ток через резистор, заменяющий лампу, А, не менее |
* |
||||||||||||
Сопротивление заменяющего резистора лампы, Ом |
* |
||||||||||||
Сопротивление заменяющего резистора для каждого катода, Ом |
* |
||||||||||||
Ток катода, А, не более |
* |
||||||||||||
* В стадии рассмотрения.
|
ЛАМПА ЛЮМИНЕСЦЕНТНАЯ ДВУХЦОКОЛЬНАЯ ЛИСТ С ПАРАМЕТРАМИ |
|
МСОЛ: FD-20-E-G13-32/600
Номинальная мощность, Вт |
Схема |
Катод |
Цоколь |
Номинальные размеры, мм |
||||||||||||||||||||
20 |
Со стартером |
Предварительного подогрева |
G13 |
32×600 |
||||||||||||||||||||
Размеры, мм |
||||||||||||||||||||||||
А |
В |
С |
D |
|||||||||||||||||||||
не более |
не менее |
не более |
не более |
не более |
||||||||||||||||||||
589,8 |
594,5 |
596,9 |
604,0 |
34,1 |
||||||||||||||||||||
Характеристики зажигания |
||||||||||||||||||||||||
Частота, Гц |
Расчетное напряжение ПРА, В |
Испытательное напряжение, действующее значение, В |
Время зажигания, с |
|||||||||||||||||||||
50 |
110 |
95 |
30 |
|||||||||||||||||||||
60 |
110 |
95 |
30 |
|||||||||||||||||||||
Электрические параметры |
||||||||||||||||||||||||
Частота, Гц |
Расчетная мощность, Вт |
Напряжение на лампе, действующее значение, В |
Расчетный ток лампы, А |
Расчетный ток предварительного подогрева, А |
||||||||||||||||||||
расчетное |
не менее |
не более |
||||||||||||||||||||||
50 |
19 |
58 |
52 |
64 |
0,360 |
0,550 |
||||||||||||||||||
60 |
19 |
58 |
52 |
64 |
0,360 |
0,550 |
||||||||||||||||||
Координаты цветности: см. D.2, приложение D. |
||||||||||||||||||||||||
Характеристики образцового ПРА |
||||||||||||||||||||||||
Частота, Гц |
Номинальная мощность, Вт |
Расчетное напряжение, В |
Ток калибровки, А |
Отношение напряжения к току, Ом |
Коэффициент мощности |
|||||||||||||||||||
50 |
20 |
127 |
0,370 |
270 |
0,12 |
|||||||||||||||||||
60 |
20 |
118 |
0,370 |
240 |
0,075 |
|||||||||||||||||||
Информация для расчета ПРА |
||||||||||||||||||||||||
Частота, Гц |
50 |
60 |
||||||||||||||||||||||
Ток предварительного подогрева катода, А |
не менее |
0,333 |
0,333 |
|||||||||||||||||||||
не более |
0,800 |
0,800 |
||||||||||||||||||||||
Напряжение холостого хода на стартере, действующее значение, В, не менее |
95 |
95 |
||||||||||||||||||||||
Напряжение холостого хода на лампе, пиковое, В, не более |
400 |
400 |
||||||||||||||||||||||
Сопротивление заменяющего резистора обоих последовательно соединенных катодов, Ом |
50 |
50 |
||||||||||||||||||||||
Напряжение на стартере при работающей лампе, действующее значение, В, не более |
68 |
68 |
||||||||||||||||||||||
Информация для расчета стартера |
||||||||||||||||||||||||
Импульсное напряжение, В, не менее |
Напряжение неконтактирования, В, не более |
|||||||||||||||||||||||
800 |
70 |
|||||||||||||||||||||||
|
ЛАМПА ЛЮМИНЕСЦЕНТНАЯ ДВУХЦОКОЛЬНАЯ ЛИСТ С ПАРАМЕТРАМИ |
|
МСОЛ: FD-20-E-G13-38/600
Номинальная мощность, Вт |
Схема |
Катод |
Цоколь |
Номинальные размеры, мм |
|||||||||||||||||||
20 |
Со стартером |
Предварительного подогрева |
G13 |
38×600 |
|||||||||||||||||||
Размеры, мм |
|||||||||||||||||||||||
А |
В |
С |
D |
||||||||||||||||||||
не более |
не менее |
не более |
не более |
не более |
|||||||||||||||||||
589,8 |
594,5 |
596,9 |
604,0 |
40,5 |
|||||||||||||||||||
Характеристики зажигания |
|||||||||||||||||||||||
Частота, Гц |
Расчетное напряжение ПРА, В |
Испытательное напряжение, действующее значение, В |
Время зажигания, с |
||||||||||||||||||||
50 |
110 |
103,5 |
30 |
||||||||||||||||||||
60 |
110 |
103,5 |
30 |
||||||||||||||||||||
Электрические параметры |
|||||||||||||||||||||||
Частота, Гц |
Расчетная мощность, Вт |
Напряжение на лампе, действующее значение, В |
Расчетный ток лампы, А |
Расчетный ток предварительного подогрева, А |
|||||||||||||||||||
расчетное |
не менее |
не более |
|||||||||||||||||||||
50 |
19,3 |
57 |
50 |
64 |
0,370 |
0,550 |
|||||||||||||||||
60 |
20,5 |
57 |
50 |
64 |
0,380 |
0,550 |
|||||||||||||||||
Координаты цветности: см. D.2, приложение D. |
|||||||||||||||||||||||
Характеристики образцового ПРА |
|||||||||||||||||||||||
Частота, Гц |
Номинальная мощность, Вт |
Расчетное напряжение, В |
Ток калибровки, А |
Отношение напряжения к току, Ом |
Коэффициент мощности |
||||||||||||||||||
50 |
20 |
127 |
0,370 |
270 |
0,12 |
||||||||||||||||||
60 |
20 |
118 |
0,380 |
240 |
0,075 |
||||||||||||||||||
Информация для расчета ПРА |
|||||||||||||||||||||||
Частота, Гц |
50 |
60 |
|||||||||||||||||||||
Ток предварительного подогрева катода, А |
не менее |
0,333 |
0,333 |
||||||||||||||||||||
не более |
0,800 |
0,800 |
|||||||||||||||||||||
Напряжение холостого хода на стартере, действующее значение, В, не менее |
103,5 |
103,5 |
|||||||||||||||||||||
Напряжение холостого хода на лампе, пиковое, В, не более |
400 |
400 |
|||||||||||||||||||||
Сопротивление заменяющего резистора обоих последовательно соединенных катодов, Ом |
50 |
50 |
|||||||||||||||||||||
Напряжение на стартере при работающей лампе, действующее значение, В, не более |
68 |
68 |
|||||||||||||||||||||
Информация для расчета стартера |
|||||||||||||||||||||||
Импульсное напряжение, В, не менее |
Напряжение неконтактирования, В, не более |
||||||||||||||||||||||
250 |
70 |
||||||||||||||||||||||
|
ЛАМПА ЛЮМИНЕСЦЕНТНАЯ ДВУХЦОКОЛЬНАЯ ЛИСТ С ПАРАМЕТРАМИ |
|
МСОЛ: FD-25-E-G13-38/970
Номинальная мощность, Вт |
Схема |
Катод |
Цоколь |
Номинальные размеры, мм |
|||||||||||||||||||
25 |
Со стартером |
Предварительного подогрева |
G13 |
38×970 |
|||||||||||||||||||
Размеры, мм |
|||||||||||||||||||||||
А |
В |
С |
D |
||||||||||||||||||||
не более |
не менее |
не более |
не более |
не более |
|||||||||||||||||||
970,0 |
974,7 |
977,1 |
984,2 |
40,5 |
|||||||||||||||||||
Характеристики зажигания |
|||||||||||||||||||||||
Частота, Гц |
Расчетное напряжение ПРА,В |
Испытательное напряжение, действующее значение, В |
Время зажигания, с |
||||||||||||||||||||
50 |
220 |
198 |
30 |
||||||||||||||||||||
60 |
- |
- |
- |
||||||||||||||||||||
Электрические параметры |
|||||||||||||||||||||||
Частота, Гц |
Расчетная мощность, Вт |
Напряжение на лампе, действующее значение, В |
Расчетный ток лампы, А |
Расчетный ток предварительного подогрева, А |
|||||||||||||||||||
расчетное |
не менее |
не более |
|||||||||||||||||||||
50 |
24,5 |
94 |
84 |
104 |
0,290 |
0,450 |
|||||||||||||||||
60 |
- |
- |
- |
- |
- |
- |
|||||||||||||||||
Координаты цветности: см. D.2, приложение D. |
|||||||||||||||||||||||
Характеристики образцового ПРА |
|||||||||||||||||||||||
Частота, Гц |
Номинальная мощность, Вт |
Расчетное напряжение, В |
Ток калибровки, А |
Отношение напряжения к току, Ом |
Коэффициент мощности |
||||||||||||||||||
50 |
25 |
220 |
0,290 |
605 |
0,10 |
||||||||||||||||||
60 |
- |
- |
- |
- |
- |
||||||||||||||||||
Информация для расчета ПРА |
|||||||||||||||||||||||
Частота, Гц |
50 |
60 |
|||||||||||||||||||||
Ток предварительного подогрева катода, А |
не менее |
0,261 |
- |
||||||||||||||||||||
не более |
0,609 |
- |
|||||||||||||||||||||
Напряжение холостого хода на стартере, действующее значение, В, не менее |
198 |
- |
|||||||||||||||||||||
Напряжение холостого хода на лампе, пиковое, В, не более |
400 |
- |
|||||||||||||||||||||
Сопротивление заменяющего резистора обоих последовательно соединенных катодов, Ом |
50 |
- |
|||||||||||||||||||||
Напряжение на стартере при работающей лампе, действующее значение, В, не более |
128 |
- |
|||||||||||||||||||||
Информация для расчета стартера |
|||||||||||||||||||||||
Импульсное напряжение, В, не менее |
Напряжение неконтактирования, В, не более |
||||||||||||||||||||||
400 |
140 |
||||||||||||||||||||||
|
ЛАМПА ЛЮМИНЕСЦЕНТНАЯ ДВУХЦОКОЛЬНАЯ ЛИСТ С ПАРАМЕТРАМИ |
С. 1 |
МСОЛ: FD-30-E-G13-26/900
Номинальная мощность, Вт |
Схема |
Катод |
Цоколь |
Номинальные размеры, мм |
|||||||||||||||||||
30 |
Со стартером |
Предварительного подогрева |
G13 |
26×900 |
|||||||||||||||||||
Размеры, мм |
|||||||||||||||||||||||
А |
В |
С |
D |
||||||||||||||||||||
не более |
не менее |
не более |
не более |
не более |
|||||||||||||||||||
894,6 |
899,3 |
901,7 |
908,8 |
28,0 |
|||||||||||||||||||
Характеристики зажигания |
|||||||||||||||||||||||
Частота, Гц |
Расчетное напряжение ПРА, В |
Испытательное напряжение, действующее значение, В |
Время зажигания, с |
||||||||||||||||||||
50 |
220 |
198 |
30 |
||||||||||||||||||||
60 |
220 |
198 |
30 |
||||||||||||||||||||
Электрические параметры |
|||||||||||||||||||||||
Частота, Гц |
Расчетная мощность, Вт |
Напряжение на лампе, действующее значение, В |
Расчетный ток лампы, А |
Расчетный ток предварительного подогрева, А |
|||||||||||||||||||
расчетное |
не менее |
не более |
|||||||||||||||||||||
50 |
30 |
96 |
86 |
106 |
0,365 |
0,550 |
|||||||||||||||||
60 |
30,5 |
99 |
89 |
109 |
0,355 |
0,530 |
|||||||||||||||||
Координаты цветности: см. D.2, приложение D. |
|||||||||||||||||||||||
Характеристики образцового ПРА |
|
||||||||||||||||||||||
Частота, Гц |
Номинальная мощность, Вт |
Расчетное напряжение, В |
Ток калибровки, А |
Отношение напряжения к току, Ом |
Коэффициент мощности |
||||||||||||||||||
50 |
30 |
220 |
0,360 |
480 |
0,10 |
||||||||||||||||||
60 |
30 |
236 |
0,355 |
548 |
0,075 |
||||||||||||||||||
Информация для расчета ПРА |
|||||||||||||||||||||||
Частота, Гц |
50 |
60 |
|||||||||||||||||||||
Ток предварительного подогрева катода, А |
не менее |
0,328 |
0,328 |
||||||||||||||||||||
не более |
0,766 |
0,766 |
|||||||||||||||||||||
Напряжение холостого хода на стартере, действующее значение, В, не менее |
198 |
198 |
|||||||||||||||||||||
Напряжение холостого хода на лампе, пиковое, В, не более |
400 |
400 |
|||||||||||||||||||||
Сопротивление заменяющего резистора обоих последовательно соединенных катодов, Ом |
50 |
50 |
|||||||||||||||||||||
Напряжение на стартере при работающей лампе, действующее значение, В, не более |
128 |
128 |
|||||||||||||||||||||
Информация для расчета стартера |
|||||||||||||||||||||||
Импульсное напряжение, В, не менее |
Напряжение неконтактирования, В, не более |
||||||||||||||||||||||
400 |
140 |
||||||||||||||||||||||
|
ЛАМПА ЛЮМИНЕСЦЕНТНАЯ ДВУХЦОКОЛЬНАЯ ЛИСТ С ПАРАМЕТРАМИ |
С. 2 |
МСОЛ: FD-30-E-G13-26/900
Информация для расчета ВЧ ПРА |
||||||||||||
Типичные параметры лампы |
||||||||||||
Частота, кГц |
Мощность, Вт |
Напряжение на лампе, В |
Ток лампы, А |
|||||||||
≥ 20 |
24 |
95 |
0,260 |
|||||||||
Ток в любом вводе катодов, А, не более |
0,630 |
|||||||||||
Рабочий ток лампы, А |
не менее |
* |
||||||||||
не более |
* |
|||||||||||
Предварительный подогрев контролируется током |
||||||||||||
Наименьший ток предварительного подогрева iк, А, за время эмиссии tе, с, iк = (a/tс + i2т)0,5 |
а |
0,240 |
||||||||||
iт, A |
0,310 |
|||||||||||
Наибольший ток предварительного подогрева, А |
t ≤ 0,4 |
1,600 |
||||||||||
0,4 < t < 2,0 |
1,810-0,525t |
|||||||||||
t ≥ 2,0 |
0,760 |
|||||||||||
Напряжение холостого хода на лампе, действующее значение, В |
не более |
t ≤ tе |
* |
|||||||||
не менее |
t > tе |
* |
||||||||||
Напряжение на ЗВУ, пиковое, В |
не более |
t ≤ tе |
* |
|||||||||
не менее |
t > tе |
* |
||||||||||
Сопротивление заменяющего резистора для каждого катода, Ом |
12,5* |
|||||||||||
Предварительный подогрев контролируется напряжением |
||||||||||||
* |
||||||||||||
Без предварительного подогрева |
||||||||||||
Напряжение холостого хода на лампе, действующее значение, В, не менее |
* |
|||||||||||
Ток через резистор, заменяющий лампу, А, не менее |
* |
|||||||||||
Сопротивление заменяющего резистора лампы, Ом |
* |
|||||||||||
Сопротивление заменяющего резистора для каждого катода, Ом |
* |
|||||||||||
Ток катода, А, не более |
* |
|||||||||||
* В стадии рассмотрения
|
ЛАМПА ЛЮМИНЕСЦЕНТНАЯ ДВУХЦОКОЛЬНАЯ ЛИСТ С ПАРАМЕТРАМИ |
|
МСОЛ: FD-30-E-G13-36/900
Номинальная мощность, Вт |
Схема |
Катод |
Цоколь |
Номинальные размеры, мм |
||||||||||||||||||
30 |
Со стартером |
Предварительного подогрева |
G13 |
36×900 |
||||||||||||||||||
Размеры, мм |
||||||||||||||||||||||
А |
В |
C |
D |
|||||||||||||||||||
не более |
не менее |
не более |
не более |
не более |
||||||||||||||||||
894,6 |
899,3 |
901,7 |
908,8 |
40,5 |
||||||||||||||||||
Характеристики зажигания |
||||||||||||||||||||||
Частота, Гц |
Расчетное напряжение ПРА, В |
Испытательное напряжение, действующее значение, В |
Время зажигания, с |
|||||||||||||||||||
50 |
220 |
198 |
30 |
|||||||||||||||||||
60 |
- |
- |
- |
|||||||||||||||||||
Электрические параметры |
||||||||||||||||||||||
Частота, Гц |
Расчетная мощность, Вт |
Напряжение на лампе, действующее значение, В |
Расчетный ток лампы, А |
Расчетный ток предварительного подогрева, А |
||||||||||||||||||
расчетное |
не менее |
не более |
||||||||||||||||||||
50 |
29,5 |
81 |
71 |
91 |
0,405 |
0,620 |
||||||||||||||||
60 |
- |
- |
- |
- |
- |
- |
||||||||||||||||
Координаты цветности: см. D.2, приложение D. |
||||||||||||||||||||||
Характеристики образцового ПРА |
||||||||||||||||||||||
Частота, Гц |
Номинальная мощность, Вт |
Расчетное напряжение, В |
Ток калибровки, А |
Отношение напряжения к току, Ом |
Коэффициент мощности |
|||||||||||||||||
50 |
30 |
220 |
0,405 |
460 |
0,10 |
|||||||||||||||||
60 |
- |
- |
- |
- |
- |
|||||||||||||||||
Информация для расчета ПРА |
||||||||||||||||||||||
Частота, Гц |
50 |
60 |
||||||||||||||||||||
Ток предварительного подогрева катода, А |
не менее |
0,365 |
- |
|||||||||||||||||||
не более |
0,850 |
- |
||||||||||||||||||||
Напряжение холостого хода на стартере, действующее значение, В, не менее |
198 |
- |
||||||||||||||||||||
Напряжение холостого хода на лампе, пиковое, В, не более |
400 |
- |
||||||||||||||||||||
Сопротивление заменяющего резистора обоих последовательно соединенных катодов, Ом |
50 |
- |
||||||||||||||||||||
Напряжение на стартере при работающей лампе, действующее значение, В, не более |
128 |
- |
||||||||||||||||||||
Информация для расчета стартера |
||||||||||||||||||||||
Импульсное напряжение, В, не менее |
Напряжение неконтактирования, В, не более |
|||||||||||||||||||||
400 |
140 |
|||||||||||||||||||||
|
ЛАМПА ЛЮМИНЕСЦЕНТНАЯ ДВУХЦОКОЛЬНАЯ ЛИСТ С ПАРАМЕТРАМИ |
С. 1 |
МСОЛ: FD-36-E-G13-26/1200
Номинальная мощность, Вт |
Схема |
Катод |
Цоколь |
Номинальные размеры, мм |
||||||||||||||||||||
36 |
Со стартером |
Предварительного подогрева |
G13 |
26×1200 |
||||||||||||||||||||
Размеры, мм |
||||||||||||||||||||||||
А |
В |
С |
D |
|||||||||||||||||||||
не более |
не менее |
не более |
не более |
не более |
||||||||||||||||||||
1199,4 |
1204,1 |
1206,5 |
1213,6 |
28,0 |
||||||||||||||||||||
Характеристики зажигания |
||||||||||||||||||||||||
Частота, Гц |
Расчетное напряжение ПРА, В |
Испытательное напряжение, действующее значение, В |
Время зажигания, с |
|||||||||||||||||||||
50 |
220 |
198 |
30 |
|||||||||||||||||||||
60 |
- |
- |
- |
|||||||||||||||||||||
Электрические параметры |
||||||||||||||||||||||||
Частота, Гц |
Расчетная мощность, Вт |
Напряжение на лампе, действующее значение, В |
Расчетный ток лампы, А |
Расчетный ток предварительного подогрева, А |
||||||||||||||||||||
расчетное |
не менее |
не более |
||||||||||||||||||||||
50 |
36 |
103 |
93 |
113 |
0,430 |
0,650 |
||||||||||||||||||
60 |
- |
- |
- |
- |
- |
- |
||||||||||||||||||
Координаты цветности: см. D.2, приложение D. |
||||||||||||||||||||||||
Характеристики образцового ПРА |
||||||||||||||||||||||||
Частота, Гц |
Номинальная мощность, Вт |
Расчетное напряжение, В |
Ток калибровки, А |
Отношение напряжения к току, Ом |
Коэффициент мощности |
|||||||||||||||||||
50 |
40 |
220 |
0,430 |
390 |
0,10 |
|||||||||||||||||||
60 |
- |
- |
- |
- |
- |
|||||||||||||||||||
Информация для расчета ПРА |
||||||||||||||||||||||||
Частота, Гц |
50 |
60 |
||||||||||||||||||||||
Ток предварительного подогрева катода, А |
не менее |
0,387 |
- |
|||||||||||||||||||||
не более |
0,904 |
- |
||||||||||||||||||||||
Напряжение холостого хода на стартере, действующее значение, В, не менее |
198 |
- |
||||||||||||||||||||||
Напряжение холостого хода на лампе, пиковое, В, не более |
400 |
- |
||||||||||||||||||||||
Сопротивление заменяющего резистора обоих последовательно соединенных катодов, Ом |
40 |
- |
||||||||||||||||||||||
Напряжение на стартере при работающей лампе, действующее значение, В, не более |
128 |
- |
||||||||||||||||||||||
Информация для расчета стартера |
||||||||||||||||||||||||
Импульсное напряжение, В, не менее |
Напряжение неконтактирования, В, не более |
|||||||||||||||||||||||
800 |
140 |
|||||||||||||||||||||||
|
ЛАМПА ЛЮМИНЕСЦЕНТНАЯ ДВУХЦОКОЛЬНАЯ ЛИСТ С ПАРАМЕТРАМИ |
С 2 |
МСОЛ: FD-36-E-G13-26/1200
Информация для расчета ВЧ ПРА |
||||||||||||
Типичные параметры лампы |
||||||||||||
Частота, кГц |
Мощность, Вт |
Напряжение на лампе, В |
Ток лампы, А |
|||||||||
≥ 20 |
32 |
102 |
0,320 |
|||||||||
Ток в любом вводе катодов, А, не более |
0,750 |
|||||||||||
Рабочий ток лампы, А |
не менее |
* |
||||||||||
не более |
* |
|||||||||||
Предварительный подогрев контролируется током |
||||||||||||
Наименьший ток предварительного подогрева iк, А, за время эмиссии tе, с, iк = (a/tе + i2т)0,5 |
а |
0,340 |
||||||||||
iт, A |
0,300 |
|||||||||||
Наибольший ток предварительного подогрева, А |
t ≤ 0,4 |
1,900 |
||||||||||
0,4 < t < 2,0 |
2,150-0,630t |
|||||||||||
t ≥ 2,0 |
0,900 |
|||||||||||
Напряжение холостого хода на лампе, действующее значение, В |
не более |
t ≤ tе |
290* |
|||||||||
не менее |
t > tе |
330* |
||||||||||
Напряжение на ЗВУ, пиковое, В |
не более |
t ≤ tе |
410* |
|||||||||
не менее |
t > tе |
465* |
||||||||||
Сопротивление заменяющего резистора для каждого катода, Ом |
10* |
|||||||||||
Предварительный подогрев контролируется напряжением |
||||||||||||
* |
||||||||||||
Без предварительного подогрева |
||||||||||||
Напряжение холостого хода на лампе, действующее значение, В, не менее |
800 |
|||||||||||
Ток через резистор, заменяющий лампу, А, не менее |
0,200 |
|||||||||||
Сопротивление заменяющего резистора лампы, Ом |
1000 |
|||||||||||
Сопротивление заменяющего резистора для каждого катода, Ом |
2 |
|||||||||||
Ток катода, А, не более |
2,200 |
|||||||||||
* В стадии рассмотрения
|
ЛАМПА ЛЮМИНЕСЦЕНТНАЯ ДВУХЦОКОЛЬНАЯ ЛИСТ С ПАРАМЕТРАМИ |
С. 1 |
МСОЛ: FD-38-E-G13-26/1050
Номинальная мощность, Вт |
Схема |
Катод |
Цоколь |
Номинальные размеры, мм |
|||||||||||||||||||||
38 |
Со стартером |
Предварительного подогрева |
G13 |
26×1050 |
|||||||||||||||||||||
Размеры, мм |
|||||||||||||||||||||||||
А |
В |
С |
D |
||||||||||||||||||||||
не более |
не менее |
не более |
не более |
не более |
|||||||||||||||||||||
1047,0 |
1051,7 |
1054,1 |
1061,2 |
28,0 |
|||||||||||||||||||||
Характеристики зажигания |
|||||||||||||||||||||||||
Частота, Гц |
Расчетное напряжение ПРА, В |
Испытательное напряжение, действующее значение, В |
Время зажигания, с |
||||||||||||||||||||||
50 |
220 |
198 |
30 |
||||||||||||||||||||||
60 |
- |
- |
- |
||||||||||||||||||||||
Электрические параметры |
|||||||||||||||||||||||||
Частота, Гц |
Расчетная мощность, Вт |
Напряжение на лампе, действующее значение, В |
Расчетный ток лампы, А |
Расчетный ток предварительного подогрева, А |
|||||||||||||||||||||
расчетное |
не менее |
не более |
|||||||||||||||||||||||
50 |
38,5 |
104 |
94 |
114 |
0,430 |
0,650 |
|||||||||||||||||||
60 |
- |
- |
- |
- |
- |
- |
|||||||||||||||||||
Координаты цветности: см. D.2, приложение D. |
|||||||||||||||||||||||||
Характеристики образцового ПРА |
|||||||||||||||||||||||||
Частота, Гц |
Номинальная мощность, Вт |
Расчетное напряжение, В |
Ток калибровки, А |
Отношение напряжения к току, Ом |
Коэффициент мощности |
||||||||||||||||||||
50 |
40 |
220 |
0,430 |
390 |
0,10 |
||||||||||||||||||||
60 |
- |
- |
- |
- |
- |
||||||||||||||||||||
Информация для расчета ПРА |
|||||||||||||||||||||||||
Частота, Гц |
50 |
60 |
|||||||||||||||||||||||
Ток предварительного подогрева катода, А |
не менее |
0,387 |
- |
||||||||||||||||||||||
не более |
0,904 |
- |
|||||||||||||||||||||||
Напряжение холостого хода на стартере, действующее значение, В, не менее |
198 |
- |
|||||||||||||||||||||||
Напряжение холостого хода на лампе, пиковое, В, не более |
400 |
- |
|||||||||||||||||||||||
Сопротивление заменяющего резистора обоих последовательно соединенных катодов, Ом |
40 |
- |
|||||||||||||||||||||||
Напряжение на стартере при работающей лампе, действующее значение, В, не более |
128 |
- |
|||||||||||||||||||||||
Информация для расчета стартера |
|||||||||||||||||||||||||
Импульсное напряжение, В, не менее |
Напряжение неконтактирования, В, не более |
||||||||||||||||||||||||
800 |
140 |
||||||||||||||||||||||||
|
ЛАМПА ЛЮМИНЕСЦЕНТНАЯ ДВУХЦОКОЛЬНАЯ ЛИСТ С ПАРАМЕТРАМИ |
С. 2 |
МСОЛ: FD-38-E-G13-26/1050
Информация для расчета ВЧ ПРА |
||||||||||||
Типичные параметры лампы |
||||||||||||
Частота, кГц |
Мощность, Вт |
Напряжение на лампе, В |
Ток лампы, А |
|||||||||
≥ 20 |
32 |
105 |
0,310 |
|||||||||
Ток в любом вводе катодов, А, не более |
0,750 |
|||||||||||
Рабочий ток лампы, А |
не менее |
* |
||||||||||
не более |
* |
|||||||||||
Предварительный подогрев контролируется током |
||||||||||||
Наименьший ток предварительного подогрева iк, А, за время эмиссии tе, с, iк = (a/tе + i2т)0,5 |
а |
0,340 |
||||||||||
iт, A |
0,350 |
|||||||||||
Наибольший ток предварительного подогрева, А |
t ≤ 0,4 |
1,900 |
||||||||||
0,4 < t < 2,0 |
2,150-0,630t |
|||||||||||
t ≥ 2,0 |
0,900 |
|||||||||||
Напряжение холостого хода на лампе, действующее значение, В |
не более |
t ≤ tе |
240* |
|||||||||
не менее |
t > tе |
230* |
||||||||||
Напряжение на ЗВУ, пиковое, В |
не более |
t ≤ tе |
340* |
|||||||||
не менее |
t > tе |
325* |
||||||||||
Сопротивление заменяющего резистора для каждого катода, Ом |
10* |
|||||||||||
Предварительный подогрев контролируется напряжением |
||||||||||||
* |
||||||||||||
Без предварительного подогрева |
||||||||||||
Напряжение холостого хода на лампе, действующее значение, В, не менее |
800 |
|||||||||||
Ток через резистор, заменяющий лампу, А, не менее |
0,200 |
|||||||||||
Сопротивление заменяющего резистора лампы, Ом |
1000 |
|||||||||||
Сопротивление заменяющего резистора для каждого катода, Ом |
2 |
|||||||||||
Ток катода, А, не более |
2,200 |
|||||||||||
* В стадии рассмотрения
|
ЛАМПА ЛЮМИНЕСЦЕНТНАЯ ДВУХЦОКОЛЬНАЯ ЛИСТ С ПАРАМЕТРАМИ |
|
МСОЛ: FD-40-E-G13-32/1200
Номинальная мощность, Вт |
Схема |
Катод |
Цоколь |
Номинальные размеры, мм |
||||||||||||||||||
40 |
Со стартером |
Предварительного подогрева |
G13 |
32×1200 |
||||||||||||||||||
Размеры, мм |
||||||||||||||||||||||
А |
В |
С |
D |
|||||||||||||||||||
не более |
не менее |
не более |
не более |
не более |
||||||||||||||||||
1199,4 |
1204,1 |
1206,5 |
1213,6 |
34,1 |
||||||||||||||||||
Характеристики зажигания |
||||||||||||||||||||||
Частота, Гц |
Расчетное напряжение ПРА, В |
Испытательное напряжение, действующее значение, В |
Время зажигания, с |
|||||||||||||||||||
50 |
220 |
180 |
30 |
|||||||||||||||||||
60 |
220 |
180 |
30 |
|||||||||||||||||||
Электрические параметры |
||||||||||||||||||||||
Частота, Гц |
Расчетная мощность, Вт |
Напряжение на лампе, действующее значение, В |
Расчетный ток лампы, А |
Расчетный ток предварительного подогрева, А |
||||||||||||||||||
расчетное |
не менее |
не более |
||||||||||||||||||||
50 |
39 |
106 |
99 |
113 |
0,420 |
0,650 |
||||||||||||||||
60 |
39,5 |
105 |
98 |
112 |
0,425 |
0,650 |
||||||||||||||||
Координаты цветности: см. D.2, приложение D. |
||||||||||||||||||||||
Характеристики образцового ПРА |
||||||||||||||||||||||
Частота, Гц |
Номинальная мощность, Вт |
Расчетное напряжение, В |
Ток калибровки, А |
Отношение напряжения к току, Ом |
Коэффициент мощности |
|||||||||||||||||
50 |
40 |
220 |
0,430 |
390 |
0,10 |
|||||||||||||||||
60 |
40 |
236 |
0,430 |
439 |
0,075 |
|||||||||||||||||
Информация для расчета ПРА |
||||||||||||||||||||||
Частота, Гц |
50 |
60 |
||||||||||||||||||||
Ток предварительного подогрева катода, А |
не менее |
0,387 |
0,387 |
|||||||||||||||||||
не более |
0,904 |
0,904 |
||||||||||||||||||||
Напряжение холостого хода на стартере, действующее значение, В, не менее |
180 |
180 |
||||||||||||||||||||
Напряжение холостого хода на лампе, пиковое, В, не более |
400 |
400 |
||||||||||||||||||||
Сопротивление заменяющего резистора обоих последовательно соединенных катодов, Ом |
40 |
40 |
||||||||||||||||||||
Напряжение на стартере при работающей лампе, действующее значение, В, не более |
128 |
128 |
||||||||||||||||||||
Информация для расчета стартера |
||||||||||||||||||||||
Импульсное напряжение, В, не менее |
Напряжение неконтактирования, В, не более |
|||||||||||||||||||||
900 |
130 |
|||||||||||||||||||||
|
ЛАМПА ЛЮМИНЕСЦЕНТНАЯ ДВУХЦОКОЛЬНАЯ ЛИСТ С ПАРАМЕТРАМИ |
|
МСОЛ: FD-40-E-G13-38/1200
Номинальная мощность, Вт |
Схема |
Катод |
Цоколь |
Номинальные размеры, мм |
||||||||||||||||||||
40 |
Со стартером |
Предварительного подогрева |
G13 |
38×1200 |
||||||||||||||||||||
Размеры, мм |
||||||||||||||||||||||||
А |
В |
С |
D |
|||||||||||||||||||||
не более |
не менее |
не более |
не более |
не более |
||||||||||||||||||||
1199,4 |
1204,1 |
1206,5 |
1213,6 |
40,5 |
||||||||||||||||||||
Характеристики зажигания |
||||||||||||||||||||||||
Частота, Гц |
Расчетное напряжение ПРА, В |
Испытательное напряжение, действующее значение, В |
Время зажигания, с |
|||||||||||||||||||||
50 |
220 |
198 |
30 |
|||||||||||||||||||||
60 |
220 |
198 |
30 |
|||||||||||||||||||||
Электрические параметры |
||||||||||||||||||||||||
Частота, Гц |
Расчетная мощность, Вт |
Напряжение на лампе, действующее значение, В |
Расчетный ток лампы, А |
Расчетный ток предварительного подогрева, А |
||||||||||||||||||||
расчетное |
не менее |
не более |
||||||||||||||||||||||
50 |
39,5 |
103 |
93 |
113 |
0,430 |
0,650 |
||||||||||||||||||
60 |
40 |
102 |
92 |
112 |
0,435 |
0,650 |
||||||||||||||||||
Координаты цветности: см. D.2, приложение D. |
||||||||||||||||||||||||
Характеристики образцового ПРА |
||||||||||||||||||||||||
Частота, Гц |
Номинальная мощность, Вт |
Расчетное напряжение, В |
Ток калибровки, А |
Отношение напряжения к току, Ом |
Коэффициент мощности |
|||||||||||||||||||
50 |
40 |
220 |
0,430 |
390 |
0,10 |
|||||||||||||||||||
60 |
40 |
236 |
0,430 |
439 |
0,075 |
|||||||||||||||||||
Информация для расчета ПРА |
||||||||||||||||||||||||
Частота, Гц |
50 |
60 |
||||||||||||||||||||||
Ток предварительного подогрева катода, А |
не менее |
0,387 |
0,387 |
|||||||||||||||||||||
не более |
0,904 |
0,904 |
||||||||||||||||||||||
Напряжение холостого хода на стартере, действующее значение, В, не менее |
198 |
198 |
||||||||||||||||||||||
Напряжение холостого хода на лампе, пиковое, В, не более |
400 |
400 |
||||||||||||||||||||||
Сопротивление заменяющего резистора обоих последовательно соединенных катодов, Ом |
40 |
40 |
||||||||||||||||||||||
Напряжение на стартере при работающей лампе, действующее значение, В, не более |
128 |
128 |
||||||||||||||||||||||
Информация для расчета стартера |
||||||||||||||||||||||||
Импульсное напряжение, В, не менее |
Напряжение неконтактирования, В, не более |
|||||||||||||||||||||||
400 |
140 |
|||||||||||||||||||||||
|
ЛАМПА ЛЮМИНЕСЦЕНТНАЯ ДВУХЦОКОЛЬНАЯ ЛИСТ С ПАРАМЕТРАМИ |
С. 1 |
МСОЛ: FD-58-E-G13-26/1500
Номинальная мощность, Вт |
Схема |
Катод |
Цоколь |
Номинальные размеры, мм |
||||||||||||||||||||
58 |
Со стартером |
Предварительного подогрева |
G13 |
26×1500 |
||||||||||||||||||||
Размеры, мм |
||||||||||||||||||||||||
А |
В |
С |
D |
|||||||||||||||||||||
не более |
не менее |
не более |
не более |
не более |
||||||||||||||||||||
1500,0 |
1504,7 |
1507,1 |
1514,2 |
28,0 |
||||||||||||||||||||
Характеристики зажигания |
||||||||||||||||||||||||
Частота, Гц |
Расчетное напряжение ПРА, В |
Испытательное напряжение, действующее значение, В |
Время зажигания, с |
|||||||||||||||||||||
50 |
220 |
198 |
30 |
|||||||||||||||||||||
60 |
- |
- |
- |
|||||||||||||||||||||
Электрические параметры |
||||||||||||||||||||||||
Частота, Гц |
Расчетная мощность, Вт |
Напряжение на лампе, действующее значение, В |
Расчетный ток лампы, А |
Расчетный ток предварительного подогрева, А |
||||||||||||||||||||
расчетное |
не менее |
не более |
||||||||||||||||||||||
50 |
58 |
ПО |
100 |
120 |
0,670 |
1,000 |
||||||||||||||||||
60 |
- |
- |
- |
- |
- |
- |
||||||||||||||||||
Координаты цветности: см. D.2, приложение D. |
||||||||||||||||||||||||
Характеристики образцового ПРА |
||||||||||||||||||||||||
Частота, Гц |
Номинальная мощность, Вт |
Расчетное напряжение, В |
Ток калибровки, А |
Отношение напряжения к току, Ом |
Коэффициент мощности |
|||||||||||||||||||
50 |
65 |
220 |
0,670 |
240 |
0,10 |
|||||||||||||||||||
60 |
- |
- |
- |
- |
- |
|||||||||||||||||||
Информация для расчета ПРА |
||||||||||||||||||||||||
Частота, Гц |
50 |
60 |
||||||||||||||||||||||
Ток предварительного подогрева катода, А |
не менее |
0,603 |
- |
|||||||||||||||||||||
не более |
1,410 |
- |
||||||||||||||||||||||
Напряжение холостого хода на стартере, действующее значение, В, не менее |
198 |
- |
||||||||||||||||||||||
Напряжение холостого хода на лампе, пиковое, В, не более |
400 |
- |
||||||||||||||||||||||
Сопротивление заменяющего резистора обоих последовательно соединенных катодов, Ом |
25 |
- |
||||||||||||||||||||||
Напряжение на стартере при работающей лампе, действующее значение, В, не более |
132 |
- |
||||||||||||||||||||||
Информация для расчета стартера |
||||||||||||||||||||||||
Импульсное напряжение, В, не менее |
Напряжение неконтактирования, В, не более |
|||||||||||||||||||||||
900 |
140 |
|||||||||||||||||||||||
|
ЛАМПА ЛЮМИНЕСЦЕНТНАЯ ДВУХЦОКОЛЬНАЯ ЛИСТ С ПАРАМЕТРАМИ |
С. 2 |
МСОЛ: FD-58-E-G13-26/1500
Информация для расчета ВЧ ПРА |
||||||||||||
Типичные параметры лампы |
||||||||||||
Частота, кГц |
Мощность, Вт |
Напряжение на лампе, В |
Ток лампы, А |
|||||||||
≥ 20 |
50 |
111 |
0,455 |
|||||||||
Ток в любом вводе катодов, А, не более |
1,100 |
|||||||||||
Рабочий ток лампы, А |
не менее |
* |
||||||||||
не более |
* |
|||||||||||
Предварительный подогрев контролируется током |
||||||||||||
Наименьший ток предварительного подогрева iк, А, за время эмиссии tе, с, iк = (a/tе + i2т)0,5 |
а |
0,390 |
||||||||||
iт, A |
0,350 |
|||||||||||
Наибольший ток предварительного подогрева, А |
t ≤ 0,4 |
2,900 |
||||||||||
0,4 < t < 2,0 |
3,300-0,970t |
|||||||||||
t ≥ 2,0 |
1,350 |
|||||||||||
Напряжение холостого хода на лампе, действующее значение, В |
не более |
t ≤ tе |
295* |
|||||||||
не менее |
t > tе |
335* |
||||||||||
Напряжение на ЗВУ, пиковое, В |
не более |
t ≤ tе |
420* |
|||||||||
не менее |
t > tе |
475* |
||||||||||
Сопротивление заменяющего резистора для каждого катода, Ом |
8* |
|||||||||||
Предварительный подогрев контролируется напряжением |
||||||||||||
* |
||||||||||||
Без предварительного подогрева |
||||||||||||
Напряжение холостого хода на лампе, действующее значение, В, не менее |
800 |
|||||||||||
Ток через резистор, заменяющий лампу, А, не менее |
0,250 |
|||||||||||
Сопротивление заменяющего резистора лампы, Ом |
800 |
|||||||||||
Сопротивление заменяющего резистора для каждого катода, Ом |
2 |
|||||||||||
Ток катода, А, не более |
3,000 |
|||||||||||
* В стадии рассмотрения.
|
ЛАМПА ЛЮМИНЕСЦЕНТНАЯ ДВУХЦОКОЛЬНАЯ ЛИСТ С ПАРАМЕТРАМИ |
|
МСОЛ: FD-65-E-G13-32/1500
Номинальная мощность, Вт |
Схема |
Катод |
Цоколь |
Номинальные размеры, мм |
|||||||||||||||||||
65 |
Со стартером |
Предварительного подогрева |
G13 |
32×1500 |
|||||||||||||||||||
Размеры, мм |
|||||||||||||||||||||||
А |
В |
С |
D |
||||||||||||||||||||
не более |
не менее |
не более |
не более |
не более |
|||||||||||||||||||
1500,0 |
1504,7 |
1507,1 |
1514,2 |
34,1 |
|||||||||||||||||||
Характеристики зажигания |
|||||||||||||||||||||||
Частота, Гц |
Расчетное напряжение ПРА, В |
Испытательное напряжение, действующее значение, В |
Время зажигания, с |
||||||||||||||||||||
50 |
220 |
198 |
30 |
||||||||||||||||||||
60 |
- |
- |
- |
||||||||||||||||||||
Электрические параметры |
|||||||||||||||||||||||
Частота, Гц |
Расчетная мощность, Вт |
Напряжение на лампе, действующее значение, В |
Расчетный ток лампы, А |
Расчетный ток предварительного подогрева, А |
|||||||||||||||||||
расчетное |
не менее |
не более |
|||||||||||||||||||||
50 |
62 |
110 |
100 |
120 |
0,670 |
1,000 |
|||||||||||||||||
60 |
- |
- |
- |
- |
- |
- |
|||||||||||||||||
Координаты цветности: см. D.2, приложение D. |
|||||||||||||||||||||||
Характеристики образцового ПРА |
|||||||||||||||||||||||
Частота, Гц |
Номинальная мощность, Вт |
Расчетное напряжение, В |
Ток калибровки, А |
Отношение напряжения к току, Ом |
Коэффициент мощности |
||||||||||||||||||
50 |
65 |
220 |
0,670 |
240 |
0,10 |
||||||||||||||||||
60 |
- |
- |
- |
- |
- |
||||||||||||||||||
Информация для расчета ПРА |
|||||||||||||||||||||||
Частота, Гц |
50 |
60 |
|||||||||||||||||||||
Ток предварительного подогрева катода, А |
не менее |
0,603 |
- |
||||||||||||||||||||
не более |
1,410 |
- |
|||||||||||||||||||||
Напряжение холостого хода на стартере, действующее значение, В, не менее |
198 |
- |
|||||||||||||||||||||
Напряжение холостого хода на лампе, пиковое, В, не более |
400 |
- |
|||||||||||||||||||||
Сопротивление заменяющего резистора обоих последовательно соединенных катодов, Ом |
25 |
- |
|||||||||||||||||||||
Напряжение на стартере при работающей лампе, действующее значение, В, не более |
132 |
- |
|||||||||||||||||||||
Информация для расчета стартера |
|||||||||||||||||||||||
Импульсное напряжение, В, не менее |
Напряжение неконтактирования, В, не более |
||||||||||||||||||||||
900 |
140 |
||||||||||||||||||||||
|
ЛАМПА ЛЮМИНЕСЦЕНТНАЯ ДВУХЦОКОЛЬНАЯ ЛИСТ С ПАРАМЕТРАМИ |
|
МСОЛ: FD-65-E-G13-38/1500
Номинальная мощность, Вт |
Схема |
Катод |
Цоколь |
Номинальные размеры, мм |
|||||||||||||||||||
65 |
Со стартером |
Предварительного подогрева |
G13 |
38×1500 |
|||||||||||||||||||
Размеры, мм |
|||||||||||||||||||||||
А |
В |
С |
D |
||||||||||||||||||||
не более |
не менее |
не более |
не более |
не более |
|||||||||||||||||||
1500,0 |
1504,7 |
1507,1 |
1514,2 |
40,5 |
|||||||||||||||||||
Характеристики зажигания |
|||||||||||||||||||||||
Частота, Гц |
Расчетное напряжение ПРА, В |
Испытательное напряжение, действующее значение, В |
Время зажигания, с |
||||||||||||||||||||
50 |
220 |
198 |
30 |
||||||||||||||||||||
60 |
- |
- |
- |
||||||||||||||||||||
Электрические параметры |
|||||||||||||||||||||||
Частота, Гц |
Расчетная мощность, Вт |
Напряжение на лампе, действующее значение, В |
Расчетный ток лампы, А |
Расчетный ток предварительного подогрева, А |
|||||||||||||||||||
расчетное |
не менее |
не более |
|||||||||||||||||||||
50 |
64 |
НО |
100 |
120 |
0,670 |
1,000 |
|||||||||||||||||
60 |
- |
- |
- |
- |
- |
- |
|||||||||||||||||
Координаты цветности: см. D.2, приложение D. |
|||||||||||||||||||||||
Характеристики образцового ПРА |
|
||||||||||||||||||||||
Частота, Гц |
Номинальная мощность, Вт |
Расчетное напряжение, В |
Ток калибровки, А |
Отношение напряжения к току, Ом |
Коэффициент мощности |
||||||||||||||||||
50 |
65 |
220 |
0,670 |
240 |
0,10 |
||||||||||||||||||
60 |
- |
- |
- |
- |
- |
||||||||||||||||||
Информация для расчета ПРА |
|||||||||||||||||||||||
Частота, Гц |
50 |
60 |
|||||||||||||||||||||
Ток предварительного подогрева катода, А |
не менее |
0,603 |
- |
||||||||||||||||||||
не более |
1,410 |
- |
|||||||||||||||||||||
Напряжение холостого хода на стартере, действующее значение, В, не менее |
198 |
- |
|||||||||||||||||||||
Напряжение холостого хода на лампе, пиковое, В, не более |
400 |
- |
|||||||||||||||||||||
Сопротивление заменяющего резистора обоих последовательно соединенных катодов, Ом |
25 |
- |
|||||||||||||||||||||
Напряжение на стартере при работающей лампе, действующее значение, В, не более |
132 |
- |
|||||||||||||||||||||
Информация для расчета стартера |
|||||||||||||||||||||||
Импульсное напряжение, В, не менее |
Напряжение неконтактирования, В, не более |
||||||||||||||||||||||
400 |
140 |
||||||||||||||||||||||
|
ЛАМПА ЛЮМИНЕСЦЕНТНАЯ ДВУХЦОКОЛЬНАЯ ЛИСТ С ПАРАМЕТРАМИ |
С. 1 |
МСОЛ: FD-70-E-G13-26/1800
Номинальная мощность, Вт |
Схема |
Катод |
Цоколь |
Номинальные размеры, мм |
||||||||||||||||||||
70 |
Со стартером |
Предварительного подогрева |
G13 |
26×1800 |
||||||||||||||||||||
Размеры, мм |
||||||||||||||||||||||||
А |
В |
С |
D |
|||||||||||||||||||||
не более |
не менее |
не более |
не более |
не более |
||||||||||||||||||||
1763,8 |
1768,5 |
1770,9 |
1778,0 |
28,0 |
||||||||||||||||||||
Характеристики зажигания |
||||||||||||||||||||||||
Частота, Гц |
Расчетное напряжение ПРА, В |
Испытательное напряжение, действующее значение, В |
Время зажигания, с |
|||||||||||||||||||||
50 |
240 |
216 |
30 |
|||||||||||||||||||||
60 |
240 |
216 |
30 |
|||||||||||||||||||||
Электрические параметры |
||||||||||||||||||||||||
Частота, Гц |
Расчетная мощность, Вт |
Напряжение на лампе, действующее значение, В |
Расчетный ток лампы, А |
Расчетный ток предварительного подогрева, А |
||||||||||||||||||||
расчетное |
не менее |
не более |
||||||||||||||||||||||
50 |
69,5 |
128 |
118 |
138 |
0,700 |
1,000 |
||||||||||||||||||
60 |
69,5 |
128 |
118 |
138 |
0,700 |
1,000 |
||||||||||||||||||
Координаты цветности: см. D.2, приложение D. |
||||||||||||||||||||||||
Характеристики образцового ПРА |
||||||||||||||||||||||||
Частота, Гц |
Номинальная мощность, Вт |
Расчетное напряжение, В |
Ток калибровки, А |
Отношение напряжения к току, Ом |
Коэффициент мощности |
|||||||||||||||||||
50 |
70 |
240 |
0,700 |
240 |
0,10 |
|||||||||||||||||||
60 |
70 |
240 |
0,700 |
240 |
0,10 |
|||||||||||||||||||
Информация для расчета ПРА |
||||||||||||||||||||||||
Частота, Гц |
50 |
60 |
||||||||||||||||||||||
Ток предварительного подогрева катода, А |
не менее |
0,590 |
0,590 |
|||||||||||||||||||||
не более |
1,470 |
1,470 |
||||||||||||||||||||||
Напряжение холостого хода на стартере, действующее значение, В, не менее |
216 |
216 |
||||||||||||||||||||||
Напряжение холостого хода на лампе, пиковое, В, не более |
400 |
400 |
||||||||||||||||||||||
Сопротивление заменяющего резистора обоих последовательно соединенных катодов, Ом |
25 |
25 |
||||||||||||||||||||||
Напряжение на стартере при работающей лампе, действующее значение, В, не более |
160 |
160 |
||||||||||||||||||||||
Информация для расчета стартера |
||||||||||||||||||||||||
Импульсное напряжение, В, не менее |
Напряжение неконтактирования, В, не более |
|||||||||||||||||||||||
900 |
170 |
|||||||||||||||||||||||
|
ЛАМПА ЛЮМИНЕСЦЕНТНАЯ ДВУХЦОКОЛЬНАЯ ЛИСТ С ПАРАМЕТРАМИ |
С. 2 |
МСОЛ: FD-70-E-G13-26/1800
Информация для расчета ВЧ ПРА |
||||||||||||
Типичные параметры лампы |
||||||||||||
Частота, кГц |
Мощность, Вт |
Напряжение на лампе, В |
Ток лампы, А |
|||||||||
≥ 20 |
60 |
129 |
0,470 |
|||||||||
Ток в любом вводе катодов, А, не более |
1,160 |
|||||||||||
Рабочий ток лампы, А |
не менее |
* |
||||||||||
не более |
* |
|||||||||||
Предварительный подогрев контролируется током |
||||||||||||
Наименьший ток предварительного подогрева iк, А, за время эмиссии tе, с, iк = (a/tе + i2т)0,5 |
а |
0,800 |
||||||||||
iт, A |
0,400 |
|||||||||||
Наибольший ток предварительного подогрева, А |
t ≤ 0,4 |
3,100 |
||||||||||
0,4 < t < 2,0 |
3,500-1,030t |
|||||||||||
t ≥ 2,0 |
1,450 |
|||||||||||
Напряжение холостого хода на лампе, действующее значение, В |
не более |
t ≤ tе |
410* |
|||||||||
не менее |
t > tе |
465* |
||||||||||
Напряжение на ЗВУ, пиковое, В |
не более |
t ≤ tе |
580* |
|||||||||
не менее |
t > tе |
660* |
||||||||||
Сопротивление заменяющего резистора для каждого катода, Ом |
8* |
|||||||||||
Предварительный подогрев контролируется напряжением |
||||||||||||
* |
||||||||||||
Без предварительного подогрева |
||||||||||||
Напряжение холостого хода на лампе, действующее значение, В, не менее |
* |
|||||||||||
Ток через резистор, заменяющий лампу, А, не менее |
* |
|||||||||||
Сопротивление заменяющего резистора лампы, Ом |
* |
|||||||||||
Сопротивление заменяющего резистора для каждого катода, Ом |
* |
|||||||||||
Ток катода, А, не более |
* |
|||||||||||
* В стадии рассмотрения.
|
ЛАМПА ЛЮМИНЕСЦЕНТНАЯ ДВУХЦОКОЛЬНАЯ ЛИСТ С ПАРАМЕТРАМИ |
|
МСОЛ: FD-75-E-G13-38/1800
Номинальная мощность, Вт |
Схема |
Катод |
Цоколь |
Номинальные размеры, мм |
|||||||||||||||||||||
75 |
Со стартером |
Предварительного подогрева |
G13 |
38×1800 |
|||||||||||||||||||||
Размеры, мм |
|||||||||||||||||||||||||
А |
В |
С |
D |
||||||||||||||||||||||
не более |
не менее |
не более |
не более |
не более |
|||||||||||||||||||||
1763,8 |
1768,5 |
1770,9 |
1778,0 |
40,5 |
|||||||||||||||||||||
Характеристики зажигания |
|||||||||||||||||||||||||
Частота, Гц |
Расчетное напряжение ПРА,В |
Испытательное напряжение, действующее значение, В |
Время зажигания, с |
||||||||||||||||||||||
50 |
240 |
216 |
30 |
||||||||||||||||||||||
60 |
- |
- |
- |
||||||||||||||||||||||
Электрические параметры |
|||||||||||||||||||||||||
Частота, Гц |
Расчетная мощность, Вт |
Напряжение на лампе, действующее значение, В |
Расчетный ток лампы, А |
Расчетный ток предварительного подогрева, А |
|||||||||||||||||||||
расчетное |
не менее |
не более |
|||||||||||||||||||||||
50 |
75 |
130 |
120 |
140 |
0,670 |
1,000 |
|||||||||||||||||||
60 |
- |
- |
- |
- |
- |
- |
|||||||||||||||||||
Координаты цветности: см. D.2, приложение D. |
|||||||||||||||||||||||||
Характеристики образцового ПРА |
|||||||||||||||||||||||||
Частота, Гц |
Номинальная мощность, Вт |
Расчетное напряжение, В |
Ток калибровки, А |
Отношение напряжения к току, Ом |
Коэффициент мощности |
||||||||||||||||||||
50 |
75 |
235 |
0,670 |
240 |
0,10 |
||||||||||||||||||||
60 |
- |
- |
- |
- |
- |
||||||||||||||||||||
Примечание - Используется образцовый ПРА мощностью 65 Вт, работающий при 235 В. |
|||||||||||||||||||||||||
Информация для расчета ПРА |
|||||||||||||||||||||||||
Частота, Гц |
50 |
60 |
|||||||||||||||||||||||
Ток предварительного подогрева катода, А |
не менее |
0,570 |
- |
||||||||||||||||||||||
не более |
1,410 |
- |
|||||||||||||||||||||||
Напряжение холостого хода на стартере, действующее значение, В, не менее |
216 |
- |
|||||||||||||||||||||||
Напряжение холостого хода на лампе, пиковое, В, не более |
400 |
- |
|||||||||||||||||||||||
Сопротивление заменяющего резистора обоих последовательно соединенных катодов, Ом |
25 |
- |
|||||||||||||||||||||||
Напряжение на стартере при работающей лампе, действующее значение, В, не более |
160 |
- |
|||||||||||||||||||||||
Информация для расчета стартера |
|||||||||||||||||||||||||
Импульсное напряжение, В, не менее |
Напряжение неконтактирования, В, не более |
||||||||||||||||||||||||
800 |
170 |
||||||||||||||||||||||||
|
ЛАМПА ЛЮМИНЕСЦЕНТНАЯ ДВУХЦОКОЛЬНАЯ ЛИСТ С ПАРАМЕТРАМИ |
|
МСОЛ: FD-80-E-G13-38/1500
Номинальная мощность, Вт |
Схема |
Катод |
Цоколь |
Номинальные размеры, мм |
|||||||||||||||||||||
80 |
Со стартером |
Предварительного подогрева |
G13 |
38×1500 |
|||||||||||||||||||||
Размеры, мм |
|||||||||||||||||||||||||
А |
В |
С |
D |
||||||||||||||||||||||
не более |
не менее |
не более |
не более |
не более |
|||||||||||||||||||||
1500,0 |
1504,7 |
1507,1 |
1514,2 |
40,5 |
|||||||||||||||||||||
Характеристики зажигания |
|||||||||||||||||||||||||
Частота, Гц |
Расчетное напряжение ПРА,В |
Испытательное напряжение, действующее значение, В |
Время зажигания, с |
||||||||||||||||||||||
50 |
240 |
198 |
30 |
||||||||||||||||||||||
60 |
- |
- |
- |
||||||||||||||||||||||
Электрические параметры |
|||||||||||||||||||||||||
Частота, Гц |
Расчетная мощность, Вт |
Напряжение на лампе, действующее значение, В |
Расчетный ток лампы, А |
Расчетный ток предварительного подогрева, А |
|||||||||||||||||||||
расчетное |
не менее |
не более |
|||||||||||||||||||||||
50 |
76 |
99 |
89 |
109 |
0,870 |
1,300 |
|||||||||||||||||||
60 |
- |
- |
- |
- |
- |
- |
|||||||||||||||||||
Координаты цветности: см. D.2, приложение D. |
|||||||||||||||||||||||||
Характеристики образцового ПРА |
|||||||||||||||||||||||||
Частота, Гц |
Номинальная мощность, Вт |
Расчетное напряжение, В |
Ток калибровки, А |
Отношение напряжения к току, Ом |
Коэффициент мощности |
||||||||||||||||||||
50 |
80 |
240 |
0,865 |
223 |
0,06 |
||||||||||||||||||||
60 |
- |
- |
- |
- |
- |
||||||||||||||||||||
Информация для расчета ПРА |
|||||||||||||||||||||||||
Частота, Гц |
50 |
60 |
|||||||||||||||||||||||
Ток предварительного подогрева катода, А |
не менее |
0,790 |
- |
||||||||||||||||||||||
не более |
1,830 |
- |
|||||||||||||||||||||||
Напряжение холостого хода на стартере, действующее значение, В, не менее |
198 |
- |
|||||||||||||||||||||||
Напряжение холостого хода на лампе, пиковое, В, не более |
400 |
- |
|||||||||||||||||||||||
Сопротивление заменяющего резистора обоих последовательно соединенных катодов, Ом |
25 |
- |
|||||||||||||||||||||||
Напряжение на стартере при работающей лампе, действующее значение, В, не более |
128 |
- |
|||||||||||||||||||||||
Информация для расчета стартера |
|||||||||||||||||||||||||
Импульсное напряжение, В, не менее |
Напряжение неконтактирования, В, не более |
||||||||||||||||||||||||
400 |
140 |
||||||||||||||||||||||||
|
ЛАМПА ЛЮМИНЕСЦЕНТНАЯ ДВУХЦОКОЛЬНАЯ ЛИСТ С ПАРАМЕТРАМИ |
|
МСОЛ: FD-85-E-G13-38/1800
Номинальная мощность, Вт |
Схема |
Катод |
Цоколь |
Номинальные размеры, мм |
|||||||||||||||||||
85 |
Со стартером |
Предварительного подогрева |
G13 |
38×1800 |
|||||||||||||||||||
Размеры, мм |
|||||||||||||||||||||||
А |
В |
С |
D |
||||||||||||||||||||
не более |
не менее |
не более |
не более |
не более |
|||||||||||||||||||
1763,8 |
1768,5 |
1770,9 |
1778,0 |
40,5 |
|||||||||||||||||||
Характеристики зажигания |
|||||||||||||||||||||||
Частота, Гц |
Расчетное напряжение ПРА, В |
Испытательное напряжение, действующее значение, В |
Время зажигания, с |
||||||||||||||||||||
50 |
240 |
216 |
30 |
||||||||||||||||||||
60 |
- |
- |
- |
||||||||||||||||||||
Примечание - Используется индуктивный ПРА на 80 Вт/240 В. |
|||||||||||||||||||||||
Электрические параметры |
|||||||||||||||||||||||
Частота, Гц |
Расчетная мощность, Вт |
Напряжение на лампе, действующее значение, В |
Расчетный ток лампы, А |
Расчетный ток предварительного подогрева, А |
|||||||||||||||||||
расчетное |
не менее |
не более |
|||||||||||||||||||||
50 |
84 |
120 |
ПО |
130 |
0,800 |
1,300 |
|||||||||||||||||
60 |
- |
- |
- |
- |
- |
- |
|||||||||||||||||
Координаты цветности: см. D.2, приложение D. |
|||||||||||||||||||||||
Характеристики образцового ПРА |
|||||||||||||||||||||||
Частота, Гц |
Номинальная мощность, Вт |
Расчетное напряжение, В |
Ток калибровки, А |
Отношение напряжения к току, Ом |
Коэффициент мощности |
||||||||||||||||||
50 |
80 |
240 |
0,865 |
223 |
0,06 |
||||||||||||||||||
60 |
- |
- |
- |
- |
- |
||||||||||||||||||
Информация для расчета ПРА |
|||||||||||||||||||||||
Частота, Гц |
50 |
60 |
|||||||||||||||||||||
Ток предварительного подогрева катода, А |
не менее |
0,680 |
- |
||||||||||||||||||||
не более |
1,700 |
- |
|||||||||||||||||||||
Напряжение холостого хода на стартере, действующее значение, В, не менее |
216 |
- |
|||||||||||||||||||||
Напряжение холостого хода на лампе, пиковое, В, не более |
400 |
- |
|||||||||||||||||||||
Сопротивление заменяющего резистора обоих последовательно соединенных катодов, Ом |
25 |
- |
|||||||||||||||||||||
Напряжение на стартере при работающей лампе, действующее значение, В, не более |
160 |
- |
|||||||||||||||||||||
Информация для расчета стартера |
|||||||||||||||||||||||
Импульсное напряжение, В, не менее |
Напряжение неконтактирования, В, не более |
||||||||||||||||||||||
800 |
170 |
||||||||||||||||||||||
|
ЛАМПА ЛЮМИНЕСЦЕНТНАЯ ДВУХЦОКОЛЬНАЯ ЛИСТ С ПАРАМЕТРАМИ |
|
МСОЛ: FD-100-E-G13-38/2400
Номинальная мощность, Вт |
Схема |
Катод |
Цоколь |
Номинальные размеры, мм |
||||||||||||||||||
100 |
Со стартером |
Предварительного подогрева |
G13 |
38×2400 |
||||||||||||||||||
Размеры, мм |
||||||||||||||||||||||
А |
В |
С |
D |
|||||||||||||||||||
не более |
не менее |
не более |
не более |
не более |
||||||||||||||||||
2374,3 |
2379,0 |
2381,4 |
2388,5 |
40,5 |
||||||||||||||||||
Характеристики зажигания |
||||||||||||||||||||||
Частота, Гц |
Расчетное напряжение ПРА, В |
Испытательное напряжение, действующее значение, В |
Время зажигания, с |
|||||||||||||||||||
50 |
240 |
220 |
30 |
|||||||||||||||||||
60 |
- |
- |
- |
|||||||||||||||||||
Примечание - Используется индуктивный ПРА на 80 Вт/240 В с последовательным конденсатором на 6,8 мкФ. |
||||||||||||||||||||||
Электрические параметры |
||||||||||||||||||||||
Частота, Гц |
Расчетная мощность, Вт |
Напряжение на лампе, действующее значение, В |
Расчетный ток лампы, А |
Расчетный ток предварительного подогрева, А |
||||||||||||||||||
расчетное |
не менее |
не более |
||||||||||||||||||||
50 |
102 |
125 |
110 |
140 |
0,960 |
1,300 |
||||||||||||||||
60 |
- |
- |
- |
- |
- |
- |
||||||||||||||||
Координаты цветности: см. D.2, приложение D. |
||||||||||||||||||||||
Характеристики образцового ПРА |
||||||||||||||||||||||
Частота, Гц |
Номинальная мощность, Вт |
Расчетное напряжение, В |
Ток калибровки, А |
Отношение напряжения к току, Ом |
Коэффициент мощности |
|||||||||||||||||
50 |
100 |
350 |
0,940 |
308 |
0,06 |
|||||||||||||||||
60 |
- |
- |
- |
- |
- |
|||||||||||||||||
Информация для расчета ПРА |
||||||||||||||||||||||
Частота, Гц |
50 |
60 |
||||||||||||||||||||
Ток предварительного подогрева катода, А |
не менее |
0,810 |
- |
|||||||||||||||||||
не более |
2,000 |
- |
||||||||||||||||||||
Напряжение холостого хода на стартере, действующее значение, В, не менее |
216 |
- |
||||||||||||||||||||
Напряжение холостого хода на лампе, пиковое, В, не более |
400 |
- |
||||||||||||||||||||
Сопротивление заменяющего резистора обоих последовательно соединенных катодов, Ом |
25 |
- |
||||||||||||||||||||
Напряжение на стартере при работающей лампе, действующее значение, В, не более |
160 |
- |
||||||||||||||||||||
Информация для расчета стартера |
||||||||||||||||||||||
Импульсное напряжение, В, не менее |
Напряжение неконтактирования, В, не более |
|||||||||||||||||||||
900 |
170 |
|||||||||||||||||||||
|
ЛАМПА ЛЮМИНЕСЦЕНТНАЯ ДВУХЦОКОЛЬНАЯ ЛИСТ С ПАРАМЕТРАМИ |
|
В основном предназначена для замены.
МСОЛ: FD-125-E-G13-38/2400
Номинальная мощность, Вт |
Схема |
Катод |
Цоколь |
Номинальные размеры, мм |
|||||||||||||||||||
125 |
Со стартером |
Предварительного подогрева |
G13 |
38×2400 |
|||||||||||||||||||
Размеры, мм |
|||||||||||||||||||||||
А |
В |
С |
D |
||||||||||||||||||||
не более |
не менее |
не более |
не более |
не более |
|||||||||||||||||||
2374,3 |
2379,0 |
2381,4 |
2388,5 |
40,5 |
|||||||||||||||||||
Характеристики зажигания |
|||||||||||||||||||||||
Частота, Гц |
Расчетное напряжение ПРА, В |
Испытательное напряжение, действующее значение, В |
Время зажигания, с |
||||||||||||||||||||
50 |
240 |
220 |
30 |
||||||||||||||||||||
60 |
- |
- |
- |
||||||||||||||||||||
Примечание - Используется индуктивный ПРА на 80 Вт/240 В с последовательным конденсатором на 6,8 мкФ. |
|||||||||||||||||||||||
Электрические параметры |
|||||||||||||||||||||||
Частота, Гц |
Расчетная мощность, Вт |
Напряжение на лампе, действующее значение, В |
Расчетный ток лампы, А |
Расчетный ток предварительного подогрева, А |
|||||||||||||||||||
расчетное |
не менее |
не более |
|||||||||||||||||||||
50 |
123 |
149 |
134 |
164 |
0,940 |
1,300 |
|||||||||||||||||
60 |
- |
.- |
- |
- |
- |
- |
|||||||||||||||||
Координаты цветности: см. D.2, приложение D. |
|||||||||||||||||||||||
Характеристики образцового ПРА |
|||||||||||||||||||||||
Частота, Гц |
Номинальная мощность, Вт |
Расчетное напряжение, В |
Ток калибровки, А |
Отношение напряжения к току, Ом |
Коэффициент мощности |
||||||||||||||||||
50 |
125 |
350 |
0,940 |
308 |
0,06 |
||||||||||||||||||
60 |
- |
- |
- |
- |
- |
||||||||||||||||||
Информация для расчета ПРА |
|||||||||||||||||||||||
Частота, Гц |
50 |
60 |
|||||||||||||||||||||
Ток предварительного подогрева катода, А |
не менее |
0,800 |
- |
||||||||||||||||||||
не более |
1,970 |
- |
|||||||||||||||||||||
Напряжение холостого хода на стартере, действующее значение, В, не менее |
216 |
- |
|||||||||||||||||||||
Напряжение холостого хода на лампе, пиковое, В, не более |
400 |
- |
|||||||||||||||||||||
Сопротивление заменяющего резистора обоих последовательно соединенных катодов, Ом |
25 |
- |
|||||||||||||||||||||
Напряжение на стартере при работающей лампе, действующее значение, В, не более |
160 |
- |
|||||||||||||||||||||
Информация для расчета стартера |
|||||||||||||||||||||||
Импульсное напряжение, В, не менее |
Напряжение неконтактирования, В, не более |
||||||||||||||||||||||
800 |
180 |
||||||||||||||||||||||
|
ЛАМПА ЛЮМИНЕСЦЕНТНАЯ ДВУХЦОКОЛЬНАЯ ЛИСТ С ПАРАМЕТРАМИ |
С. 1 |
МСОЛ: FD-4-L/P/H-G5-16/150
Номинальная мощность, Вт |
Схема |
Катод |
Цоколь |
Номинальные размеры, мм |
|||||||||||||||||
4 |
Бесстартерная |
Предварительного подогрева, высокоомный |
G5 |
16×150 |
|||||||||||||||||
Размеры, мм |
|||||||||||||||||||||
А |
В |
С |
D |
||||||||||||||||||
не более |
не менее |
не более |
не более |
не более |
|||||||||||||||||
135,9 |
140,6 |
143,0 |
150,1 |
16,0 |
|||||||||||||||||
Характеристики зажигания |
|||||||||||||||||||||
Частота, Гц |
Номинальная мощность ПРА, Вт |
Расчетное напряжение ПРА, В |
Расстояние от ЗВУ, мм |
Напряжение на катоде, действующее значение, В |
Напряжение холостого хода, действующее значение, В |
Время зажигания, с |
|||||||||||||||
50 |
4/6/8 |
220 |
6 |
8,0 |
200 |
10 |
|||||||||||||||
60 |
4/6/8 |
220 |
6 |
8,0 |
200 |
10 |
|||||||||||||||
Электрические параметры |
|||||||||||||||||||||
Частота, Гц |
Расчетная мощность, Вт |
Напряжение на лампе, действующее значение, В |
Расчетный ток лампы, А |
||||||||||||||||||
расчетное |
не менее |
не более |
|||||||||||||||||||
50 |
4,5 |
29 |
24 |
34 |
0,170 |
||||||||||||||||
60 |
4,5 |
29 |
24 |
34 |
0,170 |
||||||||||||||||
Координаты цветности: см. D.2, приложение D. |
|||||||||||||||||||||
Характеристики катода |
|||||||||||||||||||||
Катод |
Испытательное напряжение, действующее значение, В |
Сопротивление каждого катода, Ом |
|||||||||||||||||||
расчетное |
не менее |
||||||||||||||||||||
Высокоомный |
8,0 |
70 |
50 |
||||||||||||||||||
|
ЛАМПА ЛЮМИНЕСЦЕНТНАЯ ДВУХЦОКОЛЬНАЯ ЛИСТ С ПАРАМЕТРАМИ |
С. 2 |
МСОЛ: FD-4-L/P/H-G5-16/150
Характеристики образцового ПРА |
||||||||
Частота, Гц |
Номинальная мощность, Вт |
Расчетное напряжение, В |
Ток калибровки, А |
Отношение напряжения к току, Ом |
Коэффициент мощности |
|||
50 |
6 |
127 |
0,160 |
700 |
0,12 |
|||
60 |
6 |
118 |
0,160 |
650 |
0,075 |
|||
Информация для расчета ПРА |
||||||||
Частота, Гц |
50 |
60 |
||||||
Напряжение предварительного подогрева катода, действующее значение, В |
не менее |
6,5 |
6,5 |
|||||
не более |
9,2 |
9,2 |
||||||
Напряжение холостого хода на лампе, действующее значение, В |
не менее |
105 |
105 |
|||||
не более |
145 |
145 |
||||||
Напряжение холостого хода на двух последовательно соединенных лампах, действующее значение, В |
не менее |
120 |
120 |
|||||
не более |
165 |
165 |
||||||
Зажигающий конденсатор, мкФ |
не менее |
* |
0,008 |
|||||
не более |
* |
0,060 |
||||||
Сопротивление заменяющего резистора для каждого катода, Ом |
70 |
70 |
||||||
Напряжение на ЗВУ, пиковое, В, не менее |
400 |
400 |
||||||
Ток в любом вводе катодов, А, не более |
* |
* |
||||||
* В стадии рассмотрения.
|
ЛАМПА ЛЮМИНЕСЦЕНТНАЯ ДВУХЦОКОЛЬНАЯ ЛИСТ С ПАРАМЕТРАМИ |
С. 1 |
МСОЛ: FD-6-L/P/H-G5-16/225
Номинальная мощность, Вт |
Схема |
Катод |
Цокольs |
Номинальные размеры, мм |
|||||||||||||||||
6 |
Бесстартерная |
Предварительного подогрева, высокоомный |
G5 |
16×225 |
|||||||||||||||||
Размеры, мм |
|||||||||||||||||||||
А |
В |
С |
D |
||||||||||||||||||
не более |
не менее |
не более |
не более |
не более |
|||||||||||||||||
212,1 |
216,8 |
219,2 |
226,3 |
16,0 |
|||||||||||||||||
Характеристики зажигания |
|||||||||||||||||||||
Частота, Гц |
Номинальная мощность ПРА, Вт |
Расчетное напряжение ПРА, В |
Расстояние от ЗВУ, мм |
Напряжение на катоде, действующее значение, В |
Напряжение холостого хода, действующее значение, В |
Время зажигания, с |
|||||||||||||||
50 |
4/6/8 |
220 |
6 |
8,0 |
200 |
10 |
|||||||||||||||
60 |
4/6/8 |
220 |
6 |
8,0 |
200 |
10 |
|||||||||||||||
Электрические параметры |
|||||||||||||||||||||
Частота, Гц |
Расчетная мощность, Вт |
Напряжение на лампе, действующее значение, В |
Расчетный ток лампы, А |
||||||||||||||||||
расчетное |
не менее |
не более |
|||||||||||||||||||
50 |
6 |
42 |
36 |
48 |
0,160 |
||||||||||||||||
60 |
6 |
42 |
36 |
48 |
0,160 |
||||||||||||||||
Координаты цветности: см. D.2, приложение D. |
|||||||||||||||||||||
Характеристики катода |
|||||||||||||||||||||
Катод |
Испытательное напряжение, действующее значение, В |
Сопротивление каждого катода, Ом |
|||||||||||||||||||
расчетное |
не менее |
||||||||||||||||||||
Высокоомный |
8,0 |
70 |
50 |
||||||||||||||||||
|
ЛАМПА ЛЮМИНЕСЦЕНТНАЯ ДВУХЦОКОЛЬНАЯ ЛИСТ С ПАРАМЕТРАМИ |
С. 2 |
МСОЛ: FD-6-L/P/H-G5-16/225
Характеристики образцового ПРА |
||||||||
Частота, Гц |
Номинальная мощность, Вт |
Расчетное напряжение, В |
Ток калибровки, А |
Отношение напряжения к току, Ом |
Коэффициент мощности |
|||
50 |
6 |
127 |
0,160 |
700 |
0,12 |
|||
60 |
6 |
118 |
0,160 |
650 |
0,075 |
|||
Информация для расчета ПРА |
||||||||
Частота, Гц |
50 |
60 |
||||||
Напряжение предварительного подогрева катода, действующее значение, В |
не менее |
6,5 |
6,5 |
|||||
не более |
9,2 |
9,2 |
||||||
Напряжение холостого хода на лампе, действующее значение, В |
не менее |
105 |
105 |
|||||
не более |
145 |
145 |
||||||
Напряжение холостого хода на двух последовательно соединенных лампах, действующее значение, В |
не менее |
130 |
130 |
|||||
не более |
180 |
180 |
||||||
Зажигающий конденсатор, мкФ |
не менее |
* |
0,008 |
|||||
не более |
* |
0,060 |
||||||
Сопротивление заменяющего резистора для каждого катода, Ом |
70 |
70 |
||||||
Напряжение на ЗВУ, пиковое, В, не менее |
400 |
400 |
||||||
Ток в любом вводе катодов, А, не более |
* |
* |
||||||
* В стадии рассмотрения.
|
ЛАМПА ЛЮМИНЕСЦЕНТНАЯ ДВУХЦОКОЛЬНАЯ ЛИСТ С ПАРАМЕТРАМИ |
С. 1 |
МСОЛ: FD-8-L/P/H-G5-16/300
Номинальная мощность, Вт |
Схема |
Катод |
Цоколь |
Номинальные размеры, мм |
|||||||||||||||||
8 |
Бесстартерная |
Предварительного подогрева, высокоомный |
G5 |
16×300 |
|||||||||||||||||
Размеры, мм |
|||||||||||||||||||||
А |
В |
С |
D |
||||||||||||||||||
не более |
не менее |
не более |
не более |
не более |
|||||||||||||||||
288,3 |
293,0 |
295,4 |
302,5 |
16,0 |
|||||||||||||||||
Характеристики зажигания |
|||||||||||||||||||||
Частота, Гц |
Номинальная мощность ПРА, Вт |
Расчетное напряжение ПРА, В |
Расстояние от ЗВУ, мм |
Напряжение на катоде, действующее значение, В |
Напряжение холостого хода, действующее значение, В |
Время зажигания, с |
|||||||||||||||
50 |
4/6/8 |
220 |
6 |
8,0 |
200 |
10 |
|||||||||||||||
60 |
4/6/8 |
220 |
6 |
8,0 |
200 |
10 |
|||||||||||||||
Электрические параметры |
|||||||||||||||||||||
Частота, Гц |
Расчетная мощность, Вт |
Напряжение на лампе, действующее значение, В |
Расчетный ток лампы, А |
||||||||||||||||||
расчетное |
не менее |
не более |
|||||||||||||||||||
50 |
7,1 |
56 |
48 |
64 |
0,145 |
||||||||||||||||
60 |
7,1 |
56 |
48 |
64 |
0,145 |
||||||||||||||||
Координаты цветности: см. D.2, приложение D. |
|||||||||||||||||||||
Характеристики катода |
|||||||||||||||||||||
Катод |
Испытательное напряжение, действующее значение, В |
Сопротивление каждого катода, Ом |
|||||||||||||||||||
расчетное |
не менее |
||||||||||||||||||||
Высокоомный |
8,0 |
70 |
50 |
||||||||||||||||||
|
ЛАМПА ЛЮМИНЕСЦЕНТНАЯ ДВУХЦОКОЛЬНАЯ ЛИСТ С ПАРАМЕТРАМИ |
С. 2 |
МСОЛ: FD-8-L/P/H-G5-16/300
Характеристики образцового ПРА |
||||||||
Частота, Гц |
Номинальная мощность, Вт |
Расчетное напряжение, В |
Ток калибровки, А |
Отношение напряжения к току, Ом |
Коэффициент мощности |
|||
50 |
6 |
127 |
0,160 |
700 |
0,12 |
|||
60 |
6 |
118 |
0,160 |
650 |
0,075 |
|||
Информация для расчета ПРА |
||||||||
Частота, Гц |
50 |
60 |
||||||
Напряжение предварительного подогрева катода, действующее значение, В |
не менее |
6,5 |
6,5 |
|||||
не более |
9,2 |
9,2 |
||||||
Напряжение холостого хода на лампе, действующее значение, В |
не менее |
105 |
105 |
|||||
не более |
145 |
145 |
||||||
Напряжение холостого хода на двух последовательно соединенных лампах, действующее значение, В |
не менее |
140 |
140 |
|||||
не более |
190 |
190 |
||||||
Зажигающий конденсатор, мкФ |
не менее |
* |
0,008 |
|||||
не более |
* |
0,060 |
||||||
Сопротивление заменяющего резистора для каждого катода, Ом |
70 |
70 |
||||||
Напряжение на ЗВУ, пиковое, В, не менее |
400 |
400 |
||||||
Ток в любом вводе катодов, А, не более |
* |
* |
||||||
* В стадии рассмотрения.
|
ЛАМПА ЛЮМИНЕСЦЕНТНАЯ ДВУХЦОКОЛЬНАЯ ЛИСТ С ПАРАМЕТРАМИ |
С. 1 |
МСОЛ: FD-20-L/P/H-G13-38/600
Номинальная мощность, Вт |
Схема |
Катод |
Цоколь |
Номинальные размеры, мм |
|||||||||||||||||
20 |
Бесстартерная |
Предварительного подогрева, высокоомный |
G13 |
38×600 |
|||||||||||||||||
Размеры, мм |
|||||||||||||||||||||
А |
В |
С |
D |
||||||||||||||||||
не более |
не менее |
не более |
не более |
не более |
|||||||||||||||||
589,8 |
594,5 |
596,9 |
604,0 |
40,5 |
|||||||||||||||||
Характеристики зажигания |
|||||||||||||||||||||
Частота, Гц |
Номинальная мощность ПРА, Вт |
Расчетное напряжение ПРА, В |
Расстояние от ЗВУ, мм |
Напряжение на катоде, действующее значение, В |
Напряжение холостого хода, действующее значение, В |
Время зажигания, с |
|||||||||||||||
50 |
40 |
220 |
13 |
8,0 |
180 |
10 |
|||||||||||||||
60 |
40 |
220 |
13 |
8,0 |
180 |
10 |
|||||||||||||||
Электрические параметры |
|||||||||||||||||||||
Частота, Гц |
Расчетная мощность, Вт |
Напряжение на лампе, действующее значение, В |
Расчетный ток лампы, А |
||||||||||||||||||
расчетное |
не менее |
не более |
|||||||||||||||||||
50 |
19,3 |
57 |
50 |
64 |
0,370 |
||||||||||||||||
60 |
20,5 |
57 |
50 |
64 |
0,380 |
||||||||||||||||
Координаты цветности: см. D.2, приложение D. |
|||||||||||||||||||||
Характеристики катода |
|||||||||||||||||||||
Катод |
Испытательное напряжение, действующее значение, В |
Сопротивление каждого катода, Ом |
|||||||||||||||||||
расчетное |
не менее |
||||||||||||||||||||
Высокоомный |
8,0 |
20 |
14 |
||||||||||||||||||
|
ЛАМПА ЛЮМИНЕСЦЕНТНАЯ ДВУХЦОКОЛЬНАЯ ЛИСТ С ПАРАМЕТРАМИ |
С. 2 |
МСОЛ: FD-20-L/P/H-G13-38/600
Характеристики образцового ПРА |
||||||||
Частота, Гц |
Номинальная мощность, Вт |
Расчетное напряжение, В |
Ток калибровки, А |
Отношение напряжения к току, Ом |
Коэффициент мощности |
|||
50 |
20 |
127 |
0,370 |
270 |
0,12 |
|||
60 |
20 |
118 |
0,370 |
240 |
0,075 |
|||
Информация для расчета ПРА |
||||||||
Частота, Гц |
50 |
60 |
||||||
Напряжение предварительного подогрева катода, действующее значение, В |
не менее |
6,5 |
6,5 |
|||||
не более |
10,0 |
10,0 |
||||||
Напряжение холостого хода на лампе, действующее значение, В |
не менее |
180 |
180 |
|||||
не более |
345 |
345 |
||||||
Сопротивление заменяющего резистора для каждого катода, Ом |
19 |
19 |
||||||
Напряжение на ЗВУ, пиковое, В, не менее |
* |
* |
||||||
Ток в любом вводе катодов, А, не более |
0,650 |
0,650 |
||||||
* В стадии рассмотрения.
|
ЛАМПА ЛЮМИНЕСЦЕНТНАЯ ДВУХЦОКОЛЬНАЯ ЛИСТ С ПАРАМЕТРАМИ |
С. 1 |
МСОЛ: FD-30-L/P/H-G13-38/900
Номинальная мощность, Вт |
Схема |
Катод |
Цоколь |
Номинальные размеры, мм |
||||||||||||||||||
30 |
Бесстартерная |
Предварительного подогрева, высокоомный |
G13 |
38×900 |
||||||||||||||||||
Размеры, мм |
||||||||||||||||||||||
А |
В |
С |
D |
|||||||||||||||||||
не более |
не менее |
не более |
не более |
не более |
||||||||||||||||||
894,6 |
899,3 |
901,7 |
908,8 |
40,5 |
||||||||||||||||||
Характеристики зажигания |
||||||||||||||||||||||
Частота, Гц |
Номинальная мощность ПРА, Вт |
Расчетное напряжение ПРА, В |
Расстояние от ЗВУ, мм |
Напряжение на катоде, действующее значение, В |
Напряжение холостого хода, действующее значение, В |
Время зажигания, с |
||||||||||||||||
50 |
30 |
220 |
13 |
8,0 |
205 |
10 |
||||||||||||||||
60 |
- |
- |
- |
- |
- |
- |
||||||||||||||||
Электрические параметры |
||||||||||||||||||||||
Частота, Гц |
Расчетная мощность, Вт |
Напряжение на лампе, действующее значение, В |
Расчетный ток лампы, А |
|||||||||||||||||||
расчетное |
не менее |
не более |
||||||||||||||||||||
50 |
29,5 |
81 |
71 |
91 |
0,405 |
|||||||||||||||||
60 |
- |
- |
- |
- |
- |
|||||||||||||||||
Координаты цветности: см. D.2, приложение D. |
||||||||||||||||||||||
Характеристики катода |
||||||||||||||||||||||
Катод |
Испытательное напряжение, действующее значение, В |
Сопротивление каждого катода, Ом |
||||||||||||||||||||
расчетное |
не менее |
|||||||||||||||||||||
Высокоомный |
8,0 |
20 |
14 |
|||||||||||||||||||
|
ЛАМПА ЛЮМИНЕСЦЕНТНАЯ ДВУХЦОКОЛЬНАЯ ЛИСТ С ПАРАМЕТРАМИ |
С. 2 |
МСОЛ: FD-30-L/P/H-G13-38/900
Характеристики образцового ПРА |
|||||||||
Частота, Гц |
Номинальная мощность, Вт |
Расчетное напряжение, В |
Ток калибровки, А |
Отношение напряжения к току, Ом |
Коэффициент мощности |
||||
50 |
30 |
220 |
0,405 |
460 |
0,10 |
||||
60 |
- |
- |
- |
- |
- |
||||
Информация для расчета ПРА |
|||||||||
Частота, Гц |
50 |
60 |
|||||||
Напряжение предварительного подогрева катода, действующее значение, В |
не менее |
6,5 |
- |
||||||
не более |
10,0 |
- |
|||||||
Напряжение холостого хода на лампе, В |
действующее значение, не менее |
205 |
- |
||||||
пиковое, не более |
420 |
- |
|||||||
Сопротивление заменяющего резистора для каждого катода, Ом |
19 |
- |
|||||||
Напряжение на ЗВУ, пиковое, В, не менее |
* |
- |
|||||||
Ток в любом вводе катодов, А, не более |
0,750 |
- |
|||||||
* В стадии рассмотрения.
|
ЛАМПА ЛЮМИНЕСЦЕНТНАЯ ДВУХЦОКОЛЬНАЯ ЛИСТ С ПАРАМЕТРАМИ |
С. 1 |
МСОЛ: FD-40-L/P/H-G13-38/1200
Номинальная мощность, Вт |
Схема |
Катод |
Цоколь |
Номинальные размеры, мм |
||||||||||||||||||
40 |
Бесстартерная |
Предварительного подогрева, высокоомный |
G13 |
38×1200 |
||||||||||||||||||
Размеры, мм |
||||||||||||||||||||||
А |
В |
С |
D |
|||||||||||||||||||
не более |
не менее |
не более |
не более |
не более |
||||||||||||||||||
1199,4 |
1204,1 |
1206,5 |
1213,6 |
40,5 |
||||||||||||||||||
Характеристики зажигания |
||||||||||||||||||||||
Частота, Гц |
Номинальная мощность ПРА, Вт |
Расчетное напряжение ПРА, В |
Расстояние от ЗВУ, мм |
Напряжение на катоде, действующее значение, В |
Напряжение холостого хода, действующее значение, В |
Время зажигания, с |
||||||||||||||||
50 |
40 |
220 |
13 |
8,0 |
205 |
10 |
||||||||||||||||
60 |
40 |
220 |
13 |
8,0 |
205 |
10 |
||||||||||||||||
Электрические параметры |
||||||||||||||||||||||
Частота, Гц |
Расчетная мощность, Вт |
Напряжение на лампе, действующее значение, В |
Расчетный ток лампы, А |
|||||||||||||||||||
расчетное |
не менее |
не более |
||||||||||||||||||||
50 |
39,5 |
103 |
93 |
113 |
0,430 |
|||||||||||||||||
60 |
40 |
102 |
92 |
112 |
0,435 |
|||||||||||||||||
Координаты цветности: см. D.2, приложение D. |
||||||||||||||||||||||
Характеристики катода |
||||||||||||||||||||||
Катод |
Испытательное напряжение, действующее значение, В |
Сопротивление каждого катода, Ом |
||||||||||||||||||||
расчетное |
не менее |
|||||||||||||||||||||
Высокоомный |
8,0 |
20 |
14 |
|||||||||||||||||||
|
ЛАМПА ЛЮМИНЕСЦЕНТНАЯ ДВУХЦОКОЛЬНАЯ ЛИСТ С ПАРАМЕТРАМИ |
С. 2 |
МСОЛ: FD-40-L/P/H-G13-38/1200
Характеристики образцового ПРА |
|||||||||
Частота, Гц |
Номинальная мощность, Вт |
Расчетное напряжение, В |
Ток калибровки, А |
Отношение напряжения к току, Ом |
Коэффициент мощности |
||||
50 |
40 |
220 |
0,430 |
390 |
0,10 |
||||
60 |
40 |
236 |
0,430 |
439 |
0,075 |
||||
Информация для расчета ПРА |
|||||||||
Частота, Гц |
50 |
60 |
|||||||
Напряжение предварительного подогрева катода, действующее значение, В |
не менее |
6,5 |
605 |
||||||
не более |
10,0 |
10,0 |
|||||||
Напряжение холостого хода на лампе, В |
действующее значение, не менее |
205 |
205 |
||||||
пиковое, не более |
420 |
420 |
|||||||
Сопротивление заменяющего резистора для каждого катода, Ом |
19 |
19 |
|||||||
Напряжение на ЗВУ, пиковое, В, не менее |
* |
* |
|||||||
Ток в любом вводе катодов, А, не более |
0,750 |
0,750 |
|||||||
* В стадии рассмотрения.
|
ЛАМПА ЛЮМИНЕСЦЕНТНАЯ ДВУХЦОКОЛЬНАЯ ЛИСТ С ПАРАМЕТРАМИ |
С. 1 |
МСОЛ: FD-65-L/P/H-G13-38/1500
Номинальная мощность, Вт |
Схема |
Катод |
Цоколь |
Номинальные размеры, мм |
||||||||||||||||||
65 |
Бесстартерная |
Предварительного подогрева, высокоомный |
G13 |
38×1500 |
||||||||||||||||||
Размеры, мм |
||||||||||||||||||||||
А |
В |
С |
D |
|||||||||||||||||||
не более |
не менее |
не более |
не более |
не более |
||||||||||||||||||
1500,0 |
1504,7 |
1507,1 |
1514,2 |
40,5 |
||||||||||||||||||
Характеристики зажигания |
||||||||||||||||||||||
Частота, Гц |
Номинальная мощность ПРА, Вт |
Расчетное напряжение ПРА,В |
Расстояние от ЗВУ, мм |
Напряжение на катоде, действующее значение, В |
Напряжение холостого хода, действующее значение, В |
Время зажигания, с |
||||||||||||||||
50 |
65 |
220 |
13 |
8,0 |
220 |
10 |
||||||||||||||||
60 |
- |
- |
- |
- |
- |
- |
||||||||||||||||
Электрические параметры |
||||||||||||||||||||||
Частота, Гц |
Расчетная мощность, Вт |
Напряжение на лампе, действующее значение, В |
Расчетный ток лампы, А |
|||||||||||||||||||
расчетное |
не менее |
не более |
||||||||||||||||||||
50 |
64 |
110 |
100 |
120 |
0,670 |
|||||||||||||||||
60 |
- |
- |
- |
- |
- |
|||||||||||||||||
Координаты цветности: см. D.2, приложение D. |
||||||||||||||||||||||
Характеристики катода |
||||||||||||||||||||||
Катод |
Испытательное напряжение, действующее значение, В |
Сопротивление каждого катода, Ом |
||||||||||||||||||||
расчетное |
не менее |
|||||||||||||||||||||
Высокоомный |
8,0 |
11 |
* |
|||||||||||||||||||
* В стадии рассмотрения.
|
ЛАМПА ЛЮМИНЕСЦЕНТНАЯ ДВУХЦОКОЛЬНАЯ ЛИСТ С ПАРАМЕТРАМИ |
С. 2 |
МСОЛ: FD-65-L/P/H-G13-38/1500
Характеристики образцового ПРА |
|||||||||
Частота, Гц |
Номинальная мощность, Вт |
Расчетное напряжение, В |
Ток калибровки, А |
Отношение напряжения к току, Ом |
Коэффициент мощности |
||||
50 |
65 |
220 |
0,670 |
240 |
0,10 |
||||
60 |
- |
- |
- |
- |
- |
||||
Информация для расчета ПРА |
|||||||||
Частота, Гц |
50 |
60 |
|||||||
Напряжение предварительного подогрева катода, действующее значение, В |
не менее |
6,5 |
- |
||||||
не более |
11,0 |
- |
|||||||
Напряжение холостого хода на лампе, В |
действующее значение, не менее |
220 |
- |
||||||
пиковое, не более |
475 |
- |
|||||||
Сопротивление заменяющего резистора для каждого катода, Ом |
11 |
- |
|||||||
Напряжение на ЗВУ, пиковое, В, не менее |
* |
- |
|||||||
Ток в любом вводе катодов, А, не более |
1,100 |
- |
|||||||
* В стадии рассмотрения.
|
ЛАМПА ЛЮМИНЕСЦЕНТНАЯ ДВУХЦОКОЛЬНАЯ ЛИСТ С ПАРАМЕТРАМИ |
С. 1 |
МСОЛ: FD-75-L/P/H-G13-38/1800
Номинальная мощность, Вт |
Схема |
Катод |
Цоколь |
Номинальные размеры, мм |
||||||||||||||||
75 |
Бесстартерная |
Предварительного подогрева, высокоомный |
G13 |
38×1800 |
||||||||||||||||
Размеры, мм |
||||||||||||||||||||
А |
В |
С |
D |
|||||||||||||||||
не более |
не менее |
не более |
не более |
не более |
||||||||||||||||
1763,8 |
1768,5 |
1770,9 |
1778,0 |
40,5 |
||||||||||||||||
Характеристики зажигания |
||||||||||||||||||||
Частота, Гц |
Номинальная мощность ПРА, Вт |
Расчетное напряжение ПРА, В |
Расстояние от ЗВУ, мм |
Напряжение на катоде, действующее значение, В |
Напряжение холостого хода, действующее значение, В |
Время зажигания, с |
||||||||||||||
50 |
75 |
240 |
13 |
8,0 |
250 |
10 |
||||||||||||||
60 |
- |
- |
- |
- |
- |
- |
||||||||||||||
Электрические параметры |
||||||||||||||||||||
Частота, Гц |
Расчетная мощность, Вт |
Напряжение на лампе, действующее значение, В |
Расчетный ток лампы, А |
|||||||||||||||||
расчетное |
не менее |
не более |
||||||||||||||||||
50 |
75 |
130 |
120 |
140 |
0,670 |
|||||||||||||||
60 |
- |
- |
- |
- |
- |
|||||||||||||||
Координаты цветности: см. D.2, приложение D. |
||||||||||||||||||||
Характеристики катода |
||||||||||||||||||||
Катод |
Испытательное напряжение, действующее значение, В |
Сопротивление каждого катода, Ом |
||||||||||||||||||
расчетное |
не менее |
|||||||||||||||||||
Высокоомный |
8,0 |
12 |
9 |
|||||||||||||||||
|
ЛАМПА ЛЮМИНЕСЦЕНТНАЯ ДВУХЦОКОЛЬНАЯ ЛИСТ С ПАРАМЕТРАМИ |
С. 2 |
МСОЛ: FD-75-L/P/H-G13-38/1800
Характеристики образцового ПРА |
|||||||||
Частота, Гц |
Номинальная мощность, Вт |
Расчетное напряжение, В |
Ток калибровки, А |
Отношение напряжения к току, Ом |
Коэффициент мощности |
||||
50 |
75 |
235 |
0,670 |
240 |
0,10 |
||||
60 |
- |
- |
- |
- |
- |
||||
Примечание - Применяется образцовый ПРА на 65 Вт, работающий при 235 В. |
|||||||||
Информация для расчета ПРА |
|||||||||
Частота, Гц |
50 |
60, |
|||||||
Напряжение предварительного подогрева катода, действующее значение, В |
не менее |
6,5 |
- |
||||||
не более |
11,0 |
- |
|||||||
Напряжение холостого хода на лампе, В |
действующее значение, не менее |
220 |
- |
||||||
пиковое, не более |
500 |
- |
|||||||
Сопротивление заменяющего резистора для каждого катода, Ом |
11 |
- |
|||||||
Напряжение на ЗВУ, пиковое, В, не менее |
* |
- |
|||||||
Ток в любом вводе катодов, А, не более |
1,100 |
- |
|||||||
* В стадии рассмотрения.
|
ЛАМПА ЛЮМИНЕСЦЕНТНАЯ ДВУХЦОКОЛЬНАЯ ЛИСТ С ПАРАМЕТРАМИ |
С. 1 |
МСОЛ: FD-80-L/P/H-G13-38/1500
Номинальная мощность, Вт |
Схема |
Катод |
Цоколь |
Номинальные размеры, мм |
||||||||||||||||||
80 |
Бесстартерная |
Предварительного подогрева, высокоомный |
G13 |
38×1500 |
||||||||||||||||||
Размеры, мм |
||||||||||||||||||||||
А |
В |
С |
D |
|||||||||||||||||||
не более |
не менее |
не более |
не более |
не более |
||||||||||||||||||
1500,0 |
1504,7 |
1507,1 |
1514,2 |
40,5 |
||||||||||||||||||
Характеристики зажигания |
||||||||||||||||||||||
Частота, Гц |
Номинальная мощность ПРА, Вт |
Расчетное напряжение ПРА, В |
Расстояние от ЗВУ, мм |
Напряжение на катоде, действующее значение, В |
Напряжение холостого хода, действующее значение, В |
Время зажигания, с |
||||||||||||||||
50 |
80 |
240 |
13 |
8,0 |
220 |
10 |
||||||||||||||||
60 |
- |
- |
- |
- |
- |
- |
||||||||||||||||
Электрические параметры |
||||||||||||||||||||||
Частота, Гц |
Расчетная мощность, Вт |
Напряжение на лампе, действующее значение, В |
Расчетный ток лампы, А |
|||||||||||||||||||
расчетное |
не менее |
не более |
||||||||||||||||||||
50 |
76 |
99 |
89 |
109 |
0,870 |
|||||||||||||||||
60 |
- |
- |
- |
- |
- |
|||||||||||||||||
Координаты цветности: см. D.3, приложение D. |
||||||||||||||||||||||
Характеристики катода |
||||||||||||||||||||||
Катод |
Испытательное напряжение, действующее значение, В |
Сопротивление каждого катода, Ом |
||||||||||||||||||||
расчетное |
не менее |
|||||||||||||||||||||
Высокоомный |
8,0 |
12 |
9 |
|||||||||||||||||||
|
ЛАМПА ЛЮМИНЕСЦЕНТНАЯ ДВУХЦОКОЛЬНАЯ ЛИСТ С ПАРАМЕТРАМИ |
С. 2 |
МСОЛ: FD-80-L/P/H-G13-38/1500
Характеристики образцового ПРА |
|||||||||
Частота, Гц |
Номинальная мощность, Вт |
Расчетное напряжение, В |
Ток калибровки, А |
Отношение напряжения к току, Ом |
Коэффициент мощности |
||||
50 |
80 |
240 |
0,865 |
223 |
0,06 |
||||
60 |
- |
- |
- |
- |
- |
||||
Информация для расчета ПРА |
|||||||||
Частота, Гц |
50 |
60 |
|||||||
Напряжение предварительного подогрева катода, действующее значение, В |
не менее |
6,5 |
- |
||||||
не более |
11,0 |
- |
|||||||
Напряжение холостого хода на лампе, В |
действующее значение, не менее |
220 |
- |
||||||
пиковое, не более |
475 |
- |
|||||||
Сопротивление заменяющего резистора для каждого катода, Ом |
11 |
- |
|||||||
Напряжение на ЗВУ, пиковое, В, не менее |
* |
- |
|||||||
Ток в любом вводе катодов, А, не более |
1,600 |
- |
|||||||
* В стадии рассмотрения.
|
ЛАМПА ЛЮМИНЕСЦЕНТНАЯ ДВУХЦОКОЛЬНАЯ ЛИСТ С ПАРАМЕТРАМИ |
С. 1 |
МСОЛ: FD-85-L/P/H-G13-38/1800
Номинальная мощность, Вт |
Схема |
Катод |
Цоколь |
Номинальные размеры, мм |
|||||||||||||||||
85 |
Бесстартерная |
Предварительного подогрева, высокоомный |
G13 |
38×1800 |
|||||||||||||||||
Размеры, мм |
|||||||||||||||||||||
А |
В |
С |
D |
||||||||||||||||||
не более |
не менее |
не более |
не более |
не более |
|||||||||||||||||
1763,8 |
1768,5 |
1770,9 |
1778,0 |
40,5 |
|||||||||||||||||
Характеристики зажигания |
|||||||||||||||||||||
Частота, Гц |
Номинальная мощность ПРА, Вт |
Расчетное напряжение ПРА, В |
Расстояние от ЗВУ, мм |
Напряжение на катоде, действующее значение, В |
Напряжение холостого хода, действующее значение, В |
Время зажигания, с |
|||||||||||||||
50 |
85 |
240 |
13 |
8,0 |
250 |
10 |
|||||||||||||||
60 |
- |
- |
- |
- |
- |
- |
|||||||||||||||
Электрические параметры |
|||||||||||||||||||||
Частота, Гц |
Расчетная мощность, Вт |
Напряжение на лампе, действующее значение, В |
Расчетный ток лампы, А |
||||||||||||||||||
расчетное |
не менее |
не более |
|||||||||||||||||||
50 |
84 |
120 |
110 |
130 |
0,800 |
||||||||||||||||
60 |
- |
- |
- |
- |
- |
||||||||||||||||
Координаты цветности: см. D.3, приложение D. |
|||||||||||||||||||||
Характеристики катода |
|||||||||||||||||||||
Катод |
Испытательное напряжение, действующее значение, В |
Сопротивление каждого катода, Ом |
|||||||||||||||||||
расчетное |
не менее |
||||||||||||||||||||
Высокоомный |
8,0 |
12 |
9 |
||||||||||||||||||
|
ЛАМПА ЛЮМИНЕСЦЕНТНАЯ ДВУХЦОКОЛЬНАЯ ЛИСТ С ПАРАМЕТРАМИ |
С. 2 |
МСОЛ: FD-85-L/P/H-G13-38/1800
Характеристики образцового ПРА |
|||||||||
Частота, Гц |
Номинальная мощность, Вт |
Расчетное напряжение, В |
Ток калибровки, А |
Отношение напряжения к току, Ом |
Коэффициент мощности |
||||
50 |
80 |
240 |
0,865 |
223 |
0,06 |
||||
60 |
- |
- |
- |
- |
- |
||||
Информация для расчета ПРА |
|||||||||
Частота, Гц |
50 |
60 |
|||||||
Напряжение предварительного подогрева катода, действующее значение, В |
не менее |
6,5 |
- |
||||||
не более |
11,0 |
- |
|||||||
Напряжение холостого хода на лампе, В |
действующее значение, не менее |
250 |
- |
||||||
пиковое, не более |
500 |
- |
|||||||
Сопротивление заменяющего резистора для каждого катода, Ом |
11 |
- |
|||||||
Напряжение на ЗВУ, пиковое, В, не менее |
* |
- |
|||||||
Ток в любом вводе катодов, А, не более |
1,300 |
- |
|||||||
* В стадии рассмотрения.
|
ЛАМПА ЛЮМИНЕСЦЕНТНАЯ ДВУХЦОКОЛЬНАЯ ЛИСТ С ПАРАМЕТРАМИ |
С. 1 |
МСОЛ: FD-125-L/P/H-G13-38/2400
Номинальная мощность, Вт |
Схема |
Катод |
Цоколь |
Номинальные размеры, мм |
||||||||||||||||||
125 |
Бесстартерная |
Предварительного подогрева, высокоомный |
G13 |
38×2400 |
||||||||||||||||||
Размеры, мм |
||||||||||||||||||||||
А |
В |
С |
D |
|||||||||||||||||||
не более |
не менее |
не более |
не более |
не более |
||||||||||||||||||
2374,3 |
2379,0 |
2381,4 |
2388,5 |
40,5 |
||||||||||||||||||
Характеристики зажигания |
||||||||||||||||||||||
Частота, Гц |
Номинальная мощность ПРА, Вт |
Расчетное напряжение ПРА, В |
Расстояние от ЗВУ, мм |
Напряжение на катоде, действующее значение, В |
Напряжение холостого хода, действующее значение, В |
Время зажигания, с |
||||||||||||||||
50 |
125 |
240 |
13 |
8,0 |
315 |
10 |
||||||||||||||||
60 |
- |
- |
- |
- |
- |
- |
||||||||||||||||
Электрические параметры |
||||||||||||||||||||||
Частота, Гц |
Расчетная мощность, Вт |
Напряжение на лампе, действующее значение, В |
Расчетный ток лампы, А |
|||||||||||||||||||
расчетное |
не менее |
не более |
||||||||||||||||||||
50 |
123 |
149 |
134 |
164 |
0,940 |
|||||||||||||||||
60 |
- |
- |
- |
- |
- |
|||||||||||||||||
Координаты цветности: см. D.3, приложение D. |
||||||||||||||||||||||
Характеристики катода |
||||||||||||||||||||||
Катод |
Испытательное напряжение, действующее значение, В |
Сопротивление каждого катода, Ом |
||||||||||||||||||||
расчетное |
не менее |
|||||||||||||||||||||
Высокоомный |
8,0 |
12 |
9 |
|||||||||||||||||||
|
ЛАМПА ЛЮМИНЕСЦЕНТНАЯ ДВУХЦОКОЛЬНАЯ ЛИСТ С ПАРАМЕТРАМИ |
С. 2 |
МСОЛ: FD-125-L/P/H-G13-38/2400
Характеристики образцового ПРА |
|||||||||
Частота, Гц |
Номинальная мощность, Вт |
Расчетное напряжение, В |
Ток калибровки, А |
Отношение напряжения к току, Ом |
Коэффициент мощности |
||||
50 |
125 |
350 |
0,940 |
300 |
0,06 |
||||
60 |
- |
- |
- |
- |
- |
||||
Информация для расчета ПРА |
|||||||||
Частота, Гц |
50 |
60 |
|||||||
Напряжение предварительного подогрева катода, действующее значение, В |
не менее |
6,5 |
- |
||||||
не более |
11,0 |
- |
|||||||
Напряжение холостого хода на лампе, В |
действующее значение, не менее |
315 |
- |
||||||
пиковое, не более |
* |
- |
|||||||
Сопротивление заменяющего резистора для каждого катода, Ом |
11 |
- |
|||||||
Напряжение на ЗВУ, пиковое, В, не менее |
* |
- |
|||||||
Ток в любом вводе катодов, А, не более |
1,600 |
- |
|||||||
* В стадии рассмотрения.
|
ЛАМПА ЛЮМИНЕСЦЕНТНАЯ ДВУХЦОКОЛЬНАЯ ЛИСТ С ПАРАМЕТРАМИ |
С. 1 |
МСОЛ: FD-20-L/P/L-G13-32/600
Номинальная мощность, Вт |
Схема |
Катод |
Цоколь |
Номинальные размеры, мм |
|||||||||||||||||
20 |
Бесстартерная |
Предварительного подогрева, низкоомный |
G13 |
32×600 |
|||||||||||||||||
Размеры, мм |
|||||||||||||||||||||
А |
В |
С |
D |
||||||||||||||||||
не более |
не менее |
не более |
не более |
не более |
|||||||||||||||||
589,8 |
594,5 |
596,9 |
604,0 |
34,1 |
|||||||||||||||||
Характеристики зажигания |
|||||||||||||||||||||
Частота, Гц |
Номинальная мощность ПРА, Вт |
Расчетное напряжение ПРА, В |
Расстояние от ЗВУ, мм |
Напряжение на катоде, действующее значение, В |
Напряжение холостого хода, действующее значение, В |
Время зажигания, с |
|||||||||||||||
50 |
40 |
220 |
16 |
3,05 |
180 |
10 |
|||||||||||||||
60 |
40 |
220 |
16 |
3,05 |
180 |
10 |
|||||||||||||||
Электрические параметры |
|||||||||||||||||||||
Метод испытания, приложение |
Частота, Гц |
Расчетная мощность, Вт |
Напряжение на лампе, действующее значение, В |
Расчетный ток лампы, А |
|||||||||||||||||
расчетное |
не менее |
не более |
|||||||||||||||||||
В.1 |
50 |
19 |
58 |
52 |
64 |
0,360 |
|||||||||||||||
В.1 |
60 |
19 |
58 |
52 |
64 |
0,360 |
|||||||||||||||
В.2 |
60 |
* |
* |
* |
* |
* |
|||||||||||||||
Координаты цветности: см. D.2, приложение D. |
|||||||||||||||||||||
Характеристики катода |
|||||||||||||||||||||
Катод |
Испытательное напряжение, действующее значение, В |
Сопротивление каждого катода, Ом |
|||||||||||||||||||
расчетное |
не менее |
||||||||||||||||||||
Низкоомный |
3,6 |
10 |
7 |
||||||||||||||||||
|
ЛАМПА ЛЮМИНЕСЦЕНТНАЯ ДВУХЦОКОЛЬНАЯ ЛИСТ С ПАРАМЕТРАМИ |
С. 2 |
МСОЛ: FD-20-L/P/L-G13-32/600
Характеристики образцового ПРА |
|||||||||
Частота, Гц |
Номинальная мощность, Вт |
Расчетное напряжение, В |
Ток калибровки, А |
Отношение напряжения к току, Ом |
Коэффициент мощности |
||||
50 |
20 |
127 |
0,370 |
270 |
0,12 |
||||
60 |
20 |
118 |
0,380 |
240 |
0,075 |
||||
Информация для расчета ПРА |
|||||||||
Частота, Гц |
50 |
60 |
|||||||
Напряжение предварительного подогрева катода, действующее значение, В |
не менее |
3,05 |
3,05 |
||||||
не более |
5,5 |
5,5 |
|||||||
Напряжение холостого хода на лампе, В |
действующее значение, не менее |
180 |
180 |
||||||
пиковое, не более |
345 |
345 |
|||||||
Сопротивление заменяющего резистора для каждого катода, Ом |
9 |
9 |
|||||||
Напряжение на ЗВУ, пиковое, В, не менее |
* |
* |
|||||||
Ток в любом вводе катодов, А, не более |
0,650 |
0,650 |
|||||||
* В стадии рассмотрения.
|
ЛАМПА ЛЮМИНЕСЦЕНТНАЯ ДВУХЦОКОЛЬНАЯ ЛИСТ С ПАРАМЕТРАМИ |
С. 1 |
МСОЛ: FD-20-L/P/L-G13-38/600
Номинальная мощность, Вт. |
Схема |
Катод |
Цоколь |
Номинальные размеры, мм |
|||||||||||||||||
20 |
Бесстартерная |
Предварительного подогрева, низкоомный |
G13 |
38×600 |
|||||||||||||||||
Размеры, мм |
|||||||||||||||||||||
А |
В |
С |
D |
||||||||||||||||||
не более |
не менее |
не более |
не более |
не более |
|||||||||||||||||
589,8 |
594,5 |
596,9 |
604,0 |
40,5 |
|||||||||||||||||
Характеристики зажигания |
|||||||||||||||||||||
Частота, Гц |
Номинальная мощность ПРА, Вт |
Расчетное напряжение ПРА, В |
Расстояние от ЗВУ, мм |
Напряжение на катоде, действующее значение, В |
Напряжение холостого хода, действующее значение, В |
Время зажигания, с |
|||||||||||||||
50 |
40 |
220 |
16 |
3,05 |
180 |
10 |
|||||||||||||||
60 |
40 |
220 |
16 |
3,05 |
180 |
10 |
|||||||||||||||
Электрические параметры |
|||||||||||||||||||||
Метод испытания, приложение |
Частота, Гц |
Расчетная мощность, Вт |
Напряжение на лампе, действующее значение, В |
Расчетный ток лампы, А |
|||||||||||||||||
расчетное |
не менее |
не более |
|||||||||||||||||||
В.1 |
50 |
19,3 |
57 |
50 |
64 |
0,370 |
|||||||||||||||
В.1 |
60 |
20,0 |
56 |
49 |
63 |
0,380 |
|||||||||||||||
В.2 |
60 |
* |
* |
* |
* |
* |
|||||||||||||||
Координаты цветности: см. D.2, приложение D. |
|||||||||||||||||||||
Характеристики катода |
|||||||||||||||||||||
Катод |
Испытательное напряжение, действующее значение, В |
Сопротивление каждого катода, Ом |
|||||||||||||||||||
расчетное |
не менее |
||||||||||||||||||||
Низкоомный |
3,6 |
10 |
7 |
||||||||||||||||||
|
ЛАМПА ЛЮМИНЕСЦЕНТНАЯ ДВУХЦОКОЛЬНАЯ ЛИСТ С ПАРАМЕТРАМИ |
С. 2 |
МСОЛ: FD-20-L/P/L-G13-38/600
Характеристики образцового ПРА |
|||||||||
Частота, Гц |
Номинальная мощность, Вт |
Расчетное напряжение, В |
Ток калибровки, А |
Отношение напряжения к току, Ом |
Коэффициент мощности |
||||
50 |
20 |
127 |
0,370 |
270 |
0,12 |
||||
60 |
20 |
118 |
0,380 |
240 |
0,075 |
||||
Информация для расчета ПРА |
|||||||||
Частота, Гц |
50 |
60 |
|||||||
Напряжение предварительного подогрева катода, действующее значение, В |
не менее |
3,05 |
3,05 |
||||||
не более |
5,5 |
5,5 |
|||||||
Напряжение холостого хода на лампе, В |
действующее значение, не менее |
180 |
180 |
||||||
пиковое, не более |
345 |
345 |
|||||||
Сопротивление заменяющего резистора для каждого катода, Ом |
9 |
9 |
|||||||
Напряжение на ЗВУ, пиковое, В, не менее |
* |
* |
|||||||
Ток в любом вводе катодов, А, не более |
0,650 |
0,650 |
|||||||
* В стадии рассмотрения.
|
ЛАМПА ЛЮМИНЕСЦЕНТНАЯ ДВУХЦОКОЛЬНАЯ ЛИСТ С ПАРАМЕТРАМИ |
С. 1 |
МСОЛ: FD-30-L/P/L-G13-38/900
Номинальная мощность, Вт |
Схема |
Катод |
Цоколь |
Номинальные размеры, мм |
||||||||||||||||||
30 |
Бесстартерная |
Предварительного подогрева, низкоомный |
G13 |
38×900 |
||||||||||||||||||
Размеры, мм |
||||||||||||||||||||||
А |
В |
С |
D |
|||||||||||||||||||
не более |
не менее |
не более |
не более |
не более |
||||||||||||||||||
894,6 |
899,3 |
901,7 |
908,8 |
40,5 |
||||||||||||||||||
Характеристики зажигания |
||||||||||||||||||||||
Частота, Гц |
Номинальная мощность ПРА, Вт |
Расчетное напряжение ПРА, В |
Расстояние от ЗВУ, мм |
Напряжение на катоде, действующее значение, В |
Напряжение холостого хода, действующее значение, В |
Время зажигания, с |
||||||||||||||||
50 |
30 |
220 |
13 |
3,05 |
205 |
10 |
||||||||||||||||
60 |
30 |
220 |
13 |
3,05 |
205 |
10 |
||||||||||||||||
Электрические параметры |
||||||||||||||||||||||
Метод испытания, приложение |
Частота, Гц |
Расчетная мощность, Вт |
Напряжение на лампе, действующее значение, В |
Расчетный ток лампы, А |
||||||||||||||||||
расчетное |
не менее |
не более |
||||||||||||||||||||
В.1 |
50 |
29,5 |
81 |
71 |
91 |
0,405 |
||||||||||||||||
В.1 |
60 |
31,5 |
78 |
70 |
86 |
0,435 |
||||||||||||||||
В.2 |
60 |
32,5* |
77 |
69 |
85 |
0,430 |
||||||||||||||||
Координаты цветности: см. D.2, приложение D. |
||||||||||||||||||||||
Характеристики катода |
||||||||||||||||||||||
Катод |
Испытательное напряжение, действующее значение, В |
Сопротивление каждого катода, Ом |
||||||||||||||||||||
расчетное |
не менее |
|||||||||||||||||||||
Низкоомный |
3,6 |
10 |
7 |
|||||||||||||||||||
* Включает около 2 Вт для дополнительного катода, действующее значение в вольтах при напряжении 3,6 В на каждом катоде.
|
ЛАМПА ЛЮМИНЕСЦЕНТНАЯ ДВУХЦОКОЛЬНАЯ ЛИСТ С ПАРАМЕТРАМИ |
С. 2 |
МСОЛ: FD-30-L/P/L-G13-38/900
Характеристики образцового ПРА |
|||||||||
Частота, Гц |
Номинальная мощность, Вт |
Расчетное напряжение, В |
Ток калибровки, А |
Отношение напряжения к току, Ом |
Коэффициент мощности |
||||
50 |
30 |
220 |
0,405 |
460 |
0,10 |
||||
60 |
* |
* |
* |
* |
* |
||||
Информация для расчета ПРА |
|||||||||
Частота, Гц |
50 |
60 |
|||||||
Напряжение предварительного подогрева катода, действующее значение, В |
не менее |
3,05 |
3,05 |
||||||
не более |
5,5 |
5,5 |
|||||||
Напряжение холостого хода на лампе, В |
действующее значение, не менее |
205 |
205 |
||||||
пиковое, не более |
420 |
420 |
|||||||
Сопротивление заменяющего резистора для каждого катода, Ом |
9 |
9 |
|||||||
Напряжение на ЗВУ, пиковое, В, не менее |
* |
* |
|||||||
Ток в любом вводе катодов, А, не более |
0,750 |
0,750 |
|||||||
* В стадии рассмотрения.
|
ЛАМПА ЛЮМИНЕСЦЕНТНАЯ ДВУХЦОКОЛЬНАЯ ЛИСТ С ПАРАМЕТРАМИ |
С. 1 |
МСОЛ: FD-40-L/P/L-G13-32/1200
Номинальная мощность, Вт |
Схема |
Катод |
Цоколь |
Номинальные размеры, мм |
|||||||||||||||||
40 |
Бесстартерная |
Предварительного подогрева, низкоомный |
G13 |
32×1200 |
|||||||||||||||||
Размеры, мм |
|||||||||||||||||||||
А |
В |
С |
D |
||||||||||||||||||
не более |
не менее |
не более |
не более |
не более |
|||||||||||||||||
1199,4 |
1204,1 |
1206,5 |
1213,6 |
34,1 |
|||||||||||||||||
Характеристики зажигания |
|||||||||||||||||||||
Частота, Гц |
Номинальная мощность ПРА, Вт |
Расчетное напряжение ПРА, В |
Расстояние от ЗВУ, мм |
Напряжение на катоде, действующее значение, В |
Напряжение холостого хода, действующее значение, В |
Время зажигания, с |
|||||||||||||||
50 |
40 |
220 |
16 |
3,05 |
205 |
10 |
|||||||||||||||
60 |
40 |
220 |
16 |
3,05 |
205 |
10 |
|||||||||||||||
Электрические параметры |
|||||||||||||||||||||
Метод испытания, приложение |
Частота, Гц |
Расчетная мощность, Вт |
Напряжение на лампе, действующее значение, В |
Расчетный ток лампы, А |
|||||||||||||||||
расчетное |
не менее |
не более |
|||||||||||||||||||
В.1 |
50 |
39,0 |
106 |
96 |
116 |
0,420 |
|||||||||||||||
В.1 |
60 |
39,5 |
105 |
98 |
112 |
0,425 |
|||||||||||||||
В.2 |
60 |
40,5* |
104 |
97 |
111 |
0,420 |
|||||||||||||||
Координаты цветности: см. D.2, приложение D. |
|||||||||||||||||||||
Характеристики катода |
|||||||||||||||||||||
Катод |
Испытательное напряжение, действующее значение, В |
Сопротивление каждого катода, Ом |
|||||||||||||||||||
расчетное |
не менее |
||||||||||||||||||||
Низкоомный |
3,6 |
10 |
7 |
||||||||||||||||||
* Включает около 2 Вт для дополнительного катода, действующее значение в вольтах при напряжении 3,6 В на каждом катоде.
|
ЛАМПА ЛЮМИНЕСЦЕНТНАЯ ДВУХЦОКОЛЬНАЯ ЛИСТ С ПАРАМЕТРАМИ |
С. 2 |
МСОЛ: FD-40-L/P/L-G13-32/1200
Характеристики образцового ПРА |
|||||||||
Частота, Гц |
Номинальная мощность, Вт |
Расчетное напряжение, В |
Ток калибровки, А |
Отношение напряжения к току, Ом |
Коэффициент мощности |
||||
50 |
40 |
220 |
0,430 |
390 |
0,10 |
||||
60 |
40 |
236 |
0,430 |
439 |
0,075 |
||||
Информация для расчета ПРА |
|||||||||
Частота, Гц |
50 |
60 |
|||||||
Напряжение предварительного подогрева катода, действующее значение, В |
не менее |
3,05 |
3,05 |
||||||
не более |
5,5 |
5,5 |
|||||||
Напряжение холостого хода на лампе, В |
действующее значение, не менее |
205 |
205 |
||||||
пиковое, не более |
420 |
420 |
|||||||
Сопротивление заменяющего резистора для каждого катода, Ом |
9 |
9 |
|||||||
Напряжение на ЗВУ, пиковое, В, не менее |
* |
* |
|||||||
Ток в любом вводе катодов, А, не более |
0,750 |
0,750 |
|||||||
* В стадии рассмотрения.
|
ЛАМПА ЛЮМИНЕСЦЕНТНАЯ ДВУХЦОКОЛЬНАЯ ЛИСТ С ПАРАМЕТРАМИ |
С. 1 |
МСОЛ: FD-40-L/P/L-G13-38/1200
Номинальная мощность, Вт |
Схема |
Катод |
Цоколь |
Номинальные размеры, мм |
||||||||||||||||||
40 |
Бесстартерная |
Предварительного подогрева, низкоомный |
G13 |
38×1200 |
||||||||||||||||||
Размеры, мм |
||||||||||||||||||||||
А |
В |
С |
D |
|||||||||||||||||||
не более |
не менее |
не более |
не более |
не более |
||||||||||||||||||
1199,4 |
1204,1 |
1206,5 |
1213,6 |
40,5 |
||||||||||||||||||
Характеристики зажигания |
||||||||||||||||||||||
Частота, Гц |
Номинальная мощность ПРА, Вт |
Расчетное напряжение ПРА, В |
Расстояние от ЗВУ, мм |
Напряжение на катоде, действующее значение, В |
Напряжение холостого хода, действующее значение, В |
Время зажигания, с |
||||||||||||||||
50 |
40 |
220 |
13 |
3,05 |
205 |
10 |
||||||||||||||||
60 |
40 |
220 |
13 |
3,05 |
205 |
10 |
||||||||||||||||
Электрические параметры |
||||||||||||||||||||||
Метод испытания, приложение |
Частота, Гц |
Расчетная мощность, Вт |
Напряжение на лампе, действующее значение, В |
Расчетный ток лампы, А |
||||||||||||||||||
расчетное |
не менее |
не более |
||||||||||||||||||||
В.1 |
50 |
39,0 |
103 |
93 |
113 |
0,430 |
||||||||||||||||
В.1 |
60 |
40,0 |
102 |
92 |
112 |
0,435 |
||||||||||||||||
В.2 |
60 |
41,0* |
101 |
91 |
111 |
0,430 |
||||||||||||||||
Координаты цветности: см. D.2, приложение D. |
||||||||||||||||||||||
Характеристики катода |
||||||||||||||||||||||
Катод |
Испытательное напряжение, действующее значение, В |
Сопротивление каждого катода, Ом |
||||||||||||||||||||
расчетное |
не менее |
|||||||||||||||||||||
Низкоомный |
3,6 |
10 |
7 |
|||||||||||||||||||
* Включает около 2 Вт для дополнительного катода, действующее значение в вольтах при напряжении 3,6 В на каждом катоде.
|
ЛАМПА ЛЮМИНЕСЦЕНТНАЯ ДВУХЦОКОЛЬНАЯ ЛИСТ С ПАРАМЕТРАМИ |
С. 2 |
МСОЛ: FD-40-L/P/L-G13-38/1200
Характеристики образцового ПРА |
|||||||||
Частота, Гц |
Номинальная мощность, Вт |
Расчетное напряжение, В |
Ток калибровки, А |
Отношение напряжения к току, Ом |
Коэффициент мощности |
||||
50 |
40 |
220 |
0,430 |
390 |
0,10 |
||||
60 |
40 |
236 |
0,430 |
439 |
0,075 |
||||
Информация для расчета ПРА |
|||||||||
Частота, Гц |
50 |
60 |
|||||||
Напряжение предварительного подогрева катода, действующее значение, В |
не менее |
3,05 |
3,05 |
||||||
не более |
5,5 |
5,5 |
|||||||
Напряжение холостого хода на лампе, В |
действующее значение, не менее |
205 |
205 |
||||||
пиковое, не более |
420 |
420 |
|||||||
Сопротивление заменяющего резистора для каждого катода, Ом |
9* |
9* |
|||||||
Напряжение на ЗВУ, пиковое, В, не менее |
* |
* |
|||||||
Ток в любом вводе катодов, А, не более |
0,750 |
0,750 |
|||||||
* В стадии рассмотрения.
|
ЛАМПА ЛЮМИНЕСЦЕНТНАЯ ДВУХЦОКОЛЬНАЯ ЛИСТ С ПАРАМЕТРАМИ |
С. 1 |
МСОЛ: FD-65-L/P/L-G13-38/1500
Номинальная мощность, Вт |
Схема |
Катод |
Цоколь |
Номинальные размеры, мм |
|||||||||||||||||
65 |
Бесстартерная |
Предварительного подогрева, низкоомный |
G13 |
38×1500 |
|||||||||||||||||
Размеры, мм |
|||||||||||||||||||||
А |
В |
С |
D |
||||||||||||||||||
не более |
не менее |
не более |
не более |
не более |
|||||||||||||||||
1500,0 |
1504,7 |
1507,1 |
1514,2 |
40,5 |
|||||||||||||||||
Характеристики зажигания |
|||||||||||||||||||||
Частота, Гц |
Номинальная мощность ПРА, Вт |
Расчетное напряжение ПРА, В |
Расстояние от ЗВУ, мм |
Напряжение на катоде, действующее значение, В |
Напряжение холостого хода, действующее значение, В |
Время зажигания, с |
|||||||||||||||
50 |
65 |
220 |
13 |
3,05 |
205 |
10 |
|||||||||||||||
60 |
- |
- |
- |
- |
- |
- |
|||||||||||||||
Электрические параметры |
|||||||||||||||||||||
Метод испытания, приложение |
Частота, Гц |
Расчетная мощность, Вт |
Напряжение на лампе, действующее значение, В |
Расчетный ток лампы, А |
|||||||||||||||||
расчетное |
не менее |
не более |
|||||||||||||||||||
В.1 |
50 |
64 |
110 |
100 |
120 |
0,670 |
|||||||||||||||
В.1 |
60 |
- |
- |
- |
- |
- |
|||||||||||||||
В.2 |
60 |
- |
- |
- |
- |
- |
|||||||||||||||
Координаты цветности: см. D.2, приложение D. |
|||||||||||||||||||||
Характеристики катода |
|||||||||||||||||||||
Катод |
Испытательное напряжение, действующее значение, В |
Сопротивление каждого катода, Ом |
|||||||||||||||||||
расчетное |
не менее |
||||||||||||||||||||
Низкоомный |
3,6 |
6 |
4 |
||||||||||||||||||
|
ЛАМПА ЛЮМИНЕСЦЕНТНАЯ ДВУХЦОКОЛЬНАЯ ЛИСТ С ПАРАМЕТРАМИ |
С. 2 |
МСОЛ: FD-65-L/P/L-G13-38/1500
Характеристики образцового ПРА |
|||||||||
Частота, Гц |
Номинальная мощность, Вт |
Расчетное напряжение, В |
Ток калибровки, А |
Отношение напряжения к току, Ом |
Коэффициент мощности |
||||
50 |
65 |
220 |
0,670 |
240 |
0,10 |
||||
60 |
- |
- |
- |
- |
- |
||||
Информация для расчета ПРА |
|||||||||
Частота, Гц |
50 |
60 |
|||||||
Напряжение предварительного подогрева катода, действующее значение, В |
не менее |
3,05 |
- |
||||||
не более |
5,5 |
- |
|||||||
Напряжение холостого хода на лампе, В |
действующее значение, не менее |
220 |
- |
||||||
пиковое, не более |
475 |
- |
|||||||
Сопротивление заменяющего резистора для каждого катода, Ом |
6 |
- |
|||||||
Напряжение на ЗВУ, пиковое, В, не менее |
* |
- |
|||||||
Ток в любом вводе катодов, А, не более |
1,100 |
- |
|||||||
* В стадии рассмотрения.
|
ЛАМПА ЛЮМИНЕСЦЕНТНАЯ ДВУХЦОКОЛЬНАЯ ЛИСТ С ПАРАМЕТРАМИ |
С. 1 |
МСОЛ: FD-85-L/P/L-G13-38/2400
Номинальная мощность, Вт |
Схема |
Катод |
Цоколь |
Номинальные размеры, мм |
||||||||||||||||||
85 |
Бесстартерная |
Предварительного подогрева, низкоомный |
G13 |
38×2400 |
||||||||||||||||||
Размеры, мм |
||||||||||||||||||||||
А |
В |
С |
D |
|||||||||||||||||||
не более |
не менее |
не более |
не более |
не более |
||||||||||||||||||
2374,3 |
2379,0 |
2381,4 |
2388,5 |
40,5 |
||||||||||||||||||
Характеристики зажигания |
||||||||||||||||||||||
Частота, Гц |
Номинальная мощность ПРА, Вт |
Расчетное напряжение ПРА, В |
Расстояние от ЗВУ, мм |
Напряжение на катоде, действующее значение, В |
Напряжение холостого хода, действующее значение, В |
Время зажигания, с |
||||||||||||||||
50 |
85 |
240 |
13 |
3,05 |
325 |
10 |
||||||||||||||||
60 |
- |
- |
- |
- |
- |
- |
||||||||||||||||
Электрические параметры |
||||||||||||||||||||||
Метод испытания, приложение |
Частота, Гц |
Расчетная мощность, Вт |
Напряжение на лампе, действующее значение, В |
Расчетный ток лампы, А |
||||||||||||||||||
расчетное |
не менее |
не более |
||||||||||||||||||||
В.1 |
50 |
85 |
178 |
163 |
193 |
0,550 |
||||||||||||||||
В.1 |
60 |
- |
- |
- |
- |
- |
||||||||||||||||
В.2 |
60 |
- |
- |
- |
- |
- |
||||||||||||||||
Координаты цветности: см. D.2, приложение D. |
||||||||||||||||||||||
Характеристики катода |
||||||||||||||||||||||
Катод |
Испытательное напряжение, действующее значение, В |
Сопротивление каждого катода, Ом |
||||||||||||||||||||
расчетное |
не менее |
|||||||||||||||||||||
Низкоомный |
3,6 |
6 |
4 |
|||||||||||||||||||
|
ЛАМПА ЛЮМИНЕСЦЕНТНАЯ ДВУХЦОКОЛЬНАЯ ЛИСТ С ПАРАМЕТРАМИ |
С. 2 |
МСОЛ: FD-85-L/P/L-G13-38/2400
Характеристики образцового ПРА |
|||||||||
Частота, Гц |
Номинальная мощность, Вт |
Расчетное напряжение, В |
Ток калибровки, А |
Отношение напряжения к току, Ом |
Коэффициент мощности |
||||
50 |
85 |
350 |
0,550 |
480 |
0,06 |
||||
60 |
- |
- |
- |
- |
- |
||||
Информация для расчета ПРА |
|||||||||
Частота, Гц |
50 |
60 |
|||||||
Напряжение предварительного подогрева катода, действующее значение, В |
не менее |
3,05 |
- |
||||||
не более |
5,5 |
- |
|||||||
Напряжение холостого хода на лампе, В |
действующее значение, не менее |
* |
- |
||||||
пиковое, не более |
* |
- |
|||||||
Сопротивление заменяющего резистора для каждого катода, Ом |
6 |
- |
|||||||
Напряжение на ЗВУ, пиковое, В, не менее |
* |
- |
|||||||
Ток в любом вводе катодов, А, не более |
* |
- |
|||||||
* В стадии рассмотрения.
|
ЛАМПА ЛЮМИНЕСЦЕНТНАЯ ДВУХЦОКОЛЬНАЯ ЛИСТ С ПАРАМЕТРАМИ |
С. 1 |
МСОЛ: FD-60-L/P/L-R17d-38/1200
Номинальная мощность, Вт |
Схема |
Катод |
Цоколь |
Номинальные размеры, мм |
|||||||||||||||||
60 |
Бесстартерная |
Предварительного подогрева, низкоомный |
R17d |
38×1200 |
|||||||||||||||||
Размеры, мм |
|||||||||||||||||||||
С |
D |
||||||||||||||||||||
не менее |
не более |
не более |
|||||||||||||||||||
1161,2 |
1166,0 |
40,5 |
|||||||||||||||||||
Характеристики зажигания |
|||||||||||||||||||||
Частота, Гц |
Номинальная мощность ПРА, Вт |
Расчетное напряжение ПРА, В |
Расстояние от ЗВУ, мм |
Напряжение на катоде, действующее значение, В |
Напряжение холостого хода, действующее значение, В |
Время зажигания, с |
|||||||||||||||
50 |
- |
- |
- |
- |
- |
- |
|||||||||||||||
60 |
60 |
* |
13 |
3,05 |
205 |
10 |
|||||||||||||||
Электрические параметры |
|||||||||||||||||||||
Метод испытания, приложение |
Частота, Гц |
Расчетная мощность, Вт |
Напряжение на лампе, действующее значение, В |
Расчетный ток лампы, А |
|||||||||||||||||
расчетное |
не менее |
не более |
|||||||||||||||||||
В.1 |
50 |
- |
- |
- |
- |
- |
|||||||||||||||
В.1 |
60 |
* |
* |
* |
* |
* |
|||||||||||||||
В.2 |
60 |
63** |
78 |
70 |
86 |
0,800 |
|||||||||||||||
Координаты цветности:* |
|||||||||||||||||||||
Характеристики катода |
|||||||||||||||||||||
Катод |
Испытательное напряжение, действующее значение, В |
Сопротивление каждого катода, Ом |
|||||||||||||||||||
расчетное |
не менее |
||||||||||||||||||||
Низкоомный |
3,6 |
3,2 |
2,8 |
||||||||||||||||||
* В стадии рассмотрения.
** Включает около 7 Вт для дополнительного катода, действующее значение в вольтах при напряжении 3,6 В на каждом катоде.
|
ЛАМПА ЛЮМИНЕСЦЕНТНАЯ ДВУХЦОКОЛЬНАЯ ЛИСТ С ПАРАМЕТРАМИ |
С. 2 |
МСОЛ: FD-60-L/P/L-R17d-38/1200
Характеристики образцового ПРА |
|||||||||
Частота, Гц |
Номинальная мощность, Вт |
Расчетное напряжение, В |
Ток калибровки, А |
Отношение напряжения к току, Ом |
Коэффициент мощности |
||||
50 |
- |
- |
- |
- |
- |
||||
60 |
60 |
230 |
0,800 |
244 |
0,075 |
||||
Информация для расчета ПРА |
|||||||||
Частота, Гц |
50 |
60 |
|||||||
Напряжение предварительного подогрева катода, действующее значение, В |
не менее |
- |
* |
||||||
не более |
- |
* |
|||||||
Напряжение холостого хода на лампе, В |
действующее значение, не менее |
- |
* |
||||||
пиковое, не более |
- |
* |
|||||||
Сопротивление заменяющего резистора для каждого катода, Ом |
- |
* |
|||||||
Напряжение на ЗВУ, пиковое, В, не менее |
- |
* |
|||||||
Ток в любом вводе катодов, А, не более |
- |
* |
|||||||
* В стадии рассмотрения.
|
ЛАМПА ЛЮМИНЕСЦЕНТНАЯ ДВУХЦОКОЛЬНАЯ ЛИСТ С ПАРАМЕТРАМИ |
С. 1 |
МСОЛ: FD-87-L/P/L-R17d-38/1800
Номинальная мощность, Вт |
Схема |
Катод |
Цоколь |
Номинальные размеры, мм |
|||||||||||||||||
87 |
Бесстартерная |
Предварительного подогрева, низкоомный |
R17d |
38×1800 |
|||||||||||||||||
Размеры, мм |
|||||||||||||||||||||
С |
D |
||||||||||||||||||||
не менее |
не более |
не более |
|||||||||||||||||||
1770,8 |
1775,6 |
40,5 |
|||||||||||||||||||
Характеристики зажигания |
|||||||||||||||||||||
Частота, Гц |
Номинальная мощность ПРА, Вт |
Расчетное напряжение ПРА, В |
Расстояние от ЗВУ, мм |
Напряжение на катоде, действующее значение, В |
Напряжение холостого хода, действующее значение, В |
Время зажигания, с |
|||||||||||||||
50 |
- |
- |
- |
- |
- |
- |
|||||||||||||||
60 |
87 |
* |
13 |
3,05 |
275 |
10 |
|||||||||||||||
Электрические параметры |
|||||||||||||||||||||
Метод испытания, приложение |
Частота, Гц |
Расчетная мощность, Вт |
Напряжение на лампе, действующее значение, В |
Расчетный ток лампы, А |
|||||||||||||||||
расчетное |
не менее |
не более |
|||||||||||||||||||
В.1 |
50 |
- |
- |
- |
- |
- |
|||||||||||||||
В.1 |
60 |
* |
* |
* |
* |
* |
|||||||||||||||
В.2 |
60 |
87** |
117 |
105 |
129 |
0,780 |
|||||||||||||||
Координаты цветности:* |
|||||||||||||||||||||
Характеристики катода |
|||||||||||||||||||||
Катод |
Испытательное напряжение, действующее значение, В |
Сопротивление каждого катода, Ом |
|||||||||||||||||||
расчетное |
не менее |
||||||||||||||||||||
Низкоомный |
3,6 |
3,2 |
2,8 |
||||||||||||||||||
* В стадии рассмотрения.
** Включает около 7 Вт для дополнительного катода, действующее значение в вольтах при напряжении 3,6 В на каждом катоде.
|
ЛАМПА ЛЮМИНЕСЦЕНТНАЯ ДВУХЦОКОЛЬНАЯ ЛИСТ С ПАРАМЕТРАМИ |
С. 2 |
МСОЛ: FD-87-L/P/L-R17d-38/1800
Характеристики образцового ПРА |
|||||||||
Частота, Гц |
Номинальная мощность, Вт |
Расчетное напряжение, В |
Ток калибровки, А |
Отношение напряжения к току, Ом |
Коэффициент мощности |
||||
50 |
- |
- |
- |
- |
- |
||||
60 |
87 |
300 |
0,800 |
315 |
0,075 |
||||
Информация для расчета ПРА |
|||||||||
Частота, Гц |
50 |
60 |
|||||||
Напряжение предварительного подогрева катода, действующее значение, В |
не менее |
- |
* |
||||||
не более |
- |
* |
|||||||
Напряжение холостого хода на лампе, В |
действующее значение, не менее |
- |
* |
||||||
пиковое, не более |
- |
* |
|||||||
Сопротивление заменяющего резистора для каждого катода, Ом |
- |
* |
|||||||
Напряжение на ЗВУ, пиковое, В, не менее |
- |
* |
|||||||
Ток в любом вводе катодов, А, не более |
- |
* |
|||||||
* В стадии рассмотрения.
|
ЛАМПА ЛЮМИНЕСЦЕНТНАЯ ДВУХЦОКОЛЬНАЯ ЛИСТ С ПАРАМЕТРАМИ |
С. 1 |
МСОЛ: FD-112-L/P/L-R17d-38/2400
Номинальная мощность, Вт |
Схема |
Катод |
Цоколь |
Номинальные размеры, мм |
|||||||||||||||||
112 |
Бесстартерная |
Предварительного подогрева, низкоомный |
R17d |
38×2400 |
|||||||||||||||||
Размеры, мм |
|||||||||||||||||||||
С |
D |
||||||||||||||||||||
не менее |
не более |
не более |
|||||||||||||||||||
2380,4 |
2385,2 |
40,5 |
|||||||||||||||||||
Характеристики зажигания |
|||||||||||||||||||||
Частота, Гц |
Номинальная мощность ПРА, Вт |
Расчетное напряжение ПРА, В |
Расстояние от ЗВУ, мм |
Напряжение на катоде, действующее значение, В |
Напряжение холостого хода, действующее значение, В |
Время зажигания, с |
|||||||||||||||
50 |
- |
- |
- |
- |
- |
- |
|||||||||||||||
60 |
112 |
* |
13 |
3,05 |
315 |
10 |
|||||||||||||||
Электрические параметры |
|||||||||||||||||||||
Метод испытания, приложение |
Частота, Гц |
Расчетная мощность, Вт |
Напряжение на лампе, действующее значение, В |
Расчетный ток лампы, А |
|||||||||||||||||
расчетное |
не менее |
не более |
|||||||||||||||||||
В.1 |
50 |
- |
- |
- |
- |
- |
|||||||||||||||
В.1 |
60 |
* |
* |
* |
* |
* |
|||||||||||||||
В.2 |
60 |
113** |
153 |
138 |
168 |
0,790 |
|||||||||||||||
Координаты цветности:* |
|||||||||||||||||||||
Характеристики катода |
|||||||||||||||||||||
Катод |
Испытательное напряжение, действующее значение, В |
Сопротивление каждого катода, Ом |
|||||||||||||||||||
расчетное |
не менее |
||||||||||||||||||||
Низкоомный |
3,6 |
3,2 |
2,8 |
||||||||||||||||||
* В стадии рассмотрения.
** Включает около 7 Вт для дополнительного катода, действующее значение в вольтах при напряжении 3,6 В на каждом катоде.
|
ЛАМПА ЛЮМИНЕСЦЕНТНАЯ ДВУХЦОКОЛЬНАЯ ЛИСТ С ПАРАМЕТРАМИ |
С. 2 |
МСОЛ: FD-112-L/P/L-R17d-38/2400
Характеристики образцового ПРА |
|||||||||
Частота, Гц |
Номинальная мощность, Вт |
Расчетное напряжение, В |
Ток калибровки, А |
Отношение напряжения к току, Ом |
Коэффициент мощности |
||||
50 |
- |
- |
- |
- |
- |
||||
60 |
112 |
400 |
0,800 |
415 |
0,075 |
||||
Информация для расчета ПРА |
|||||||||
Частота, Гц |
50 |
60 |
|||||||
Напряжение предварительного подогрева катода, действующее значение, В |
не менее |
- |
3,05 |
||||||
не более |
- |
5,0 |
|||||||
Напряжение холостого хода на лампе, В |
действующее значение, не менее |
- |
315 |
||||||
пиковое, не более |
- |
* |
|||||||
Сопротивление заменяющего резистора для каждого катода, Ом |
- |
3,2 |
|||||||
Напряжение на ЗВУ, пиковое, В, не менее |
- |
* |
|||||||
Ток в любом вводе катодов, А, не более |
- |
* |
|||||||
* В стадии рассмотрения.
|
ЛАМПА ЛЮМИНЕСЦЕНТНАЯ ДВУХЦОКОЛЬНАЯ ЛИСТ С ПАРАМЕТРАМИ |
С. 1 |
МСОЛ: FDH-14-L/P-G5-16/550
Номинальная мощность, Вт |
Схема |
Катод |
Цоколь |
Номинальные размеры, мм |
|||||||||||||||
14 |
ВЧ бесстартерная |
Предварительного подогрева |
G5 |
16×550 |
|||||||||||||||
Размеры, мм |
|||||||||||||||||||
А |
В |
С |
D |
||||||||||||||||
не более |
не менее |
не более |
не более |
не более |
|||||||||||||||
549,0 |
553,7 |
556,1 |
563,2 |
17,0 |
|||||||||||||||
Характеристики зажигания |
|||||||||||||||||||
Частота, кГц |
Расстояние от ЗВУ, мм |
Ток предварительного подогрева, А |
Время предварительного подогрева, с |
Напряжение холостого хода, действующее значение, В |
Время зажигания, с |
||||||||||||||
20-26 |
6 |
0,210 |
2 |
230 |
1,0 |
||||||||||||||
Электрические параметры |
|||||||||||||||||||
Частота, кГц |
Расчетная мощность, Вт |
Напряжение на лампе, действующее значение, В |
Расчетный ток лампы, А |
||||||||||||||||
расчетное |
не менее |
не более |
|||||||||||||||||
20-26 |
13,7 |
82 |
72 |
92 |
0,170 |
||||||||||||||
Координаты цветности: см. D.2, приложение D. Окружающая испытательная температура: (35 ±1)°С (справочная). |
|||||||||||||||||||
Характеристики катода |
|||||||||||||||||||
Испытательный ток, А |
Сопротивление каждого катода, Ом |
||||||||||||||||||
расчетное |
не менее |
не более |
|||||||||||||||||
0,175 |
40 |
32 |
48 |
||||||||||||||||
|
ЛАМПА ЛЮМИНЕСЦЕНТНАЯ ДВУХЦОКОЛЬНАЯ ЛИСТ С ПАРАМЕТРАМИ |
С. 2 |
МСОЛ: FDH-14-L/P-G5-16/550
Характеристики образцового ПРА |
|||||||||
Частота, кГц |
Номинальная мощность, Вт |
Расчетное напряжение, В |
Ток калибровки, А |
Сопротивление, Ом |
|||||
20-26 |
14 |
167 |
0,170 |
500 |
|||||
- |
|||||||||
Информация для расчета ВЧ ПРА |
|||||||||
Частота, кГц |
≥ 20 |
||||||||
Ток в любом вводе катодов, А, не более |
0,250 |
||||||||
Рабочий ток лампы, А |
не менее |
0,130 |
|||||||
не более |
0,220 |
||||||||
Предварительный подогрев контролируется током |
|||||||||
Наименьший ток предварительного подогрева, А, за время эмиссии te с, iк = (a/te+ i2m)0,5 |
а |
0,030 |
|||||||
im (А) |
0,160 |
||||||||
Наибольший ток предварительного подогрева, А |
t ≤ 0,4 |
0,400 |
|||||||
0,4 < t < 2,0 |
0,440-0,095t |
||||||||
t ≥ 2,0 |
0,250 |
||||||||
Напряжение холостого хода на лампе, действующее значение, В |
не более |
t ≤ te |
130 |
||||||
не менее |
t >te(+10oC) |
230 |
|||||||
не менее |
t >te(-15oC) |
275 |
|||||||
Напряжение на ЗВУ, пиковое, В |
не более |
t ≤ te |
* |
||||||
не менее |
t > te |
* |
|||||||
Сопротивление заменяющего резистора для каждого катода, Ом |
40 |
||||||||
Предварительный подогрев контролируется напряжением |
|||||||||
* |
|||||||||
Без предварительного подогрева |
|||||||||
Напряжение холостого хода на лампе, действующее значение, В, не менее |
560 |
||||||||
Ток через резистор, заменяющий лампу, А, не менее |
0,115 |
||||||||
Сопротивление заменяющего резистора лампы, Ом |
1100 |
||||||||
Сопротивление заменяющего резистора для каждого катода, Ом |
9 |
||||||||
Ток катода, А, не более |
* |
||||||||
* В стадии рассмотрения.
|
ЛАМПА ЛЮМИНЕСЦЕНТНАЯ ДВУХЦОКОЛЬНАЯ ЛИСТ С ПАРАМЕТРАМИ |
С. 1 |
МСОЛ: FDH-21-L/P-G5-16/850
Номинальная мощность, Вт |
Схема |
Катод |
Цоколь |
Номинальные размеры, мм |
|||||||||||||||
21 |
Высокочастотная бесстартерная |
Предварительного подогрева |
G5 |
16×850 |
|||||||||||||||
Размеры, мм |
|||||||||||||||||||
А |
В |
С |
D |
||||||||||||||||
не более |
не менее |
не более |
не более |
не более |
|||||||||||||||
849,0 |
853,7 |
856,1 |
863,2 |
17,0 |
|||||||||||||||
Характеристики зажигания |
|||||||||||||||||||
Частота, кГц |
Расстояние от ЗВУ, мм |
Ток предварительного подогрева, А |
Время предварительного подогрева, с |
Напряжение холостого хода, действующее значение, В |
Время зажигания, с |
||||||||||||||
20-26 |
6 |
0,210 |
2 |
350 |
0,1 |
||||||||||||||
Электрические параметры |
|||||||||||||||||||
Частота, кГц |
Расчетная мощность, Вт |
Напряжение на лампе, действующее значение, В |
Расчетный ток лампы, А |
||||||||||||||||
расчетное |
не менее |
не более |
|||||||||||||||||
20-26 |
20,7 |
123 |
113 |
133 |
0,170 |
||||||||||||||
Координаты цветности: см. D.2, приложение D. Окружающая испытательная температура: (35 ±1)°С (справочная). |
|||||||||||||||||||
Характеристики катода |
|||||||||||||||||||
Испытательный ток, А |
Сопротивление каждого катода, Ом |
||||||||||||||||||
расчетное |
не менее |
не более |
|||||||||||||||||
0,175 |
40 |
32 |
48 |
||||||||||||||||
|
ЛАМПА ЛЮМИНЕСЦЕНТНАЯ ДВУХЦОКОЛЬНАЯ ЛИСТ С ПАРАМЕТРАМИ |
С. 2 |
МСОЛ: FDH-21-L/P-G5-16/850
Характеристики образцового ПРА |
|||||||||
Частота, кГц |
Номинальная мощность, Вт |
Расчетное напряжение, В |
Ток калибровки, А |
Сопротивление, Ом |
|||||
20-26 |
21 |
246 |
0,170 |
725 |
|||||
Информация для расчета ВЧ ПРА |
|||||||||
Частота, кГц |
≥ 20 |
||||||||
Ток в любом вводе катодов, А, не более |
0,250 |
||||||||
Рабочий ток лампы, А |
не менее |
0,130 |
|||||||
не более |
0,220 |
||||||||
Предварительный подогрев контролируется током |
|||||||||
Наименьший ток предварительного подогрева, А, за время эмиссии te с, iк = (a/te+ i2m)0,5 |
а |
0,030 |
|||||||
im (А) |
0,160 |
||||||||
Наибольший ток предварительного подогрева, А |
t ≤ 0,4 |
0,400 |
|||||||
0,4 < t < 2,0 |
0,440-0,095t |
||||||||
t ≥ 2,0 |
0,250 |
||||||||
Напряжение холостого хода на лампе, действующее значение, В |
не более |
t ≤ te |
200 |
||||||
не менее |
t >te(+10oC) |
340 |
|||||||
не менее |
t >te(-15oC) |
390 |
|||||||
Напряжение на ЗВУ, пиковое, В |
не более |
t ≤ te |
* |
||||||
не менее |
t > te |
* |
|||||||
Сопротивление заменяющего резистора для каждого катода, Ом |
40 |
||||||||
Предварительный подогрев контролируется напряжением |
|||||||||
* |
|||||||||
Без предварительного подогрева |
|||||||||
Напряжение холостого хода на лампе, действующее значение, В, не менее |
600 |
||||||||
Ток через резистор, заменяющий лампу, А, не менее |
0,130 |
||||||||
Сопротивление заменяющего резистора лампы, Ом |
1315 |
||||||||
Сопротивление заменяющего резистора для каждого катода, Ом |
9 |
||||||||
Ток катода, А, не более |
* |
||||||||
* В стадии рассмотрения.
|
ЛАМПА ЛЮМИНЕСЦЕНТНАЯ ДВУХЦОКОЛЬНАЯ ЛИСТ С ПАРАМЕТРАМИ |
С. 1 |
МСОЛ: FDH-28-L/P-G5-16/1150
Номинальная мощность, Вт |
Схема |
Катод |
Цоколь |
Номинальные размеры, мм |
|||||||||||||||
28 |
ВЧ бесстартерная |
Предварительного подогрева |
G5 |
16×1150 |
|||||||||||||||
Размеры, мм |
|||||||||||||||||||
А |
В |
С |
D |
||||||||||||||||
не более |
не менее |
не более |
не более |
не более |
|||||||||||||||
1149,0 |
1153,7 |
1156,1 |
1163,2 |
17,0 |
|||||||||||||||
Характеристики зажигания |
|||||||||||||||||||
Частота, кГц |
Расстояние от ЗВУ, мм |
Ток предварительного подогрева, А |
Время предварительного подогрева, с |
Напряжение холостого хода, действующее значение, В |
Время зажигания, с |
||||||||||||||
20-26 |
6 |
0,210 |
2 |
375 |
0,1 |
||||||||||||||
Электрические параметры |
|||||||||||||||||||
Частота, кГц |
Расчетная мощность, Вт |
Напряжение на лампе, действующее значение, В |
Расчетный ток лампы, А |
||||||||||||||||
расчетное |
не менее |
не более |
|||||||||||||||||
20-26 |
27,8 |
167 |
150 |
184 |
0,170 |
||||||||||||||
Координаты цветности: см. D.2, приложение D. Окружающая испытательная температура: (35 ±1)°С (справочная). |
|||||||||||||||||||
Характеристики катода |
|||||||||||||||||||
Испытательный ток, А |
Сопротивление каждого катода, Ом |
||||||||||||||||||
расчетное |
не менее |
не более |
|||||||||||||||||
0,175 |
40 |
32 |
48 |
||||||||||||||||
|
ЛАМПА ЛЮМИНЕСЦЕНТНАЯ ДВУХЦОКОЛЬНАЯ ЛИСТ С ПАРАМЕТРАМИ |
С. 2 |
МСОЛ: FDH-28-L/P-G5-16/1150
Характеристики образцового ПРА |
|||||||||
Частота, кГц |
Номинальная мощность, Вт |
Расчетное напряжение, В |
Ток калибровки, А |
Сопротивление, Ом |
|||||
20-26 |
28 |
329 |
0,170 |
950 |
|||||
Информация для расчета ВЧ ПРА |
|||||||||
Частота, кГц |
≥ 20 |
||||||||
Ток в любом вводе катодов, А, не более |
0,250 |
||||||||
Рабочий ток лампы, А |
не менее |
0,130 |
|||||||
не более |
0,220 |
||||||||
Предварительный подогрев контролируется током |
|||||||||
Наименьший ток предварительного подогрева, А, за время эмиссии te с, iк = (a/te+ i2m)0,5 |
а |
0,030 |
|||||||
im (А) |
0,160 |
||||||||
Наибольший ток предварительного подогрева, А |
t ≤ 0,4 |
0,400 |
|||||||
0,4 < t < 2,0 |
0,440-0,095t |
||||||||
t ≥ 2,0 |
0,250 |
||||||||
Напряжение холостого хода на лампе, действующее значение, В |
не более |
t ≤ te |
240 |
||||||
не менее |
t >te(+10oC) |
425 |
|||||||
не менее |
t >te(-15oC) |
530 |
|||||||
Напряжение на ЗВУ, пиковое, В |
не более |
t ≤ te |
* |
||||||
не менее |
t > te |
* |
|||||||
Сопротивление заменяющего резистора для каждого катода, Ом |
40 |
||||||||
Предварительный подогрев контролируется напряжением |
|||||||||
* |
|||||||||
Без предварительного подогрева |
|||||||||
Напряжение холостого хода на лампе, действующее значение, В, не менее |
650 |
||||||||
Ток через резистор, заменяющий лампу, А, не менее |
0,135 |
||||||||
Сопротивление заменяющего резистора лампы, Ом |
1550 |
||||||||
Сопротивление заменяющего резистора для каждого катода, Ом |
9 |
||||||||
Ток катода, А, не более |
* |
||||||||
* В стадии рассмотрения.
|
ЛАМПА ЛЮМИНЕСЦЕНТНАЯ ДВУХЦОКОЛЬНАЯ ЛИСТ С ПАРАМЕТРАМИ |
С. 1 |
МСОЛ: FDH-35-L/P-G5-16/1450
Номинальная мощность, Вт |
Схема |
Катод |
Цоколь |
Номинальные размеры, мм |
||||||||||||||||
35 |
ВЧ бесстартерная |
Предварительного подогрева |
G5 |
16×1450 |
||||||||||||||||
Размеры, мм |
||||||||||||||||||||
А |
В |
С |
D |
|||||||||||||||||
не более |
не менее |
не более |
не более |
не более |
||||||||||||||||
1449,0 |
1453,7 |
1456,1 |
1463,2 |
17,0 |
||||||||||||||||
Характеристики зажигания |
||||||||||||||||||||
Частота, Гц |
Расстояние от ЗВУ, мм |
Ток предварительного подогрева, А |
Время предварительного подогрева, с |
Напряжение холостого хода, действующее значение, В |
Время зажигания, с |
|||||||||||||||
20-26 |
6 |
0,210 |
2 |
450 |
0,1 |
|||||||||||||||
Электрические параметры |
||||||||||||||||||||
Частота, Гц |
Расчетная мощность, Вт |
Напряжение на лампе, действующее значение, В |
Расчетный ток лампы, А |
|||||||||||||||||
расчетное |
не менее |
не более |
||||||||||||||||||
20-26 |
34,7 |
209 |
189 |
229 |
0,170 |
|||||||||||||||
Координаты цветности: см. D.2, приложение D. Окружающая испытательная температура: (35 ±1)°С (справочная). |
||||||||||||||||||||
Характеристики катода |
||||||||||||||||||||
Испытательный ток, А |
Сопротивление каждого катода, Ом |
|||||||||||||||||||
расчетное |
не менее |
не более |
||||||||||||||||||
0,175 |
40 |
32 |
48 |
|||||||||||||||||
|
ЛАМПА ЛЮМИНЕСЦЕНТНАЯ ДВУХЦОКОЛЬНАЯ ЛИСТ С ПАРАМЕТРАМИ |
С. 2 |
МСОЛ: FDH-35-L/P-G5-16/1450
Характеристики образцового ПРА |
|||||||||
Частота, кГц |
Номинальная мощность, Вт |
Расчетное напряжение, В |
Ток калибровки, А |
Сопротивление, Ом |
|||||
20-26 |
35 |
413 |
0,170 |
1200 |
|||||
Информация для расчета ВЧ ПРА |
|||||||||
Частота, кГц |
≥ 20 |
||||||||
Ток в любом вводе катодов, А, не более |
0,250 |
||||||||
Рабочий ток лампы, А |
не менее |
0,130 |
|||||||
не более |
0,220 |
||||||||
Предварительный подогрев контролируется током |
|||||||||
Наименьший ток предварительного подогрева, А, за время эмиссии te с, iк = (a/te+ i2m)0,5 |
а |
0,030 |
|||||||
im (А) |
0,160 |
||||||||
Наибольший ток предварительного подогрева, А |
t ≤ 0,4 |
0,400 |
|||||||
0,4 < t < 2,0 |
0,440-0,095t |
||||||||
t ≥ 2,0 |
0,250 |
||||||||
Напряжение холостого хода на лампе, действующее значение, В |
не более |
t ≤ te |
275 |
||||||
не менее |
t >te(+10oC) |
530 |
|||||||
не менее |
t >te(-15oC) |
700 |
|||||||
Напряжение на ЗВУ, пиковое, В |
не более |
t ≤ te |
* |
||||||
не менее |
t > te |
* |
|||||||
Сопротивление заменяющего резистора для каждого катода, Ом |
40 |
||||||||
Предварительный подогрев контролируется напряжением |
|||||||||
* |
|||||||||
Без предварительного подогрева |
|||||||||
Напряжение холостого хода на лампе, действующее значение, В, не менее |
800 |
||||||||
Ток через резистор, заменяющий лампу, А, не менее |
0,140 |
||||||||
Сопротивление заменяющего резистора лампы, Ом |
1800 |
||||||||
Сопротивление заменяющего резистора для каждого катода, Ом |
9 |
||||||||
Ток катода, А, не более |
* |
||||||||
* В стадии рассмотрения.
|
ЛАМПА ЛЮМИНЕСЦЕНТНАЯ ДВУХЦОКОЛЬНАЯ ЛИСТ С ПАРАМЕТРАМИ |
С. 1 |
МСОЛ: FDH-16-L/P-G13-26/600
Номинальная мощность, Вт |
Схема |
Катод |
Цоколь |
Номинальные размеры, мм |
|||||||||||||||||
16 |
ВЧ бесстартерная |
Предварительного подогрева |
G13 |
26×600 |
|||||||||||||||||
Размеры, мм |
|||||||||||||||||||||
А |
В |
С |
В |
||||||||||||||||||
не более |
не менее |
не более |
не более |
не более |
|||||||||||||||||
589,8 |
594,5 |
596,9 |
604,0 |
28,0 |
|||||||||||||||||
Характеристики зажигания |
|||||||||||||||||||||
Частота, кГц |
Расстояние от ЗВУ, мм |
Ток предварительного подогрева, А |
Время предварительного подогрева, с |
Напряжение холостого хода, действующее значение, В |
Время зажигания, с |
||||||||||||||||
20-26 |
19 |
0,510 |
2 |
200 |
0,1 |
||||||||||||||||
Электрические параметры |
|||||||||||||||||||||
Частота, кГц |
Расчетная мощность, Вт |
Напряжение на лампе, действующее значение, В |
Расчетный ток лампы, А |
||||||||||||||||||
расчетное |
не менее |
не более |
|||||||||||||||||||
20-26 |
16 |
64 |
58 |
70 |
0,255 |
||||||||||||||||
Координаты цветности: см. D.2, приложение D. |
|||||||||||||||||||||
Характеристики катода |
|||||||||||||||||||||
Испытательный ток, А |
Сопротивление каждого катода, Ом |
||||||||||||||||||||
расчетное |
не менее |
не более |
|||||||||||||||||||
0,510 |
15 |
10 |
* |
||||||||||||||||||
|
ЛАМПА ЛЮМИНЕСЦЕНТНАЯ ДВУХЦОКОЛЬНАЯ ЛИСТ С ПАРАМЕТРАМИ |
С. 2 |
МСОЛ: FDH-16-L/P-G13-26/600
Характеристики образцового ПРА |
|||||||||
Частота, кГц |
Номинальная мощность, Вт |
Расчетное напряжение, В |
Ток калибровки, А |
Сопротивление, Ом |
|||||
20-26 |
16 |
128 |
0,255 |
250 |
|||||
Информация для расчета ВЧ ПРА |
|||||||||
Частота, кГц |
≥ 20 |
||||||||
Ток в любом вводе катодов, А, не более |
0,450 |
||||||||
Рабочий ток лампы, А |
не менее |
* |
|||||||
не более |
* |
||||||||
Предварительный подогрев контролируется током |
|||||||||
Наименьший ток предварительного подогрева, А, за время эмиссии te с, iк = (a/te+ i2m)0,5 |
а |
0,200 |
|||||||
im (А) |
0,250 |
||||||||
Наибольший ток предварительного подогрева, А |
t ≤ 0,4 |
1,600 |
|||||||
0,4 < t < 2,0 |
1,800-0,500t |
||||||||
t ≥ 2,0 |
0,800 |
||||||||
Напряжение холостого хода на лампе, действующее значение, В |
не более |
t ≤ te |
230 |
||||||
не менее |
t >te |
200 |
|||||||
Напряжение на ЗВУ, пиковое, В |
не более |
t ≤ te |
* |
||||||
не менее |
t> te |
* |
|||||||
Сопротивление заменяющего резистора для каждого катода, Ом |
10 |
||||||||
Предварительный подогрев контролируется напряжением |
|||||||||
* |
|||||||||
* В стадии рассмотрения.
|
ЛАМПА ЛЮМИНЕСЦЕНТНАЯ ДВУХЦОКОЛЬНАЯ ЛИСТ С ПАРАМЕТРАМИ |
С. 1 |
МСОЛ: FDH-32-L/P-G13-26/1200
Номинальная мощность, Вт |
Схема |
Катод |
Цоколь |
Номинальные размеры, мм |
|||||||||||||||
32 |
ВЧ бесстартерная |
Предварительного подогрева |
G13 |
26×1200 |
|||||||||||||||
Размеры, мм |
|||||||||||||||||||
А |
В |
С |
D |
||||||||||||||||
не более |
не менее |
не более |
не более |
не более |
|||||||||||||||
1199,4 |
1204,1 |
1206,5 |
1213,6 |
28,0 |
|||||||||||||||
Характеристики зажигания |
|||||||||||||||||||
Частота, кГц |
Расстояние от ЗВУ, мм |
Ток предварительного подогрева, А |
Время предварительного подогрева, с |
Напряжение холостого хода, действующее значение, В |
Время зажигания, с |
||||||||||||||
20-26 |
19 |
0,510 |
2 |
240 |
0,1 |
||||||||||||||
Электрические параметры |
|||||||||||||||||||
Частота, кГц |
Расчетная мощность, Вт |
Напряжение на лампе, действующее значение, В |
Расчетный ток лампы, А |
||||||||||||||||
расчетное |
не менее |
не более |
|||||||||||||||||
20-26 |
32 |
128 |
118 |
138 |
0,255 |
||||||||||||||
Координаты цветности: см. D.2, приложение D. |
|||||||||||||||||||
Характеристики катода |
|||||||||||||||||||
Испытательный ток, А |
Сопротивление каждого катода, Ом |
||||||||||||||||||
расчетное |
не менее |
не более |
|||||||||||||||||
0,510 |
15 |
10 |
* |
||||||||||||||||
* В стадии рассмотрения.
|
ЛАМПА ЛЮМИНЕСЦЕНТНАЯ ДВУХЦОКОЛЬНАЯ ЛИСТ С ПАРАМЕТРАМИ |
С. 2 |
МСОЛ: FDH-32-L/P-G13-26/1200
Характеристики образцового ПРА |
||||||||||||
Частота, кГц |
Номинальная мощность, Вт |
Расчетное напряжение, В |
Ток калибровки, А |
Сопротивление, Ом |
||||||||
20-26 |
32 |
256 |
0,255 |
500 |
||||||||
Информация для расчета ВЧ ПРА |
||||||||||||
Частота, кГц |
≥ 20 |
|||||||||||
Ток в любом вводе катодов, А, не более |
0,450 |
|||||||||||
Рабочий ток лампы, А |
не менее |
* |
||||||||||
не более |
* |
|||||||||||
Предварительный подогрев контролируется током |
||||||||||||
Наименьший ток предварительного подогрева, А, за время эмиссии te с, iк = (a/te+ i2m)0,5 |
а |
0,200 |
||||||||||
im (А) |
0,250 |
|||||||||||
Наибольший ток предварительного подогрева, А |
t ≤ 0,4 |
1,600 |
||||||||||
0,4 < t < 2,0 |
1,800-0,500t |
|||||||||||
t ≥ 2,0 |
0,800 |
|||||||||||
Напряжение холостого хода на лампе, действующее значение, В |
не более |
t ≤ te |
280 |
|||||||||
не менее |
t >te |
240 |
||||||||||
Напряжение на ЗВУ, пиковое, В |
не более |
t ≤ te |
* |
|||||||||
не менее |
t> te |
* |
||||||||||
Сопротивление заменяющего резистора для каждого катода, Ом |
10 |
|||||||||||
Предварительный подогрев контролируется напряжением |
||||||||||||
* |
||||||||||||
* В стадии рассмотрения.
|
ЛАМПА ЛЮМИНЕСЦЕНТНАЯ ДВУХЦОКОЛЬНАЯ ЛИСТ С ПАРАМЕТРАМИ |
С. 1 |
МСОЛ: FDH-50-L/P-G13-26/1500
Номинальная мощность, Вт |
Схема |
Катод |
Цоколь |
Номинальные размеры, мм |
||||||||||||||||
50 |
ВЧ бесстартерная |
Предварительного подогрева |
G13 |
26×1500 |
||||||||||||||||
Размеры, мм |
||||||||||||||||||||
А |
В |
С |
D |
|||||||||||||||||
не более |
не менее |
не более |
не более |
не более |
||||||||||||||||
1500,0 |
1504,7 |
1507,1 |
1514,2 |
28,0 |
||||||||||||||||
Характеристики зажигания |
||||||||||||||||||||
Частота, кГц |
Расстояние от ЗВУ, мм |
Ток предварительного подогрева, А |
Время предварительного подогрева, с |
Напряжение холостого хода, действующее значение, В |
Время зажигания, с |
|||||||||||||||
20-26 |
19 |
0,640 |
2 |
280 |
0,1 |
|||||||||||||||
Электрические параметры |
||||||||||||||||||||
Частота, кГц |
Расчетная мощность, Вт |
Напряжение на лампе, действующее значение, В |
Расчетный ток лампы, А |
|||||||||||||||||
расчетное |
не менее |
не более |
||||||||||||||||||
20-26 |
50 |
142 |
132 |
152 |
0,355 |
|||||||||||||||
Координаты цветности: см. D.2, приложение D. |
||||||||||||||||||||
Характеристики катода |
||||||||||||||||||||
Испытательный ток, А |
Сопротивление каждого катода, Ом |
|||||||||||||||||||
расчетное |
не менее |
не более |
||||||||||||||||||
0,640 |
10 |
7 |
* |
|||||||||||||||||
* В стадии рассмотрения.
|
ЛАМПА ЛЮМИНЕСЦЕНТНАЯ ДВУХЦОКОЛЬНАЯ ЛИСТ С ПАРАМЕТРАМИ |
С. 2 |
МСОЛ: FDH-50-L/P-G13-26/1500
Характеристики образцового ПРА |
||||||||||||
Частота, кГц |
Номинальная мощность, Вт |
Расчетное напряжение, В |
Ток калибровки, А |
Сопротивление, Ом |
||||||||
20-26 |
50 |
284 |
0,355 |
400 |
||||||||
Информация для расчета ВЧ ПРА |
||||||||||||
Частота, кГц |
≥ 20 |
|||||||||||
Ток в любом вводе катодов, А, не более |
0,600 |
|||||||||||
Рабочий ток лампы, А |
не менее |
* |
||||||||||
не более |
* |
|||||||||||
Предварительный подогрев контролируется током |
||||||||||||
Наименьший ток предварительного подогрева, А, за время эмиссии te с, iк = (a/te+ i2m)0,5 |
а |
0,310 |
||||||||||
im (А) |
0,320 |
|||||||||||
Наибольший ток предварительного подогрева, А |
t ≤ 0,4 |
2,200 |
||||||||||
0,4 < t < 2,0 |
2,500-0,750t |
|||||||||||
t ≥ 2,0 |
1,000 |
|||||||||||
Напряжение холостого хода на лампе, действующее значение, В |
не более |
t ≤ te |
320 |
|||||||||
не менее |
t >te |
280 |
||||||||||
Напряжение на ЗВУ, пиковое, В |
не более |
t ≤ te |
* |
|||||||||
не менее |
t > te |
* |
||||||||||
Сопротивление заменяющего резистора для каждого катода, Ом |
7 |
|||||||||||
Предварительный подогрев контролируется напряжением |
||||||||||||
* |
||||||||||||
* В стадии рассмотрения.
|
ЛАМПА ЛЮМИНЕСЦЕНТНАЯ ДВУХЦОКОЛЬНАЯ ЛИСТ С ПАРАМЕТРАМИ |
|
МСОЛ: FD-20-L/N-Fa6-38/600
Номинальная мощность, Вт |
Схема |
Катод |
Цоколь |
Номинальные размеры, мм |
|||||||||||||||
20 |
Бесстартерная |
Без предварительного подогрева |
Fa6 |
38×600 |
|||||||||||||||
Размеры, мм |
|||||||||||||||||||
С |
D |
||||||||||||||||||
не менее |
не более |
не более |
|||||||||||||||||
606,5 |
611,0 |
40,5 |
|||||||||||||||||
Характеристики зажигания |
|||||||||||||||||||
Частота, Гц |
Напряжение холостого хода, действующее значение, В |
Время зажигания, с |
|||||||||||||||||
50 |
190 |
10 |
|||||||||||||||||
60 |
- |
- |
|||||||||||||||||
Электрические параметры |
|||||||||||||||||||
Частота, Гц |
Расчетная мощность, Вт |
Напряжение на лампе, действующее значение, В |
Расчетный ток лампы, А |
||||||||||||||||
расчетное |
не менее |
не более |
|||||||||||||||||
50 |
20 |
58 |
51 |
65 |
0,380 |
||||||||||||||
60 |
- |
- |
- |
- |
- |
||||||||||||||
Координаты цветности: см. D.2, приложение D. |
|||||||||||||||||||
Характеристики образцового ПРА |
|||||||||||||||||||
Частота, Гц |
Номинальная мощность, Вт |
Расчетное напряжение, В |
Ток калибровки, А |
Отношение напряжения к току, Ом |
Коэффициент мощности |
||||||||||||||
50 |
20 |
127 |
0,370 |
270 |
0,12 |
||||||||||||||
60 |
- |
- |
- |
- |
- |
||||||||||||||
Информация для расчета ПРА |
|||||||||||||||||||
Частота, Гц |
50 |
60 |
|||||||||||||||||
Напряжение холостого хода на лампе, действующее значение, В, не менее |
190 |
- |
|||||||||||||||||
|
ЛАМПА ЛЮМИНЕСЦЕНТНАЯ ДВУХЦОКОЛЬНАЯ ЛИСТ С ПАРАМЕТРАМИ |
|
МСОЛ: FD-40-L/N-Fa6-38/1200
Номинальная мощность, Вт |
Схема |
Катод |
Цоколь |
Номинальные размеры, мм |
|||||||||||||||
40 |
Бесстартерная |
Без предварительного подогрева |
Fa6 |
38×1200 |
|||||||||||||||
Размеры, мм |
|||||||||||||||||||
С |
D |
||||||||||||||||||
не менее |
не более |
не более |
|||||||||||||||||
1216,0 |
1220,5 |
40,5 |
|||||||||||||||||
Характеристики зажигания |
|||||||||||||||||||
Частота, Гц |
Напряжение холостого хода, действующее значение, В |
Время зажигания, с |
|||||||||||||||||
50 |
205 |
10 |
|||||||||||||||||
60 |
- |
- |
|||||||||||||||||
Электрические параметры |
|||||||||||||||||||
Частота, Гц |
Расчетная мощность, Вт |
Напряжение на лампе, действующее значение, В |
Расчетный ток лампы, А |
||||||||||||||||
расчетное |
не менее |
не более |
|||||||||||||||||
50 |
39,5 |
109 |
99 |
119 |
0,425 |
||||||||||||||
60 |
- |
- |
- |
- |
- |
||||||||||||||
Координаты цветности: см. D.2, приложение D. |
|||||||||||||||||||
Характеристики образцового ПРА |
|||||||||||||||||||
Частота, Гц |
Номинальная мощность, Вт |
Расчетное напряжение, В |
Ток калибровки, А |
Отношение напряжения к току, Ом |
Коэффициент мощности |
||||||||||||||
50 |
40 |
220 |
0,430 |
390 |
0,10 |
||||||||||||||
60 |
- |
- |
- |
- |
- |
||||||||||||||
Информация для расчета ПРА |
|||||||||||||||||||
Частота, Гц |
50 |
60 |
|||||||||||||||||
Напряжение холостого хода на лампе, действующее значение, В, не менее |
205 |
- |
|||||||||||||||||
|
ЛАМПА ЛЮМИНЕСЦЕНТНАЯ ДВУХЦОКОЛЬНАЯ ЛИСТ С ПАРАМЕТРАМИ |
|
МСОЛ: FD-65-L/N-Fa6-38/1500
Номинальная мощность, Вт |
Схема |
Катод |
Цоколь |
Номинальные размеры, мм |
|||||||||||||||
65 |
Бесстартерная |
Без предварительного подогрева |
Fa6 |
38×1500 |
|||||||||||||||
Размеры, мм |
|||||||||||||||||||
С |
D |
||||||||||||||||||
не менее |
не более |
не более |
|||||||||||||||||
1516,6 |
1521,1 |
40,5 |
|||||||||||||||||
Характеристики зажигания |
|||||||||||||||||||
Частота, Гц |
Напряжение холостого хода, действующее значение, В |
Время зажигания, с |
|||||||||||||||||
50 |
190 |
10 |
|||||||||||||||||
60 |
- |
- |
|||||||||||||||||
Электрические параметры |
|||||||||||||||||||
Частота, Гц |
Расчетная мощность, Вт |
Напряжение на лампе, действующее значение, В |
Расчетный ток лампы, А |
||||||||||||||||
расчетное |
не менее |
не более |
|||||||||||||||||
50 |
64 |
110 |
100 |
120 |
0,670 |
||||||||||||||
60 |
- |
- |
- |
- |
- |
||||||||||||||
Координаты цветности: см. D.2, приложение D. |
|||||||||||||||||||
Характеристики образцового ПРА |
|||||||||||||||||||
Частота, Гц |
Номинальная мощность, Вт |
Расчетное напряжение, В |
Ток калибровки, А |
Отношение напряжения к току, Ом |
Коэффициент мощности |
||||||||||||||
50 |
65 |
220 |
0,670 |
240 |
0,10 |
||||||||||||||
60 |
- |
- |
- |
- |
- |
||||||||||||||
Информация для расчета ПРА |
|||||||||||||||||||
Частота, Гц |
50 |
60 |
|||||||||||||||||
Напряжение холостого хода на лампе, действующее значение, В, не менее |
190 |
- |
|||||||||||||||||
|
ЛАМПА ЛЮМИНЕСЦЕНТНАЯ ДВУХЦОКОЛЬНАЯ ЛИСТ С ПАРАМЕТРАМИ |
|
МСОЛ: FD-39-L/N-Fa8-38/1200
Номинальная мощность, Вт |
Схема |
Катод |
Цоколь |
Номинальные размеры, мм |
|||||||||||||||||
39 |
Бесстартерная |
Без предварительного подогрева |
Fa8 |
38×1200 |
|||||||||||||||||
Размеры, мм |
|||||||||||||||||||||
А |
В |
С |
D |
||||||||||||||||||
не более |
не менее |
не более |
не более |
не более |
|||||||||||||||||
1150,6 |
1153,7 |
1159,5 |
1168,4 |
40,5 |
|||||||||||||||||
Характеристики зажигания |
|||||||||||||||||||||
Частота, Гц |
Напряжение холостого хода, действующее значение, В |
Время зажигания, с |
|||||||||||||||||||
50 |
- |
- |
|||||||||||||||||||
60 |
385 |
10 |
|||||||||||||||||||
Электрические параметры |
|||||||||||||||||||||
Частота, Гц |
Расчетная мощность, Вт |
Напряжение на лампе, действующее значение, В |
Расчетный ток лампы, А |
||||||||||||||||||
расчетное |
не менее |
не более |
|||||||||||||||||||
50 |
- |
- |
- |
- |
- |
||||||||||||||||
60 |
39 |
100 |
90 |
НО |
0,425 |
||||||||||||||||
Координаты цветности: * |
|||||||||||||||||||||
Характеристики образцового ПРА |
|||||||||||||||||||||
Частота, Гц |
Номинальная мощность, Вт |
Расчетное напряжение, В |
Ток калибровки, А |
Отношение напряжения к току, Ом |
Коэффициент мощности |
||||||||||||||||
50 |
- |
- |
- |
- |
- |
||||||||||||||||
60 |
39 |
430 |
0,425 |
930 |
0,075 |
||||||||||||||||
Информация для расчета ПРА |
|||||||||||||||||||||
Частота, Гц |
50 |
60 |
|||||||||||||||||||
Напряжение холостого хода на лампе, действующее значение, В, не менее |
- |
385 |
|||||||||||||||||||
* В стадии рассмотрения.
|
ЛАМПА ЛЮМИНЕСЦЕНТНАЯ ДВУХЦОКОЛЬНАЯ ЛИСТ С ПАРАМЕТРАМИ |
|
МСОЛ: FD-57-L/N-Fa8-38/1800
Номинальная мощность, Вт |
Схема |
Катод |
Цоколь |
Номинальные размеры, мм |
||||||||||||||||
57 |
Бесстартерная |
Без предварительного подогрева |
Fa8 |
38×1800 |
||||||||||||||||
Размеры, мм |
||||||||||||||||||||
А |
В |
С |
D |
|||||||||||||||||
не более |
не менее |
не более |
не более |
не более |
||||||||||||||||
1760,2 |
1763,3 |
1769,1 |
1778,2 |
40,5 |
||||||||||||||||
Характеристики зажигания |
||||||||||||||||||||
Частота, Гц |
Напряжение холостого хода, действующее значение, В |
Время зажигания, с |
||||||||||||||||||
50 |
- |
- |
||||||||||||||||||
60 |
475 |
10 |
||||||||||||||||||
Электрические параметры |
||||||||||||||||||||
Частота, Гц |
Расчетная мощность, Вт |
Напряжение на лампе, действующее значение, В |
Расчетный ток лампы, А |
|||||||||||||||||
расчетное |
не менее |
не более |
||||||||||||||||||
50 |
- |
- |
- |
- |
- |
|||||||||||||||
60 |
57 |
149 |
134 |
164 |
0,425 |
|||||||||||||||
Координаты цветности: * |
||||||||||||||||||||
Характеристики образцового ПРА |
||||||||||||||||||||
Частота, Гц |
Номинальная мощность, Вт |
Расчетное напряжение, В |
Ток калибровки, А |
Отношение напряжения к току, Ом |
Коэффициент мощности |
|||||||||||||||
50 |
- |
- |
- |
- |
- |
|||||||||||||||
60 |
57 |
525 |
0,425 |
1100 |
0,075 |
|||||||||||||||
Информация для расчета ПРА |
||||||||||||||||||||
Частота, Гц |
50 |
60 |
||||||||||||||||||
Напряжение холостого хода на лампе, действующее значение, В, не менее |
- |
475 |
||||||||||||||||||
* В стадии рассмотрения.
|
ЛАМПА ЛЮМИНЕСЦЕНТНАЯ ДВУХЦОКОЛЬНАЯ ЛИСТ С ПАРАМЕТРАМИ |
|
МСОЛ: FD-75-L/N-Fa8-38/2400
Номинальная мощность, Вт |
Схема |
Катод |
Цоколь |
Номинальные размеры, мм |
||||||||||||||||
75 |
Бесстартерная |
Без предварительного подогрева |
Fa8 |
38×2400 |
||||||||||||||||
Размеры, мм |
||||||||||||||||||||
А |
В |
С |
D |
|||||||||||||||||
не более |
не менее |
не более |
не более |
не более |
||||||||||||||||
2369,8 |
2372,9 |
2378,7 |
2387,6 |
40,5 |
||||||||||||||||
Характеристики зажигания |
||||||||||||||||||||
Частота, Гц |
Напряжение холостого хода, действующее значение, В |
Время зажигания, с |
||||||||||||||||||
50 |
- |
- |
||||||||||||||||||
60 |
454 |
10 |
||||||||||||||||||
Электрические параметры |
||||||||||||||||||||
Частота, Гц |
Расчетная мощность, Вт |
Напряжение на лампе, действующее значение, В |
Расчетный ток лампы, А |
|||||||||||||||||
расчетное |
не менее |
не более |
||||||||||||||||||
50 |
- |
- |
- |
- |
- |
|||||||||||||||
60 |
75 |
197 |
177 |
217 |
0,425 |
|||||||||||||||
Координаты цветности: * |
||||||||||||||||||||
Характеристики образцового ПРА |
||||||||||||||||||||
Частота, Гц |
Номинальная мощность, Вт |
Расчетное напряжение, В |
Ток калибровки, А |
Отношение напряжения к току, Ом |
Коэффициент мощности |
|||||||||||||||
50 |
- |
- |
- |
- |
- |
|||||||||||||||
60 |
75 |
625 |
0,425 |
1280 |
0,075 |
|||||||||||||||
Информация для расчета ПРА |
||||||||||||||||||||
Частота, Гц |
50 |
60 |
||||||||||||||||||
Напряжение холостого хода на лампе, пиковое, В, не менее |
- |
565 |
||||||||||||||||||
* В стадии рассмотрения.
|
ЛАМПА ЛЮМИНЕСЦЕНТНАЯ ДВУХЦОКОЛЬНАЯ ЛИСТ С ПАРАМЕТРАМИ |
|
МСОЛ: FDH-32-L/N-Fa6-26/1200
Номинальная мощность, Вт |
Схема |
Катод |
Цоколь |
Номинальные размеры, мм |
||||||||||||||
32 |
Высокочастотная бесстартерная |
Без предварительного подогрева |
Fa6 |
26×1200 |
||||||||||||||
Размеры, мм |
||||||||||||||||||
С |
D |
|||||||||||||||||
не менее |
не более |
не более |
||||||||||||||||
1216,0 |
1220,5 |
28,0 |
||||||||||||||||
Характеристики зажигания |
||||||||||||||||||
Частота, Гц |
Напряжение холостого хода, действующее значение, В |
Время зажигания, с |
||||||||||||||||
20-26 |
800 |
0,1 |
||||||||||||||||
Электрические параметры |
||||||||||||||||||
Частота, кГц |
Расчетная мощность, Вт |
Напряжение на лампе, действующее значение, В |
Расчетный ток лампы, А |
|||||||||||||||
расчетное |
не менее |
не более |
||||||||||||||||
20-26 |
32 |
102 |
92 |
112 |
0,320 |
|||||||||||||
Координаты цветности: см. D.2, приложение D. |
||||||||||||||||||
Характеристики образцового ПРА |
||||||||||||||||||
Частота, кГц |
Номинальная мощность, Вт |
Расчетное напряжение, В |
Ток калибровки, А |
Сопротивление, Ом |
||||||||||||||
20-26 |
32 |
204 |
0,320 |
318 |
||||||||||||||
Информация для расчета высокочастотного ПРА |
||||||||||||||||||
Частота, кГц |
≥ 20 |
|||||||||||||||||
Напряжение холостого хода на лампе, действующее значение, В, не менее |
800 |
|||||||||||||||||
Ток через резистор, заменяющий лампу, А, не менее |
0,200 |
|||||||||||||||||
Сопротивление заменяющего резистора лампы, Ом |
1000 |
|||||||||||||||||
Рабочий ток лампы, А |
не менее |
* |
||||||||||||||||
не более |
* |
|||||||||||||||||
* В стадии рассмотрения.
|
ЛАМПА ЛЮМИНЕСЦЕНТНАЯ ДВУХЦОКОЛЬНАЯ ЛИСТ С ПАРАМЕТРАМИ |
|
МСОЛ: FDH-50-L/N-Fa6-26/1500
Номинальная мощность, Вт |
Схема |
Катод |
Цоколь |
Номинальные размеры, мм |
||||||||||||||
50 |
ВЧ бесстартерная |
Без предварительного подогрева |
Fa6 |
26×1500 |
||||||||||||||
Размеры, мм |
||||||||||||||||||
С |
D |
|||||||||||||||||
не менее |
не более |
не более |
||||||||||||||||
1516,6 |
1521,1 |
28,0 |
||||||||||||||||
Характеристики зажигания |
||||||||||||||||||
Частота, кГц |
Напряжение холостого хода, действующее значение, В |
Время зажигания, с |
||||||||||||||||
20-26 |
800 |
0,1 |
||||||||||||||||
Электрические параметры |
||||||||||||||||||
Частота, кГц |
Расчетная мощность, Вт |
Напряжение на лампе, действующее значение, В |
Расчетный ток лампы, А |
|||||||||||||||
расчетное |
не менее |
не более |
||||||||||||||||
20-26 |
50 |
111 |
101 |
121 |
0,455 |
|||||||||||||
Координаты цветности: см. D.2, приложение D. |
||||||||||||||||||
Характеристики образцового ПРА |
||||||||||||||||||
Частота, кГц |
Номинальная мощность, Вт |
Расчетное напряжение, В |
Ток калибровки, А |
Сопротивление, Ом |
||||||||||||||
20-26 |
50 |
222 |
0,455 |
244 |
||||||||||||||
Информация для расчета высокочастотного ПРА |
||||||||||||||||||
Частота, кГц |
≥ 20 |
|||||||||||||||||
Напряжение холостого хода на лампе, действующее значение, В, не менее |
800 |
|||||||||||||||||
Ток через резистор, заменяющий лампу, А, не менее |
0,250 |
|||||||||||||||||
Сопротивление заменяющего резистора лампы, Ом |
800 |
|||||||||||||||||
Рабочий ток лампы, А |
не менее |
* |
||||||||||||||||
не более |
* |
|||||||||||||||||
* В стадии рассмотрения.
Ключевые слова: эксплуатационные требования, методы испытания, параметры |