Информационная система
«Ёшкин Кот»

XXXecatmenu

ИЗМЕНЕНИЕ № 1

УСТРОЙСТВА ДЛЯ
УСТАНОВКИ ПРИБОРОВ
ИЗМЕРЕНИЯ ДАВЛЕНИЯ НА
Ру 4,0 и 16,0 М
Па
(с двумя клапанами типа 15нж54бк)

Конструкция и размеры

 

 

УТВЕРЖДАЮ

Председатель ТК 260

«Оборудование химическое и
нефтегазоперерабат
ывающее»

В.А. Заваров

«19» _________________ 2002 г.

Дата введения 2002-07-

Обложка, наименование, после слов «15нж54бк» дополнить словами: «и двумя клапанами типа С21150».

Предисловие, ввести запись: «Действует с изм. № 1 от 07.2002 г.»

Область применения:

первый абзац. Заменить значение: «40» на «60»;

пятый абзац после слов «исполнения 4» дополнить: «и 4а».

Раздел 2 дополнить абзацем:

«ТУ 3742-001-26002255-95 Клапаны. Технические условия».

Раздел 3, п. 3.1 дополнить словами:

«исполнения 17 - 24 - рисунки 22 - 29, таблица 2

исполнения 25 - 32 - рисунки 30 - 37, таблица 2».

Стандарт дополнить рисунками 22 - 37 и таблицей 2.

 

ОАО «НИИХИММАШ»

Зарегистрировано № 203 2002.15.08

Заместитель Генерального директора

по научно-производственной деятельности

________________ В.В. Раков

Исполнение 17

1 - прокладка 1 ОСТ 26.260.465; 2 - ниппель шаровый 1 ОСТ 26.260.465; 3 - гайка накидная 1 ОСТ 26.260.465; 4 - ниппель 1 ОСТ 26.260.466; 5 - гайка накидная 1 ОСТ 26.260.466; 6 - тройник равнопроходный 1 ОСТ 26.260.466; 7 - штуцер ввертной 1 ОСТ 26.260.467; 8 - штуцер концевой 1 ОСТ 26.260.467; 9 - клапан ДN15, PN160 ХЛ1 С21150-015-01 ТУ 3742-001-26002255-95

Рисунок 22

Исполнение 18

Остальное см. исполнение 17

10 - тройник переходный 2 ОСТ 26.260.466

Рисунок 23

Исполнение 19

Остальное см. исполнение 17

10 - заглушка 3 ОСТ 26.260.466

Рисунок 24

Исполнение 20

Остальное см. исполнение 17

10* - заглушка 4 ОСТ 26.260.466

Рисунок 25

Исполнение 21

1 - прокладка 1 ОСТ 26.260.465; 2 - ниппель шаровый 1 ОСТ 26.260.465; 3 - гайка накидная 1 ОСТ 26.260.465; 4 - ниппель 1 ОСТ 26.260.466; 5 - гайка накидная 1 ОСТ 26.260.466; 6 - тройник равнопроходный 1 ОСТ 26.260.466; 7 - штуцер ввертной 1 ОСТ 26.260.467; 8 - штуцер концевой 1 ОСТ 26.260.467; 9 - клапан ДN15, РN160 ХЛ1 С21150-015-01 ТУ 3742-001-26002255-95.

Рисунок 26

Исполнение 22

Остальное см. исполнение 21

10 - тройник переходной 2 ОСТ 26.260.466

Рисунок 27

Исполнение 23

Остальное см. исполнение 21

10 - заглушка 3 ОСТ 26.260.466

Рисунок 28

Исполнение 24

Остальное см. исполнение 21

10* - заглушка 4 ОСТ 26.260.466

Рисунок 29

______________

* Заглушку поз. 10 в устройствах исполнений 20 и 24 для сосудов и аппаратов 1 и 2 группы применять с уплотнительной поверхностью «выступ» рисунок 24 ОСТ 26.260.466

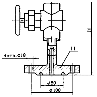
Исполнение 25

1 - прокладка 1 ОСТ 26.260.465; 2 - ниппель шаровый 1 ОСТ 26.260.465; 3 - гайка накидная 1 ОСТ 26.260.465; 4 - трубка сифонная 4 ОСТ 26.260.465; 5 - ниппель 1 ОСТ 26.260.466; 6 - гайка накидная 1 ОСТ 26.260.466; 7 - тройник равнопроходный 1 ОСТ 26.260.466; 8 - штуцер концевой 1 ОСТ 26.260.467; 9 - штуцер ввертной 1 ОСТ 26.260.467; 10 - клапан ДN15, PN160 ХЛ1 С21150-015-01 ТУ 3742-001-26002255-95.

Рисунок 30

Исполнение 26

Остальное см. исполнение 25

11 - тройник переходной 2 ОСТ 26.260.466

Рисунок 31

Исполнение 27

Остальное см. исполнение 25

11 - заглушка 3 ОСТ 26.260.466

Рисунок 32

Исполнение 28

Остальное см. исполнение 25

11* - заглушка 4 ОСТ 26.260.466

Рисунок 33

Исполнение 29

1 - прокладка 1 ОСТ 26.260.465; 2 - ниппель шаровый 1 ОСТ 26.260.465; 3 - гайка накидная 1 ОСТ 26.260.465; 4 - трубка сифонная 4 ОСТ 26.260.465; 5 - ниппель 1 ОСТ 26.260.466; 6 - гайка накидная 1 ОСТ 26.260.466; 7 - тройник равнопроходный 1 ОСТ 26.260.466; 8 - штуцер концевой 1 ОСТ 26.260.467; 9 - штуцер ввертной 1 ОСТ 26.260.467; 10 - клапан ДN15, РN160 ХЛ1 С21150-015-01 ТУ 3742-001-26002255-95.

Рисунок 34

Исполнение 30

Остальное см. исполнение 29

11 - тройник переходный 2 ОСТ 26.260.466

Рисунок 35

Исполнение 31

Остальное см. исполнение 29

11 - заглушка 3 ОСТ 26.260.466

Рисунок 31

Исполнение 36

Остальное см. исполнение 29

11* - заглушка 4 ОСТ 26.260.466

Рисунок 37

______________

* Заглушку поз. 11 в устройствах исполнений 25 и 32 для сосудов и аппаратов 1 и 2 группы применять с уплотнительной поверхностью «выступ» рисунок 24 ОСТ 26.260.466.

Таблица 2

Исполнения

Давление условное Ру, МПа

Температура среды, °С

H, мм

Масса, кг

17

16

до 80

285

7,2

18

340

7,6

19

335

10,7

20

4

320

8,7

21

16

380

7,2

22

435

7,6

23

430

10,7

24

4

415

8,7

25

16

до 450

475

7,6

26

530

8,1

27

525

11,1

28

4

510

9,1

29

16

380

7,6

30

435

8,1

31

430

11,1

32

4

415

9,1

Пример условного обозначения устройства измерения давления исполнения 22, материального исполнения 4а на Ру 16,0 МПа:

Устройство измерения давления 22-4а-16,0 ОСТ 26.260.467-2000.

3.2 Технические требования по ОСТ 26.260.472.

 



© 2013 Ёшкин Кот :-)