Информационная система
«Ёшкин Кот»

XXXecatmenu

ОСТ 26.260.467-2000

СТАНДАРТ ОТРАСЛИ

УСТРОЙСТВА ДЛЯ УСТАНОВКИ ПРИБОРОВ
ИЗМЕРЕНИЯ ДАВЛЕНИЯ
НА
Ру 4,0 и 16,0 МПа
(с двумя клапанами типа 15нж54бк и
двумя клапанами типа С21150)

Конструкция и размеры

(Измененная редакция, Изм. № 1).

Предисловие

1 РАЗРАБОТАН Дочерним открытым акционерным обществом Центральное конструкторское бюро нефтеаппаратуры ДАО ЦКБН

2 ПРИНЯТ И ВВЕДЕН В ДЕЙСТВИЕ Техническим комитетом 260 «Оборудование химическое и нефтегазоперерабатывающее»

3 ВЗАМЕН АТК 24.201.03-90 в части устройств с двумя вентилями 15нж54бк.

4 ВВЕДЕН ВПЕРВЫЕ

5 Действует с изм. № 1 от 07.2002 г.

(Введен дополнительно, Изм. № 1).

СТАНДАРТ ОТРАСЛИ

УСТРОЙСТВА ДЛЯ УСТАНОВКИ ПРИБОРОВ ИЗМЕРЕНИЯ
ДАВЛЕНИЯ НА Р
У 4,0 и 16,0 МПа
(с двумя клапанами)

Конструкция и размеры

Дата введения 2000-12-01

1 Область применения

Настоящий стандарт устанавливает пределы применения, конструкцию и основные размеры устройств для установки приборов измерения давления на трубопроводах и аппаратах, применяемых в химической, нефтехимической, газовой и других смежных отраслях промышленности на условное давление 4,0 и 16,0 МПа, температуру от минус 60 до 300 °С для агрессивной среды со скоростью коррозии свыше 0,1 мм/год. Состав среды для материального исполнения 3, в том числе:

- природный газ, углеводородный конденсат, нефтегазовая смесь, содержащие сероводород, вызывающий коррозионное растрескивание при парциальном давлении сероводорода более 0,0003 МПа;

- растворы щелочей, аминов, вызывающие коррозионное растрескивание;

- растворы гликолей, содержащие продукты окисления - муравьиную и уксусную кислоты.

Состав среды для материального исполнения 4 и 4а:

- тоже, что и для материального исполнения 3, в том числе:

- природный газ, метанол, пластовая вода, содержащая хлориды более 50 г/л.

(Измененная редакция, Изм. № 1).

 

ОАО «НИИхиммаш»

Зарегистрировано № 153 2000-09-13

Заместитель Генерального директора

 

 

В.В. Раков

2 Нормативные ссылки

В настоящем стандарте использованы ссылки на следующие стандарты:

ОСТ 26.260.465-2000 Устройства для установки приборов измерения давления на Ру 1,6 МПа (с краном трехходовым). Конструкция и размеры

ОСТ 26.260.466-2000 Устройства для установки приборов измерения давления на Ру 4,0 и 16,0 МПа (с двумя вентилями). Конструкция и размеры

ОСТ 26.260.472-2000 Устройства для установки приборов измерения и отбора давления. Общие технические требования

ТУ 26-07-1418-86 Клапаны запорные стальные Ру 16 МПа (160 кгс/см2). Технические условия

ТУ 3742-001-26002255-95 Клапаны. Технические условия.

(Измененная редакция, Изм. № 1).

3 Конструкция и размеры

3.1 По конструкции и размерам устройства имеют шестнадцать исполнений:

исполнения 1 - 8 - рисунки 1 - 8, таблица 1

исполнения 9 - 16 - рисунки 9 - 16, таблица 1

исполнения 17 - 24 - рисунки 22 - 29, таблица 2

исполнения 25 - 32 - рисунки 30 - 37, таблица 2.

(Измененная редакция, Изм. № 1).

Исполнение 1

1 - прокладка 1 ОСТ 26.260.465; 2 - ниппель шаровый 1 ОСТ 26.260.465; 3 - гайка накидная 1 ОСТ 26.260.465; 4 - ниппель 1 ОСТ 26.260.466; 5 - гайка накидная 1 ОСТ 26.260.466; 6 - тройник равнопроходный 1 ОСТ 26.260.466; 7 - штуцер концевой 1 ОСТ 26.260.467; 8 - штуцер 1 ОСТ 26.260.467; 9 - гайка 1 ОСТ 26.260.467; 10 - штуцер ввертной 1 ОСТ 26.260.467; 11 - прокладка 1 ОСТ 26.260.467; 12 - клапан Ду 15 Ру 16,0 МПа т/ф 15нж54бк (П3.2286-015) ТУ 26-07-1418 или клапан Ду 15 Ру 16,0 МПа т/ф 15нж54бк1 (ПЗ.2286-015-03) ТУ 26-07-1418

Рисунок 1

Исполнение 2

Остальное см. исполнение 1

13 - тройник переходный 2 ОСТ 26.260.466

Рисунок 2

Исполнение 3

Остальное см. исполнение 1

13 - заглушка 3 ОСТ 26.260.466

Рисунок 3

Исполнение 4

Остальное см. исполн. 1

13* - заглушка 4 ОСТ 26.260.466

Рисунок 4

Исполнение 5

1 - прокладка 1 ОСТ 26.260.465; 2 - ниппель шаровый 1 ОСТ 26.260.465; 3 - гайка накидная 1 ОСТ 26.260.465; 4 - ниппель 1 ОСТ 26.260.466; 5 - гайка накидная 1 ОСТ 26.260.466; 6 - тройник равнопроходный 1 ОСТ 26.260.466; 7 - штуцер концевой 1 ОСТ 26.260.467; 8 - штуцер 1 ОСТ 26.260.467; 9 - гайка 1 ОСТ 26.260.467; 10 - штуцер ввертной 1 ОСТ 26.260.467; 11 - прокладка 1 ОСТ 26.260.467; 12 - клапан Ду 15 Ру 16,0 МПа т/ф 15нж54бк (П3.2286-015) ТУ 26-07-1418 или клапан Ду 15 Ру 16,0 МПа т/ф 15нж54бк1 (ПЗ.2286-015-03) ТУ 26-07-1418

Рисунок 5

Исполнение 6

Остальное см. исполнение 5

13 - тройник переходной 2 ОСТ 26.260.466

Рисунок 6

Исполнение 7

Остальное см. исполнение 5

13 - заглушка 3 ОСТ 26.260.466

Рисунок 7

Исполнение 8

Остальное см. исполнение 5

13* - заглушка 4 ОСТ 26.260.466

Рисунок 8

_____________

* Заглушку поз. 13 в устройствах исполнений 4 и 8 для сосудов и аппаратов 1 и 2 группы применять с уплотнительной поверхностью «выступ» рисунок 24 ОСТ 26.260.466

Исполнение 9

1 - прокладка 1 ОСТ 26.260.465; 2 - ниппель шаровый 1 ОСТ 26.260.465; 3 - гайка накидная 1 ОСТ 26.260.465; 4 - трубка сифонная 4 ОСТ 26.260.465; 5 - ниппель 1 ОСТ 26.260.466; 6 - гайка накидная 1 ОСТ 26.260.466; 7 - тройник равнопроходный 1 ОСТ 26.260.466; 8 - штуцер концевой 1 ОСТ 26.260.467; 9 - штуцер 1 ОСТ 26.260.467; 10 - гайка 1 ОСТ 26.260.467; 11 - штуцер ввертной 1 ОСТ 26.260.467; 12 - прокладка 1 ОСТ 26.260.467; 13 - клапан Ду 15 Ру 16,0 МПа т/ф 15нж54бк (П3.2286-015) ТУ 26-07-1418 или клапан Ду 15 Ру 16,0 МПа т/ф 15нж54бк1 (ПЗ.2286-015-03) ТУ 26-07-1418

Рисунок 9

Исполнение 10

Остальное см. исполнение 9

14 - тройник переходной 2 ОСТ 26.260.466

Рисунок 10

Исполнение 11

Остальное см. исполнение 9

14 - заглушка 3 ОСТ 26.260.466

Рисунок 11

Исполнение 12

Остальное см. исполнение 9

14* - заглушка 4 ОСТ 26.260.466

Рисунок 12

Исполнение 13

1 - прокладка 1 ОСТ 26.260.465; 2 - ниппель шаровый 1 ОСТ 26.260.465; 3 - гайка накидная 1 ОСТ 26.260.465; 4 - трубка сифонная 4 ОСТ 26.260.465; 5 - ниппель 1 ОСТ 26.260.466; 6 - гайка накидная 1 ОСТ 26.260.466; 7 - тройник равнопроходный 1 ОСТ 26.260.466; 8 - штуцер концевой 1 ОСТ 26.260.467; 9 - штуцер 1 ОСТ 26.260.467; 10 - гайка 1 ОСТ 26.260.467; 11 - штуцер ввертной 1 ОСТ 26.260.467; 12 - прокладка 1 ОСТ 26.260.467; 13 - клапан Ду 15 Ру 16,0 МПа т/ф 15нж54бк (ПЗ.2286-015) ТУ 26-07-1418 или клапан Ду 15 Ру 16,0 МПа т/ф 15нж54бк1 (П3.2286-015-03) ТУ 26-07-1418

Рисунок 13

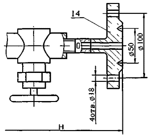
Исполнение 14

Остальное см. исполнение 13

14 - тройник переходный 2 ОСТ 26.260.466

Рисунок 14

Исполнение 15

Остальное см. исполнение 13

14 - заглушка 3 ОСТ 26.260.466

Рисунок 15

Исполнение 16

Остальное см. исполнение 13

14* - заглушка 4 ОСТ 26.260.466

Рисунок 16

_____________

* Заглушку поз. 14 в устройствах исполнений 12 и 16 для сосудов и аппаратов 1 и 2 группы применять с уплотнительной поверхностью «выступ» рисунок 24 ОСТ 26.260.466.

3.1.1 Конструкция и размеры штуцера концевого устройства исполнения 1 должны соответствовать указанным на рисунке 17.

Рисунок 17

Примечание - Масса - 0,14 кг

Пример условного обозначения штуцера концевого устройства исполнения 1, материального исполнения 3:

Штуцер концевой 1-3 ОСТ 26.260.467-2000

3.1.2 Конструкция и размеры штуцера устройства исполнения 3 должны соответствовать указанным на рисунке 18.

Рисунок 18

Примечание - Масса - 0,08 кг

Пример условного обозначения штуцера устройства исполнения 1, материального исполнения 3:

Штуцер 1-3 ОСТ 26.260.467-2000

3.1.3 Конструкция и размеры гайки устройства исполнения 1 должны соответствовать указанным на рисунке 19.

Рисунок 19

Примечание - Масса - 0,121 кг

Пример условного обозначения гайки устройства исполнения 1, материального исполнения 3:

Гайка 1-3 ОСТ 26.260.467-2000

3.1.4 Конструкция и размеры штуцера ввертного устройства исполнения 1 должны соответствовать указанным на рисунке 20.

Рисунок 20

Примечание - Масса - 0,11 кг

Пример условного обозначения штуцера ввертного устройства исполнения 1, материального исполнения 3:

Штуцер ввертной 1-3 ОСТ 26.260.467-2000

3.1.5 Конструкция и размеры прокладки устройства исполнения 1 должны соответствовать указанным на рисунке 21.

Рисунок 21

Примечание - Масса - 0,002 кг

Пример условного обозначения прокладки устройства исполнения 1, из паронита марки ПОН:

Прокладка 1-ПОН ОСТ 26.260.467-2000

Таблица 1

Исполнение

Давление условное Ру, МПа

Температура среды, °С

H, мм

Масса, кг

1

16

До 80

250

2,1

2

305

2,6

3

300

5,6

4

4

285

3,6

5

16

325

2,1

6

380

2,6

7

375

5,6

8

4

360

3,6

9

16

До 450

440

2,6

10

495

3,4

11

490

6,5

12

4

475

4,5

13

16

325

2,6

14

380

3,4

15

375

6,5

16

4

360

4,5

Пример условного обозначения устройства измерения давления исполнения 2, материального исполнения 3, на Ру 16,0 МПа:

Устройство измерения давления 2-3-16,0 ОСТ 26.260.467-2000

Исполнение 17

1 - прокладка 1 ОСТ 26.260.465; 2 - ниппель шаровый 1 ОСТ 26.260.465; 3 - гайка накидная 1 ОСТ 26.260.465; 4 - ниппель 1 ОСТ 26.260.466; 5 - гайка накидная 1 ОСТ 26.260.466; 6 - тройник равнопроходный 1 ОСТ 26.260.466; 7 - штуцер ввертной 1 ОСТ 26.260.467; 8 - штуцер концевой 1 ОСТ 26.260.467; 9 - клапан ДN15, PN160 ХЛ1 С21150-015-01 ТУ 3742-001-26002255-95

Рисунок 22

Исполнение 18

Остальное см. исполнение 17

10 - тройник переходный 2 ОСТ 26.260.466

Рисунок 23

Исполнение 19

Остальное см. исполнение 17

10 - заглушка 3 ОСТ 26.260.466

Рисунок 24

Исполнение 20

Остальное см. исполнение 17

10* - заглушка 4 ОСТ 26.260.466

Рисунок 25

Исполнение 21

1 - прокладка 1 ОСТ 26.260.465; 2 - ниппель шаровый 1 ОСТ 26.260.465; 3 - гайка накидная 1 ОСТ 26.260.465; 4 - ниппель 1 ОСТ 26.260.466; 5 - гайка накидная 1 ОСТ 26.260.466; 6 - тройник равнопроходный 1 ОСТ 26.260.466; 7 - штуцер ввертной 1 ОСТ 26.260.467; 8 - штуцер концевой 1 ОСТ 26.260.467; 9 - клапан ДN15, РN160 ХЛ1 С21150-015-01 ТУ 3742-001-26002255-95.

Рисунок 26

Исполнение 22

Остальное см. исполнение 21

10 - тройник переходной 2 ОСТ 26.260.466

Рисунок 27

Исполнение 23

Остальное см. исполнение 21

10 - заглушка 3 ОСТ 26.260.466

Рисунок 28

Исполнение 24

Остальное см. исполнение 21

10* - заглушка 4 ОСТ 26.260.466

Рисунок 29

_____________

* Заглушку поз. 10 в устройствах исполнений 20 и 24 для сосудов и аппаратов 1 и 2 группы применять с уплотнительной поверхностью «выступ» рисунок 24 ОСТ 26.260.466

Исполнение 25

1 - прокладка 1 ОСТ 26.260.465; 2 - ниппель шаровый 1 ОСТ 26.260.465; 3 - гайка накидная 1 ОСТ 26.260.465; 4 - трубка сифонная 4 ОСТ 26.260.465; 5 - ниппель 1 ОСТ 26.260.466; 6 - гайка накидная 1 ОСТ 26.260.466; 7 - тройник равнопроходный 1 ОСТ 26.260.466; 8 - штуцер концевой 1 ОСТ 26.260.467; 9 - штуцер ввертной 1 ОСТ 26.260.467; 10 - клапан ДN15, PN160 ХЛ1 С21150-015-01 ТУ 3742-001-26002255-95.

Рисунок 30

Исполнение 26

Остальное см. исполнение 25

11 - тройник переходной 2 ОСТ 26.260.466

Рисунок 31

Исполнение 27

Остальное см. исполнение 25

11 - заглушка 3 ОСТ 26.260.466

Рисунок 32

Исполнение 28

Остальное см. исполнение 25

11* - заглушка 4 ОСТ 26.260.466

Рисунок 33

Исполнение 29

1 - прокладка 1 ОСТ 26.260.465; 2 - ниппель шаровый 1 ОСТ 26.260.465; 3 - гайка накидная 1 ОСТ 26.260.465; 4 - трубка сифонная 4 ОСТ 26.260.465; 5 - ниппель 1 ОСТ 26.260.466; 6 - гайка накидная 1 ОСТ 26.260.466; 7 - тройник равнопроходный 1 ОСТ 26.260.466; 8 - штуцер концевой 1 ОСТ 26.260.467; 9 - штуцер ввертной 1 ОСТ 26.260.467; 10 - клапан ДN15, РN160 ХЛ1 С21150-015-01 ТУ 3742-001-26002255-95.

Рисунок 34

Исполнение 30

Остальное см. исполнение 29

11 - тройник переходный 2 ОСТ 26.260.466

Рисунок 35

Исполнение 31

Остальное см. исполнение 29

11 - заглушка 3 ОСТ 26.260.466

Рисунок 31

Исполнение 36

Остальное см. исполнение 29

11* - заглушка 4 ОСТ 26.260.466

Рисунок 37

_____________

* Заглушку поз. 11 в устройствах исполнений 25 и 32 для сосудов и аппаратов 1 и 2 группы применять с уплотнительной поверхностью «выступ» рисунок 24 ОСТ 26.260.466.

Таблица 2

Исполнения

Давление условное Ру, МПа

Температура среды, °С

H, мм

Масса, кг

17

16

до 80

285

7,2

18

340

7,6

19

335

10,7

20

4

320

8,7

21

16

380

7,2

22

435

7,6

23

430

10,7

24

4

415

8,7

25

16

до 450

475

7,6

26

530

8,1

27

525

11,1

28

4

510

9,1

29

16

380

7,6

30

435

8,1

31

430

11,1

32

4

415

9,1

Пример условного обозначения устройства измерения давления исполнения 22, материального исполнения 4а на Ру 16,0 МПа:

Устройство измерения давления 22-4а-16,0 ОСТ 26.260.467-2000.

Рисунки 22 - 37, таблица 2. (Введены дополнительно, Изм. № 1).

3.2 Технические требования по ОСТ 26.260.472.

 

СОДЕРЖАНИЕ

 



© 2013 Ёшкин Кот :-)