Информационная система
«Ёшкин Кот»

XXXecatmenu

Ассоциация Строителей России

СТАНДАРТ ОРГАНИЗАЦИИ

 

ПРОЕКТИРОВАНИЕ И ВОЗВЕДЕНИЕ
ОГРАЖДАЮЩИХ КОНСТРУКЦИЙ
ЖИЛЫХ И ОБЩЕСТВЕННЫХ ЗДАНИЙ
С ПРИМЕНЕНИЕМ ЯЧЕИСТЫХ БЕТОНОВ
В РОССИЙСКОЙ ФЕДЕРАЦИИ

Часть II

СТО 501-52-01-2007

 

 

Москва
2007

 

Предисловие

1 РАЗРАБОТАН: Центром ячеистых бетонов (Вылегжанин В.П. - к.т.н., директор, Пинскер В.А. - к.т.н., научный руководитель), НП «Межрегиональная Северо-Западная строительная палата», Департаментом строительства Ассоциации Строителей России.

2 ПРИНЯТ И ВВЕДЕН В ДЕЙСТВИЕ: решением Совета Ассоциации Строителей России от 06 ноября 2007 года.

3 ВВОДИТСЯ ВПЕРВЫЕ

 

 

Содержание

Введение

Область применения

1. Наружные стены из крупных блоков

1.1 Классификация и номенклатура крупных блоков

1.2 Технические требования

1.3 Расчет стен из крупных блоков

1.4 Расчет кладки из ячеистобетонных блоков с косвенным армированием

1.5 Расчет кладки из ячеистобетонных блоков на сосредоточенные нагрузки (местное сжатие, смятие)

2. Наружные стены из панелей

2.1 Общие положения

2.2 Классификация

2.3 Номенклатура панелей

2.4 Требования к ячеистому бетону панелей

2.5 Арматурные каркасы и закладные

2.6 Конструктивные требования к панелям и стенам из них

2.7 Основные требования к теплотехническому расчету жилых зданий из панелей.

2.8 Наружная отделка

3. Узловые соединения стен из крупных блоков и панелей и их расчет на вертикальные и горизонтальные нагрузки

4. Внутренние стены и перегородки из блоков и панелей

4.1 Требования к изделиям

4.2 Несущие стены

4.3 Самонесущие стены и перегородки

4.4 Расчет внутренних стен и перегородок на звукоизоляцию. Характеристики звукоизоляции сплошных стен (без проемов)

4.5 Конструктивные узлы сопряжения, анкеровка

5. Армированные изгибаемые элементы

5.1 Классификация и номенклатура

5.1.1 Междуэтажные и чердачные перекрытия

5.1.2 Сборно-монолитные перекрытия

5.1.3 Покрытия

5.1.4 Перемычки

5.2 Материалы (автоклавный ячеистый бетон, арматура)

5.3 Расчет изгибаемых элементов на прочность при изгибе и срезе

5.4 Расчет жесткости (прогибов) изгибаемых элементов

5.5 Расчет на образование и раскрытие трещин

5.6 Основные конструктивные требования

5.7 Учет совместной работы плит перекрытий

5.8 Расчет платформенных стыков опирания ячеистобетонных стен на перекрытия

5.9 Расчет междуэтажных перекрытий на звукоизоляцию

5.10 Требования при проектировании покрытий и их расчет на теплопередачу

Приложение А (обязательное). Перечень основных нормативных документов, на которые имеются ссылки в тексте

Приложение Б (обязательное). Указатель обозначений основных символов

Приложение В (рекомендательное). Выбор толщины стен из газобетонных панелей домов серии 600.11 для различных регионов РФ

Приложение Г (справочное). Смазка антиадгезионная «БЕТОЛ-01»

Библиография

 

Введение

Настоящий стандарт организации (СТО) по проектированию и возведению конструкций жилых и общественных зданий (часть II) разработан с целью эффективного и безопасного использования ячеистых (газо-, пено-) бетонов в конструкциях при строительстве жилых и общественных зданий в Российской Федерации. СТО (часть II) является продолжением СТО (часть I).

Разработка настоящего СТО вызвана отсутствием унифицированных нормативных документов, отвечающих современным требованиям к изготовлению изделий из ячеистых бетонов и применению их в конструкциях зданий.

Существующая информация о нормативных показателях, изложенная в ГОСТ, СНиП, руководствах, инструкциях очень разрознена, противоречива, во многом устарела. Настоящий СТО преследует цель систематизации существующих нормативных требований и объединения их в единый документ.

Настоящий СТО выполнен в соответствии с требованиями действующих межгосударственных, федеральных и территориальных нормативных документов.

Настоящий СТО - II часть стандарта «Проектирование и возведение ограждающих конструкций жилых и общественных зданий с применением ячеистых бетонов в Российской Федерации», касается проектирования и применения стеновых конструкций из ячеистобетонных крупных блоков, панелей, перекрытий, покрытий.

В разработанном СТО предложены современные конструктивные решения наружных ограждений стен, перекрытий, покрытий, изготовленных из ячеистого бетона.

В СТО дается метод расчета несущей способности таких конструкций, предложены виды отделки и методы контроля качества бетонных изделий.

 

СТАНДАРТ ОРГАНИЗАЦИИ

ПРОЕКТИРОВАНИЕ И ВОЗВЕДЕНИЕ
ОГРАЖДАЮЩИХ КОНСТРУКЦИЙ
ЖИЛЫХ И ОБЩЕСТВЕННЫХ ЗДАНИЙ
С ПРИМЕНЕНИЕМ ЯЧЕИСТЫХ БЕТОНОВ
В РОССИЙСКОЙ ФЕДЕРАЦИИ

Часть II

 

Область применения

Стандарт организации (СТО) устанавливает показатели качества и безопасности изделий и конструкций из ячеистых бетонов, применяемых при проектировании и строительстве жилых и общественных зданий на территории Российской Федерации.

Настоящий СТО распространяется на разработку технических условий, проектной и технологической документации на изделия и конструкции из ячеистых бетонов, а также на их изготовление и использование в строительстве, реконструкции и капитальном ремонте жилых и общественных зданий.

СТО предназначен для юридических лиц, независимо от организационно-правовой формы и формы собственности, принадлежности и государственности, для физических лиц (граждан), занимающихся индивидуальной трудовой деятельностью или осуществляющих индивидуальное строительство, а также для иностранных юридических и физических лиц, работающих в области проектирования и строительства на территории Российской Федерации.

1. Наружные стены из крупных блоков

1.1. Классификация и номенклатура крупных блоков

1.1.1. Крупные блоки должны удовлетворять требованиям, изложенным в ГОСТ 19010 и настоящем СТО.

1.1.2. Крупные блоки, предназначенные для наружных стен жилых и общественных зданий, изготавливаются из автоклавного и неавтоклавного ячеистого бетона при соответствии изложенным ниже требованиям.

1.1.3. Крупные блоки классифицируются по следующим категориям:

- по несущей способности в стене: несущие, самонесущие, навесные;

- числу слоев: однослойные, двухслойные, переменной плотности (вариатропные);

- по назначению и расположению в стене: простеночные, подоконные, перемычечные, поясные, парапетные, подкарнизные, цокольные, вертикальные (поэтажной полосовой разрезки).

1.1.4. Условные обозначения основных видов блоков:

1БН - простеночные, рядовые;

2БН - подоконные;

3БН - перемычечные;

4БН - поясные;

5БН - парапетные;

6БН - подкарнизные;

7БН - цокольные;

8БН - вертикальные (поэтажной полосовой разрезки).

Указанные обозначения типов наружных блоков, являющихся угловыми в стенах, следует дополнить прописной буквой У, а расположенных у деформационного шва (температурного, усадочного, осадочного, сейсмического) - буквой Т, в лоджии - буквой Л, в ризалите - Р, в эркере - Э. Например, 1БНУ - блок наружный простеночный угловой.

Обозначение типов наружных двухслойных блоков следует дополнить прописной буквой Д, вариатропных - буквой В. Например, 1БНД - блок наружный простеночный, двухслойный, 1БНУД - блок наружный простеночный угловой двухслойный, 7БНВ - блок наружный цокольный вариатропный.

1.1.5. Координационную длину и высоту блоков при отсутствии разделяющих элементов в местах их сопряжений со смежными конструкциями здания (например, стен перпендикулярного направления) следует принимать по таблице 1.1 кратными модулям 12М, 6М и 3М; в обоснованных случаях допускается принимать эти размеры кратными модулю М, равному 100 мм.

Координационную толщину блоков следует принимать по таблице 1.1 кратными модулю М и М/2; в обоснованных случаях допускается принимать толщину блока кратной модулю М/5.

Таблица 1.1 - Классификация и номенклатура крупных блоков

Тип блока по виду стены

Тип блока по назначению (местоположению) в стене

Координационные размеры, мм

Длина

Высота

Толщина

Наружный

Простеночный, рядовой, цокольный, вертикальный полосовой

600, 900, 1000, 1200,

400, 500, 600, 900,

200 - 400

1300, 1500, 1600,

1000, 1300, 1500,

1800, 2100, 3000,

1700, 1800, 2100,

3300, 3600, 3900

2700, 3000

Подоконный

900, 1200, 1400,

300, 400, 600, 800,

900, 1200, 1300, 1500

200 - 400

1500, 1800, 2100,

2400

Перемычечный, поясной

2100, 2400, 2700,

300, 400, 600, 900

200 - 400

3000, 3300, 3600

Парапетный

600, 800, 900, 1200,

600

200 - 400

1500, 2400, 2700,

3000, 3300, 3600

Подкарнизный

900, 1200, 1500,

300, 600

200 - 400

1800, 2100

Примечания

1 Координационную длину угловых блоков определяют в зависимости от толщины блоков и конструкции угловых стыковых соединений.

2 Допускается изготовлять блоки с координационными размерами, отличными от указанных в таблице 1.1, на действующем оборудовании при соответствующем обосновании.

 

1.1.6. Конструктивную длину и высоту блоков следует принимать равными соответствующему координационному размеру, уменьшенному (или увеличенному) на величину, зависящую от конфигурации и размеров стыковых соединений блоков между собой и со смежными конструкциями здания.

Конструктивную толщину блоков следует принимать равной соответствующей координационной толщине блоков, указанной в таблице 1.1 (с шагом 20 или 50 мм).

1.1.7. Толщина изолирующего слоя наружных двухслойных или уплотненного слоя вариатропных блоков должна быть не менее 50 мм.

1.1.8. Блоки следует обозначать марками в соответствии с ГОСТ 23009.

Марка блока состоит из буквенно-цифровых групп, разделенных дефисами.

Первая группа содержит обозначение типа блока и его номинальные габаритные размеры (значения которых округляются до целого числа): длину и высоту в дециметрах, толщину - в сантиметрах.

Во второй группе указывают марку ячеистого бетона по плотности и класс по прочности на сжатие, обозначаемый цифровым индексом класса, вид бетона, обозначаемый буквой Я - автоклавный ячеистый бетон или НЯ - неавтоклавный ячеистый бетон. Для двухслойных наружных блоков следует указывать класс, марку бетона наружного основного слоя блока (для вариатропных - поверхностного слоя).

Третья группа содержит дополнительные характеристики, обозначаемые буквами и отражающие особые условия применения блоков и их стойкость: С - к сейсмическим воздействиям (при расчетной сейсмичности 7 баллов и более); М - к воздействиям низких температур наружного воздуха (при строительстве в районах с расчетной зимней температурой наружного воздуха ниже минус 40 °С).

В третью группу, в случае необходимости, включают также обозначения конструктивных особенностей блока, конфигурацию торцовых зон; наличие, вид и расположение проемов; наличие штрабы в местах примыкания смежных конструкций; вид и расположение арматурных выпусков и закладных изделий и другие. Эти особенности блока следует обозначать в марке арабскими цифрами или строчными буквами.

Пример условного обозначения (марки) блока типа 1БНУ длиной 1495 мм, высотой 2680 мм, толщиной 400 мм (типоразмер 1БНУ 15.27.40) из неавтоклавного ячеистого бетона марки по плотности D600, класса по прочности В2,5 для сейсмических районов с низким температурами - 1БНУ 15.27.40-6/2,5НЯ-СМ.

1.2. Технические требования

1.2.1. Блоки следует изготавливать в соответствии с требованиями ГОСТ 19010, настоящего СТО и технических условий на блоки конкретных типов по проектной и технологической документации, утвержденной в установленном порядке.

1.2.2. Блоки должны иметь заводскую готовность, соответствующую требованиям настоящего СТО и дополнительным требованиям проекта конкретного здания.

1.2.3. Блоки следует изготавливать из бетона классов или проектных марок по прочности на сжатие В1,5; В2,5; В3,5; В5 и В7,5, а уплотнительных слоев В10 и В12,5.

1.2.4. Фактическая прочность бетона (отпускная) должна соответствовать требуемой, назначаемой по ГОСТ 18105 в зависимости от нормируемой прочности бетона, указанной в рабочих чертежах, и от показателя фактической однородности прочности бетона (с учетом влажности, масштабного фактора и коэффициента вариации).

1.2.5. Коэффициент вариации прочности для крупных блоков из ячеистого бетона не должен превышать 15 %, а плотности 5 %.

1.2.6. Отпускная прочность автоклавных блоков должна соответствовать 100 % номинальной, а неавтоклавного - не менее 70 %.

1.2.7. Поставку блоков потребителю следует производить при средней по толщине отпускной влажности не более 25 %.

1.3. Расчет стен из крупных блоков

1.3.1. Расчет по прочности стен из крупных блоков должен производиться для сечений, нормальных к их продольной оси и направлению силы. В зависимости от условий работы элементов они рассчитываются без учета, а также с учетом сопротивления бетона растянутой зоны.

Без учета сопротивления бетона растянутой зоны производится расчет внецентренно сжатых элементов с большими эксцентриситетами (е0/h0,25 ), где е0 - сумма моментного и случайного эксцентриситетов.

Расчет основан на использовании деформативно-прочностных свойств ячеистого бетона с учетом моментных напряжений.

1.3.2. При расчете внецентренно сжатых бетонных элементов должен приниматься во внимание случайный эксцентриситет продольного усилия еа, равный 2 см.

1.3.3. При гибкости элементов l0/i > 14 необходимо учитывать влияние на их несущую способность выгиба в плоскости эксцентриситета продольного усилия путем умножения значений е0 на коэффициент h (см. п. 1.3.6.).

Применение внецентренно сжатых бетонных элементов не допускается при эксцентриситетах приложения продольной силы с учетом прогибов е0h, превышающих:

- при основном сочетании нагрузок - 0,9 у,

- при особом сочетании - 0,95 у.

- в любом случае - (у - 2).

где у - расстояние от центра тяжести сечения до наиболее сжатого слоя бетона, см.

1.3.4. Во внецентренно сжатых ячеистобетонных блоках необходимо предусматривать конструктивную арматуру:

- в местах изменения толщины и длины блока;

- в местах подрезок, ниш, отверстий;

- у менее напряженной грани внецентренно сжатых блоков, если наибольшее напряжение в сечении, определяемое как для упругого тела, превышает 0,8Rb, а наименьшее составляет менее 0,2 МПа или оказывается растягивающим, при этом коэффициент армирования m принимается не менее 0,00025 (0,025 %).

1.3.5. Расчет внецентренно сжатых бетонных элементов должен производиться из условия

N αRb Ak,

(1.1)

где А - площадь сечения бетона. Для элементов прямоугольного сечения А определяется по формуле

A = bh

(1.2)

Коэффициент k (условно его можно назвать коэффициентом использования площади) учитывает неоднородность напряженного состояния по сечению (градиент деформации) и его влияние на прочность. Для прямоугольного сечения с малыми эксцентриситетами (см. п. 1.3.1.)

(1.3)

Для прямоугольного сечения с большими эксцентриситетами

(1.4)

(1.5)

Для приближенных вычислений вместо зависимости (1.3) и (1.4) можно пользоваться эмпирической формулой

k3 = (1 - 2h δe).

(1.6)

В формулах (1.1) - (1.6):

Rb - расчетное сопротивление ячеистого бетона сжатию (СТО 501-52-01-2007, часть I, таблица 4.4);

h - коэффициент, определяемый по формуле (1.7).

a - коэффициент, принимаемый равным:

- для автоклавных ячеистых бетонов - 0,85;

- для неавтоклавных ячеистых бетонов - 0,75.

 - относительный опорный эксцентриситет продольной силы (включая начальный).

1.3.6. Значение коэффициента η, учитывающего влияние прогиба на эксцентриситет продольного усилия е0, следует определять по формуле:

(1.7)

которую можно привести к виду:

(1.8)

где Ncr - условная критическая сила, определяемая по формуле:

(1.9)

где φl - коэффициент, учитывающий влияние длительного действия нагрузки на выгиб стены в предельном состоянии, равный

(1.10)

но не более (1 + β).

Здесь β - коэффициент, принимаемый в зависимости от вида ячеистого бетона равным: для автоклавного - 1,3, для неавтоклавного - 1,5;

Nl - продольная сила от действия постоянных и длительных нагрузок;

N - то же, от действия постоянных, длительных и кратковременных нагрузок;

l0 - расчетная длина элемента, определяемая по таблице 1.2.

При расчете бетонных элементов, имеющих несмещаемые опоры, значения коэффициента η принимаются для сечения в средней трети длины элемента по формуле (1.7 или 1.8), а для сечений в пределах крайних третей длины элемента - путем линейной интерполяции, принимая в опорных сечениях значения η равными единице.

Таблица 1.2 - Расчетная длина элемента

Характер опирания элементов

Расчетная длина l0

Для стен, опирающихся вверху и внизу:

а) при шарнирах на двух концах, независимо от величины смешения опор

 

H

б) при защемлении одного из концов и возможном смещении опор:

 

для многопролетных зданий

1,25 H

для однопролетных зданий

1,5 H

Примечание - H - высота стены в пределах этажа за вычетом толщины плиты перекрытия.

1.4. Расчет кладки из ячеистобетонных блоков с косвенным армированием

1.4.1. Косвенное армирование кладки из блоков с высотой ряда кладки до 300 мм включительно производится в горизонтальных швах между блоками (при растворных швах, не на клею) и рассчитывается по методике п. 6.5.13 часть I настоящего СТО.

1.4.2. При высоте ряда кладки (блоков) более 300 мм и необходимости повысить их несущую способность без увеличения марки по плотности блоков и соответственно класса по прочности на сжатие необходимо предусмотреть армирование блоков горизонтальными сетками (перпендикулярными направлению сжимающей силы и располагаемыми с шагом s, не превышающем толщины стены (блоков).

1.4.3. Расчет кладки из крупных блоков с косвенным армированием производится из условия (1.1) с заменой Rb на Rbs.

(1.11)

где v - коэффициент Пуассона (поперечного расширения) ячеистого бетона, принимаемый равным 0,2.

m - коэффициент армирования в каждом направлении, равный:

(1.12)

nx, lx - количество и длина стержней сетки одного направления;

nу, lу - то же, перпендикулярных им;

s - шаг горизонтальных сеток;

Rsw - расчетные сопротивления косвенной (поперечной) арматуры, принимаемые по таблице 6.10 Часть I СТО 501-52-01-2007;

Asx, Asy - площадь поперечного сечения одного стержня сетки того и другого (перпендикулярного) направления.

1.4.4. Из формулы (1.12) следует, что коэффициент (или процент) косвенного армирования блоков в продольном направлении (по оси стены) должен быть равен коэффициенту косвенного армирования в поперечном направлении (из плоскости блока).

Общий коэффициент косвенного армирования:

(1.13)

в расчетах прочности не учитывается и используется только для определения расхода арматуры.

1.4.5. Максимальный коэффициент косвенного армирования

1.5. Расчет кладки из ячеистобетонных блоков на сосредоточенные нагрузки (местное сжатие, смятие)

1.5.1. Расчет стен из крупных ячеистобетонных блоков производится по методике п. 6.5.16 часть 1 СТО 501-52-01-2007 с заменой расчетного сопротивления сжатию кладки R на расчетное сопротивление ячеистого бетона сжатию Rb, определяемое по таблице 4.4 часть I СТО 501-52-01-2007.

1.5.2. Опирать металлические фермы и балки на ячеистобетонные блоки без распределительных подкладок и теплоизоляции опорных зон запрещается.

1.5.3. Не рекомендуется на ячеистобетонных блоках располагать консольные конструкции балконов, лоджий, ризалитов, эркеров, козырьков и стропил без специального усиления.

2. Наружные стены из панелей

2.1. Общие положения

Настоящий СТО распространяется на наружные стены из цельноформуемых (с отделкой и без) и составных панелей однослойной конструкции (не считая защитно-декоративного слоя из эрклеза, брекчии или дробленого камня, укладываемых на дно формы), в том числе переменной плотности (вариатропные).

Панели могут применяться в помещениях жилых и общественных зданий с относительной влажностью воздуха (пиковой) не более 75 % и температурой не выше 40 °С. При большей влажности панели должны быть гидрофобизированы и покрыты пароизоляционным слоем, рассчитываемым на отсутствие влагонакопления в ячеистом бетоне данной толщины и плотности.

Панели обязательно армируются рабочей (рассчитанной на ветровые и температурно-усадочные воздействия и вертикальные нагрузки) арматурой, а также конструктивной (если рабочей недостаточно или же она отсутствует), рассчитанной на распалубочные и транспортно-монтажные воздействия с коэффициентом перегрузки не менее 1,7 к собственному весу.

2.2. Классификация

2.2.1. К панелям относят изделия из ячеистого бетона площадью по наружному обмеру не менее 1,8 м2, армированные по расчету и конструктивно стержнями, защищенными от коррозии антикоррозионными покрытиями.

2.2.2. Панели классифицируются по следующим категориям:

- по несущей функции в стене: несущие, самонесущие, навесные;

- по конструкции: цельные, составные;

- по однородности: однородные, с формованной отделкой, вариатропные;

- по отношению к проемам: беспроемные, с проемами (на одно-, два окна, на окно и балконную дверь), полосовой разрезки (горизонтальной или вертикальной);

- по расположению в здании: надземных этажей, цокольного этажа или технического подполья, чердака (мансарды).

2.3. Номенклатура панелей

2.3.1. Панели подразделяются на следующие типы для надземных этажей:

1 НС - цельные однослойные;

2НС - цельные с заформованным отделочным слоем;

3НС - цельные переменной плотности (вариатропные);

4НС - составные однослойные;

5НС - составные с отделкой;

6НС - составные вариатропные;

для цокольного этажа и технического подполья:

1НЦ - цельные однослойные;

2НЦ - цельные с отделочным слоем;

3НЦ - цельные вариатропные;

4НЦ - составные однослойные;

5НЦ - составные с отделкой;

6НЦ - составные вариатропные;

для чердака или мансарды:

1НЧ - цельные однослойные;

2НЧ - цельные с отделочным слоем;

3НЧ - цельные вариатропные;

4НЧ - составные однослойные;

5НЧ - составные с отделкой;

6НЧ - составные вариатропные.

2.3.2. Основные размеры панелей.

Координационные размеры панелей при отсутствии разделяющих элементов в местах их сопряжения со смежными конструкциями здания (например, стен перпендикулярного направления) следует принимать по таблице 2.1.

Таблица 2.1. - Координационные размеры ячеистобетонных панелей
наружных стен жилых и общественных зданий

Виды разрезки стены на панели

Вид панели

Длина

Кратность координационного размера модуля (М-100 мм)

Координационные размеры, мм

Однорядная (панели цельные и составные)

Глухие; на одно окно; на два окна; на окно и балконную дверь; на окно и окно с дверью

Длина

15М

1500; 3000; 4500; 6000

12М

1200; 2400; 3600; 4800

1800; 4200; 5400; 6600

Высота

3000; 3600; 4200

3300; 3900

Горизонтальная полосовая

Полосовая

Длина

15М

3000; 4500; 6000

3600; 4200; 4800; 5400; 6600

Высота

3М, М

600; 900; 1200; 1300;
1500; 1800; 2100; 3000

Простеночная

Длина

600;1200;1800

1,5М

750

Высота

1200; 1500; 1800; 2100; 2400;2700; 3000; 3300

Вертикальная полосовая

Полосовая

Длина

600; 900; 1200; 1500; 1800

1,5М

750

Высота

6M

3000; 3600; 4200; 4800;
5400; 6000; 6600

3300

Подоконная

Длина

6M

1200; 1800; 2400

900; 1500; 2100; 2700

1,5М

1350

Высота

1200; 1800

900; 1500; 2100

М

700; 1300

Любой

Любой

Толщина

М

200; 300; 400

0,5М

250; 350

0,2М

240; 280; 320; 360

 

2.4. Требования к ячеистому бетону панелей

2.4.1. Панели изготавливаются из ячеистых бетонов классов по прочности на сжатие В1,5; В2; В2,5; В3,5; В5; В7,5. Последние два класса используются для несущих стен (например, торцевых).

2.4.2. Для панелей используется ячеистый бетон автоклавного и неавтоклавного твердения марок по плотности D500, D600, D700 и D800.

2.4.3. Коэффициенты теплопроводности и паропроницаемости должны соответствовать таблице 4.7 часть I СТО 501-52-01-2007.

2.4.4. Морозостойкость ячеистого бетона панелей должна быть не менее F25, а для I строительно-климатической зоны - не менее F35. Для вариатропных панелей это требование относится к образцам, вырезанным (высверленным) из наружного слоя переменной плотности.

2.4.5. Отпускная влажность ячеистого бетона панелей (средняя по толщине) не должна превышать 25 % по массе, для панелей с использованием в качестве вяжущего сланцевой (высококальциевой) золы - 30 %, для панелей, изготовленных на основе кислых зол-уноса, - 35 %.

2.4.6. Влажностная усадка автоклавного ячеистого бетона панелей лимитируется величиной 0,5 мм/м, неавтоклавного - 1,5 мм/м.

2.4.7. Общий коэффициент вариации прочности ячеистого бетона панелей не должен превышать 12 % для автоклавного ячеистого бетона и 15 % - для неавтоклавного.

2.4.8. Коэффициент вариации по плотности ограничивается величиной 6 % для всех видов ячеистого бетона.

2.4.9. При контроле каждой панели неразрушающим методом коэффициент вариации прочности одной панели не должен превышать 8 %, а плотности - 3,5 %.

2.4.10. Обеспеченность номинальных величин назначается исходя из 90 % - ной надежности этих величин в сторону запаса, т.е. с коэффициентом 1,3 к среднему квадратичному отклонению.

2.4.11. Максимальная объемная масса ячеистого бетона панелей марок по плотности D500, D600, D700 и D800 не должна превышать соответственно 530, 640, 750 и 850 кг/м3.

2.4.12. Средняя и минимально допустимая прочность ячеистого бетона панелей в выпиленных кубах размером 150×150×150 мм с влажностью 10 %, испытанных перпендикулярно направлению заливки (вспучиванию), приведены в таблице 2.2.

Таблица 2.2. - Характеристики прочности ячеистого бетона панелей.

Класс по прочности на сжатие

В1,5

В2

В2,5

В3,5

В5

В7,5

Средняя кубиковая прочность автоклавного бетона, МПа

2,13

2,89

3,55

4,97

7,10

10,65

Браковочный минимум для автоклавного бетона, МПа

1,8

2,4

3,0

4,2

6,0

9,0

Средняя кубиковая прочность неавтоклавного бетона, МПа

2,24

3,0

3,73

5,22

7,45

11,18

Браковочный минимум для неавтоклавного бетона, МПа

1,8

2,4

3,0

4,2

6,0

9,0

2.5. Арматурные каркасы и закладные

2.5.1. Для армирования панелей следует принимать арматурную сталь следующих видов и классов: в качестве рабочей арматуры - стержневую арматуру классов А-III и А-IV по ГОСТ 5781, Ат-IIIС Ат400С, Ат500С, Ат600, Ат600С, Ат600К по ГОСТ 10884, арматурную проволоку классов Вр-I по ГОСТ 6727, а также стержневую арматуру классов A-I и А-II по ГОСТ 5781 в случаях, когда использование арматуры других классов запрещено или невыгодно; в качестве конструктивной - арматуру классов A-I и Вр-I.

Арматура и закладные детали должны соответствовать ГОСТ 10922, сварные сетки - ГОСТ 8478.

2.5.2. Монтажные петли должны изготавливаться из горячекатаной гладкой арматурной стали класса A-I по ГОСТ 5781 марок ВСт3сп2 и ВСт3пс2 по ГОСТ 380.

Для изготовления монтажных петель панелей, предназначенных для монтажа при температуре -40 °С и ниже, запрещается применять сталь марки ВСт3пс2.

2.5.3. Сталь для изготовления закладных изделий должна соответствовать требованиям, установленным ГОСТ 13015. Соединения закладных контролируются согласно ГОСТ 23858.

2.5.4. Сетка для армирования ячеистобетонных панелей должна отвечать требованиям ГОСТ 23279.

2.5.5. Арматура и закладные детали в панелях из ячеистого бетона защищаются от коррозии антикоррозионными покрытиями согласно СН 277.

2.5.6. Защитные слои для ячеистого бетона панелей принимаются для рабочей арматуры не менее 25 мм, конструктивной - не менее 20 мм.

2.6. Конструктивные требования к панелям и стенам из них

2.6.1. Конструкции панелей должны обеспечивать их прочность, жесткость и трещиностойкость при распалубке, транспортировке, складировании, монтаже и эксплуатации при всех возможных видах воздействия (с учетом длительности приложения постоянных нагрузок), включая ветровые, температурно-влажностные, осадочные, сейсмические (при сейсмике более 7 баллов), аварийные (от взрыва бытового газа) при сроке эксплуатации не менее 100 лет (без ухудшения физико-механических свойств более чем на 20 %).

2.6.2. Панели должны соответствовать требованиям ГОСТ 11024, проектной документации и настоящего СТО. Составные панели следует поставлять в собранном виде с водонепроницаемыми и другими грунтовками, гидро- и/или пароизоляционными покрытиями, установленными окнами (с наклеенными на стекла противоударными лентами), дверями, подоконными плитами (досками) и швами, с выполненной герметизацией и теплоизоляцией в стенах между оконными и дверными блоками и гранями проемов и другими конструктивными элементами, указанными в п. 2.6.3. Поставка недоукомплектованных панелей допускается лишь по соглашению изготовителя, застройщика и проектировщика.

2.6.3. В соответствии с проектной документацией панели должны иметь:

- выступы, вырезы, штрабы, ниши, стальные закладные и накладные изделия, предназначенные для опирания на каркас или подвески к нему панелей, а также примыкания смежных конструкций. Под каркасом понимаются не только линейные элементы (колонны и ригели), но и плоские несущие элементы (поперечные стены и перекрытия);

- вырезы и углубления в торцевых зонах и других местах примыканий к панелям смежных конструкций, предназначенные для образования шпоночного соединения после замоноличивания стыков;

- арматурные выпуски, металлические или пластмассовые (послеавтоклавные) закладные изделия и другие конструктивные элементы для соединения панелей между собой и со смежными конструкциями здания;

- выступы, пазы, подбетонки и другие конструктивные детали в торцевых зонах панелей, а также по периметру проемов, предназначенные для образования противодождевого барьера, упора уплотняющих прокладок и герметиков, установки в стыке водоотбойного вкладыша и других целей;

- гнезда для подъемных петель и других монтажных и крепежных деталей;

- установленные окна с подоконными досками и сливами, а также балконные двери;

- закладные и накладные изделия и другие конструктивные элементы (кронштейны) для крепления подоконных досок, жалюзи, карнизов, открытых батарей и других элементов оборудования;

- каналы для сменяемой электропроводки.

2.6.4. Горизонтальные грани панелей рекомендуется делать плоскими, без гребня.

2.6.5. Вертикальные грани панелей должны иметь паз, позволяющий образовывать со смежной панелью канал сечением не менее 30 см2, замоноличиваемый после монтажа расширяющимся цементно-песчаным раствором (с добавкой алюминиевой пудры).

2.6.6. Для несущих стен (например, торцевых) глубина подрезки для опирания плит перекрытий не должна быть менее 110 мм.

2.6.7. При опирании наружной навесной панели на перекрытие глубина выреза не должна быть менее 60 мм.

2.6.8. При заводке перекрытий в панели наружных стен с целью звукоизоляции глубина паза в панелях должна быть не менее 30 мм.

2.6.9. Армирование панелей следует производить по их контуру и по контуру проемов сварными каркасами-лесенками из низкоуглеродистой холоднотянутой проволоки Вр-I по ГОСТ 6727, причем продольные стержни должны иметь диаметр 5 мм, а поперечные 4 мм с шагом не более 300 мм.

2.6.10. Плоские каркасы-лесенки должны устанавливаться в теле панелей и в их исходных элементах (для составных панелей) параллельно их длинной стороне с шагом не более 400 мм и объединяться в пространственный каркас путем приварки соединительных стержней 5Вр-I с обеих сторон последнего. Шаг соединительных стержней не должен превышать 500 мм.

2.6.11. В местах расположения ослабленных сечений (проемов, ниш, вырезов, пазов, уступов) необходимо предусматривать в зонах входящих углов укладку дополнительных каркасов из стали 3 - 5 BpI с ячейками 50 - 75 мм, привариваемых к объемному каркасу.

2.6.12. Монтажные петли и закладные детали должны быть приварены к пространственному каркасу.

2.6.13. Тяжи (с нарезкой для болтов) для соединения исходных элементов в составные панели, которые могут использоваться для подъема панелей и для их крепления к несущим конструкциям здания, должны иметь диаметр не менее 12 мм, а диаметр высверленного или формованного канала для их пропуска не - менее 50 мм. Диаметр шайб для тяжа должен быть не менее 120 мм.

2.6.14. Пространственные арматурные каркасы должны быть защищены от коррозии путем окунания в ванны с антикоррозионными суспензиями (согласно Приложению 1 СН 277) или в электростатическом поле. Тяжи и шайбы защищаются цинковыми или алюминиевыми покрытиями путем металлизации. Антикоррозионная защита резьбовой части тяжа и гайки, а также закладных после из приварки производится (на стройплощадке по окончании монтажа панели) путем нанесения на защищаемые детали слоя битумного лака (ГОСТ 5631).

2.6.15. В случае обнаружения повышенного трещинообразования на фасадной поверхности панелей в процессе изготовления и строительства следует усилить армирование полей панелей установкой сварных арматурных сеток по ГОСТ 8478-81, привариваемых к основному пространственному каркасу.

2.6.16. Применение вязаных каркасов, отдельных свободных стержней, крюков на концах арматуры запрещается.

2.6.17. Ширина простенков принимается, как правило, не менее 600 мм. В исключительных случаях допускается ширина 300 мм при удовлетворении требований прочности и устойчивости в плоскости и из плоскости стены.

2.6.18. Минимальная высота перемычечной части ячеистобетонных панелей замкнутой формы (не Ш-образной) принимается равной 400 мм для ненесущей стены.

2.6.19. Максимальная ширина проемов устанавливается в размере 2100 мм.

2.6.20. В панелях замкнутого профиля внизу балконной двери должен быть поставлен уголок жесткости сечением 100×100×10 мм или эквивалентная по жесткости труба.

2.6.21. В Ш-образных панелях высота перемычки под балконной дверью должна быть не менее 500 мм с армированием каркасом-лесенкой обоих входящих углов.

2.7. Основные требования к теплотехническому расчету жилых зданий из панелей

2.7.1. Наружные панельные стены жилых и общественных зданий должны отвечать требованиям СНиП 23-02, СП 23-101, и настоящего СТО по сопротивлению теплопередаче, воздухопроницанию, паропроницанию.

2.7.2. Конструктивная толщина панелей при проектировании устанавливается на основании теплотехнического расчета, определяющего удельный расход тепловой энергии на отопление здания , кДж/м2 °С·сут по СНиП 23-02, с учетом сопротивления теплопередаче других ограждающих конструкций (окон, чердачного перекрытия и пола первого этажа). Пример обоснования выбора толщины панелей из газобетона в жилых зданиях для различных регионов Российской Федерации приведен в Приложении В для домов серии 600.11.

2.7.3. Полученная величина  должна быть не более нормируемого удельного расхода тепловой энергии на отопление здания  (), кДж/м2·°С·сут, установленного в СНиП 23-02.

2.7.4. Величина отношения  /  характеризует энергетическую эффективность здания. К нормальному классу по энергетической эффективности (класс С) относятся здания, у которых 0,91 ≤ ( / ) 1,05 (СНиП 23-02).

2.7.5. Расчетную равновесную влажность панелей из автоклавного газобетона на цементном вяжущем и кварцевом песке принимают по СП 23-101 или на основании экспериментальных данных.

2.7.6. Коэффициент теплотехнической однородности панелей устанавливается по расчету и не ниже чем по ГОСТ 26254 (для однослойных ячеистобетонных панелей).

2.7.7. Минимальное сопротивление теплопередаче стены Rmin при подборе ее толщины вычисляется по формуле (СНиП 23-02): Rmin = 0,63Rreq, где Rreq - величина нормируемого приведенного сопротивления теплопередаче стены.

2.8. Наружная отделка

2.8.1. Наружная отделка панелей может выполнять следующие функции:

- декоративные (цвет, фактура, текстура, рисунок);

- защитные (от избыточного увлажнения, мороза, увлажнения - высыхания, карбонизации, температурно-усадочных трещин, механических повреждений);

- конъюнктурные (требования заказчика по навесным фасадам);

- комбинированные (защитно-отделочные и декоративные).

2.8.2. К защитно-отделочным покрытиям панелей наружных стен из ячеистых бетонов предъявляются требования, приведенные в таблице 8.1, I часть СТО. Для обеспечения долговечности и эксплуатационной стабильности в состав покрытия вводятся добавки, указанные в п. 8.6 и 8.7 I часть СТО.

2.8.3. Виды и способы отделки панелей из ячеистых бетонов приведены в таблице 2.3.

2.8.4. Выбор вида отделки осуществляется по соглашению между проектировщиками, изготовителями панелей и застройщиком с учетом мнения заказчика при гармонизации требований эстетики, технологичности, безопасности (экологичности), долговечности и экономичности.

2.8.5. Все отделочные составы и их компоненты должны изготовляться по стандартам и техническим условиям на данный вид продукции и иметь соответствующие гигиенические сертификаты и сертификаты соответствия стандартам.

2.8.6. Все виды отделочных покрытий (за исключением керамических или стеклянных плиток) после комплектации панелей рекомендуется покрывать кремнеорганическими составами (если последние не входят в компоненты отделок).

2.8.7. Отделочные поризованные растворы и наиболее плотный слой в отделке переменной плотности должны иметь объемную массу (в сухом состоянии) не более 1400 кг/м3 .

2.8.8. При приготовлении и нанесении защитно-отделочных покрытий следует придерживаться рекомендаций СН 277.

2.8.9. Окраска панелей производится в три слоя: грунтовочный, шпаклевочный и отделочный. Если в состав отделочного слоя не входит гидрофобизатор, то наносится и четвертый слой - гидрофобизирующий из эмульсии кремнеорганической жидкости.

2.8.10. Грунтовочный слой наносится на выровненные и зашпаклеванные поверхности. Состав шпаклевочного слоя (по грунтовке) не идентичен по составу выравнивающей шпаклевке. Нанесение отделочных слоев возможно как вручную (кистями или валиком), так и механизировано (краскопультом-распылителем или в электростатическом поле).

2.8.11. При согласии проектировщика, изготовителя и застройщика отделка панелей полосовой разрезки может осуществляться по изложенным правилам после монтажа здания как окрасочным составом, так и тонкослойными штукатурками («под шубу»).

2.8.12. При использовании навесных фасадов толщина проветриваемой воздушной прослойки между ячеистым бетоном и листовым материалом должна быть не менее 100 мм, а крепеж рассчитан на смятие и срез ячеистого бетона от ветровой и вертикальной нагрузок.


Таблица 2.3 - Виды и способы отделки панелей из ячеистых бетонов

Стадия

Положение панели в форме

Вид отделки

Основные материалы

Слойность отделки

1 -й слой

2-й слой

3-й слой

4-й слой

1

2

3

4

5

6

7

8

В процессе формования

«Лицом вниз»

Уплотнение ячеистого бетона пассивацией или вибрацией

Пассиватор (типа бихромата калия)

Переменной плотности

-

-

-

То же, по слою крупного заполнителя (дробленого камня, керамзита и т.п.)

Пассиватор и щебень (гравий) горных пород, кирпича, стекла

Крупный заполнитель

Переменной плотности

Гидрофобизация (после распалубки)

-

Декоративные поризованные растворы

Цемент, известь, молотый и немолотый песок (включая ячеиетобетонный), порообразователь, пигмент

Поризованный раствор до 20 мм

-

-

-

То же, но без пигмента по слою дробленки

Дробленый декоративный камень, поризованный неокрашенный раствор

Щебень (гравий)

Поризованный раствор

Гидрофобизация (после распалубки)

-

Каменные дробленые материалы, залитые ячеистым бетоном

Дробленый декоративный камень или гравий (возможен керамзит, агломерат, силикатные гранулы, граншлак), стеклянный бой

Крупный заполнитель

-

-

-

Коврово-мозаичные плитки

Керамические и стеклянные плитки-«ириски», брекчия, наклеенные на бумагу

Плитки

-

-

-

Рельефообразование

Рельефообразующие матрицы или пленки поверх узорной решетки

Рельефный ячеистый бетон

-

-

-

«Лицом вверх»

Прикатка «горбушки»

Подогреваемый вал с посыпкой песком для отлипа

Переменной плотности

-

-

-

То же, с декоративной отделкой

Вал и декоративная крошка (щебень, гравий, дресва)

Декоративный камень в слое переменной плотности

-

-

-

Прикатка по рельефообразующим матрицам (коврикам)

Вал и матрицы с выпуклым рисунком

Переменной плотности с рельефом

-

-

-

Прикатка рельефными валами

Фигурные валы

То же

-

-

-

Внедрение декоративно-защитных порошков цилиндрическими щетками

Щеточные валы («ершик»)

Пигментные и гидрофобные порошки

-

-

-

После твердения

Горизонтально

Декоративная присыпка по слою клея

Паропроницаемые (с наполнителем) органические клеи и зернистая посыпка (окрашенный крупный песок, эрклез)

Цветная крошка по слою клея

-

-

-

Керамические или стеклянные плитки-«ириски» или смальта по слою клея

Декоративные мелкие плитки и органический клей, например, акриловый

Цветные или белые плитки на клею

-

-

-

После твердения

Вертикально

Нанесение водоэмульсионных красок

Водоэмульсионные краски

Грунтовочный

Шпаклевочный

Отделочный

Гидрофобизирующий

Нанесение поливинилацетат- цементных и латексцементных красок

Эмульсии ПВА и бутадиеит-стирольные латексы

То же

То же

То же

То же

Краски и эмали на органических растворителях

Цемент, краска, растворитель, кремнеорганик

То же

То же

То же

-

Цементные краски с добавкой ПВА

Цемент белый, известь, пигмент, эмульсия ПВА

То же

То же

То же

То же

Полиминеральные растворы

Фосфогипс, эмульсия ПВА, латекс, каменная, керамическая или ячеистобетонная крошка 1 - 3 мм

То же

То же

То же

То же

Гидрофобные комбинированные краски

Кремнеорганические жидкости, хлорсульфированный полиэтилен, перхлорвинил и т.н.; растворители

То же

То же

То же

-

После твердения

Вертикально

Тонкослойные штукатурные, в т.ч. «под шубу»

Полимеризующиеся эмульсии, дисперсии, латексы с наполнителями (цемент, песок, пигмент, ГКЖ)

То же

То же

То же

-

Навесные экраны

Металлические, в т.ч. гофрированные листы, асбошифер, стеклоплиты, виниловый сайдинг, вагонка, плиты из природного камня

Экран

Воздушная прослойка

-

-


3. Узловые соединения стен из крупных блоков и панелей и их расчет на вертикальные и горизонтальные нагрузки

3.1. Силовые стыковые соединения наружных стен с внутренними несущими конструкциями подразделяются на узлы крепления, узлы соединения, узлы опирания и подвески.

Узлы крепления воспринимают горизонтальные усилия, действующие перпендикулярно плоскости наружной стены.

Узлы соединения обеспечивают связь между панелями в их плоскости.

Узлы опирания и подвески, наряду с отрывными усилиями, воспринимают также и вертикальные усилия, действующие в плоскости наружной стены.

3.2. Рекомендуемые стыковые соединения по своим конструктивным решениям разделяются на три группы.

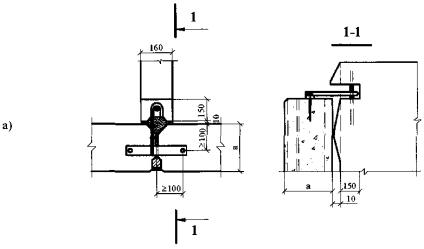
а) Первая группа - стыковые соединения, в которых в качестве анкерных элементов используются металлические закладные (рисунок 3.1а). При таком способе крепления передача усилий происходит через металлические связи.

б) Вторая группа - стыковые соединения с металлическими связями, прижимающими панели наружных стен к несущим конструкциям каркаса (рисунок 3.1б).

Ячеистый бетон в месте стыкового соединения испытывает усилия сжатия и должен быть проверен на местное смятие под прижимными элементами связи.

в) Третья группа - стыковые соединения, в которых крепежные анкерные элементы забиваются в ячеистый бетон, либо замоноличиваются в заранее высверленных или от формованных отверстиях (рисунок 3.1в). Такие стыковые соединения должны быть рассчитаны по несущей способности и деформативности с учетом прочности и податливости ячеистого бетона.

3.3. Забиваемые анкерные элементы (гвозди, нагели, скобы) способны воспринимать только поперечные усилия, направленные перпендикулярно их оси, и могут использоваться для узлов крепления.

При конструировании узлов крепления рекомендуется применять забиваемые анкерные элементы следующих размеров:

нагели - Ø 8 ÷ 10 мм, длиной 120 мм,

гвозди - Ø 6 мм, длиной 120 ÷ 150 мм,

скобы - Ø 12 мм, длиной от 300 мм, забиваемые концы скобы длиной 100 ÷ 120 мм.

Накладные соединительные пластины выполняются в заводских условиях из листовой стали толщиной 4 ÷ 6 мм.

3.4. При конструировании узлов крепления и опирания на основе вклеенных нагелей необходимо соблюдать следующие правила:

- для узлов крепления, воспринимающих поперечные к оси нагеля усилия, могут быть использованы нагели гладкого и периодического профиля;

- для узлов опирания и узлов крепления, воспринимающих осевые нагрузки, можно применять нагели только периодического профиля;

- диаметр нагеля принимается не менее 25 мм, глубина заделки нагеля должна быть не менее 10 диаметров нагеля. Диаметр образованной цилиндрической полости должен быть на 3 - 4 мм больше диаметра нагеля. Нагели замоноличиваются в цилиндрическую полость, высверленную в ячеистобетонном элементе, с помощью так называемого жесткого клея (например, на основе эпоксидных либо дифенилкетоновых смол). Замоноличивание нагелей рекомендуется выполнять в заводских условиях. Можно применять цементный коллоидный клей.

 

а) Первая группа

б) Вторая группа

 

в) Третья группа

 

1 - наружная ячеистобетонная панель (блок); 2 - внутренняя несущая конструкция;
3 - металлическая соединительная связь; 4 - металлический тяж; 5 - металлические детали с
прижимными устройствами; 6 - забиваемые, ввинчиваемые или вклеиваемые анкерные элементы

Рисунок 3.1 - Принципиальные конструктивные схемы стыковых соединений

3.5. Анкерные элементы стыковых соединений третьей группы должны располагаться от боковых граней панели на расстоянии не менее 8 см. При устройстве стыков с несколькими анкерными элементами расстояние между их центрами должно быть не менее 10 см.

3.6. Узлы опирания с использованием вклеенных нагелей рекомендуется выполнять на расстоянии не менее 40 см от торцевой грани панели.

3.7. Расчет стыковых соединений третьей группы должен выполняться по несущей способности и деформативности. При этом производится раздельно расчет анкерных элементов крепления, с учетом работы окружающей анкерной зоны, и расчет прочности металлических связей, соединяющих ячеистобетонные панели между собой, либо с несущими конструкциями здания.

3.8. Расчет анкерных элементов стыковых соединений по несущей способности состоит в проверке условия, при котором расчетное усилие, действующее на стыковое соединение, не должно превышать по величине несущую способность крепления:

(3.1)

Несущая способность крепления Nпр вычисляется в такой последовательности:

- по таблице 3.1 определяется несущая способность крепления при расположении анкерного элемента в неармированном ячеистом бетоне ;

- по схеме на рисунке 3.2 принимается поправочный коэффициент к несущей способности крепления Кb в зависимости от удаленности конкретного анкерного элемента (или геометрического центра тяжести нескольких анкерных элементов крепления) от грани панели;

- наличие арматуры в анкерной зоне учитывается коэффициентом армирования па

(таблица 3.2), который изменяется от 1 до 1,5 в зависимости от степени армирования окружающего бетона;

- при воздействии осевого усилия на стыковое соединение несущая способность анкерного элемента определяется по таблице 3.1 (поз. 4) без учета армирования анкерной зоны и без поправки на удаленность от грани панели.

3.9. Расчет по деформативности состоит в проверке условия, при котором нормативное усилие, действующее на стыковое соединение, не должно превышать по величине предельного усилия по деформативности NΔ, определенного по таблице 3.1 с учетом предельной расчетной деформативности стыкового соединения Δ0 (таблица 3.4). Деформативность узла крепления зависит от деформативности металлических соединительных связей и податливости (т.е. способности смещаться под нагрузкой) забиваемых анкерных элементов. В свою очередь податливость забиваемых анкерных элементов зависит от жесткости самих элементов и деформативных качеств окружающего ячеистого бетона.

Деформативность узла крепления не зависит от геометрического положения анкерных элементов в толще стены, а также от армирования анкерной зоны крепления.

3.10. Расчет прочности соединительной металлической связи производится в соответствии с методикой с учетом конструкции крепления концов связи между собой и к внутренней несущей конструкции по формуле:

N = mmin Rs As ,

(3.2)

где N - расчетное усилие;

ттin - значение коэффициента условий работы концов связей, закрепленных на внутренней несущей конструкции (см. таблица 3.3), учитывающее деформативность связей;

Rs - расчетное сопротивление стали связей на растяжение;

As - площадь поперечного сечения связей.

3.11. Все металлические детали стыковых соединений должны быть сделаны из нержавеющей стали или защищены от коррозии согласно требованиям СНиП 2.03.11 по защите строительных конструкций от коррозии. При выполнении сварки соединительных металлических связей в условиях стройплощадки должно осуществляться восстановление нарушенного антикоррозионного покрытия.

3.12. На рисунке 3.3 приведен пример узлов крепления и опирания наружных стен из газобетона полосовой разрезки, применяемых на ДСК-3 Санкт-Петербурга.

3.13. На рисунке 3.4а приведен пример узла соединения, а на рисунке 3.4б вариант узла крепления панелей (блоков) к поперечной несущей сборной ячеистобетонной стене.

Таблица 3.1 - Характеристика узлов крепления

Схема узла крепления

Анкерные элементы (поз.1)

Неармированный ячеистый бетон В2,5

несущая способность , кН

предельное усилие по деформативности NΔ, кН

скоба Ø 12 мм L = 300 мм (анкерная часть - поз.1, h3 = 100 мм)

1,60

2,40 Δ0

2 гвоздя Ø 6 мм h3 = 150 мм

1,50

1,10 Δ0

2 нагеля Ø 8 мм h3 = 150 мм

1,50

1,50 Δ0

вклеенный нагель Ø 25 мм
h3 = 250 мм

4,00

9,00 Δ0

вклеенный нагель Ø 25 мм
h3 = 250 мм

4,00

9,00 Δ0

3 гвоздя
Ø 6 мм h3 = 150 мм

3,00

3,50 Δ0

3 нагеля
Ø 8 мм h3 = 120 мм

4,00

5,20 Δ0

3 нагеля
Ø 10 мм h3 = 120 мм

4,00

6,50 Δ0

Примечания

1 h3- глубина заделки анкерного элемента в бетон;

2 Для ячеистых бетонов классов В1,5; В3,5; В5 и В7,5 следует принимать поправочные коэффициенты к величинам, указанным в столбцах 4 и 5, соответственно 0,60; 1,4; 1,9; 2,8.

 

Рисунок 3.2 - График зависимости между несущей способностью забивного или
вклеенного анкерного крепления и расстоянием «
b» от грани панели

Таблица 3.2 - Зависимость коэффициентов от схемы армирования

Схема армирования

Арматура

Коэффициент армирования

продольная поз. 1

поперечная поз. 2

местн. арм. поз. 3

1

Ø 4 ÷ Ø 8

Ø 4 ÷ Ø 8

-

па = 1,1

2

Ø 10 ÷ Ø 12

Ø 4 ÷ Ø 8

-

па = 1,2

N - горизонтальное усилие, действующее на анкер

3

Ø 4 ÷ Ø 8

Ø 4 ÷ Ø 8

Ø 4 ÷ Ø 8

па = 1,5

 

Таблица 3.3 - Значения коэффициента ттin в зависимости от конструкции
крепления концов связи

Крепление концов связей: к внутренней несущей конструкции

Цельная связь

Сварка прямых концов в одну линию

Сварка отогнутых концов или прямых концов под углом

Механическое зацепление отогнутых концов без принудительной притяжки

Приварка к закладным деталям прямых концов связей диаметром 10 мм и более

0,90

0,90

0,30

0,08

Приварка к закладным деталям отогнутых под прямым углом концов связей диаметром 10 - 16 мм

0,30

0,30

0,30

0,08

Крепление к закладным деталям с принудительной притяжкой (например, болтовое)

1,0

-

-

0,80

Отгиб за элемент, арматуру или бетон без омоноличивания и приварки

-

0,08

0,08

-


Таблица 3.4 - Величины предельной расчетной деформативности А0 стыковых соединений крупнопанельных зданий в мм для:

Узлы крепления

Узлы соединений

Узлы опирания и подвески

в направлении отрыва при:

в направлении отрыва при:

в плоскости стены

в направлении отрыва при:

в плоскости стены

в вертикальной плоскости для:

примыкании внутренней стены к наружной

заведении внутренней стены в наружную

примыкании внутренней стены к наружной

заведении внутренней стены в толщу наружной

для самонесущих стен

для навесных стен

примыкании внутренней стены к наружной

заведении внутренней стены в толщу наружной

Для
самонесущих стен

Для
на
весных стен

узла подвески

узла опирания

I. Жилы е здания

0,5

1,0

0,5

1,0

0,3

1,0

0,5

0,5

1,0

1,0

0,5

2,0

II. Общественные здания

0,5

1,5

0,5

1,5

1,0

1,0

0,5

0,5

1,0

1,0

1,0

2,0

 


Узел 1

а) вертикальный разрез по стене; б) узел крепления у торцов ленточной панели;
в) узел крепления простенка; г) узел опирания на железобетонные перекрытия.

Рисунок 3.3 - Узлы опирания и крепления стен по серии домов ЛГ 600.11

 

а) узел соединения; б) узел крепления к ячеистобетонной поперечной стене.

Рисунок 3.4 - Примеры узлов соединения и крепления

4. Внутренние стены и перегородки из блоков и панелей

4.1 Требования к изделиям

4.1.1. Блоки должны соответствовать требованиям ГОСТ 19010, панели - ГОСТ 12504, а также настоящего СТО и изготовляться по рабочим чертежам, утвержденным в установленном порядке.

4.1.2. Отклонения от проектных размеров не должны превышать значений, указанных в таблице 4.1.

Таблица 4.1 - Предельные отклонения размеров

Наименование отклонений

Величины допускаемых отклонений, мм, изделий

Несущих внутренних стен

Перегородок

1

2

3

1. Отклонение от проектных размеров

 

 

а) по длине для изделий длиной

 

 

до 4,5 м

±5

±3

свыше 4,5 м

±7

±5

б) по высоте (ширине) и толщине изделий

±5

±2

в) по высоте, ширине и положению проемов и вырезов

±5

±5

2. Отклонение от прямоугольной формы лицевых поверхностей (разность длин диагоналей) изделий длиной

 

 

до 4,5 м

10

7

свыше 4,5 м

12

10

3. Отклонение от плоскостности лицевых поверхностей изделии длиной

 

 

до 4,5 м

8

6

свыше 4,5 м

10

8

4. Отклонение от проектного положения закладных деталей

 

 

а) в плоскости изделия

10

10

б) из плоскости изделия

3

3

 

4.1.3. Отклонения от прямолинейности профиля лицевых поверхностей изделий не должно превышать 3 мм на длине 2 м.

4.1.4. Элементы составных панелей, предназначенные для склеивания, должны иметь калиброванные поверхности склеивания.

4.1.5. Материалы и изделия, применяемые для изготовления блоков и панелей, должны удовлетворять требованиям действующих стандартов и технических условий на эти материалы и изделия.

4.1.6. Панели и блоки могут изготавливаться из ячеистых бетонов автоклавного и неавтоклавного твердения классов по прочности на сжатие В1,5; В2; В2,5; В3,5; В5; В7,5; В10; В12,5 и В15.

4.1.7. Марки по плотности ячеистых бетонов изделий внутренних стен выбираются по условиям звукоизоляции согласно п. 4.4 настоящих СТО и могут иметь следующие значения: D500, D600, D700, D800, D900, D1000, D1100, D1200.

4.1.8. Минимально допустимая плотность элементов внутренних стен (браковочный минимум) приведена в таблице 4.2.

Таблица 4.2 - Минимальная плотность ячеистого бетона внутренних стен и перегородок.

Марка по плотности

D500

D600

D700

D800

D900

D1000

D1100

D1200

Минимальная плотность в сухом состоянии, кг/м3

460

550

640

740

830

920

1010

1100

Минимальная плотность при 25 %-ной влажности, кг/м3

580

695

810

925

1040

1160

1275

1390

 

4.1.9. Средняя и минимально допустимая прочность (браковочный минимум) ячеистого бетона элементов внутренних стен и перегородок в приведении к прочности выпиленных кубов с ребром 150 мм, влажностью 10 % по массе и испытанных перпендикулярно направлению заливки (вспучивания) приведена в таблице 4.3.

Таблица 4.3 - Характеристика прочности ячеистого бетона внутренних стен и перегородок

Проектный класс ячеистого бетона по прочности на сжатие

В1,5

В2

В2,5

В3,5

В5

В7,5

В10

В12,5

В15

Средняя кубиковая прочность автоклавного бетона, МПа

2,13

2,89

3,55

4,97

7,10

10,65

14,19

17,74

21,28

Браковочный минимум кубиковой прочности партии для автоклавного и неавтоклавного ячеистых бетонов, МПа

1,8

2,4

3,0

4,2

6,0

9,0

12,0

15,0

18,0

 

4.1.10. Влажность ячеистого бетона по массе изделий внутренних стен и перегородок при отпуске их потребителю не должна превышать следующих значений (в среднем по толщине изделий):

- 25 % для ячеистых бетонов на песке;

- 30 % для ячеистых бетонов на высокоосновной золе;

- 35 % для ячеистых бетонов на кислой золе - унос.

4.1.11. Марка ячеистого бетона по морозостойкости не должна быть менее F25.

4.1.12. Арматурные каркасы и закладные должны соответствовать требованиям п. 2.5 настоящего СТО.

4.1.13. Отклонения от проектного размера толщины защитного слоя до рабочей арматуры не должны превышать ±5мм.

4.1.14. Панели внутренних стен могут изготавливаться цельными и составными. Боковые грани панелей должны иметь предусмотренный проектом профиль, обеспечивающий совместную работу со смежными панелями после заполнения шва между ними клеем или раствором.

4.1.15. Внешний вид и качество отделки поверхностей блоков и панелей внутренних стен и перегородок должны соответствовать утвержденным в установленном порядке эталонам изделий.

На поверхности изделий не допускаются следующие дефекты:

а) раковины, местные наплывы бетона и впадины, размеры которых превышают указанные в таблице 4.4.

Таблица 4.4 - Допустимые размеры неровностей, мм

Виды поверхностей панелей и блоков

Диаметр раковин

Глубина раковин

Высота местных наплывов и глубина впадин

1.

Предназначенные под окраску

1

1

1

2.

Предназначенные под оклейку обоями или пленками

4

3

1

3.

Предназначенные под отделку плитками

15

5

3

4.

Лицевая неотделываемая

6

3

3

5.

Лицевая, предназначенная под затирку или шпаклевку

15

5

3

6.

Нелицевая, невидимая после монтажа

10

5

5

 

б) сквозные трещины;

в) усадочные трещины шириной раскрытия более 0,2 мм;

г) околы бетона ребер по контуру изделий и периметру проемов в них общей длиной более 50 мм на 1 м и глубиной более 5 мм - на лицевой поверхности и соответственно 100 и 10 мм - на нелицевой (невидимой в условиях эксплуатации).

д) пятна от масла, краски и ржавчины на лицевых поверхностях.

Открытые поверхности стальных закладных деталей и выпуски, предназначенные для сварки или замоноличивания при монтаже, должны быть очищены от наплывов бетона, без нарушения антикоррозионного покрытия на этих деталях. В случае повреждения покрытие должно быть восстановлено как на заводе, так и после монтажа, если оно было испорчено при сварке.

4.1.16. Клеевой или растворный шов составных панелей должен быть сплошным (без просветов), расшитым и не имеющим наплывов и неплотностей. Отклонение толщины клеевого шва от проектного размера не должно превышать ±1 мм, а растворного шва ±3 мм. Несовпадение лицевых плоскостей стыкуемых элементов не должно превышать 1 мм.

4.1.17. Класс по прочности (или марка) раствора для замоноличивания швов составных панелей и закладных деталей, устанавливаемых в высверленных полостях, должен быть на одну ступень выше класса по прочности на сжатие ячеистого бетона, но не более В10 (Ml50).

4.1.18. Панели должны поставляться в комплекте с соединительными деталями. Конструктивные решения внутренних несущих стен должны соответствовать нижеприведенным типам и координационным размерам блоков и панелей.

4.2. Несущие стены

4.2.1. Крупные блоки для несущих стен подразделяются на следующие типы:

для надземных этажей:

БСВЯ - блоки стеновые внутренние из ячеистого бетона;

для подвального и цокольного этажей или технического подполья:

БСПЯ - блоки стеновые подвальные ячеистые;

для чердака (мансарды):

БСЧЯ - блоки стеновые чердачные ячеистые.

4.2.2. Координационные размеры блоков внутренних несущих стен из ячеистых бетонов приведены в таблице 4.5.

Таблица 4.5 - Координационные размеры блоков несущих стен из ячеистых бетонов

Тип панели

Координационные размеры, мм

Длина

Длина

Длина

БСВЯ

600, 900, 1000, 1200

2700, 2900, 3300, 3600,

200, 250 (240), 300 (320)

1500, 1800

4200

БСПЯ

600, 900, 1200, 1500

1200, 1500, 1800,2100

200, 250 (240), 300 (320)

БСЧЯ

600, 900, 1200

1500, 1800,2100,2400

150,200

 

4.2.3. Панели внутренних несущих стен из ячеистых бетонов подразделяются на следующие типы:

для надземных этажей:

ПСВЯ - несущие цельные;

ПСВСЯ - несущие составные;

для подвального и цокольного этажей или технического подполья:

ПСПЯ - несущие цельные;

ПСПСЯ - несущие составные;

для чердака:

ПСЧЯ - несущие цельные;

ПСЧСЯ - несущие составные.

4.2.4. Координационные размеры панелей внутренних несущих стен из ячеистых бетонов приведены в таблице 4.6.

Таблица 4.6 - Координационные размеры панелей несущих стен.

Тип блока

Координационные размеры, мм

Длина

Высота

Толщина

ПСВЯ

1200, 1500, 1600, 1800,

2700, 2900, 3300, 3600,

200, 250 (240), 300 (320)

2400, 3000

4200

ПСВСЯ

3000, 3600, 4200, 4800,

2700, 2900, 3300, 3600,

200, 250 (240), 300 (320)

5400, 6000

4200

ПСПЯ

1200, 1500, 1800, 2400,

1200, 1500, 1800, 2100

200, 250 (240), 300 (320)

3000

ПСПСЯ

3000, 3600, 4200, 4800,

1200, 1500, 1800, 2100

200, 250 (240), 300 (320)

5400, 6000

ПСЧЯ

1200, 1500, 1800, 2400,

1500, 1800, 2100, 2400

150,200

3000

ПСЧСЯ

3000, 3600, 4200, 4800,

1500, 1800, 2100, 2400

150,200

5400, 6000

 

4.2.5. Конструкции панелей должны обеспечивать их надежность по всем предельным состояниям (прочность, устойчивость, деформации, трещиностойкость) при изготовлении, транспортировании, монтаже и эксплуатации с учетом неравномерных осадок, температурно-усадочных и аварийных (взрыв бытового газа при газовых плитах) воздействий. Долговечность несущих стен должна быть не менее 100 лет.

4.2.6. Горизонтальные грани блоков, панелей и исходных элементов составных панелей следует делать плоскими, без пазов и гребней. Выемки для монтажных петель после монтажа следует заделать цементно-песчаным раствором марки не менее M100 (В 7,5).

4.2.7. Армирование блоков и панелей следует производить по их контуру сварными каркасами-лесенками из низкоуглеродистой холоднотянутой проволоки Вр-I при диаметре продольных стержней 5 мм и поперечных 4 мм с шагом не более 300 мм.

4.2.8. Плоские каркасы-лесенки устанавливаются также в теле блоков и панелей параллельно длинным граням с шагом (с учетом контурных каркасов) не менее 500 мм и объединяются в пространственный каркас сваркой соединительных стержней перпендикулярного направления с обеих сторон диаметром 5 Вр-I с шагом не более 1200 мм.

4.2.9. Опорные грани несущих блоков и панелей, примыкающие к лежащему на них или под ними перекрытию, армируются двумя контурными каркасами с расстоянием между ними (в осях) не менее 50 мм.

4.2.10. Остальные требования изложены в п.п. 2.6.11 - 2.6.16 настоящего СТО.

4.2.11. Расчет на прочность и критическую силу, при которой несущая стена теряет устойчивость, производится согласно зависимостям, приведенным в разделе 1.3 настоящего СТО.

4.2.12. Расчет опорной зоны перемычки над проемами во внутренней стене производится по формуле:

P 2000 Rsh A,

(4.1)

где Р - опорная реакция перемычки (нагрузки от собственного веса перемычки, веса вышележащей стены и нагрузки от перекрытия), кН;

Rsh - расчетное сопротивление ячеистого бетона срезу (по таблице 4.4 СТО 501-52-01-2007 часть I), МПа;

А - площадь опорной площадки в блоке или панели из ячеистого бетона под концом перемычки, м2.

В прежней системе единиц расчет производится по формуле:

P 2Rsh A,

(4.2)

где Р выражают в кг, Rsh - в кг/см2, А - в см2.

4.3. Самонесущие стены и перегородки

Конструктивные решения самонесущих (ненесущих) стен и перегородок должны соответствовать типам и координационным размерам, принятым в настоящем разделе.

4.3.1. Крупные блоки для самонесущих внутренних стен и перегородок из ячеистых бетонов подразделяются на следующие основные типы:

для надземных этажей

БГВЯ - ненесущие цельные;

для подвального и цокольного этажей или технического подполья

БГПЯ - ненесущие цельные;

для чердака

БГЧЯ - ненесущие цельные.

4.3.2. Координационные размеры крупных блоков ненесущих стен и перегородок из ячеистых бетонов представлены в таблице 4.7.

Таблица 4.7 - Координационные размеры крупных блоков ненесущих стен и перегородок.

Тип блока

Координационные размеры, мм

Длина

Высота

Толщина

БГВЯ

600, 900, 1200, 1500

2700, 2900, 3000, 3300,

80, 100, 120, 160, 200,

3600, 4200

240

БГПЯ

600, 900, 1200, 1500

1200, 1600, 1800, 2100

50, 80, 100, 120, 160,

БГЧЯ

600, 900, 1200, 1500

1200, 1500, 1800, 2100

50, 80, 100, 120, 160

 

4.3.3. Панели ля самонесущих внутренних стен и перегородок из ячеистых бетонов подразделяются на следующие основные типы:

для надземных этажей

ПГВЯ - ненесущие цельные,

ПГВСЯ - ненесущие составные;

для подвального и цокольного этажей или технического подполья

ПГПЯ - ненесущие цельные,

ПГПСЯ - ненесущие составные;

для чердака

ПГЧЯ - ненесущие цельные,

ПГЧЯ - ненесущие составные;

4.3.4. Координационные размеры панелей внутренних стен из ячеистых бетонов приведены в таблице 4.8.

Таблица 4.8 - Координационные размеры панелей ненесущих стен и перегородок из ячеистых бетонов.

Тип блока

Координационные размеры, мм

Длина

Высота

Толщина

ПГВЯ

1200, 1500, 1600, 1800, 2400, 3000

2700, 2900, 3300, 3600, 4200

80, 100, 120, 160,200, 250 (240)

ПГВСЯ

3000, 3600, 4200, 4800, 5400, 6000

2700, 2900, 3300, 3600, 4200

80, 100, 120, 160, 200, 250 (240)

ПГПЯ

1200, 1500, 1800, 2400, 3000

1200, 1500, 1800, 2100

80, 100, 120, 160

ПГПСЯ

3000, 3600, 4200, 4800, 5400, 6000

1200, 1500, 1800, 2100

80, 100, 120, 160

ПГЧЯ

1200, 1500, 1800, 2400, 3000

1500, 1800, 2100, 2400

80, 100, 120, 160, 200

ПГЧСЯ

3000, 3600, 4200, 4800, 5400, 6000

1500, 1800, 2100, 2400

80, 100, 120, 160, 200

 

4.3.5. Конструкции ненесущих стен и перегородок должны обеспечить их прочность и трещиностойкость при распалубке, транспортировке и монтаже. В эксплуатационных условиях они должны выдерживать без повреждений нагрузку (горизонтальную) не менее 1000 кН (100 кгс).

4.3.6. Верхние и боковые грани блоков и панелей и исходных элементов рекомендуется делать плоскими, без пазов, гребней и четвертей, и соединять клеевыми растворами по калиброванной очищенной поверхности.

4.3.7. Армирование изделий ненесущих стен производится при толщине до 160 мм одной сварной сеткой из стали 5ВрI с ячейкой 100 мм, расположенной в срединной плоскости, а при толщине более 160 мм - двумя такими же сетками по полям блоков или панелей, соединенными поперечными стержнями из такой же стали с шагом по вертикали и горизонтали не менее 500 мм.

4.3.8. Расчет на устойчивость самонесущих стен ориентировочно можно производить по формуле Эйлера:

(4.4)

которая для прямоугольного сечения имеет вид:

(4.5)

Учитывая, что

где ecr = 0,002 - предельная сжимаемость ячеистого бетона, получим предельную гибкость ячеистобетонной стены для шарнирного закрепления опорных зон:

В таблице 4.9 приведены высоты стен и перегородок для разных условий закрепления.

Таблица 4.9 - Предельная высота стен и перегородок в зависимости от их толщины и закрепления.

Условия закрепления

Предельная высота, мм, при толщине, мм

80

100

120

160

200

240

250

Шарнирная опора

1600

2000

2400

3200

4000

4800

5000

Защемленные опоры

3200

4000

4800

6400

8000

9600

10000

Одна шарнирная и одна защемленная

2400

3000

3600

4800

6000

7200

7500

 

4.4. Расчет внутренних стен и перегородок на звукоизоляцию. Характеристики звукоизоляции сплошных стен (без проемов).

4.4.1. Нормируемыми параметрами звукоизоляции внутренних ограждающих конструкций (стен, межкомнатных перегородок) жилых и общественных зданий являются индексы изоляции воздушного шума Rw, дБ.

4.4.2. Нормативные значения индексов изоляции воздушного шума внутренними ограждающими конструкциями Rw приведены в СНиП 23-03 и СП 23-103.

4.4.3. Индекс изоляции воздушного шума однослойными ограждающими конструкциями следует определять на основании расчетной частотной характеристикой изоляции воздушного шума по методике, изложенной в СП 23-103.

4.4.4. Допускается при ориентировочных расчетах определять индекс воздушного шума однослойными массивными ограждающими конструкциями с поверхностной плотностью от 100 до 800 кг/м2 непосредственно без построения расчетной частотной характеристики по формулам, приведенным в СП 23-103.

4.4.5. В таблице 4.10 приведены ориентировочные расчетные индексы изоляции воздушного шума для стен и перегородок, выполненных из панелей и из блоков на клею или тяжелом растворе.

Таблица 4.10 - Расчетные индексы изоляции воздушного шума для стен и перегородок

Марка газобетона по плотности

Средняя плотность ячеистобетонной перегородки при равновесной влажности 10 % γ, кг/м3

Толщина стен или перегородок h, мм

Ориентировочный расчетный индекс изоляции воздушного шума , дБ

из панелей, крупных блоков, мелких блоков на клею

из мелких блоков на растворе

из панелей, крупных блоков, мелких блоков на клею

из мелких блоков на растворе

D500

570

690

150

-

44

200

46

48

250

49

52

300

52

55

D600

680

800

150

44

45

200

48

50

250

52

53

300

55

56

D700

790

910

150

45

46

200

50

51

250

53

55

300

56

58

D800

900

1020

100

-

43

150

46

47

200

51

52

250

55

56

300

58

59

D900

1030

1130

100

43

44

150

47

48

200

52

53

250

56

57

300

59

60

D1000

1140

1240

100

44

44,5

150

48

49

200

53

54

250

57

59

300

60

61

 

4.4.6. Индексы изоляции воздушного шума стен с меньшей поверхностной плотностью устанавливаются по интерполяции, а также на основании натурных испытаний по ГОСТ 27296.

4.5. Конструктивные узлы сопряжения, анкеровка

4.5.1. Основные узлы сопряжения (стыковки) внутренних стен между собой или с наружными стенами и их анкеровки, а также требования к ним приведены в таблицах 3.1, 3.3 и на рисунках 3.3, 3.4.

5. Армированные изгибаемые элементы

Из ячеистого бетона изготавливаются следующие виды армированных изгибаемых элементов: междуэтажные и чердачные, панели перекрытий, сборно-монолитные и монолитные перекрытия, панели покрытий, перемычки.

5.1. Классификация и номенклатура

5.1.1. Междуэтажные и чердачные перекрытия

Междуэтажные и чердачные панели перекрытий из ячеистого бетона рекомендуется применять в виде однопролетных балочных плит (настилов), работающих в одном направлении, они обеспечивают взаимозаменяемость с многопустотными железобетонными перекрытиями в кирпичных, каркасных, крупнопанельных жилых и общественных зданиях.

Междуэтажные перекрытия следует применять при пролетах до 7,2 м, исходя из условий прочности, жесткости, ширины раскрытия трещин и звукоизоляции.

Панели перекрытия сплошного сечения изготавливаются как по резательной технологии, так и в формах горизонтального формования.

Панели перекрытия, изготавливаемые по резательной технологии, имеют высоту 220 и 240 мм, длину от 2,7 м до 6,0 м, ширину 1,5 и 1,2 м.

Панели рассчитываются на унифицированные расчетные нагрузки 300, 450, 600 кг/м (без учета собственного веса).

Панели перекрытия, приведенные в номенклатуре (таблица 5.1), изготавливаются из ячеистого бетона, имеющего марки по плотности от D500 до D1200, класс по прочности от В3,5до В10.

Панели перекрытия горизонтального формования сплошного сечения имеют высоту 220 и 240 мм, длину от 2,7 до 6 м, номинальную ширину 1,6 м, в соответствии с размерами форм.

Панели перекрытия горизонтального формования рассчитаны на унифицированную нагрузку (без собственного веса) при длине 6,0 и 6,4 м не свыше 500 кг/м2 при обычном формовании.

Панели перекрытия приведенной номенклатуры (таблица 5.1) изготавливаются из бетона той же прочности, что и перекрытия, изготавливаемые по резательной технологии.

Чердачные перекрытия рекомендуется принимать в домах различного типа, так как они служат дополнительной теплоизоляцией.

Таблица 5.1 - Классификация и номенклатура перекрытий

Тип сплошных панелей по способу изготовления

Тип здания, шаг, м

Размеры, мм

Крупнопанельные, кирпичные, крупноблочные

Каркасные

Длина

Ширина

Высота

Резательная технология Основные панели

 

 

 

1190

220
240

2,7

3,0

2680

1490

 

 

 

1790

 

 

 

1190

3,0

-

2980

1490

 

 

 

1790

 

 

 

1190

3,3

-

3280

1490

 

 

 

1790

 

 

 

1190

3,6

-

3580

1490

 

 

 

1790

 

 

 

1190

4,2

4,5

4180

1490

 

 

 

1790

 

 

 

1190

4,8

-

4780

1490

 

 

 

1790

 

 

 

1190

5,1

-

5080

1490

 

 

 

1790

 

 

 

1190

6,0

-

5980

1490

 

 

 

1790

Резательная технология Доборные панели

 

 

 

590

2,7

3,0

2680

740

 

 

 

890

 

 

 

590

3,0

-

2980

740

 

 

 

890

 

 

 

590

3,3

-

3280

740

 

 

 

890

 

 

 

590

3,6

-

3580

740

 

 

 

890

 

 

 

590

4,8

-

4780

740

 

 

 

890

 

 

 

590

5,7

6,0

5680

740

 

 

 

890

 

 

 

590

4,2

4,5

4,180

740

 

 

 

890

 

 

 

590

6,0

-

5980

740

 

 

 

890

Горизонтальное формование Основные панели

2,7

3,0

2680

1590

220
240

3,0

-

2980

3,2

-

3180

4,2

4,5

4180

5,7

6,0

5680

6,0

-

5980

6,4

-

6380

Горизонтальное формование Доборные панели

2,7

3,0

2680

780

220
240

1190

3,0

-

2980

780

1190

3,2

-

3180

780

1190

4,2

4,5

4180

780

1190

5,7

6,0

5680

780

1190

6,0

-

5980

780

1190

6,4

-

6380

780

1190

 

5.1.2. Сборно-монолитные перекрытия

Сборно-монолитные перекрытия состоят из газобетонных блоков, разложенных вплотную на досках (опалубке) (рисунок 5.1), подпертых снизу стойками с оставленными между торцами блоков зазорами шириной 100 - 150 мм.

1 - мелкий ячеистобетонный блок; 2 - монолитная балка из мелкозернистого бетона;
3 - арматурные каркасы; 4 - опалубочная доска.

Рисунок 5.1. - Сборно-монолитные перекрытия

В зазоры устанавливается арматурный каркас или отдельные арматурные стержни на фиксаторы защитного слоя (25 мм).

Доска и торцы блоков образуют опалубку для балки, заливаемой мелкозернистой бетонной смесью класса по прочности на сжатие не менее В10.

Газобетонные блоки для такого перекрытия должны иметь марку по плотности не менее D500, класс по прочности не менее В2.

Пролеты сборно-монолитных перекрытий находятся в пределах 2,4 - 6,0 м; высота 0,2 - 0,4 м.

Расход арматуры 3,5 - 4,5 кг/м2.

5.1.3. Покрытия

Панели покрытий из ячеистого бетона совмещают функции несущих и теплоизолирующих конструкций и делятся на три типа:

- панели постоянного сечения по длине (ПП);

- панели с наклонной верхней поверхностью (ПН),

- панели (ППВ и ПНВ) с вентилирующими каналами (продухами).

Размеры ячеистобетонных панелей координированы автоклавами с типовыми диаметрами 2,0 (1,9); 2,6 и 3,6 м, и составляют:

длина - 2,4; 3,0; 3,6; 4,2; 4,8; 5,4; 6,0 м; ширина - 1,2; 1,5; 1,8 м; толщина - 250, 300, 350 и 400 мм.

5.1.4. Перемычки

Ячеистобетонные перемычки применяются для перекрытия оконных и дверных проемов в наружных и внутренних стенах из ячеистого бетона.

В наружных стенах перемычки используются только в случае блочной кладки.

Перемычки изготавливаются из ячеистого бетона, имеющего марку по плотности от D500 до D1200 и класс по прочности на сжатие от В2 до В10.

Размеры перемычек: толщина в пределах от 150 до 350 мм (с градацией через 50 мм), длина от 1,2 до 3,3 м (с градацией через 0,3 м), высота от 0,2 до 0,6 м (с градацией 0,1 м).

Перемычки могут быть ненесущими и несущими.

Ненесущие перемычки армируются конструктивно.

Несущие перемычки армируются расчетной рабочей арматурой в растянутой зоне.

Перемычки должны иметь отпускную влажность, соответствующую смежным стеновым элементам.

Перемычки рассчитываются на прочность по вертикальным и наклонным сечениям согласно разделу 5.3 настоящего СТО.

5.2. Материалы (автоклавный ячеистый бетон, арматура)

5.2.1. Требования к ячеистым бетонам и арматуре, применяемым для изготовления изгибаемых элементов конструкций, аналогичны изложенным в п. 2.4 и 2.5 настоящего СТО.

5.3. Расчет изгибаемых элементов на прочность при изгибе и срезе

5.3.1. Расчет по прочности сечений изгибаемых ячеистобетонных элементов производят из условия М ≤ Mult, где Mult - предельный изгибающий момент, который может быть воспринят сечением элемента.

5.3.2. Разрушение пролетных сечений происходит в сечении с трещиной по двум схемам:

1) от раздробления и хрупкого разрушения сжатой зоны без заметных пластических деформаций (нелинейных) растянутой арматуры.

2) от текучести или разрыва арматуры без разрушения бетона сжатой зоны или при разрушении его после заметной текучести стали.

5.3.3. Напряженное состояние сжатой зоны (над трещиной) принимается однородным, вызываемым суммированием энергии моментных и нормальных напряжений, равномерно распределенных по площади сжатой зоны, и приравниваемой энергии разрушения призм (при осевом сжатии).

5.3.4. Разрушающий момент для прямоугольного сечения определяется по формуле:

(5.1)

Относительная высота сжатой зоны при разрушении по арматуре:

(5.2)

а при разрушении по бетону:

(5.3)

где

Если ξs > ξb, то разрушение происходит по бетону;

если ξs < ξb, то - по арматуре; при ξs = ξb происходит одновременное разрушение по бетону и арматуре.

При разрушении по арматуре (5.2) подставляется в (5.1), и разрушающий момент будет равен:

(5.4)

5.3.5. Прочность опорных сечений на срез вычисляется по формуле:

(5.5)

где a/h0 - пролет среза;

ξ - относительная высота сжатой зоны, определяемая по формуле (5.3).

5.4. Расчет жесткости (прогибов) изгибаемых элементов

Прогиб армированных элементов, обусловленных деформацией изгиба, определяют по формуле:

(5.6)

где  - изгибающий момент в сечении х от действия одиночной силы, приложенной по направлению искомого перемещения элемента по длине пролета l, для которого определяют прогиб.

Кривизна прямоугольного элемента  над трещиной определяется по формуле:

(5.7)

где

(5.8)

а ξ определяется по формуле (5.2).

Минимальная жесткость элемента:

(5.9)

Максимальная жесткость (по сечению между трещинами):

(5.10)

где

(5.11)

и

(5.12)

причем

Жесткость при изгибающем моменте М определяется по формуле:

(5.13)

где

(5.14)

Mult - разрушающий момент по формуле (5.1)

Мcr - момент трещинообразования

(5.15)

где

(5.16)

5.5. Расчет на образование и раскрытие трещин

5.5.1. Момент трещинообразования рассчитывается по формуле:

(5.17)

где e1 определяется по формуле (5.11), a ξ1 - по формуле (5.12).

5.5.2. Ширина раскрытия трещин определяется по формуле:

(5.18)

где ξ находится из зависимости (5.2), a Bmin - из зависимости (5.9).

5.6. Основные конструктивные требования

5.6.1. Минимальные размеры сечений железобетонных элементов из ячеистых бетонов, определяемые из расчета по действующим усилиям и соответствующим группам предельных состояний, должны назначаться с учетом экономических требований, необходимости унификации опалубочных форм и армирования, а также условий принятой технологии изготовления конструкций. Кроме того, размеры сечения элементов железобетонных конструкций должны приниматься такими, чтобы соблюдались требования в части расположения арматуры в сечении (толщины защитных слоев бетона, расстояния между стержнями и т. п.) и анкеровки арматуры.

5.6.2. Минимальная толщина сборных железобетонных плит из ячеистых бетонов должна определяться из условия обеспечения требований к расположению арматуры по толщине плиты и соблюдения требуемой толщины защитных слоев бетона согласно п. 5.6.5. Гибкость l0/i сжатых бетонных и железобетонных элементов из ячеистых бетонов следует принимать не более 70.

5.6.3. При проектировании конструкций из ячеистых бетонов необходимо избегать резкого изменения размеров сечений элементов, образования гнезд, четвертей, а если же они неизбежны, то все входящие углы должны быть армированы.

5.6.4. Защитный слой бетона для рабочей арматуры должен обеспечивать совместную работу арматуры с бетоном на всех стадиях работы конструкций, а также защиту арматуры от внешних атмосферных, температурных и т. п. воздействий.

5.6.5. Толщина защитного слоя бетона принимается не менее диаметра рабочей арматуры и не менее, мм:

- 25 - для продольной рабочей арматуры в однослойных элементах конструкций и 15 - для арматуры внутренних перегородок при средней плотности ячеистого бетона более 1000 кг/м3;

- 15 - для поперечных стержней сварных каркасов плит перекрытий и стеновых панелей;

- 10 - для анкерной арматуры;

В изгибаемых и внецентренно сжатых элементах концы продольных стержней ненапрягаемой арматуры должны отстоять от торца элемента не более чем на 10 мм.

5.6.6. Расстояния в свету между стержнями арматуры по высоте и ширине сечения должны обеспечивать совместную работу арматуры с бетоном и назначаться с учетом удобства укладки бетонной смеси. Минимальное расстояние в свету между стержнями продольной сжатой арматуры и продольной растянутой арматуры принимается не менее трех диаметров и не менее 50 мм. При стесненных условиях допускается располагать стержни арматуры попарно (без зазора между ними) таким образом, чтобы при бетонировании горизонтальные спаренные стержни находились один над другим.

Примечание. Расстояние в свету между стержнями периодического профиля принимается по номинальному диаметру без учета выступов и ребер.

5.6.7. Расстояние между поперечными анкерными стержнями в свету принимается не менее 50 мм; расстояние от начала опасной наклонной трещины до ближайшего расчетного анкерного (поперечного) стержня принимается не менее 100 мм (рисунок 5.2).

а) - вариант, при котором два или большее число расчетных анкерующих стержней, располагающихся в
пределах опорного участка, приваривают с одной стороны продольных рабочих стержней;
б) - вариант, при котором эти же анкерующие стержни привариваются с двух сторон продольных рабочих стержней;
1 - расчетные анкерующие стержни; 2 - наклонная трещина.

Рисунок 5.2 - Примеры анкеровки арматуры плит из ячеистого бетона
на опорах растянутых стержней

5.6.8. Анкеровка рабочей арматуры, расположенной в однослойных элементах конструкций, производится с помощью приваренных к ней поперечных стержней. Число и диаметр анкерующих поперечных стержней определяется расчетом. Найденное по расчету число анкерующих поперечных стержней размещается на участках от торца элемента до начала наиболее опасного наклонного сечения (см. рисунок 5.2). При этом расстояние между поперечными стержнями устанавливается в соответствии с п. 5.6.7, а расстояние от конца анкеруемых стержней до первого поперечного стержня принимается не более 10 мм. В пределах опорного участка изгибаемых элементов (за гранью опоры) располагается не менее двух расчетных поперечных стержней. Длина опорного участка изгибаемых элементов принимается не менее 1/100 их длины и не менее 7 см. Если по расчету установка поперечных анкерных стержней не требуется, то по конструктивным требованиям к каждому продольному стержню приваривается хотя бы один поперечный анкерный стержень. При невозможности выполнить условия настоящего пункта, а также для повышения степени надежности заделки концов растянутых рабочих стержней (если это требуется по расчету) на их концах предусматриваются специальные анкеры, устанавливаемые по расчету на смятие бетона под анкерами.

5.6.9. Для обеспечения анкеровки всех продольных стержней арматуры, заводимых за грань опоры, на крайних свободных опорах изгибаемых элементов должны выполняться следующие требования:

а) если соблюдается условие (44) [1], длина запуска растянутых стержней за внутреннюю грань свободной опоры должна составлять не менее 5 d и не менее 7 см;

б) если условие (44) [1] не соблюдается, длина запуска стержней за внутреннюю часть свободной опоры должна быть не менее 10 d.

5.6.10. Для армирования элементов конструкций из ячеистого бетона ненапрягаемой арматурой должна предусматриваться только сварная арматура в виде плоских сеток или объемных каркасов. Арматура в виде отдельных стержней или вязаных каркасов допускается к применению для работы на местные усилия (например, в углах проемов и т.п.). Устройство крюков на концах рабочих стержней не рекомендуется. Минимальный процент продольной рабочей арматуры (от площади сечения бетона) железобетонных конструкций из ячеистого бетона принимается не менее:

- для продольной арматуры S в изгибаемых и внецентренно сжатых элементах при расчете на основные нагрузки - 0,05;

- то же, при расчете по прочности в плоскости стены, а также на собственный вес при распалубке и монтаже - 0,03;

- для конструктивной арматуры S и S1, устанавливаемой без расчета в сжатых и изгибаемых элементах, - 0,02.

Число стержней сжатой и растянутой рабочей арматуры в плитах должно быть не менее трех на 1 м ширины плиты. Сжатая арматура, вводимая в расчет элементов из ячеистого бетона классов В5 и ниже, принимается диаметром не менее 6 мм.

5.6.11. В однослойных элементах из ячеистого бетона максимальный диаметр рабочей арматуры не должен превышать, мм: 16 - при бетоне классов В10 и ниже и 20 - при бетоне классов В12,5 и выше.

5.6.12. У всех поверхностей железобетонных элементов, вблизи которых ставится продольная арматура, предусматривается также поперечная арматура, охватывающая крайние продольные стержни.

Расстояние между стержнями поперечной арматуры, устанавливаемой конструктивно параллельно поверхностям плит и между поперечной арматурой в виде вертикальных хомутов в плитах и панелях, должно быть не более 600 мм и не более удвоенной ширины грани элемента.

В стеновых панелях высотой более 600 мм допускается увеличивать расстояние между конструктивными вертикальными стержнями в центре пролета (на расстояние 1/4 от опор) до 1200 мм.

При армировании элементов каркасами-лесенками расстояние между поперечными конструктивными стержнями в каркасах должно быть не более удвоенной высоты поперечного стержня, не более 500 мм и не более 40d.

5.6.13. Расстояние между стержнями поперечной арматуры, определяемое расчетом на поперечную силу, устанавливается в соответствии с этим расчетом, но не менее указанного в п. 5.6.12.

5.6.14. Устройство стыков рабочей арматуры внахлестку без сварки, а также обрыв стержней рабочей арматуры в пролете изгибаемых элементов и по высоте внецентренно сжатых элементов из ячеистого бетона не рекомендуется.

Допускается стыкование сварных сеток внахлестку не в рабочем направлении (например, в поперечном для балочных плоских плит).

5.6.15. Сварные соединения арматуры и закладных деталей в конструкциях из ячеистого бетона производят в соответствии с п.п. 5.32 - 5.41 СНиП 2.03.01-84.

5.6.16. Стыки сборных элементов из ячеистых бетонов выполняются с учетом требований п.п. 5.42 - 5.45 СНиП 2.03.01-84.

5.6.17. При проектировании однослойных элементов конструкций из ячеистых бетонов необходимо выполнять конструктивные требования в соответствии с п.п. 5.47 - 5.52 СНиП 2.03.01-84.

5.6.18. Минимальная ширина (длина) простенков в крупноблочных зданиях из ячеистобетонных элементов принимается не менее 60 см в несущих и не менее 30 см в самонесущих стенах; в самонесущих стеновых панелях из ячеистого бетона размером на комнату рекомендуется минимальная ширина простенка 60 см.

5.6.19. Стеновые панели высотой в один этаж при наличии в них проемов следует армировать каркасом по контуру проемов.

5.6.20. При устройстве в панелях уступов для опирания на них перемычек уступы должны армироваться двумя стержнями или сетками; диаметр стержней принимается не менее 8 мм.

5.6.21. Усиление опорных сечений внецентренно сжатых элементов конструктивной арматурой осуществляется установкой у торца элемента сварных сеток числом не менее двух при расстояниях между ними по высоте не более 7 см. Диаметр стержней принимается не менее 4 мм, размер ячейки - не менее 7 см, толщина защитного слоя сетки у торцов панели должна быть не более 20 мм.

5.7. Учет совместной работы плит перекрытий

5.7.1. При расчете по деформациям сборного перекрытия, образованного плитами с соотношением длины к ширине более 3, соединенных друг с другом замоноличенным швом из раствора, необходимо учитывать их совместную работу от действия сосредоточенной нагрузки, расположенной в пределах одной плиты.

5.7.2. Учет совместной работы плит перекрытий выполняется умножением сосредоточенной нагрузки Р на коэффициент Ку, определяемый по формуле:

(5.19)

где Вп - жесткость n-го настила перекрытия;

Вi - суммарная жесткость настилов, участвующих в совместной работе;

туп - коэффициент условий работы n-го настила в сборном перекрытии, принимаемый по таблице 5.2.

5.7.3. При действии нагрузки Р на два соседних настила, следует половину нагрузки, приходящейся на каждый из них, перераспределить на остальные по схеме I таблицы 5.2 и коэффициент Ку рассчитывать по формуле 5.19.

Таблица 5.2 - Коэффициент условий совместной работы плит сборного перекрытия

Схема приложения нагрузки в поперечном сечении сборного перекрытия

Коэффициент условия работы для плит mуп

П 1

П 2

П 3

1

1,8

0,9

0,3

2

0,95

1,1

0,95

3

0,95

1,1

0,95

5.8. Расчет платформенных стыков опирания ячеистобетонных стен на перекрытия

5.8.1. Расчет опорных (платформенных) сечений бетонных панелей или блоков однорядной разрезки (в зонах, примыкающих к горизонтальным швам) производится с учетом прочности раствора швов, их толщины и глубины опирания плит перекрытий. Прочность раствора при монтаже стен в летних и зимних условиях принимается согласно СП 82-101.

5.8.2. Опорные сечения ячеистобетонных стеновых панелей (блоков) в зоне горизонтальных швов для плит перекрытий не из ячеистых бетонов рассчитываются по формуле:

(5.20)

где α, Rb и Аk - по формуле (1.1) настоящего СТО;

μ0 - коэффициент условий работы шва плит перекрытий из ячеистых бетонов при соблюдении условия

(5.21)

где Rb2 - расчетная призменная прочность бетона плит перекрытий, принимаемая по таблице 4.4 настоящего СТО (часть I);

5.8.3. При контактном стыке панелей или блоков (рисунок 5.3а), а также при одностороннем платформенном опирании, когда вертикальная нагрузка в стыке передается по всей толщине стены только через торцевую часть перекрытий (рисунок 5.3б) коэффициент μ0 равен коэффициенту μ1 определяемому по формуле:

(5.22)

где χ1 - коэффициент, зависящий от толщины шва и прочности раствора

(5.23)

где R2 - класс раствора по прочности на сжатие;

R1 - класс ячеистого бетона стеновых панелей (блоков), определяемый в соответствии с ГОСТ 10180;

t - толщина растворного шва;

h - толщина стеновой панели (блока).

При платформенном двухстороннем опирании перекрытий, когда зазор между панелями перекрытий заполнен раствором или бетоном (рисунок 5.3в), коэффициент μ0 = μ2, определяемому по формуле:

(5.24)

где A1 - суммарная площадь опорных участков перекрытий;

А - полная площадь поперечного сечения бетона стеновой панели или блока;

R3 - класс бетона (раствора) по прочности на сжатие замоноличивания полостей между торцами панелей перекрытий;

R4 - класс бетона бетона панелей перекрытий, определенная в соответствии с ГОСТ 10180;

χ2 - коэффициент, равный:

- 1,0 - при сборно-монолитном соединении панелей перекрытий;

- 0,9 - при заполнении зазора между торцами перекрытий раствором.

При комбинированном опирании, когда вертикальная сила передается частично через торцевую часть перекрытия, а частично непосредственно от панели на панель (рисунок 5.3г), коэффициенту μ0 = μ3, определяемому по формуле:

(5.25)

где d1 - глубина опирания перекрытия на панели стен;

d3 - глубина непосредственного контакта стеновых панелей.

a - стык контактный; б - одностороннее платформенное опирание с перекрытием,
заведенным на всю толщину стены; в - стык платформенный;
г -стык с комбинированным опиранием

Рисунок 5.3 - Опорные сечения стен из панелей (блоков)

Примечание. Если торцы плит перекрытий не вертикальны, то прочность стеновых панелей (блоков) должна быть проверена с учетом коэффициента μ0 в двух уровнях - под перекрытием над ним.

5.8.4. В случае применения плит перекрытий из ячеистого бетона в формулу (5.20) вводится дополнительный коэффициент условий работы, принимаемый равным:

(5.26)

5.8.5. Плиты перекрытия из пустотных настилов с тщательной заделкой опорных участков настила бетоном в заводских условиях допускается применять в зданиях высотой менее девяти этажей. Коэффициент условий работы стыка μ0, учитываемый при расчете опорных сечений панелей, определяется согласно п. 5.8.3 с умножением на дополнительный понижающий коэффициент 0,7; при этом величина коэффициента μ0 должна быть не более 0,55. В случаях, когда торцы опорных участков пустотных настилов не заделываются или имеют несовершенную заделку (закладка кирпичом), дополнительный понижающий коэффициент принимается равным 0,4.

5.8.6. В бетонных стеновых панелях, имеющих оконные проемы, при расчете сечений, расположенных на уровнях перекрытий (горизонтальных стыков) допускается учитывать распределение усилий с простенков панелей на перемычки. В этом случае расчетная ширина панели в зоне горизонтального шва принимается равной:

(5.27)

где b - ширина простенка здания;

h1 и h2 - высота перемычек, смежных в стыке панелей.

5.8.7. Расчет опорных сечений стен из железобетонных элементов, примыкающих к горизонтальным растворным монтажным швам и не имеющих специального косвенного армирования, в соответствии с п. 5.25 [1] производит так же, как бетонных элементов согласно п. 1.5 [1].

5.8.8. При наличии специального косвенного армирования в бетонных и железобетонных стеновых панелях необходимо учитывать следующее:

а) для бетонных и железобетонных панелей (блоков), нижний и верхний участок которых усилены поперечными сетками, при расчете опорных сечений (в зоне горизонтальных швов) в формуле (5.20) вместо Rb, принимается приведенное расчетное сопротивление бетона Rbr (с учетом армирования), определяемое по формуле:

(5.28)

б) при армировании растворного шва сеткой разрешается принимать

в) при косвенном (сетчатом) армировании торцов стеновых железобетонных панелей (блоков) допускается учитывать влияние продольного армирования панелей (блоков) на несущую способность панелей (блоков) в опорном сечении.

В этом случае приведенное расчетное сопротивление опорных участков с учетом армирования Rbr - определяется по формуле:

(5.29)

где Rb - расчетная призменная прочность бетона панели (блока) по таблице 4.4 настоящего СТО (часть I);

μ - процент армирования продольной арматуры;

Rs - расчетное сопротивление продольной арматуры;

Rsn - расчетное сопротивление косвенной арматуры;

μп - процент косвенного армирования (по объему), для сеток с квадратными ячейками из арматуры сечением Аsn с размером ячейки сn при расстоянии между сетками по высоте S, равный:

(5.30)

г) поперечное армирование учитывается при прочности раствора в швах не менее 2,5 МПа (25 кгс/см2) и при толщине шва не более 20 мм.

При толщине монтажного шва 30 мм и более его также необходимо армировать сеткой;

д) продольное и поперечное армирование сжатых элементов необходимо выполнять в соответствии с конструктивными требованиями, приведенными в разделе 5 [1].

5.9. Расчет междуэтажных перекрытий на звукоизоляцию

5.9.1. Нормируемыми параметрами звукоизоляции междуэтажных перекрытий жилых и общественных зданий являются индексы изоляции воздушного шума Rw, дБ и индексы приведенного уровня ударного шума Lnw.

5.9.2. Нормативные значения индексов изоляции воздушного шума и индексы приведенного уровня ударного шума под перекрытиями Lnw приведены в СНиП 23-03 и СП 23-101.

5.9.3. Индекс изоляции воздушного шума однослойными перекрытиями следует определять на основании расчетной частотной характеристики изоляции воздушного шума по методике, изложенной в СП 23-103.

5.4.9. Допускается при ориентировочных расчетах определять индекс воздушного шума однослойными массивными ограждающими конструкциями с поверхностной плотностью от 100 до 800 кг/м2 непосредственно без построения расчетной частотной характеристики по формулам приведенной в СП 23-103.

5.9.5. Индекс приведенного уровня ударного шума под перекрытиями ориентировочно можно определять по СП 23-103 исходя из учета поверхностной плотности перекрытия по формуле:

дБ

(5.31)

где Lnw0 - индекс приведенного уровня ударного шума для несущей плиты перекрытия, дБ, принимается по таблице 5.3;

ΔLnw0 - индекс снижения приведенного уровня ударного шума, дБ, за счет пола на звукоизоляционном слое, принимаемый по методике изложенной в СП 23-103.

5.9.6. В таблице 5.4 приведены ориентировочные расчетные индексы изоляции воздушного шума  и приведенного уровня ударного шума под перекрытиями Lnw0, выполненных из ячеистого бетона имеющего марку по плотности D600, D800 без учета снижения индекса воздушного и ударного шума за счет пола и звукоизоляционного слоя.

5.9.7. Для обеспечения нормируемых параметров звукоизоляции проектируемых помещений от ударного шума под пол по перекрытию необходимо уложить звукоизоляционный слой (например, изолон или другую изоляционную прокладку).

Таблица 5.3 - Индекс ударного шума под несущей плитой перекрытия

Поверхностная плотность несущей плиты перекрытия, кг/м3

Значения Lnw0, дБ

150

86

200

84

250

82

300

80

350

78

400

77

450

76

500

75

550

74

600

73

Примечания

1 При подвесном потолке из листовых материалов (ГКЛ, ГВЛ и т.п.) из значений Lnw0 вычитается 1 дБ.

2 При заполнении пространства над подвесным потолком звукопоглощающим материалом из значений Lnw0 вычитается 2 дБ.

 

Таблица 5.4 - Индексы изоляции воздушного шума и приведенного уровня ударного шума по перекрытиям

Марка газобетона по плотности

Средняя плотность перекрытия при равновесной влажности 10 %, кг/м3

Толщина перекрытия h, мм

Поверхностная плотность плиты перекрытия, кг/м2

Ориентировочный расчетный индекс под перекрытием

изоляции воздушного шума , дБ

ударного шума без звукоизоляционного слоя Lnw0, дБ

D600

710

240

170

52

85

D800

930

240

223

54

83

 

5.10. Требования при проектировании покрытий и их расчет на теплопередачу

Проектирование крыш следует производить с учетом:

- климатических особенностей района строительства (зимняя и летняя температура наружного воздуха, количество атмосферных осадков, скорость ветра);

- особых условий строительства (сейсмичность, вечная мерзлота, наличие просадочных грунтов);

- характеристик здания (назначение, высота, температурно-влажностный режим и др.);

- технических возможностей строительно-монтажных организаций.

5.10.1. Теплотехнический расчет крыш и покрытий из ячеистобетонных панелей производится в соответствии с указаниями главы СНиП 23-02 и СП 23-101 исходя из нормируемого удельного расхода тепловой энергии на отопление здания за отопительный период.

5.10.2. При расчете покрытий зданий на теплопередачу с теплыми чердаками расчетная температура воздуха на чердаке определяется по СП 23-101.

5.10.3. Сопротивление теплопередаче R0, м·°С/Вт покрытий допускается принимать не менее 0,8 Rreq, где Rreq м·°С/Вт - нормируемое максимальное значение сопротивления теплопередаче покрытий, приведенное в СНиП 23-02 (таблица 4).

5.10.4. Крыши с применением ячеистобетонных панелей по своему конструктивному решению могут быть бесчердачными (совмещенными) и чердачными (с холодным или теплым чердаком).

5.10.5. Бесчердачные крыши из ячеистобетонных панелей, совмещающих несущие и теплоизоляционные функции, рекомендуется устраивать в жилых, высотой до четырех этажей включительно, и общественных зданиях.

5.10.6. При устройстве бесчердачных крыш можно применять невентилируемые и вентилируемые ячеистобетонные панели покрытия; выбор той или иной конструкции зависит от микроклимата помещения (таблица 5.5).

5.10.7. Невентилируемые ячеистобетонные панели покрытий можно применять во всех строительно-климатических зонах при условии, что эксплуатационная влажность в помещении составляет ω ≤ 60 %. Отпускная влажность по массе бетона на песке не должна превышать 25 %.

5.10.8. Вентилируемые ячеистобетонные панели рекомендуется применять при условии, что 60 % < ω < 70 %. Отпускная влажность по массе должна быть в пределах:

- для бетонов на песке - более 25 %.

- для золобетонов - более 35 %.

Панели покрытия из золобетона рекомендуется выполнять только с вентилирующими каналами.

Таблица 5.5 - Вид панелей покрытия в зависимости от микроклимата помещений

Температура помещения

Рекомендуемый вид панелей покрытия для помещения с относительной влажностью воздуха ω, %

40

50

60

70

18

Невентилируемые

Невентилируемые

Невентилируемые

Невентилируемые

25

Вентилируемые

Вентилируемые

 

5.10.9. Вентилирующие каналы устраивают, как правило, в верхней зоне панели, параллельно ее нижней поверхности и располагают на расстоянии 200 - 250 мм друг от друга (по осям каналов). Диаметр канала следует принимать равным 50 мм.

5.10.10. Вентилируемые панели рекомендуется располагать, как правило, поперек здания. При длине здания или секции не более 25 м, вентилирующие панели допускается располагать вдоль здания.

5.10.11. При теплотехнических расчетах бесчердачных покрытий с внутренним водоотводом в виде уклона к середине здания на расчетную толщину панели переменного сечения следует принимать ее минимальное значения без учета наличия вентилирующих каналов.

5.10.12. При теплотехнических расчетах бесчердачных покрытий с наружным водоотводом и поперечным расположением панелей за расчетную толщину покрытия принимается расстояние от потолка до оси вентилирующего канала, считая от внутренней грани наружной стены.

5.10.13. Расчет толщины ячеистобетонных панелей для бесчердачных покрытий и их дополнительного утепления производится в зависимости от температуры наружного воздуха и расчетной средней температуры внутреннего воздуха здания с обеспечением нормативных требований по сопротивлению теплопередаче (п. 5.10.3).

5.10.14. Чердачные крыши с холодным чердаком рекомендуются для жилых зданий высотой пять и более этажей и выполняются из ячеистобетонных панелей постоянной толщины, совмещающих несущие и теплоизолирующие функции.

5.10.15. Ячеистобетонные панели для чердачных крыш рекомендуется применять при ω < 75 %. Отпускная влажность по массе не должна превышать:

- для бетонов на песке 25 %;

- для золобетонов ¼¼35 %.

5.10.16. Расчет толщины ячеистобетонных панелей для чердачных крыш с холодным чердаком производится в зависимости от температуры наружного воздуха (таблица 5.6).

Таблица 5.6 - Толщины ячеистобетонных панелей чердачных крыш с холодным чердаком

γ, кг/м3

Условия эксплуатации

Толщина панели, δ, см

Условия эксплуатации

А

Б

А

Б

Коэффициент теплопроводности λ, Вт/м2 °С

Температура наружного воздуха t, °C

600

0,19

0,22

20

33

29

25

42

36

30

41

43

35

60

51

700

0,24

0,27

20

28

25

25

33

30

30

39

35

35

46

41

 

5.10.17. Чердачные крыши с теплым чердаком рекомендуются для жилых зданий высотой девять и более этажей. В пятиэтажных зданиях такие крыши допускается устраивать только при соответствующем технико-экономическом обосновании.

5.10.18. Крыша с теплым чердаком состоит из чердачного перекрытия, наружных стен и покрытия. Последнее рекомендуется выполнять из невентилируемых ячеистобетонных панелей, совмещающих несущие и теплозащитные функции.

5.10.19. Ячеистобетонные панели покрытия для крыш с теплым чердаком рекомендуется выполнять постоянного сечения с плоской верхней поверхностью.

Приложение А

(обязательное)

Перечень основных нормативных документов, на которые имеются ссылки в тексте

СН 277-80 Инструкция по изготовлению изделий из ячеистого бетона

СНиП 2.03.01-84 Бетонные и железобетонные конструкции

СНиП 2.03.11-85 Защита строительных конструкций от коррозии

СНиП 23-02-2003 Тепловая защита зданий

СНиП 23-03-2003 Защита от шума

СНиП 52-01-03 Бетонные и железобетонные конструкции. Общие положения

СП 23-101-2004 Проектирование тепловой защиты зданий

СП 23-103-2003 Проектирование звукоизоляции ограждающих конструкций жилых и общественных зданий

СП 82-101-98 Приготовление и применение растворов строительных

СТО 501-52-01-2007 Проектирование и возведение ограждающих конструкций жилых и общественных зданий с применением ячеистых бетонов в Российской Федерации

ГОСТ 10180-90 Бетоны. Методы определения прочности по контрольным образцам

ГОСТ 10884-94 Сталь арматурная термомеханически упрочненная для железобетонных конструкций. Технические условия

ГОСТ 10922-90 Арматурные и закладные изделия сварные, соединения сварные арматуры и закладных изделий железобетонных конструкций. Общие технические условия

ГОСТ 11024-84 Панели стеновые наружные бетонные и железобетонные для жилых и общественных зданий. Общие технические условия

ГОСТ 11118-73 Панели из автоклавных ячеистых бетонов для наружных стен зданий. Технические требования

ГОСТ 12.1.007-76 Система стандартов безопасности труда. Вредные вещества. Классификация и общие требования безопасности

ГОСТ 12504-80* Панели стеновые внутренние бетонные и железобетонные для жилых и общественных зданий. Общие технические условия

ГОСТ 13015-2003 Изделия железобетонные для строительства. Общие технические требования. Правила приемки, маркировки, транспортирования и хранения.

ГОСТ 18105-86 Бетоны. Правила контроля прочности

ГОСТ 19010-82 Блоки стеновые бетонные и железобетонные для зданий. Общие технические условия

ГОСТ 19570-74 Панели из автоклавных ячеистых бетонов для внутренних несущих стен, перегородок и перекрытий жилых и общественных зданий. Технические требования

ГОСТ 23009-78* Конструкции и изделия бетонные и железобетонные сборные. Условные обозначения (марки)

ГОСТ 23279-85 Сетки арматурные сварные для железобетонных конструкций и изделий. Общие технические условия

ГОСТ 23858-79 Соединения сварные стыковые и тавровые арматуры железобетонных конструкций. Ультразвуковые методы контроля качества. Правила приемки

ГОСТ 26254-84 Здания и сооружения. Методы определения сопротивления теплопередаче ограждающих конструкций

ГОСТ 27296-87 Защита от шума в строительстве. Звукоизоляция ограждающих конструкций. Методы измерения

ГОСТ 380-94 Сталь углеродистая обыкновенного качества. Марки

ГОСТ 5631-79 Лак БТ-577 и краска БТ-177. Технические условия

ГОСТ 5781-82 Сталь горячекатаная для армирования железобетонных конструкций. Технические условия

ГОСТ 6727-80 Проволока из низкоуглеродистой стали холоднотянутая для армирования железобетонных конструкций. Технические условия

ГОСТ 8478-81 Сетки сварные для железобетонных конструкций. Технические условия

Приложение Б

(обязательное)

Таблица Б1 - Указатель обозначений основных символов

Обозначение

Расшифровка обозначения

Единицы измерения

В

Класс бетона по прочности на сжатие

МПа

D

Марка бетона по плотности

кг/м3

F

Марка по морозостойкости

количество циклов

А

Площадь сечения бетона в наиболее напряженной зоне

м2

k

Коэффициент использования площади

безразмерный

Rb

Расчетное сопротивление ячеистого бетона сжатию

МПа

δе

Относительный опорный эксцентриситет продольной силы

 

Ncr

Условная критическая сила

кН

N1

Продольная сила от действия постоянных и длительных нагрузок

кН

N

Продольная сила от действия постоянных, длительных и кратковременных нагрузок

кН

l0

Расчетная длина элемента

м

v

Коэффициент Пуассона (поперечного расширения) ячеистого бетона

безразмерный

lx, ly

Длина стержней

м

s

Шаг горизонтальных сеток

м

Rsw

Расчетные сопротивления косвенной (поперечной) арматуры

МПа

Asx, Asy

Площадь поперечного сечения одного стержня сетки того и другого (перпендикулярного) направления

м2

Удельный расход тепловой энергии на отопление здания

кДж/м2·°С·сут

Нормируемый удельный расход тепловой энергии на отопление здания

кДж/м2·°С·сут

Rmin

Минимальное сопротивление теплопередаче стены

м2·оС/Вт

Rreq

Величина нормируемого приведенного сопротивления теплопередаче стены

м2·оС/Вт

P

Опорная реакция перемычки (нагрузки от собственного веса перемычки, веса вышележащей стены и нагрузки от перекрытия)

кН

Rsh

Расчетное сопротивление ячеистого бетона срезу

МПа

A

Площадь опорной площадки в блоке или панели из ячеистого бетона под концом перемычки

м2

Rw

Индекс изоляции воздушного шума

дБ

Mult

Предельный изгибающий момент

кН·м

Bmin

Минимальная жесткость элемента

 

Mcr

Момент трещинообразования

кН·м

acrc

Ширина раскрытия трещин

м

χ1

Коэффициент, зависящий от толщины шва и прочности раствора

безразмерный

A1

Суммарная площадь опорных участков перекрытий

м2

Lnw

Индекс приведенного уровня ударного шума

дБ

Приложение В

(рекомендательное)

Выбор толщины стен из газобетонных панелей домов серии 600.11
для различных регионов РФ

1. Выбор толщины стен жилых 5-, 10-, 19-этажных домов серии 600.11 (Санкт-Петербург) осуществляется на основании расчета удельного расхода тепловой энергии  на отопление за отопительный период согласно СНиП 23-02.

2. При расчете этих домов принимаются их геометрические показатели, приведенные в таблице В1.

3. Расчет удельного расхода тепловой энергии  выполняется для регионов РФ с отопительным периодом 2000 ÷ 10000 градусо-суток по методике, изложенной в СНиП 23-02.

4. Нормативные теплоэнергетические показатели ограждающих конструкций зданий согласно СНиП 23-02 приведены в таблице В2.

5. Расчетные сопротивления теплопередаче газобетонных стен марки по плотности D600 принимаются исходя из равновесной влажности при условиях эксплуатации А - 5 %, Б - 6 % и коэффициентах теплопроводности, соответственно, λ = 0,16 и λ = 0,18, Вт/м2·°С с коэффициентом теплотехнической однородности r = 0,95 (таблица В2).

6. При расчете удельного расхода тепловой энергии  не учитывались теплопоступления Qs через окна от солнечной радиации в течение отопительного периода (в запас расхода тепловой энергии), т.к. они должны рассчитываться по месту строительства, для северных регионов они могут уменьшить  на 5 - 7 %, для южных на 10 - 14 %.

7. Расчетные удельные расходы тепловой энергии  на отопление 5-, 10-, 19-этажных зданий, расположенных в рассматриваемых регионах РФ, приведены в таблице В3.

8. Из таблицы В3 следует, что в 5-, 10-, 19-этажных домах при толщине наружных стен 0,32 м расчетные удельные расходы тепловой энергии  меньше нормируемых  для всех климатических зон, включая зоны с Dd 6000 ÷ 10000 градусо-суток отопительного периода для которых принимаемые расчетные сопротивления теплопередаче стен Rw < Rmin - нормативных.

9. Полученные расчетные отклонения  от нормативных  (таблица В3) позволяют отнести 5-и, 10-этажные дома к классу С (нормальные) для всех климатических зон; 19-этажные дома - к классу А (высокий) для зон с Dd = 2000 ÷ 4000 °C и к классу С (нормальный) с Dd = 4000÷10000 °C.

Таблица В1 - Геометрические показатели зданий

Показатель

Обозначение и размерность показателя

Значение показателя

1.

Назначение здания - по преобладающей функции его помещений

 

Жилое здание

Жилое здание

Жилое здание

2.

Размещение здания в постройке - отдельно стоящее

 

5 этажей

10 этажей

19 этажей

3.

Тип здания

 

4-х секционное

3-х секционное

5-и секционное

4.

Конструкции наружных стен

 

газобетонные панели

5.

Площадь наружных ограждающих конструкций:

5.1. Суммарная площадь наружных ограждающих конструкций отапливаемой части здания, включая покрытие, (перекрытие) верхнего этажа и перекрытие (пол) нижнего отапливаемого этажа

, м2

6387

6771

17348

5.1.1. Стен, за исключением окон, балконных и входных дверей, ворот

Аw, м2

3110,86

3706,95

9996,27

5.1.2. Окон, светопрозрачной части балконных дверей, вертикального остекления фонарей

AF1, м2

605,61

909,72

3622,9

5.1.3. Глухой части балконных дверей

AF2, м2

69,3

60

189

5.1.4. Входных дверей и ворот

Aed, м2

23,73

165,69

55,97

5.1.5. Чердачных перекрытий холодных чердаков

Ас, м2

1127,6

856

1564

5.1.6. Перекрытий над теплыми подвалами, цокольными этажами, подпольями

Afl, м2

1127,6

856

1564

5.1.7. Стен подземной части подвалов, цокольных этажей, подполий

Af2, м2

320,99

216,21

356,7

6.

Площадь отапливаемых помещений:

 

 

 

 

Жилая часть

Ah, м2

5638

8560

29716

Подвал

Ah2, м2

1127,6

856

1564

7.

Для жилых зданий и общежитий - суммарная площадь: общих комнат (гостиных) и спален, кухонь

Аl, м2

2819,39

4133,6

12099,6

8.

Строительный объем отапливаемой части здания, равный объему, ограниченному внутренними поверхностями ограждений отапливаемой части

Vh, м2

18131,8

27563,2

89210,56

Жилая часть

, м2

15222,6

25354,72

85300,56

9.

Коэффициент остекленности фасадов здания

Р, м2

0,15

0,19

0,26

10.

Показатель компактности здания

, м2

0,33

0,29

0,19


Таблица В2 - Теплоэнергетические показатели здания

Градусо-сутки отопительного периода, Dd, °С·сут

Сопротивление теплопередаче ограждающих конструкций, м2·°С/Вт

стены

окна

подвал теплый

чердак холодный

балконы, двери глухие

входные двери

нормируемые

расчетные, Rw

нормируемые

расчетные, RF1

нормируемые

расчетные, Rf1

нормируемые

расчетные, Rc

нормируемые

расчетные, RF2

нормируемые

расчетные, Rred

толщина стены, м

0,24

0,32

зоны

зоны

Rreq

А

Б

А

Б

2000

1,3

2,1

1,49

1,36

1,93

1,76

0,3

0,56

2,8

2,8

2,8

2,8

0,45

0,45

0,8

0,8

4000

1,76

2,8

1,49

1,36

1,93

1,76

0,45

0,56

2,90

2,90

3,7

3,7

0,67

0,67

1,21

1,21

6000

2,20

3,5

1,49

1,36

1,93

1,76

0,6

0,56

2,7

2,7

4,6

4,6

0,9

0,9

1,4

1,4

8000

2,65

4,5

1,49

1,36

1,93

1,76

0,7

0,7

2,2

2,2

5,5

5,5

1,05

1,05

1,6

1,6

10000

3,09

4,9

1,49

1,36

1,93

1,76

0,75

0,75

1,9

1,9

6,4

6,4

1,12

1,12

1,9

1,9

Таблица В3 - Расход тепловой энергии на отопление зданий

Градусо-сутки отопительного периода, Dd, °С·сут

Сопротивление теплопередаче

Общие теплопотери здания за отопительный период Qh, МДж

Бытовые теплопоступления за отопительный период Qint, МДж

Расход тепловой энергии на отопление здания за отопительный период , МДж

Расчетный удельный расход тепловой энергии на отопления здания , кДж/м2·°С

Нормативный удельный расход тепловой энергии на отопление здания , кДж/м2·°С

Отклонение расчетных удельных расходов тепловой энергии от нормативного, %

Допустимая величина отклонения от  для зданий относящихся по энергетической эффективиости к классу С (нормальный), %

Допустимая толщина наружных стен при нормативном расходе тепловой энергии, м

стены, Rw., м2·°С/Вт

окна, м2·°С/Вт

толщина стены, м

0,24

0,32

зона

зона

зона

зона

зона

зона

зона

зона

А

Б

А

Б

А

Б

А

Б

А

Б

А

Б

А

Б

А

Б

1

2

3

4

5

6

8

9

10

11

12

13

14

15

16

17

18

19

20

21

5-этажный дом

2000

 

 

1,93

1,76

0,56

1,076·106

1,103·106

3,617·105

3,617·105

9,056·105

9,36·105

80,314

83,011

85

-5,512

-2,341

5 ÷ (-9)

0,32

0,32

4000

 

 

1,93

1,76

0,56

2,078·106

2,132·106

6,577·105

6,577·105

1,784·106

1,845·106

79,094

81,79

-6,948

-3,776

0,32

0,32

6000

 

 

1,93

1,76

0,56

3,056·106

3,137·106

7,892·105

7,892·105

2,776·106

2,867·106

82,06

84,756

-3,459

-0,287

0,32

0,32

8000

 

 

1,93

1,76

0,7

3,88·106

3,988·106

8,879·105

8,879·105

3,622·10б

3,744·106

80,308

83,004

-5,519

-2,348

0,32

0,32

10000

 

 

1,93

1,76

0,75

4,775·106

4,91·106

9,537·105

9,537·105

4,577·106

4,729·106

81,185

83,881

-4,488

-1,317

0,32

0,32

10-этажный дом

2000

 

 

1,93

1,76

0,56

1,36·106

1,392·106

5,304·105

5,304·105

1,081·106

1,118·106

63,164

65,28

72

-12,273

-9,334

5 ÷ (-9)

0,32

0,32

4000

 

 

1,93

1,76

0,56

2,652·106

2,717·106

9,643·105

9,643·105

2,169·106

2,242·106

63,351

65,467

-12,012

-9,073

0,32

0,32

6000

 

 

1,93

1,76

0,56

3,928·106

4,024·106

1,157·106

1,157·106

3,445·106

3,554·106

67,074

69,19

-6,842

-3,903

0,32

0,32

8000

 

 

1,93

1,76

0,7

4,985·106

5,113·106

1,302·106

1,302·106

4,515·106

4,66·106

65,927

68,043

-8,435

-5,496

0,32

0,32

10000

 

 

1,93

1,76

0,75

6,144·106

6,304·106

1,398·106

1,398·106

5,742·106

5,923·106

67,08

69,196

-6,833

-3,894

0,32

0,32

19-этажный дом

2000

1,49

1,36

 

 

0,56

4,19·106

4,301·106

1,552·106

1,552·106

3,401·106

3,526·106

57,228

59,335

70

-18,245

-15,235

5 ÷ (-9)

0,24

0,24

4000

1,49

1,36

 

 

0,56

8,284·106

8,505·106

2,823·106

2,823·106

6,936·106

7,187·106

58,355

60,462

-16,635

-13,625

0,24

0,24

6000

1,49

1,36

 

 

0,56

1,237·107

1,27·107

3,387·106

3,387·106

1,107·107

1,144·107

62,081

64,188

-11,312

-8,302

0,24

0,24

8000

1,49

1,36

 

 

0,7

1,559·107

1,603·107

3,811·106

3,811·106

1,434·107

1,485·107

60,342

62,449

-13,798

-10,788

0,24

0,24

10000

1,49

1,36

 

 

0,75

1,923·107

1,979·107

4,093·106

4,093·106

1,822·107

1,884·107

61,304

63,41

-12,424

-9,414

0,24

0,24

Примечания

1 Расчет удельного расхода тепловой энергии на отопление рассматриваемых жилых зданий за отопительный период выполнялся по формулам, приведенным в СНиП 23-02-2003 (Приложение Г).

2 При расчете  по формуле (Г2) принимались коэффициенты v = 0,8, ξ = 0,25, β = 1,13.

3 При вычислении  по формуле (Г6) принимались коэффициенты c = 1, k = 4.

4 При расчете по формуле nа = 3Ае / βvVh принимался коэффициент βv = 0,85.

5 При расчете Qint по формуле (Г10) принималось qint = 13,5·Вт/м2.


Приложение Г

(справочное)

Смазка антиадгезионная «БЕТОЛ-01»

1. Антиадгезионная смазка «Бетол-01» (ТУ ВУ 100287079.016-2006) применяется для обработки внутренней поверхности форм при производстве изделий из ячеистых бетонов.

2. Смазка создает разделительный слой между поверхностью формы и ячеистобетонной смесью, который обеспечивает свободный съем изделий после автоклавной обработки без пригорания и налипания бетона на поверхность форм.

3. Нанесение смазки на поверхность форм может производиться с помощью валиков, кистей, щеток или распылителей.

4. Основные характеристики смазки:

- Вязкость кинематическая при 40 °С - 110 - 150 мм2/с (сСт);

- Температура застывания - не выше минус 10 °С;

- Содержание водорастворимых кислот и щелочей - 0,0 %;

- Массовая доля воды - не более 0,02 %;

- Массовая доля механических примесей - не более 0,01 %;

- Степень воздействия на организм человека - 4 класс опасности (по ГОСТ 12.1.007);

- Температура вспышки - не ниже 210 °С,

5. Расход смазки составляет:

- на полированную поверхность 10 - 15 г/м2;

- на шлифовальную поверхность 40 - 50 г/м2;

- на очищенную «волчками» поверхность 60 - 70 г/м2;

- на очищенную ручным скребком поверхность 80 - 110 г/м2.

Положительные испытания смазки «Бетол-01» на нескольких заводах РФ и Беларуси позволяют ее рекомендовать к применению для смазывания форм при изготовлении изделий из ячеистого бетона.

Библиография

[1] Пособие к СНиП 2.03.01-84 Пособие по проектированию бетонных и железобетонных конструкций из ячеистых бетонов, НИИЖБ, ЦНИИСК, М, 1986.

 

 

Ключевые слова: Стандарт организации, ячеистый бетон, газобетон, пенобетон, пористость, ячеистобетонные блоки, автоклавное и неавтоклавное твердение, класс бетона, прочность на сжатие, растяжение, срез, теплоизоляционный бетон, конструкционный бетон, многослойные наружные стены

 



© 2013 Ёшкин Кот :-)