| |||||||||||||||||||||||||||||||||||||||||||||||||||||||||||||||||||||||||||||||||||||||||||||||||||||||||||||||||||||||||||||||||||||||||||||||||||||||||||||||||||||||||||||||||||||||||||||||||||||||||||||||||||||||||||||||||||||||||||||||||||||||||||||||||||||||||||||||||||||
|
ЭЛЕКТРИЧЕСКИЕ
СХЕМЫ ИЗМЕРИТЕЛЬНЫЕ
ПРИБОРЫ Часть 5. Приборы, выпускаемые РМ 4-49-96 ч. 5
ГПКИ «Проектмонтажавтоматика» 1996
Дата введения Настоящий руководящий материал (РМ) является пособием по применению в системах автоматизации приборов и средств автоматизации электрической ветви ГСП. Он разработан на основе номенклатур, каталогов, инструкций и другой информации по приборам и средствам автоматизации, полученных институтом от изготовителей до 1 сентября 1996 года. Область распространения пособия соответствует ГОСТ 21.408 и СНиП 3.05.07, которая более подробно раскрыта в РМ4-59. В настоящий РМ включены приборы, выпускаемые серийно заводами, расположенными на территории Российской Федерации. Приборы, выпускаемые заводами-изготовителями, расположенными на территории других стран СНГ, в РМ не приведены из-за отсутствия к моменту выпуска РМ необходимой информации. Для приборов, по которым имеется информация об их выпуске, и не включенных в РМ, допускается применять схемы, приведенные в ранее выпущенных частях данного РМ (РМ4-49-88 ч. 1, РМ4-49-89 ч. 2, РМ4-49-90 ч. 3 и РМ4-49-93 ч. 4). Приборы, помещенные в данном пособии, рекомендуется пользователям исключить из имеющихся у них экземпляров РМ ч. 1 - 4. В руководящем материале приведены схемы электрических соединений измерительных цепей и дополнительных устройств. В основном схемы расположены группами по заводам-изготовителям. На схемах электрических соединений основная часть приборов изображена в масштабах 1:2,5 и 1:5. Масштаб для соответствующей группы приборов приведен в таблице. Вид на приборы дан со стороны монтажа. Клеммные колодки и штепсельные разъемы показаны с учетом их фактического расположения и с указанием их номеров. Оцифровка клемм и штырей или гнезд соответствует заводской маркировке. Маркировка жил проводов в приборах дана для определения связей отдельных элементов схем. При составлении монтажных схем щитов ее следует заменить применительно к системе маркировки принятой в конкретном проекте. С выходом настоящего материала аннулируется руководящий материал РМ4-49-88 ч. 1. УСТРОЙСТВО КОНТРОЛЯ И РЕГИСТРАЦИИ ФЩЛ501 (ФЩЛ502)
| |||||||||||||||||||||||||||||||||||||||||||||||||||||||||||||||||||||||||||||||||||||||||||||||||||||||||||||||||||||||||||||||||||||||||||||||||||||||||||||||||||||||||||||||||||||||||||||||||||||||||||||||||||||||||||||||||||||||||||||||||||||||||||||||||||||||||||||||||||||
|
Число подключаемых термопреобразователей |
Количество перемычек |
Номера соединяемых лепестков |
Примечание |
|
1 |
3 |
1 и 3 1 и 4 2 и 7 |
- |
|
2 |
3 |
1 и 8 2 и 7 3 и 4 |
- |
|
3 |
3 |
3 и 6 2 и 4 1 и 4 |
- |
|
4 |
3 |
2 и 4 1 и 3 3 и 6 |
- |
|
5 |
3 |
1 и 4 2 и 7 3 и 6 |
- |
|
6 |
3 |
1 и 8 2 и 7 3 и 6 |
- |
|
7 |
3 |
3 и 5 1 и 4 2 и 4 |
- |
|
8 |
3 |
1 и 8 2 и 4 3 и 5 |
- |
|
9 |
3 |
3 и 5 2 и 7 1 и 4 |
- |
|
10 |
3 |
1 и 8 2 и 7 3 и 5 |
- |
|
11 |
3 |
3 и 5 2 и 6 1 и 4 |
- |
|
12 |
3 |
1 и 8 2 и 6 3 и 5 |
Указанные перемычки выполнены в плате заводом-изготовителем |

1 - Общая цепь для всех групп сигнализации.
2 - Цепь сигнализации обрыва датчика.
3 - Цепь сигнализации короткого замыкания.
4 - Цепи сигнализации:
«Мало» («Предупреждение»); «Норма»; «Много» (Авария) 13 - 16 каналов. В () дана сигнализация для УМС4.
5 - То же 9 - 12 каналов.
6 - То же 5 - 8 каналов.
7 - То же 1 - 4 каналов.
8 - Питание 220 В.
9 - Двоичный код канала опрашиваемого термопреобразователя сопротивления.
10 - Общая цепь питания - 15 В.
11 - Аналоговый выход 0 - 5 мА опрашиваемого термопреобразователя сопротивления.



ПРИБОР
АНАЛОГОВЫЙ ДВУХКАНАЛЬНЫЙ А100
СТОЕЧНОГО ИСПОЛНЕНИЯ.
СХЕМА ЭЛЕКТРИЧЕСКАЯ СОЕДИНЕНИЙ



1 - От термопреобразователя сопротивления первого канала
2 - От термопреобразователя сопротивления второго канала
3 - Аналоговый выход первого канала 0 - 5 или 4 - 20 мА
4 - Аналоговый выход второго канала 0 - 5 или 4 - 20 мА
5 - Сигнализация «МНОГО» первого канала
6 - Сигнализация «МАЛО» первого канала
7 - Сигнализация «МНОГО» второго канала
8 - Сигнализация «МАЛО» второго канала
9 - Цепь питания прибора ~ 220 В
10 - От термоэлектрических преобразователей или аналоговых сигналов по ГОСТ 26.011 первого канала
11 - От термоэлектрических преобразователей или аналоговых сигналов по ГОСТ 26.011 второго канала

1 - От термопреобразователя сопротивления первого канала
2 - От термопреобразователя сопротивления второго канала
3 - От термопреобразователя сопротивления третьего канала
4 - Аналоговый выход первого канала 0 - 5 или 4 - 20 мА
5 - Аналоговый выход второго канала 0 - 5 или 4 - 20 мА
6 - Аналоговый выход третьего канала 0 - 5 или 4 - 20 мА
7 - Сигнализация «МАЛО» первого канала
8 - Сигнализация «МНОГО» первого канала
9 - Сигнализация «МАЛО» второго канала
10 - Сигнализация «МНОГО» второго канала
11 - Сигнализация «МАЛО» третьего канала
12 - Сигнализация «МНОГО» третьего канала
13 - Цепь питания прибора ~ 220 В
14 - От термоэлектрического преобразователя или аналогового сигнала по ГОСТ 26.011 первого канала
15 - От термоэлектрического преобразователя или аналогового сигнала по ГОСТ 26.011 второго канала
16 - От термоэлектрического преобразователя или аналогового сигнала

1. В одноканальных приборах цепь входного сигнала и цепь сигнального устройства 2 канала отсутствуют.
2. Мощность, потребляемая силовой цепью прибора при номинальном напряжении питания не превышает 20 ВА.
3. Приборы, предназначенные для измерения напряжения постоянного тока, должны иметь входное сопротивление не менее 200 кОм. Приборы с сигналами 0 - 5 мА должны иметь входное сопротивление не более 250 Ом, а с сигналами 0 - 20 или 4 - 20 мА должны иметь не более 65 Ом.
4. Заземление приборов осуществляется присоединением к зажиму земля медного провода не менее 2,5 мм2.
5. Подключение приборов осуществляется гибким проводом сечением не менее 0,35 мм2 и не более 0,5 мм2.

1. В одноканальных приборах цепь входного сигнала и цепь сигнального устройства 2 канала отсутствуют.
2. Мощность, потребляемая силовой цепью прибора при номинальном напряжении питания не превышает 20 ВА.
3. Приборы, предназначенные для измерения напряжения постоянного тока, должны иметь входное сопротивление не менее 200 кОм. Приборы с сигналами 0 - 5 мА должны иметь входное сопротивление не более 250 Ом, а с сигналами 0 - 20 или 4 - 20 мА должны иметь не более 65 Ом.
4. Заземление приборов осуществляется присоединением к зажиму земля медного провода не менее 2,5 мм2.
5. Подключение приборов осуществляется гибким проводом сечением не менее 0,35 мм2 и не более 0,5 мм2.

1. Заземление приборов осуществляется присоединением к зажиму земля медного провода не менее 2,5 мм2.
2. Подключение приборов осуществляется гибким проводом сечением не менее 0,35 мм2 и не более 0,5 мм2.
3. Приборы, предназначенные для измерения напряжения постоянного тока, должны иметь входное сопротивление не менее 200 кОм. Приборы с сигналами 0 - 5, 0 - 20, 4 - 20 мА должны иметь входное сопротивление не более 250 Ом, 65 Ом, 80 Ом соответственно.

с питанием выходного каскада от ИП

1. Сопротивление нагрузки Rн подключается либо к контактам 1 и 3 соединителя Х2, либо к контактам 2 и 6 колодки X1.
2. Экраны соединительных проводов и защитное заземление корпуса ИП подключаются к винту заземления Х3 или к контакту 4 соединителя Х2.
3. Сопротивление каждого провода линии связи с термопреобразователем сопротивления не более 10 Ом.
4. Сопротивление нагрузки ИП для ИП с выходным сигналом 0 - 5 мА - от 10 Ом до 2,5 кОм; для ИП с выходным сигналом 0 - 20 мА, 4 - 20 мА от 10 Ом до 1 кОм; для ИП с выходным сигналом 0 - 10 В - не менее 2 кОм.
5. Соединение ИП Ш9321 с термосопротивлением осуществляется трех или четырех проводной линией связи. Соединение ИП Ш9321И с термосопротивлением осуществляется только четырехпроводной линией связи.
с питанием выходного каскада от ИП

1. Сопротивление нагрузки подключается к контактам 2 и 6 колодки X1 или к контактам 1 и 3 соединителя Х2.
2. Экраны соединительных проводов и защитное заземление корпуса ИП подключаются к винту заземления Х3 или к контакту 4 соединителя Х2.
3. Соединение термоэлектрических преобразователей с ИП осуществляется двухпроводной линией. Сопротивление проводов линий связи, включая сопротивление термопреобразователя - не более 500 Ом.
4. Сопротивление нагрузки ИП для ИП с выходным сигналом 0 - 5 мА от 10 Ом до 2,5 кОм; для ИП с выходным сигналом 0 - 20 мА, 4 - 20 мА от 10 Ом до 750 Ом при питании выходного усилителя от внутреннего блока питания ИП и от 10 Ом до 1 кОм при внешнем питании выходного усилителя.



Сопротивление нагрузки (Rн1, Rн2), не более 2500 Ом для выходного сигнала 0 ... 5 мА или 750 Ом для выходного сигнала 4 ... 20 мА.
В одноканальном блоке разъемы ХS2 и ХР3 отсутствуют.

Rн1 - нагрузка пропорционального канала.
Rн2 - нагрузка корнеизвлекающего канала.
Сопротивление нагрузки (Rн1, Rн2), не более 2500 Ом для выходного сигнала 0 ... 5 мА или 1000 Ом для выходного сигнала 4 ... 20 мА.
Все подключения к блоку осуществляются с помощью соединителей ОНЦ.
Кабельные части соединителей входят в комплект поставки.
СХЕМА 1

Rн1 - нагрузка пропорционального канала.
Rн2 - нагрузка корнеизвлекающего канала.
Сопротивление нагрузки (Rн1, Rн2), не более 2500 Ом для выходного сигнала 0 ... 5 мА или 750 Ом для выходного сигнала 4 ... 20 мА.
Все подключения к блоку осуществляются с помощью соединителей ОНЦ.
Кабельные части соединителей входят в комплект поставки.

1. Подключение термопреобразователей сопротивления (по ГОСТ Р 50353-32) осуществляется по 4-х проводной схеме. Питание осуществляется от стабилизатора тока, ток не более 2 мА. Сопротивление каждого провода линии связи термопреобразователей сопротивления с приборами не должно превышать 5 Ом.
2. Суммарное сопротивление линии связи и внутреннего сопротивления термопар (по ГОСТ Р 50431-92) не должно превышать 200 Ом.
3. Максимальный ток цепей сигнализации не более 1,0 А, максимальное напряжение цепей сигнализации не более 220 В.
4. Преобразование осуществляется без линеаризации. Максимальная нагрузка выходного сигнала 0 - 5 мА не более 2 кОм, а выходного сигнала 4 - 20 мА не более 500 Ом.
5. Регулирование позиционное контактное (максимальное напряжение 220 В, а максимальный ток 1,0 А).

1. Через второй канал барьера БИ3-2К-Ехi11С можно пропускать сигналы от термопар и сигналы от 0 до 100 мВ. БИ3-2K-Ехi11С может также работать с термопарами сопротивления, но при этом задействованы оба канала барьера.
2. Барьеры БИ3-ЭПП-Ехib11С (1 канал) и БИ3-2К-Ехiа11С обеспечивают работу с сопротивлением нагрузки по искробезопасным выходам не более 400 Ом и 800 Ом соответственно.
3. Линия связи может быть выполнена любым типом кабеля с медными проводами сечением не менее 0,35 мм2 согласно ПУЭ-85.
4. При монтаже барьеров с термопарами типа L, K, S, А-1, А-2, А-3 линия связи от датчика до барьера и от барьера до прибора выполняется однотипными компенсационными проводами сечением не более 3 мм2. Температура входных и выходных клемм барьера должна быть одинаковой для уменьшения погрешности измерения.
ВАРИАНТЫ СХЕМ ПОДКЛЮЧЕНИЙ БАРЬЕРА БИЗ-Д-Ехb11С


ВАРИАНТЫ СХЕМ ПОДКЛЮЧЕНИЙ БАРЬЕРОВ БИЗ-2К-Ехiа11С и БИЗ-ЭПП-Ехi11С


ВАРИАНТЫ СХЕМ ПОДКЛЮЧЕНИЙ БАРЬЕРОВ БИЗ-2К-Ехiа11С



|
ОБОЗНАЧ. ПРОВОДА |
НОМЕР ТЕРМОПРЕОБРАЗОВАТЕЛЯ |
РАЗЪЕМ УМС |
|||||||||||
|
1 |
2 |
3 |
4 |
5 |
6 |
7 |
8 |
9 |
10 |
11 |
12 |
||
|
Т2 |
с1 |
с2 |
с3 |
с4 |
с5 |
с6 |
с7 |
с8 |
с9 |
с0 |
b1 |
b2 |
|
|
Т1 |
b3 |
b3 |
b3 |
b3 |
b4 |
b4 |
b4 |
b4 |
b5 |
b5 |
b5 |
b5 |
X8 |
|
П1 |
c1 |
c2 |
c3 |
c4 |
c5 |
c6 |
c7 |
c8 |
c9 |
c0 |
a4 |
a2 |
|
|
П2 |
b1 |
b2 |
b3 |
b4 |
b5 |
b6 |
b7 |
b8 |
b9 |
b0 |
a3 |
a1 |
X9 |

ПОДКЛЮЧЕНИЕ ТЕРМОПРЕОБРАЗОВАТЕЛЕЙ К УМС 3, 4
|
ОБОЗНАЧ. ПРОВОДА |
НОМЕР ТЕРМОПРЕОБРАЗОВАТЕЛЯ |
РАЗЪЕМ УМС |
|||||||||||||||
|
1 |
2 |
3 |
4 |
5 |
6 |
7 |
8 |
9 |
10 |
11 |
12 |
13 |
14 |
15 |
16 |
|
|
|
Т2 |
1 |
2 |
3 |
4 |
5 |
6 |
7 |
8 |
9 |
10 |
11 |
12 |
13 |
14 |
15 |
16 |
|
|
Т1 |
17 |
17 |
17 |
17 |
18 |
18 |
18 |
18 |
19 |
19 |
19 |
19 |
20 |
20 |
20 |
20 |
X6 |
|
П1 |
1 |
2 |
3 |
4 |
5 |
6 |
7 |
8 |
9 |
10 |
11 |
12 |
13 |
14 |
15 |
16 |
|
|
П2 |
22 |
23 |
24 |
25 |
26 |
27 |
28 |
29 |
30 |
31 |
32 |
33 |
34 |
35 |
36 |
37 |
X7 |



Для сигналов 0 - 5 мА, 5 - 0 мА

Для сигналов 4 - 20 мА, 20 - 4 мА

Для взрывозащищенного исполнения

G - источник питания постоянного тока
G1 - барьер искрозащиты или искробезопасный блок питания
R - сопротивление нагрузки
Х - клеммная колодка или разъем
При подключении к клеммной колодке применять провода сечением жилы 0,35 - 0,75 мм2.
При подключении к штепсельному разъему применять провода сечением жилы 0,35 мм2.
Ответная часть - розетка 2РМ14ХПН4Г1B1.
Подключение к клеммной колодке под винт и к штепсельному разъему

Энергопотребление
Электрическое питание датчиков осуществляется напряжением 36 ± 0,72 В постоянного тока.
Для датчиков с выходным сигналом 4 - 20 мА, 20 - 4 мА допускается питание напряжением от 16 В до 42 В постоянного тока.
Нагрузка:
- от 0,2 кОм до 2,5 кОм для датчиков с выходным сигналом 0 - 5 мА.
5 - 0 мА:
- от 0,1 кОм до 1 кОм для датчиков с выходным сигналом 4 - 20 мА, 20 - 4 мА при напряжении питания 36 ± 0,72 В;
-
от
кОм до
кОм при напряжении питания от 16 В до 42 В.
К датчикам - преобразователям давления МЕТРАН-43 (44, 45) относятся следующие датчики:
- низкопредельный датчик для измерения избыточного давления, разрежения, давления-разрежения МЕТРАН-45 ДИ (ДВ, ДИВ) (0,063 кПа ... 16 кПа);
- низкопредельный датчик для измерения перепада давлений, МЕТРАН-45 ДД (0,063 кПа ... 16 кПа; Рстат = 400 кПа);
- датчик для измерения избыточного давления, разрежения, давления-разрежения МЕТРАН-43 ДИ (ДВ, ДИВ) (10 кПа ... 630 кПа);
- датчик МЕТРАН-43-ДИ (ДБ) специальный для измерения избыточного давления, разрежения в пищевой промышленности (10 кПа ... 250 кПа);
- датчик для измерения избыточного давления МЕТРАН-43-ДИ (0,4 МПа ... 40 МПа);
- датчик для измерения перепада давлений МЕТРАН-43 ДД (1,0 кПа ... 630 кПа, Рстат = 1,6 МПа);
- датчик для измерения перепада давлений МЕТРАН-43Ф-ДД (1,0 кПа ... 630 кПа, Рстат = 16,0 МПа);
- датчик для измерения перепада давлений МЕТРАН-44-ДД (2,5 кПа ... 630 кПа, Рстат = 16, 25, 40 МПа);
- датчик для измерения гидростатического давления (уровня) МЕТРАН-43-ДГ (10 кПа ... 250 кПа).
Для датчиков с выходным сигналом 4 - 20 мА

Для датчиком с выходным сигналом 0 - 5 В или 0 - 5 мА
(4-х проводная линия связи)

Для датчиков с выходным сигналом 0 - 5 мА
(3-х проводная линия связи)

Для взрывозащищенных датчиков исполнения «0Ехiа11СТ4»

G - источник питания;
D - датчик;
R - сопротивление нагрузки;
Х - клеммная колодка:
G1 - блок питания или барьер искрозащиты.
Питание датчиков осуществляется от стабилизированного источника постоянного тока напряжением 24 - 36 В для датчиков с выходным сигналом 0 - 5 мА, 0 - 5 В и напряжением 12 - 42 В для датчиков с выходным сигналом 4 - 20 мА.
Сопротивление нагрузки:
- не менее 1 кОм для датчиков с выходным сигналом 0 - 5 В;
- не более 2,5 кОм для датчиков с выходным сигналом 0 - 5 мА;
-
не более
кОм для датчиков с
выходным сигналом 4 - 20 мА.
Электрическое подключение датчиков осуществляется кабелем с наружным диаметром не более 4 мм (9 мм для МИДА-ДИ-01П-Вн) через сальниковый ввод. Сечение жил в кабеле 0,35 - 0,5 мм2, число жил соответствует числу проводов линии связи.

С выходным сигналом 0 - 5 мА

С выходным сигналом 4 - 20 мА

R - сопротивление нагрузки
G - источник питания
Тип кабеля - любой с медными жилами сечением каждой не менее 0,35 мм2.
МЕТРАН-2007-Ех
с блоком БПД-40-2к-Ех с барьерами «УТЕС-1» или «УТЕС-2»

Параметры искробезопасной линии связи: R - 25 Ом, С - 0,25 мкФ, L - 1 мГн, l - 1000 м.
Сопротивление нагрузки для датчика Метран-2007 составляет от 200 до 2500 Ом при выходном токе 0 - 5 мА и от 100 до 1000 Ом при выходном токе 4 - 20 мА.
Сопротивление нагрузки для датчика Метран-2007-Ех определяется используемым барьером искрозащиты или искробезопасным блоком питания.
ГОР-А-ТП-Ех
Взрывоопасная зона Взрывобезопасная зона

Параметры искробезопасной линии связи: Rк = 24 Ом, Ск = 0,25 мкФ, Lк = 1 мГн, l = 1000 м.
Rн - сопротивление нагрузки (750 Ом, не более)
ГОР-А-ТП

G - источник питания (БПД-40), R - сопротивление нагрузки (1350 Ом, не более)
Тип кабеля - любой с медными жилами сечением каждой не менее 0,35 мм2.

Сопротивление внешней нагрузки:
- не более 2,5 кОм и 1,0 кОм для выходных сигналов 0 - 5 и 4 - 20 мА соответственно;
- для импульсного F и частотного выходных сигналов не менее 10 кОм.

Выходной токовый сигнал (расход воды) - 0 - 5, 4 - 20 мА.
Выходной импульсный сигнал (объем воды) - от 0,1 до 10000 м3.

1. Сигнализирующее устройство термометров обеспечивает коммутацию внешних электрических цепей исполнения IV по ГОСТ 13717-84.
2. Разрывная мощность контактов сигнализирующего устройства термометров при активной нагрузке 30 ВА, значение коммутируемого тока 0,01 - 1 А.
3. Напряжение внешних коммутируемых цепей следует выбирать:
24, 40, 60, 110 и 220 В - переменного тока;
24, 60, 110, 220 В - постоянного тока.
4. Подключение внешних электрических цепей к термометру должно осуществляться кабелем с сечением жил не менее 0,2 мм2.
5. Для коммутации напряжения внешних электрических цепей в термометрах используются два предельных контакта, один из них замыкает цепь минимального, а другой максимального значения параметра.

1. Приборы предназначены для эксплуатации во взрывоопасных зонах классов В-I, B-Iа, B-Iб, В-IIа и наружных установках класса В-Iг.
2. В качестве датчиков электрического сигнала используются обмотки генераторов высокой частоты блока электросигнального взрывозащищенного. Один из них выдает сигнал минимального, другой максимального значения измеряемой температуры.
3. Напряжение внешних коммутируемых цепей следует выбирать из рядов:
- 24, 40, 60, 110, 220 для цепей переменного тока с частотой 50 Гц;
- 24, 60, 110, 220 для цепей постоянного тока.
4. Разрывная мощность контактов реле термометров при омической нагрузке не более 40 Вт. Значение коммутируемого тока от 0,01 до 1 А.
5. Разрывная мощность контактов реле тягомеров, напоромеров и тягонапоромеров при активной нагрузке не более 50 ВА. Значение коммутируемого тока от 0,01 до 1 А.
6. При давлении измеряемой среды свыше 64 кгс/см2 для термометров ТГП-16СгВ3Т4 и ТКП-16СгВ3Т4 необходимо применять защитную гильзу.
1. Потребляемая мощность термометров манометрических самопишущих не более 5 ВА.
2. Клемма заземления термометров с приводом диаграммы от синхронного двигателя должна быть соединена с контуром заземления проводом сечением не менее 3 мм2.
3. Основным условием правильного измерения температуры является полное погружение термобаллона в измеряемую среду. Положение термобаллона может быть любым: вертикальным, наклонным, горизонтальным.

1. Нагрузка на контакты:
для цепей постоянного тока - напряжение до 250 В, мощность до 30 ВА (при этом ток от 1 мкА до 1 А).
для цепей переменного тока - напряжение до 250 В, частота 50 или 60 Гц, мощность до 30 Вт (при этом ток до 0,15 А).
2. Реле предназначено для работы во взрывобезопасных помещениях.


1. Дифманометры с интегратором, а также с дополнительной записью давления предназначены для работы только в качестве расходомеров.
2. Потребляемая мощность дифманометров не более 5,5 ВА.
3. Дифманометры с электрическими устройствами не могут устанавливаться во взрывоопасных помещениях.
4. Установка дифманометров-расходомеров должны производиться в соответствии с требованиями РД 50-213-80.

1. Потребляемая мощность приборов не более 5 ВА.
2. Приборы с электрическими устройствами не могут устанавливаться во взрывоопасных помещениях.
3. Измерительные системы двухзаписного манометра могут быть в любом сочетании пределов измерения. При этом более низкое давление всегда присоединяется к левому штуцеру.

1. Потребляемая мощность не более 10 ВА.
2. Коммутируемые сигнализирующим устройством нагрузки в соответствии с паспортными данными реле ГЭС-9 РС4.529.029-00.02 РСО.452.045 ТУ.
3. Разрывная мощность контактов сигнализирующего устройства не более 40 ВА.
Обозначение контактов:
О - общий контакт,
Р - размыкающий контакт,
З - замыкающий контакт.
Соединение с клеммной колодкой

Соединение со штепсельным разъемом

1. Потребляемая мощность преобразователя с выходным сигналом 0 - 5 мА не более 5 ВА, а преобразователя с выходным сигналом 0 - 20 или 4 - 20 мА не более 6 ВА.
2. Сопротивление нагрузки, подключаемой на выходе преобразователя с выходным сигналом 0 - 5 мА и с учетом линии связи, составляет 2,5 кОм, не более, а преобразователя с выходным сигналом 0 - 20 или 4 - 20 мА и с учетом линии связи составляет 1,0 кОм, не более.
Соединение с клеммной колодкой

Соединение со штепсельным разъемом

1. Пределы изменения выходного сигнала постоянного тока: 0 - 5, 0 - 20, 4 - 20 мА (для расходомеров только 0 - 5 или 4 - 20 мА).
2. Потребляемая мощность для расходомеров с выходным сигналом 0 - 5 мА не более 8 ВА, а с сигналом 4 - 20 мА не более 12 ВА. Потребляемая мощность для остальных дифманометров с сигналом 0 - 5 мА не более 5 ВА, а с сигналом 0 - 20 или 4 - 20 не более 6 ВА.
3. Сопротивление нагрузки, подключаемой на выходе дифманометра с выходным сигналом 0 - 5 мА и с учетом линии связи, составляет 2,5 кОм, не более, а дифманометра с выходным сигналом 0 - 20 или 4 - 20 мА и с учетом линии связи составляет 1,0 кОм, не более.
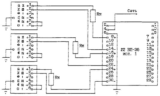
Схема внешних соединений преобразователя Сапфир-22-Вн с предельными значениями выходного сигнала 0 - 5 или 0 - 20 мА и блока питания 22 БП-36
при одноканальном блоке питания 22 БП-36, исполнение 1
Рис. 1
при двухканальном блоке питания 22 БП-36, исполнение 2
Рис. 2
Схема внешних соединений преобразователя Сапфир-22-Вн с предельными значениями выходного сигнала 4 - 20 мА и одноканального блока питания 22 БП-36, исполнения 1
при подключении нагрузки в разрыв провода питания
Рис. 3
при подключении нагрузки к преобразователю Сапфир-22-Вн
(См. рис. 1)
при подключении нагрузки к блоку питания 22 БП-36
Рис. 4
Схема внешних соединений преобразователя Сапфир-22-Вн с предельными значениями выходного сигнала 4 - 20 мА и двухканального блока питания 22 БП-36, исполнения 2
при подключении нагрузки в разрыв провода питания
Рис. 5
при подключении нагрузки к преобразователю Сапфир-22-Вн
(См. рис. 2)
при подключении нагрузки к блоку питания 22 БП-36
Рис. 6
Схема внешних соединений преобразователя Сапфир-22ДД-Вн с выходным сигналом 0 - 5 мА, блока питания 22 БП-36 и блока извлечения корня БИК-1
при блоке БИК-1 с выходным сигналом 0 - 5 мА
Рис. 7

при блоке БИК-1 с выходным сигналом 0 - 20 или 4 - 20 мА
Рис. 8

Схема внешних соединений преобразователя Сапфир-22ДД-Вн с выходным сигналом 4 - 20 мА и блока извлечения корня БИК-1
Рис. 9

при блоке БИК-1 с выходным сигналом 0 - 20 или 4 - 20 мА
Рис. 10

Схема внешних соединений преобразователя и четырехканального блока питания 22 ВП-36, исполнение 4
Рис. 11

Схема внешних соединений преобразователя и восьмиканального блока питания 22 БП-36, исполнение 8
Рис. 12

1. В данном руководящем материале представлены схемы внешних соединений измерительных взрывозащищенных преобразователей Сапфир-22-Вн: избыточного давления Сапфир-22ДИ-Вн, разрежения Сапфир-22ДВ-Вн, давления-разрежения Сапфир-22ДИВ-Вн и преобразователей разности давления Сапфир-22-ДД-Вн.
2. Предельные значения выходных сигналов: 0 - 5 или 0 - 20 или 4 - 20 мА постоянного тока.
3. Электрическое питание преобразователей осуществляется от источника питания постоянного тока напряжением (36 ± 0,72) В. Допускается питание преобразователей с предельными значениями выходного сигнала 4 - 20 мА осуществлять от источника постоянного тока напряжением от 15 до 42 В. Рекомендуется использовать блок питания 22 БП-36.
4. При использовании преобразователя с выходным сигналом 4 - 20 мА совместно с блоком извлечения корня БИК-1 питание преобразователя осуществляется от БИК-1. Питание БИК-1 осуществляется переменным током напряжением 220 В частотой 50 Гц.
5. Нагрузочное сопротивление, кОм не более:
2,5 - для преобразователей с предельными значениями выходного сигнала 0 - 5 мА при напряжении питания 36 ± 0,72 В;
1,0 - для преобразователей с предельными значениями выходного сигнала 0 - 20 или 4 - 20 мА при напряжении питания 36 ± 0,72 В;
Rн - для преобразователей с предельными значениями выходного сигнала 4 - 20 мА при напряжении питания в диапазоне от 15 до 42 В.
![]()
U - напряжение питания, В,
Umin = 15 В,
Imax = 20 мА.
6. Потребляемая мощность преобразователя, ВА, не более:
0,5 - для преобразователя с предельными значениями выходного сигнала 0 - 5 мА;
1,0 - для преобразователя с предельными значениями выходного сигнала 4 - 20 мА;
1,2 - для преобразователя с предельными значениями выходного сигнала 0 - 20 мА.

1. Питание блоков от сети переменного тока напряжением 220 или 240 В частотой 50 или 60 Гц.
2. Блок обеспечивает питание датчиков напряжением постоянного тока 36 ± 0,72 В при номинальной нагрузке.
3. Номинальный ток нагрузки источника питания не менее 25 мА.
4. Максимальный ток нагрузки источника питания не более 50 мА.
5. Мощность, потребляемая блоками питания при максимальном значении тока нагрузки, для одноканального блока не более 2,5 ВА, а для двухканального блока не более 5,0 ВА.
6. Выход 2 (XS1: 3, 4) для БП-36-1 отсутствует.

1. Питание блоков в зависимости от исполнения осуществляется от сети переменного тока напряжением 220 или 240 В, частотой 50 или 60 Гц.
2. Выходная цепь обеспечивает формирование унифицированных аналоговых сигналов постоянного тока (мА), в следующих сочетаниях:
|
Вход |
0 ... 5 |
0 ... 20 |
4 ... 20 |
0 ... 5 |
0 ... 5 |
0 ... 20 |
0 ... 20 |
4 ... 20 |
4 ... 20 |
|
Выход |
0 ... 5 |
0 ... 20 |
4 ... 20 |
0 ... 20 |
4 ... 20 |
0 ... 5 |
4 ... 20 |
0 ... 5 |
0 ... 20 |
3. Блоки имеют встроенный источник питания постоянного тока напряжением (36 ± 0,72) В.
4. Входное сопротивление блоков для сигнала 0 - 5 мА не более 500 Ом, а для сигналов 0 - 20 мА и 4 - 20 мА не более 200 Ом.
5. Сопротивление нагрузки должно быть не более 2,5 мА для сигнала 0 - 5 мА и не более 1,0 кОм для сигналов 0 - 20 и 4 - 20 мА.
6. Номинальный ток нагрузки источника питания постоянным током для преобразователей (датчиков) должен быть 25 мА.
7. Максимальный ток нагрузки источника питания постоянным током должен быть не более 50 мА.
8. Мощность, потребляемая блоками при номинальных токах нагрузки не должна превышать 2,5 ВА для одноканального блока и 5,0 ВА для двухканального блока.
9. Активное сопротивление проводов между блоками и преобразователями не должно превышать 50 Ом.
10. Цепи питания датчика, входные и выходные цепи аналоговых сигналов <канала 2> в блоке БКП-36-1 отсутствуют.
Сигнализатор с блоками БС-1-1К, БС-1-1КМ

Сигнализатор с блоками БС-1-2К, БС-1-2КМ

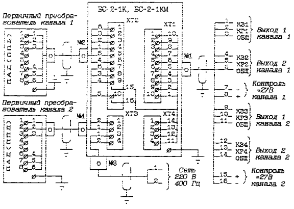
Сигнализатор с блоками БС-2-1К, БС-2-1КМ

Сигнализатор с блоками БС-1-16К, БС-1-16КМ

Сигнализатор с блоками БС-2-2К, БС-2-2КМ

Сигнализатор с блоками БС-4-1К, БС-4-1КМ

Сигнализатор с блоками КС-2-2К, КС-2-2КМ

Сигнализатор с блоками КС-4-1К, КС-4-1КМ

1. Схема контроля обеспечивает срабатывание канала сигнализирующего блока при подаче напряжения 27 В на контакты 6 и 7 первичного преобразователя.
Сигнализатор исправен, если при подаче напряжения 27 В (или при изменении полярности его) изменилось состояние выходного сигнала («0» на «1» или «1» на «0»).
2. При срабатывании сигнализатора на выходе замыкаются контакты КЗ и размыкаются контакты КР.
3. Кабель к преобразователю с экранированными жилами и в общем экране. Кабель выхода с релейного блока и кабель питания 220 В 400 Гц в общем экране.
4. Сигнализаторы обеспечивают следующие режимы работы.
замыкание выходных контактов (выдача сигнала в бесконтактном варианте) при повышении параметра до заданного значения уставки;
замыкание выходных контактов (выдача сигнала в бесконтактном варианте) при понижении параметра до заданного значения уставки.
5. Параметры питания:
а) питание сигнализатора осуществляется от сети переменного тока напряжением 220 В, частотой 400 Гц с коэффициентом искажения синусоидальной кривой напряжения до 10 % и величиной низкочастотной: модуляции сети (величина пульсации напряжения) не более 0,5 % номинального напряжения (амплитудного значения);
б) в состоянии «0» потребляемая мощность сигнализатора с блоками БС-1-1К, БС-1-1КМ, ВС-1-2К, БС-1-2КМ - не превышает 5 ВА;
с блоками БС-2-1К, БС-2-1КМ, БС-2-2К, БС-2-2КМ, КС-2-2К, КС-2-2КМ, не превышает 10 ВА;
с блоками ВС-4-1К, БС-4-1КМ, БС-1-16К, ВС-1-16КМ, КС-4-1К, КС-4-1КМ, не превышает 20 ВА.
Разность потребляемых мощностей в состоянии «1» и «0» не превышает 2 ВА на одну уставку для контактного варианта и 10 ВА для бесконтактного варианта;
в) cosj не менее 0,8.
6. Сигнальное устройство сигнализатора обеспечивает:
а) коммутацию цепей при контактном выходе:
постоянного тока 0,1 - 2 А напряжением 6 - 36 В и 0,1 - 0,3 А напряжением 30 - 220 В;
переменного тока 0,5 - 1,5 А напряжением до 45 В при работе на индуктивно-омическую нагрузку и 0,02 - 0,3 напряжением 12 - 220 В;
б) бесконтактный: выход:
на управление (9 ± 2) В двухполупериодного выпрямленного синусоидального напряжения при изменении нагрузки от 0,2 до 2 Вт;
на сигнализацию (24 ± 3,6) В [с отводом (18 ± 2,7) В] переменного тока частотой 400 Гц при изменении нагрузки от 1 до 2 ВА.
Выходы на управление и сигнализацию автономны, т.е. нарушения в цепи сигнализации (обрыв, короткое замыкание) не влияют на работу цепи управления.

Мощность, потребляемая блоком питания при номинальном значении тока нагрузки, не более:
- для одноканального блока - 12 ВА;
- для двухканального блока - 24 ВА;
- для четырехканального блока - 48 ВА.
Блок питания БП-9340-8
Схема внешних соединений

Мощность, потребляемая блоком питания БП-9340-8 при номинальном значении тока нагрузки, не более 96 ВА.
Блоки питания имеют следующее количество гальванически развязанных каналов питания: БП-9340-1 - 1 канал; БП-9340-2 - 2 канала; БП-9340-4 - 4 канала; БП-9340-8 - 8 каналов.

Приборы коммутируют контактами реле:
- цепь переменного тока напряжением 12 - 220 В, 50 Гц при токе до 2,5 А и активной индуктивной нагрузке при cosj ³ 0,7;
- цепь постоянного тока напряжением 12 - 220 В при токе 0,2 А.
Потребляемая мощность - не более 10 ВА.
Двухпроводное подключение

1. Преобразователи давления работают в комплекте с барьером искробезопасности П287А (5Г2.728.012ТУ), СПАРК (1417.000.00-ТУ) или УТЕС (ТУ 4217-002-11520139-94).
2. Преобразователи КРТ-ЕХ через линию связи подключаются к искробезопасному входу барьера одного из упомянутых типов, к выходу которого подключается нагрузка, а к клеммам питания - источник питания постоянного тока (36 В в случае барьера УТЕС).
3. КРТ-ЕХ имеют вид взрывозащиты «искробезопасная электрическая цепь» с маркировкой «0Ехiа11СТ6 в комплекте П287А», «0Ехi11СТ6 в комплекте УТЕС-1», «1Еxib11СТ6 в комплекте СПАРК», «1Ехiв11СТ6 в комплекте УТЕС-2».
4. Напряжение на линии связи не более 24 В, ток короткого замыкания на линии связи не более 120 мА.
5. Выходные сигналы барьеров 4 - 20 мА или 0 - 5 мА.

1. Блок питания 4БП36 предназначен для питания стабилизированным напряжением постоянного тока 36 В измерительных преобразователей или датчиков во взрывобезопасных производствах.
2. Количество гальванически развязанных каналов 4.
3. К блоку могут подключаться:
- 12 датчиков с выходным сигналом 0 - 5 мА (по 3 датчика в каждом канале без гальванического разделения по питанию);
- 8 датчиков с выходными сигналами 4 - 20 или 0 - 20 мА (по 2 датчика в каждом канале без гальванического разделения по питанию);
- 4 датчика с выходными сигналами 0 - 5, 4 - 20 или 0 - 20 мА с гальваническим разделением по питанию (по 1 датчику в канале).
Допускается подключение к каналу блока преобразователей с различными выходными сигналами. При этом суммарный ток потребления не должен превышать максимальный ток нагрузки одного канала.
4. Максимальный ток нагрузки в каждом канале блока - 45 мА.
5. мощность, потребляемая блоком в режиме максимальной нагрузки, в расчете на один канал не превышает 9 ВА.
Подключение нагрузки с блоком питания 4БП36 в разрыв провода питания и по четырехпроводной линии связи
(выходной сигнал датчика 4 - 20 мА)

Взрывозащищенное исполнение с блоком БПС-90

Подключение нагрузки с блоком питания 4БП36
по четрехпроводной линии связи (выходной сигнал датчика 0 - 5 мА)

1. Схемы электрические подключения датчиков МТ100 с блоком питания 22БП-36 аналогичны схемам подключения датчиков Сапфир-22-Вн.
2. Rн невзрывозащищенного датчика с выходным сигналом 4 - 20 мА, с двух- и четырехпроводной линией связи не более 1,35 кОм, а с выходным сигналом 0 - 5 мА и четырехпроводной линией связи не более 2,5 кОм. Rн взрывозащищенного датчика с выходным сигналом 4 - 20 мА и двухпроводной линией связи определяется барьером защиты и (или) блоком питания.
3. Питание датчиков с выходным сигналом 0 - 5 мА - (36 ± 0,72) В, а для датчиков с выходным сигналом 4 - 20 мА - от 15 до 42 В, но не менее определяемого по формуле
Umin = 20Rн + 15,
где Umin - минимальное допускаемое напряжение питания, В.
4. Потребляемая мощность для датчиков с выходным сигналом 0 - 5 мА - 0,5 ВА, а для датчиков с выходным сигналом 4 - 20 мА - 0,8 ВА при напряжении питания до 36 3.
Схема внешних соединений датчика Сапфир-22МТ
и блока питания 4БП36 с четырехпроводной линией связи

Подключения трех датчиков на один канал допускается только для датчиков с выходным сигналом 0 - 5 и 5 - 0 мА.
Схема внешних соединений датчика Сапфир-22МГ
и блока питания 4БП36 с двухпроводной линией связи

На один канал допускается подключать не более двух датчиков с выходными сигналами 4 - 20 или 20 - 4 мА.
Схема внешних электрических соединений
датчиков Сапфир-22МГ с блоком БПС-90

Схема внешних соединений датчика Сапфир-22МГ и блока извлечения корня БИК36М
Для датчиков САПФИР-22МТ с выходным сигналом 0 - 5 или 4 - 20 мА и четырехпроводной линией связи

Для датчиков САПФИР-22МГ с выходным сигналом 4 - 20 мА и двухпроводной линией связи

1. Сопротивление нагрузки взрывозащищенных датчиков с видом взрывозащиты «искробезопасная электрическая цепь 1а» выходным сигналом 4 - 20 (20 - 4) мА и двухпроводной линией связи определяется барьером искрозащиты и (или) блоком питания. Сопротивление нагрузки взрывозащищенных датчиков с видами взрывозащиты «взрывонепроницаемая оболочка», «специальный» и невзрывозащищенное выходным сигналом 0 - 5 (5 - 0) мА, и четырехпроводной линией связи - не более 2,5 кОм, а выходным сигналом 4 - 20 (20 - 4) мА двух- и четырехпроводной линией связи определяется формулой
![]()
где U - напряжение питания, В;
Umin - минимальное допускаемое напряжение питания без нагрузки, равное 15 В;
Iв - верхнее предельное значение выходного сигнала, равное 20 мА.
2. Мощность, потребляемая датчиком, не более:
0,5 ВА - для датчиков с выходным сигналом 0 - 5 и 5 - 0 мА;
0,8 ВА - для датчиков с выходным сигналом 4 - 20 и 20 - 4 мА при напряжении питания до 36 В.
Схема внешних соединений датчика Сапфир-22М и блока питания 4БП36 с четырехпроводной линией связи

Подключение трех датчиков на один канал допускается только для датчиков с выходным сигналом 0 - 5 мА.
Схема внешних соединений датчика Сапфир-22М и блока питания 4БП36 с двухпроводной линией связи

На один канал допускается подключать не более двух датчиков с выходными сигналами 4 - 20 мА.
Схема внешних соединений датчика Сапфир-22М-ДД
и блока извлечения корня БИК36М
Для датчиков САПФИР-22М-ДД с выходным сигналом 0 - 5 или 4 - 20 мА и четырехпроводной линией связи

Для датчиков САПФИР-22М-ДД с выходным сигналом 4 - 20 мА и двухпроводной линией связи

1. Схемы электрические подключения датчиков Сапфир-22М с блоком питания 22БП-36 аналогичны схемам подключения датчиков Сапфир-22-Вн.
2. Нагрузочное сопротивление:
от 0,2 до 2,5 кОм - для преобразователей с выходным сигналом 0 - 5 мА при напряжении питания (36 ± 0,72) В;
от 0,1 до 1,0 кОм - для преобразователей с выходными сигналами 4 - 20, 0 - 20 мА при напряжении питания (36 ± 0,72) В;
от 0 до верхнего предельного значения нагрузочного сопротивления Rн - для преобразователей с выходным сигналом 4 - 20 мА при напряжении питания в диапазоне от 15 до 42 В.
![]()
где Umin = 15 В; U - напряжение питания; Imax = 15 В.
3. Потребляемая мощность преобразователя, при напряжении питания (36 ± 0,72) В, не более:
0,5 ВА - для преобразователей с выходным сигналом 0 - 5 мА;
0,8 ВА - для преобразователей с выходным сигналом 4 - 20 мА;
1,2 ВА - для преобразователей с выходным сигналом 0 - 20 мА.
Схемы внешних электрических соединений данных преобразователей аналогичны схемам внешних соединении преобразователя измерительного взрывозащищенного САПФИР-22-Вн.
Схема внешних электрических соединений преобразователей САПФИР-22-Ех-М с блоком БПС-90

1. Параметры линии связи, не более:
R = 20 Ом; С = 0,06 mF; L = 1 mH.
2. Выходной сигнал преобразователя 4 - 20 или 20 - 4 мА. С убывающей характеристикой может выпускаться только преобразователь Сапфир-22-Ех-М-ДД.
3. Электрическое питание преобразователей осуществляется от искробезопасного выхода блока БПС-90.
4. Потребляемая мощность преобразователя, не более 0,8 В · А.
5. Изменение значения выходного сигнала преобразователей, вызванное изменением нагрузочного сопротивления от 100 Ом до 1000 Ом, не превышает ±0,01 % диапазона изменения выходного сигнала на 100 Ом изменения нагрузочного сопротивления.
Схема электрическая соединений блока и датчика с выходным
сигналом 0 - 5 или 4 - 20 мА и четырехпроводной линией связи

Схема электрическая соединений блока и датчика с выходным
сигналом 4 - 20 мА и двухпроводной линией связи

1. Питание блока осуществляется от сети переменного тока напряжением 220 или 240 В частотой 50 или 60 Гц в зависимости от исполнения.
1. Потребляемая мощность не более 20 ВА.
2. Входной сигнал - унифицированные сигналы постоянного тока 0 - 5 или 4 - 20 мА.
3. Входное сопротивление блока не более 200 Ом для входного сигнала 4 - 20 мА или 500 Ом для входного сигнала 0 - 5 мА.
4. Выходной сигнал блока - унифицированный сигнал постоянного тока 0 - 5 или 4 - 20 или 0 - 20 мА.
5. Сопротивление нагрузки не более 2,5 кОм для выходного сигнала 0 - 5 мА и не более 1 кОм для выходных сигналов 4 - 20 и 0 - 20 мА.

1. Пределы изменения входного сигнала постоянного тока 4 - 20 мА.
2. Входное сопротивление (200 ± 2) Ом.
3. Пределы изменения выходного сигнала постоянного тока 0 - 5, 0 - 20 или 4 - 20 мА.
4. Максимальное нагрузочное сопротивление 2,5 кОм для выходного сигнала 0 - 5 мА и 1 кОм - для выходных сигналов 0 - 20 и 4 - 20 мА.
5. Предельный ток нагрузки на контакты сигнального устройства 0,1 А. Предельное напряжение постоянного тока на разомкнутых контактах 24 В.
6. Параметры цепи входного сигнала: омическое сопротивление не более 20 Ом; емкость не более 0,125 mF; индуктивность не более 1 mН; сосредоточенная емкость нагрузки не более 0,06 mF.
7. Питание блоков осуществляется от сети переменного тока напряжением 220 или 240 В, частотой 50 или 60 Гц.
8. Потребляемая мощность не более 12 В · А.
Для датчиков с выходными сигналами 0 - 5 и 0 - 20 мА

Для датчиков с выходным сигналом 4 - 20 мА

Вариант включения нагрузки датчиков с выходным сигналом 4 - 20 мА

1. Перемычка между клеммами 1 и 5 устанавливается при изготовлении датчика с выходным сигналом 4 - 20 мА.
2. Расстояние между источником питания и датчиком не должно превышать 600 метров по трассе.
3. Датчики предназначены для работы при нагрузочном сопротивлении (включая сопротивление линии связи):
от 0,2 до 2,5 кОм - для датчиков с выходным сигналом 0 - 5 мА;
от 0,1 до 1,0 кОм - для датчиков с выходными сигналами 0 - 20 мА и 4 - 20 мА.
4. Потребляемая мощность датчика не более 1,2 ВА.
Для датчиков с выходными сигналами 0 - 5 и 0 - 20 мА

Для датчиков с выходным сигналом 4 - 20 мА

Вариант включения нагрузки датчиков с выходным сигналом 4 - 20 мА

1. Электрическое питание преобразователей осуществляется от источника питания постоянного тока напряжением (36 ± 0,72) В. Допускается питание преобразователей с предельными значениями выходного сигнала 4 - 20 мА осуществлять от источника постоянного тока напряжением от 15 до 42 В.
2. Нагрузочное сопротивление, кОм не более:
2,5 - для преобразователей с предельными значениями выходного сигнала 0 - 5 мА при напряжении питания (36 ± 0,72) В;
1,0 - для преобразователей с предельными значениями выходного сигнала 0 - 20 или 4 - 20 мА при напряжении питания (36 ± 0,72) В;
Rн - для преобразователей с предельными значениями выходного сигнала 4 - 20 мА при напряжении питания в диапазоне от 15 до 42 В
![]()
где Rн - верхнее предельное значение нагрузочного сопротивления.
U - нижний предел напряжения питания, В, соответствующий Rн;
Umin = 15 В, Imax = 20 mА.
3. Потребляемая мощность преобразователя не более 1,2 ВА.
Для датчиков САПФИР-22ДД с выходным сигналом 0 - 5 или 4 - 20 мА и четырехпроводной линией связи

Для датчиков САПФИР-22ДД с выходным сигналом 4 - 20 мА и двухпроводной линией связи

1. Электрическое питание преобразователей осуществляется от источника питания постоянного тока напряжением (36 ± 0,72) В. Допускается питание преобразователей с предельными значениями выходного сигнала 4 - 20 мА осуществлять от источника постоянного тока напряжением от 15 до 42 В.
2. Нагрузочное сопротивление, кОм не более:
2,5 - для преобразователей с предельными значениями выходного сигнала 0 - 5 мА при напряжении питания (36 ± 0,72) В;
1,0 - для преобразователей с предельными значениями выходного сигнала 0 - 20 или 4 - 20 мА при напряжении питания (36 ± 0,72) В;
Rн - для преобразователей с предельными значениями выходного сигнала 4 - 20 мА при напряжении питания в диапазоне от 15 до 42 В
![]()
где Rн - верхнее предельное значение нагрузочного сопротивления, кОм;
U - установочное напряжение питания, В;
Umin = 15 В, Imax = 20 mА.
3. Схемы внешних электрических соединений датчика Сапфир-22ДГ аналогичны схемам внешних электрических соединений датчика Сапфир-22ДГ-Вн.
4. Потребляемая мощность преобразователя не более 1,2 ВА.
Схема электрическая подключения датчиков-реле уровня РОС-101, РОС-101-011И, РОС-101-021И, РОС-101-061И.

Схема электрическая подключения датчика-реле уровня РОС-101-015И

1. Ток нагрузки контактов выходного реле датчиков-реле уровня РОС-101 составляет 0,5 - 2,5 А переменного тока частотой 50 или 60 Гц и напряжении 12 - 250 В.
2. Электрическая нагрузка на контакты выходного реле датчиков-реле уровня РОС-101И до 0,5 - 2,5 А переменного тока частотой 50 или 60 Гц напряжением 12 - 220 В, при этом произведение тока на напряжение не должно превышать 100 ВА. Допускается увеличение напряжения до 250 В при токе не более 0,4 А.
3. Потребляемая мощность не более 6,0 ВА для РОС-101 и не более 5,5 ВА для РОС-101И.
4. Цепи подключения выполнять проводом или кабелем сечением жилы не более 1,5 мм2.
5. При установке датчика-реле уровня РОС-101-015И необходимо обеспечить гальваническую связь с колодкой чувствительного элемента.

1. Потребляемая мощность не более 12 ВА.
2. Напряжение переменного тока на электродах датчиков не более 6 В.
3. Нагрузка на контакты выходного реле:
ток от 0,5 до 2,5 А частотой 50 или 60 Гц, допускается увеличение тока до 5 А за время не более 0,1 с;
напряжение от 12 до 250 В.
4. Резервуар с контролируемой средой должен быть заземлен и соединен с клеммой 13 передающего преобразователя.
При установке датчиков на резервуарах из непроводящего материала необходимо предусмотреть наличие внутри резервуара дополнительного электрода (например, металлической пластины, полосы), который должен быть заземлен и соединен с клеммой 13 передающего преобразователя.
5. Соединение передающего преобразователя с датчиками осуществляется линией связи любой длины в пределах объекта при сопротивлении каждого провода линии связи до 20 Ом.
6. Монтаж производить в соответствии с «Правилами устройства электроустановок (ПУЭ)» и схемой подключения любым проводом или кабелем с максимальным сечением жилы 1,5 мм2.

1. Потребляемая мощность не более 6,0 ВА.
2. Электрическая нагрузка на контакты выходного реле:
ток от 0,5 до 2,5 А частотой 50 или 60 Гц:
напряжение от 12 до 250 В.
3. Резервуар с контролируемой средой должен быть заземлен. При установке первичного преобразователя на резервуарах из непроводящего материала необходимо предусматривать внутри резервуара дополнительный электрод, например, перфорированную трубу диаметром не менее 100 мм вокруг чувствительного элемента, металлическую полосу или пластину на расстоянии не менее 200 мм от чувствительного элемента. Дополнительный электрод должен быть заземлен и соединен со штуцером чувствительного элемента.
4. Монтаж производить в соответствии со схемой подключения любым проводом, или кабелем с максимальным сечением жилы 1,5 мм2.
5. Соединение первичного и передающего преобразователей осуществляется линией связи любой длины в пределах объекта при сопротивлении каждой жилы линии связи до 25 Ом. Сопротивление каждой жилы линии связи между передающим преобразователем и показывающим прибором до 5 Ом.

1. При работе на замыкание нагрузка подключается через контакты 1 и 2.
2. При работе на размыкание нагрузка подключается через контакты 1 и 3.
3. Электрическая нагрузка на контакты переключающего устройства датчика-реле:
- от 0,5 до 4 А постоянного тока при напряжении от 3 до 30 В при активной нагрузке;
- от 0,5 до 2 А постоянного тока напряжением от 3 до 30 В при индуктивной нагрузке (t £ 0,015 с);
- до 2 А переменного тока частотой 50 Гц напряжением до 250 В при индуктивной нагрузке (cosj = 0,5);
- до 3 А переменного тока частотой 50 Гц напряжением до 250 В при активной нагрузке.

1. Число сигнализируемых положений уровней - четыре: нижний, нормальный, верхний и аварийный (ниже нижнего или выше верхнего).
2. Напряжение питания 220 В с частотой 50 Гц.
3. Напряжение на электроде датчика - 27 В, не более.
4. Коммутационная способность контактов встроенного реле:
- 300 ВА для переменного тока напряжением до 250 В и силой тока не более 2 А, cosj ³ 0,3;
- 50 Вт для постоянного тока напряжением до 250 В и силой тока до 0,2 А, t нагрузки £ 15 мс.
5. Максимальное удаление преобразователя вторичного от места установки датчиков при омическом сопротивлении каждого провода в линии связи не более 10 Ом - 300 м.
6. Потребляемая мощность не более 20 ВА.
1. РАЗРАБОТАН Государственным проектным и конструкторским институтом «Проектмонтажавтоматика»
2. ИСПОЛНИТЕЛИ Н.А. Рыжов, А.Н. Гуров, Ю.В. Рябов
3. РАЗРАБОТАН ВНОВЬ
4. НОРМАТИВНО-ТЕХНИЧЕСКИЕ ДОКУМЕНТЫ
|
Обозначение НТД, на который дана ссылка |
Номер пункта, подпункта, приложения |
|
Вводная часть |
|
|
Вводная часть |
|
|
РМ4-59-95 |
Вводная часть |
|
РМ4-49-88 ч. 1 |
Вводная часть |
|
РМ4-49-89 ч. 2 |
Вводная часть |
|
РМ4-49-90 ч. 3 |
Вводная часть |
|
РМ4-49-93 ч. 4 |
Вводная часть |
СОДЕРЖАНИЕ