Информационная система
«Ёшкин Кот»

XXXecatmenu

ГОСУДАРСТВЕННЫЙ СТАНДАРТ СОЮЗА СССР

 

ПРОТЕКТОРЫ ДЛЯ ЗАЩИТЫ
ОТ
КОРРОЗИИ

ТЕХНИЧЕСКИЕ УСЛОВИЯ

ГОСТ 26251-84

(СТ СЭВ 4046-83)

 

 

 

 

ГОСУДАРСТВЕННЫЙ КОМИТЕТ ПО СТАНДАРТАМ

Москва

 

ГОСУДАРСТВЕННЫЙ СТАНДАРТ СОЮЗА ССР

ПРОТЕКТОРЫ ДЛЯ ЗАЩИТЫ ОТ КОРРОЗИИ

Технические условия

Galvanium anodes for corrosion protection. Specifications

ГОСТ
26251-84

(СТ СЭВ 4046-83)

Постановлением Государственного комитета СССР по стандартам от 6 августа 1984 г. 2752 срок действия установлен

с 01.01.86

до 01.01.91

Несоблюдение стандарта преследуется по закону

Настоящий стандарт распространяется на протекторы из алюминиевых, магниевых и цинковых сплавов, предназначенные для защиты от коррозии подводной части корпусов судов, внутренней поверхности танков и цистерн судов, а также отдельных корпусных конструкций и металлических сооружений, эксплуатирующихся в морской воде.

Установленные настоящим стандартом показатели технического уровня предусмотрены для высшей категорий качества.

(Измененная редакция, Изм. № 1).

1. ТИПЫ, ОСНОВНЫЕ ПАРАМЕТРЫ И РАЗМЕРЫ

1.1. Протекторы по виду систем протекторной защиты должны изготовляться четырех типов:

короткозамкнутый - К;

неотключаемый с балластным сопротивлением - Н;

подвесной - П;

регулируемый - Р.

1.2. Основные параметры и размеры протекторов должны соответствовать указанным на черт. 1 - 19, в табл. 1 - 19 и рекомендуемом приложении 1.

Протектор П-ККА-13

1 - арматура; 2 - протектор

Черт. 1

Черт 1. (Измененная редакция, Изм. № 2).

Таблица 1

Типоразмер протектора

Марка сплава

Обозначение чертежа

Код ОКП

Масса, кг

П-ККА-13

АП1

УЕИА.364541.011

64 4586 3242

13

АП2

УЕИА.364541.011-01

64 4586 3118

АП3

УЕИА.364541.011-02

64 4586 3243

АП4

УЕИА.364541.011-03

64 4586 3322

Протектор П-КЛА-15

1 - арматура; 2 - протектор

Черт. 2

Черт. 2. (Измененная редакция, Изм. № 1, 2).

Таблица 2

Типоразмер протектора

Марка сплава

Обозначение чертежа

Код ОКП

Масса, кг

П-КЛА-15

АП1

УЕИА.364541.012

64 4586 3244

15

АП2

УЕИА.364541.012-01

64 4586 3119

АП3

УЕИА.364541.012-02

64 4586 3245

АП4

УЕИА.364541.012-03

64 4586 3323

Протектор П-КОА-1

1 - арматура; 2 - протектор

Черт. 3

Черт. 3. (Измененная редакция, Изм. № 1, 2).

Таблица 3

Типоразмер протектора

Марка сплава

Обозначение чертежа

Код ОКП

Масса, кг

П-КОА-1

АП1

УЕИА.364541.001

64 4586 3226

1

АП2

УЕИА.364541.001-01

64 4586 3110

АП3

УЕИА.364541.001-02

64 4586 3227

АП4

УЕИА.364541.001-03

64 4586 3314

Протекторы П-КОА-1-1; П-КОА-3-1; П-КОА-5-1; П-КОМ-3; П-КОМ-6

1 - арматура; 2 - протектор

Черт. 4

Таблица 4

Типоразмер протектора

Марка сплава

Обозначение чертежа

Код

В

В1

Н

Н1

h

Масса, кг

П-КОА-1-1

АП1

АП2

АП3

АП4

УЕИА.364541.002

УЕИА.364541.002-01

УЕИА.364541.002-02

УЕИА.364541.002-03

64 4586 3202

64 4586 3223

64 4586 3248

64 4586 3326

50

120

40

75

19

1

П-КОА-3-1

АП1

АП2

АП3

АП4

УЕИА.364541.003

УЕИА.364541.003-01

УЕИА.364541.003-02

УЕИА.364541.003-03

64 4586 3204

64 4586 3124

64 4586 3249

64 4586 3327

70

150

70

96

24

3

П-КОА-5-1

АП1

АП2

АП3

АП4

УЕИА.364541.004

УЕИА.364541.004-01

УЕИА.364541.004-02

УЕИА.364541.004-03

64 4586 3209

64 4586 3125

64 4586 3250

64 4586 3328

90

175

90

115

29

5

П-КОМ-3

МП1

УЕИА.364542.001

64 4586 3402

100

175

100

125

44

3

П-КОМ-6

УЕИА.364542.002

64 4586 3404

125

220

125

165

6

Табл. 4. (Новая редакция, Изм. № 1, 2).

Протекторы П-КОА-3; П-КОА-5

1 - арматура; 2 - протектор

Черт. 5

Черт 5. (Измененная редакция, Изм. № 2).

Таблица 5

Размеры, мм

Типоразмер протектора

Марка сплава

Обозначение чертежа

Код ОКП

L

В

В1

Н

Масса, кг

П-КОА-3

АП1

УЕИА.364541.005

64 4586 3228

160

100

160

80

3

АП2

УЕИА.364541.005-01

64 4586 3111

АП3

УЕИА.364541.005-02

64 4586 3229

АП4

УЕИА.364541.005-03

64 4586 3315

П-КОА-5

АП1

УЕИА.364541.007

64 4586 3230

130

230

290

90

5

АП2

УЕИА.364541.007-01

64 4586 3112

АП3

УЕИА.364541.007-02

64 4586 3231

АП4

УЕИА.364541.007-03

64 4586 3316

Протектор П-КОА-4

1 - арматура; 2 - протектор

Черт. 6

Черт. 6. (Новая редакция, Изм. № 2).

Таблица 6

Типоразмер протектора

Марка сплава

Обозначение чертежа

Код ОКП

Масса, кг

П-КОА-4

АП1

УЕИА.364541.006

64 4586 3232

4

АП2

УЕИА.364541.006-01

64 4586 3113

АП3

УЕИА.364541.006-02

64 4586 3233

АП4

УЕИА.364541.006-03

64 4586 3317

Протекторы П-КОА-8; П-КОА-12; П-КОА-20

1 - арматура; 2 - протектор

Черт. 7

Черт 7. (Измененная редакция, Изм. № 2).

Таблица 7

Размеры, мм

Типоразмер протектора

Марка сплава

Обозначение чертежа

Код ОКП

Н

Масса, кг

П-КОА-8

АП1

УЕИА.364541.008

64 4586 3234

70

8

АП2

УЕИА.364541.008-01

64 4586 3114

АП3

УЕИА.364541.008-02

64 4586 3235

АП4

УЕИА.364541.008-03

64 4586 3318

П-КОА-12

АП1

УЕИА.364541.010

64 4586 3236

90

12

АП2

УЕИА.364541.010-01

64 4586 3115

АП3

УЕИА.364541.010-02

64 4586 3237

АП4

УЕИА.364541.010-03

64 4586 3319

П-КОА-20

АП1

УЕИА.364541.013

64 4586 3238

156

20

АП2

УЕИА.364541.013-01

64 4586 3116

АП3

УЕИА.364541.013-02

64 4586 3239

АП4

УЕИА.364541.013-03

64 4586 3320

Табл. 7. (Измененная редакция, Изм. № 1).

Протектор П-КОА-10

1 - арматура; 2 - протектор

Черт. 8

Черт 8. (Измененная редакция, Изм. № 2).

Таблица 8

Типоразмер протектора

Марка сплава

Обозначение чертежа

Код ОКП

Масса, кг

П-КОА-10

АП1

УЕИА.364541.009

64 4586 3240

10

АП2

УЕИА.364541.009-01

64 4586 3117

АП3

УЕИА.364541.009-02

64 4586 3241

АП4

УЕИА.364541.009-03

64 4586 3321

Протектор П-КОМ-10

1 - арматура; 2 - протектор

Черт. 9

Таблица 9

Типоразмер протектора

Марка сплава

Обозначение чертежа

Код ОКП

Масса, кг

п-коа-10

МП1

УЕИА.364542.003

64 4586 3405

10

Протекторы П-КОЦ-5; П-КОЦ-10; П-КОЦ-15

1 - арматура; 2 - протектор

Черт. 10

Таблица 10

Размеры, мм

Типоразмер протектора

Марка сплава

Обозначение чертежа

Код ОКП

В

В1

Н

Масса, кг

П-КОЦ-5

ЦП1

УЕИА.364543.001

64 4586 3505

140

80

60

5

ЦП2

УЕИА.364543.001-01

64 4586 3607

ЦП3

УЕИА.364543.001-02

64 4586 3610

п-коц-10

ЦП1

УЕИА.364543.002

64 4586 3506

170

100

80

10

ЦП2

УЕИА.364543.002-01

64 4586 3608

ЦП3

УЕИА.364543.002-02

64 4586 3611

П-КОЦ-15

ЦП1

УЕИА.364543.003

64 4586 3507

160

140

100

15

ЦП2

УЕИА.364543.003-01

64 4586 3609

ЦП3

УЕИА.364543.003-02

64 4586 3612

Протекторы П-КОЦ-18; П-КОЦ-36

1 - арматура; 2 - протектор

Черт. 11

Таблица 11

Размеры, мм

Типоразмер протектора

Марка сплава

Обозначение чертежа

Код ОКП

В

В1

Н

Масса кг

П-КОЦ-18

ЦП1

УЕИА.364543.004

64 4586 3503

100

85

60

18

ЦП2

УЕИА.364543.004-01

64 4586 3603

ЦП3

УЕИА.364543.004-02

64 4586 3605

П-КОЦ-36

ЦП1

УЕИА.364543.005

64 4586 3504

130

110

90

36

ЦП2

УЕИА.364543.005-01

64 4586 3604

ЦП3

УЕИА.364543.005-02

64 4586 3606

Протекторы П-НКМ-6; П-НКМ-12

Черт. 12

Таблица 12

Размеры, мм

Типоразмер протектора

Марка сплава

Обозначение чертежа

Код ОКП

В

R

А*

H

h

Масса, кг

П-НКМ-6

МП1

УЕИА.364542.004

64 4586 3408

200

100

125

100

15

6

П-HKM-12

УЕИА.364542.005

64 4586 3409

300

150

75

150

25

12

* При поставке в страны - члены СЭВ протекторов П-НКМ-6 и П-НКМ-12 размер А должен быть 100 и 150 мм соответственно.

Протектор П-НЛМ-14

Черт. 13

Таблица 13

Типоразмер протектора

Марка сплава

Обозначение чертежа

Код ОКП

Масса, кг

П-НЛМ-14

MП1

УЕИА.364542.006

64 4586 3406

14

Табл. 13. (Измененная редакция, Изм. № 1).

Протектор П-НЛМ-63

Черт. 14

Таблица 14

Типоразмер протектора

Марка сплава

Обозначение чертежа

Код ОКП

Масса, кг

П-НЛМ-63

МП1

УЕИА.364542.007

64 4586 3407

63

Протекторы П-НОЦ-5; П-НОЦ-10

1 - арматура; 2 - вкладыш; 3 - протектор

Черт. 15

Таблица 15

Размеры, мм

Типоразмер протектора

Марка сплава

Обозначение чертежа

Код ОКП

В

В1

Н

Масса, кг

П-НОЦ-5

ЦП1

УЕИА.364543.006

64 4586 3508

140

80

60

5

Цп2

УЕИА.364543.006-01

64 4586 3613

ЦП3

УЕИА.364543.006-02

64 4586 3614

П-НОЦ-10

ЦП1

УЕИА.364543.007

64 4586 3509

170

100

80

10

ЦП2

УЕИА.364543.007-01

64 4586 3615

Цп3

УЕИА.364543.007-02

64 4586 3616

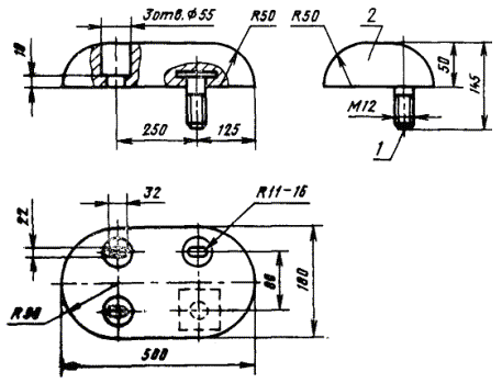
Протекторы П-ПОА-10; П-ПОА-30; П-ПОА-60

1 - арматура; 2 - протектор

Черт. 16

Таблица 16

Размеры, мм

Типоразмер протектора

Марка сплава

Обозначение чертежа

Код ОКП

L

L1

D

Масса, кг

П-ПОА-10

АП1

УЕИА.364541.014

64 4586 4204

500

400

100

10

АП2

УЕИА.364541.014-01

64 4586 4103

АП3

УЕИА.364541.014-02

64 4586 4203

АП4

УЕИА.364541.014-03

64 4586 4303

П-ПОА-30

АП1

УЕИА.364541.016

64 4586 4205

1000

900

120

30

АП2

УЕИА.364541.016-01

64 4586 4101

АП3

УЕИА.364541.016-02

64 4586 4201

АП4

УЕИА.364541.016-03

64 4586 4301

П-ПОА-60

АП1

УЕИА.364541.018

64 4586 4206

170

60

АП2

УЕИА.364541.018-01

64 4586 4102

АП3

УЕИА.364541.018-02

64 4586 4202

АП4

УЕИА.364541.018-03

64 4586 4302

Протекторы П-ПОА-15; П-ПОА-45; П-ПОМ-4; П-ПОМ-10; П-ПОМ-30; П-ПОМ-60

1 - арматура; 2 - протектор

Черт. 17

Таблица 17

Размеры, мм

Типоразмер протектора

Марка сплава

Обозначение чертежа

Код ОКП

В

Н

R

L

L1

Масса, кг

П-ПОА-15

АП1

УЕИА.364541.015

64 4586 4207

115

100

50

600

700

15

АП2

УЕИА.364541.015-01

64 4586 4104

АП3

УЕИА.364541.015-02

64 4586 4208

АП4

УЕИА.364541.015-03

64 4586 4304

П-ПОА-45

АП1

УЕИА.364541.017

64 4586 4209

200

170

85

45

АП2

УЕИА.364541.017-01

64 4586 4105

АП3

УЕИА.364541.017-02

64 4586 4210

АП4

УЕИА.364541.017-03

64 4586 4305

П-ПОМ-4

МП1

УЕИА.364542.008

64 4586 4401

115

100

50

250

350

4

П-ПОМ-10

УЕИА.364542.009

64 4586 4402

600

700

10

П-ПОМ-30

УЕИА.364542.010

64 4586 4403

200

170

85

30

П-ПОМ-60

УЕИА.364542.011

64 4586 4404

270

240

120

60

Протекторы П-POA-5; П-РОА-8; П-РОМ-0,8; П-РОМ-3; П-РОМ-6

1 - арматура; 2 - протектор

Черт. 18

Черт 18. (Измененная редакция, Изм. № 2).

Таблица 18

Размеры, мм

Типоразмер протектора

Марка сплава

Обозначение чертежа

Код ОКП

L

А

l

В

R

Масса, кг

П-РОМ-0,8

МП1

УЕИА.364542.012

64 4586 3410

160

60

50

100

50

0,8

П-РОМ-3

УЕИА.364542.013

64 4586 3411

300

150

75

150

75

3

П-POM-6

УЕИА.364542.014

64 4586 3412

500

250

125

6

П-РОА-5

АП4

УЕИА.364542.019

64 4586 3311

300

150

75

5

П-РОА-8

УЕИА.364542.020

64 4586 3312

500

250

125

8

Протекторы П-РОА-11; П-РОМ-7

1 - арматура; 2 - протектор

Черт. 19

Таблица 19

Типоразмер протектора

Марка сплава

Обозначение чертежа

Код ОКП

Масса, кг

П-РОА-11

АП4

УЕИА.364542.021

64 4586 3313

11

П-РОМ-7

МП1

УЕИА.364542.015

64 4586 3413

7

Табл. 1 - 19. (Измененная редакция, Изм. № 2).

Структура обозначения типоразмера протектора:

первая буква П - протектор;

вторая буква (после дефиса) - тип протектора;

третья буква - конструктивное исполнение:

К - концевой;

Л - линейный;

О - одиночный;

четвертая буква - обозначение основного металла сплава, из которого изготовлен протектор:

А - алюминиевый;

М - магниевый;

Ц - цинковый;

цифра (после дефиса) - номинальная масса протектора в килограммах;

последняя цифра (после дефиса) - разновидность конструкции.

Примеры условного обозначения

Протектора короткозамкнутого одиночного из алюминиевого сплава марки АП2 массой 3 кг:

Протектор П-КОА-3 АП2 ГОСТ 26251-84

Протектора неотключаемого одиночного из цинкового сплава марки ЦП2 массой 5 кг:

Протектор П-НОЦ-5 ЦП2 ГОСТ 26251-84

Протектора регулируемого одиночного из магниевого сплава марки МП1 массой 3 кг:

Протектор П-РОМ-3 МП1 ГОСТ 26251-84

2. ТЕХНИЧЕСКИЕ ТРЕБОВАНИЯ

2.1. Протекторы должны изготовляться в соответствии с требованиями настоящего стандарта по рабочим чертежам, утвержденным в установленном порядке.

2.2. Протекторы должны быть изготовлены методом литья в металлические формы или водоохлаждаемые кристаллизаторы.

Марки сплавов и их химический состав должны соответствовать указанным в табл. 20. Физико-химические характеристики протекторных сплавов указаны в справочном приложении 2.

Расшифровка марки протекторных сплавов:

первая буква - обозначение основного металла сплава:

А - алюминий;

М - магний;

Ц - цинк;

вторая буква П - протекторный;

цифра - порядковый номер сплава.

Таблица 20

Марка сплава

Массовая доля основных компонентов, %

Примеси, %, не более

Магний

Алюминий

Цинк

Марганец

Титан, не более

Олово

Цирконий

Таллий

Галлий

Индий

Железо

Медь

Никель

Свинец

Кремний

МП1

Остальное

5,0 - 7,0

2,0 - 4,0

0,02 - 0,50

0,04

-

-

-

 

 

0,003

0,004

0,001

-

0,04

АП1

-

Остальное

4,0 - 6,0

-

-

-

-

-

0,10

0,01

-

-

0,10

АП2

0,6 - 1,0

0,01 - 0,2

АП3

4,0 - 6,0

-

0,001 - 0,1

АП4

0,5 - 1,0

0,05 - 0,1

-

0,01 - 0,05

0,01 - 0,05

ЦП1

-

0,4 - 0,6

Остальное

-

-

-

-

-

 

 

0,0015

0,001

0,0054

-

Цп2

0,1 - 0,3

0,5 - 0,7

0,1 - 0,3

0,004

ЦП3

-

0,2 - 0,6

-

0,005 - 0,1

0,005 - 0,1

Табл. 20. (Измененная редакция, Изм. № 1, 2).

Примечания:

1. Общая массовая доля примесей, не указанных в таблице, не должна превышать 0,2 %.

2. В сплаве ЦП3 кремний является легирующей добавкой.

Основные материалы для производства протекторных сплавов; приведены в справочном приложении 3.

2.3. Для изготовления арматуры протекторов следует применять: полосу по ГОСТ 103-76, проволоку по ГОСТ 2333-80 или круг по ГОСТ 2590-88 из стали марки ВСт3сп2 по ГОСТ 5521-86. Арматура должна иметь покрытие Ц15, Ц15хр или 9Кд6.хр по ГОСТ 9.306-85.

Допускается изготовлять арматуру из стали по ГОСТ 380-88.

Допускается наличие монтажных отверстий на арматуре протекторов.

(Измененная редакция, Изм. № 1, 2).

2.4. Рабочая поверхность протекторов должна быть чистой, без посторонних включений и трещин.

На поверхности протекторов допускаются окисные включения, зачищенные места, впадины (выступы) глубиной (высотой) до 5 мм общей площадью до 500 мм2. На нерабочей поверхности протекторов допускается усадка глубиной до 5 мм и единичные трещины шириной до 0,5 мм и длиной не более половины высоты протектора. Кроме того, на нерабочей поверхности протекторов, за исключением протекторов типов П-РОА и П-РОМ, допускаются выступы (впадины) высотой (глубиной) до 5 мм, образующиеся при заливке как след заливочного стакана.

Допускается подбивка залива к рабочей поверхности. Для протекторов, отливаемых в открытую изложницу, допускается усадка, характерная для данного способа литья.

На боковых сторонах протектора допускаются приливы диаметром до 30 мм и высотой до 15 мм, образующиеся при бесприбыльном литье.

На кромках протекторов допускаются сколы глубиной до 8 мм общей площадью не более 50 мм2.

На горизонтальных и вертикальных поверхностях отверстий протекторов неотключаемого и регулируемого типов из магниевого сплава допускаются рыхлоты площадью не более 10 мм2 и утяжины глубиной до 1 мм.

Примечание. Нерабочей поверхностью является основание протекторов всех типов, кроме подвесного, а также половина высоты боковых поверхностей протекторов П-КОА-1, П-КОА-1-1, П-КОА-3, П-КОА-3-1, П-КОА-5-1, П-КОМ-3 и П-КОМ-6.

(Измененная редакция, Изм. № 1, 2).

2.5. Предельные отклонения размеров протекторов, мм, устанавливаются:

по длине: для протекторов до 300 мм включительно..... ±6

более 300 мм........................ ±12

по ширине и высоте............................................................ ±5

на радиусы монтажных отверстий.................................... ±2

на смещение осей отверстий............................................. ±1

нa расположение арматуры............................................... ±5

Отклонения от соосности овальных и круглых отверстий не должны быть более половины допуска смещения осей отверстий.

Примечание. Допускается контроль размеров протекторов проводить по размерам изложниц.

(Измененная редакция, Изм. № 1).

2.6. Литейные радиусы протекторов не должны быть более 8 мм.

2.7. Предельные отклонения массы протекторов от номинальной, %, не должны превышать:

для протекторов массой до 20 кг включительно............. ±10

для протекторов массой свыше 20 кг................................ ±5

(Измененная редакция, Изм. № 1).

2.8. Сопротивление электрической изоляции арматуры протекторов типа П/НОЦ от протекторной массы должно быть не менее 300 кОм.

(Введен дополнительно, Изм. № 1).

3. ПРАВИЛА ПРИЕМКИ

3.1. На предприятии-изготовителе протекторы подвергают приемо-сдаточным испытаниям. В процессе испытаний проводят проверку химического состава сплава, из которого изготовлен протектор, и соответствие его внешнего вида и размеров требованиям настоящего стандарта.

3.2. Протекторы принимают партиями. Партия должна состоять из протекторов одного типоразмера, одной марки сплава.

(Новая редакция, Изм. № 1).

3.3. Для контроля химического состава протекторов от каждой плавки в процессе литья отливают пробы (не менее двух) в соответствии с ГОСТ 3240.0-76, ГОСТ 11739.0-82, ГОСТ 25284.0-82 и ГОСТ 7727-81.

Для контроля протекторов на соответствие требованиям пп. 2.4 - 2.8 от предъявленной партии отбирают 1 % (но не менее 3 шт.) протекторов.

3.4. Результаты испытаний считать положительными, если все протекторы, подвергнутые испытаниям, соответствуют требованиям настоящего стандарта.

При несоответствии протекторов требованиям п. 2.2 протекторы проверяемой плавки бракуют.

При несоответствии протекторов требованиям пп. 2.4 - 2.8 проводят повторные испытания на удвоенной выборке от партии. Протекторы из первой выборки, имеющие отклонения от требований настоящего стандарта, бракуют.

Результаты повторных испытаний считают окончательными.

3.3, 3.4. (Измененная редакция, Изм. № 1).

3.5. Клеймо технического контроля проставляют в сопроводительном документе к партии.

4. МЕТОДЫ КОНТРОЛЯ

4.1. Контроль химического состава сплавов осуществляют в соответствии с ГОСТ 3240.1-76, ГОСТ 3240.2-76, ГОСТ 3240.3-76, ГОСТ 3240.8-76, ГОСТ 3240.12-76, ГОСТ 3240.15-76, ГОСТ 3240.18-76, ГОСТ 3240.20-76, ГОСТ 11739.6-82, ГОСТ 11739.7-82, ГОСТ 11739.11-82, ГОСТ 11739.12-82, ГОСТ 11739.13-82, ГОСТ 11739.17-78, ГОСТ 11739.18-78, ГОСТ 11739.23-82, ГОСТ 11739.24-82, ГОСТ 25284.1-82, ГОСТ 25284.2-82, ГОСТ 25284.3-82, ГОСТ 25284.4-82, ГОСТ 25284.6-82 и ГОСТ 7727-81.

Допускаются другие методы проведения анализа, по точности не уступающие указанным в перечисленных выше стандартах.

4.2. Конструкцию и размеры протекторов проверяют сличением с чертежами и при помощи измерительных инструментов, обеспечивающих необходимую точность.

4.3. Качество поверхности протекторов и четкость маркировки проверяют визуально.

4.4. Массу протекторов проверяют взвешиванием на весах с погрешностью не более 3 %.

4.5. Сопротивление электрической изоляции проверяют мегаомметром типа M4100/1 класса точности 1.0 на номинальное напряжение 100 В.

(Введен дополнительно, Изм. № 1).

5. МАРКИРОВКА, УПАКОВКА, ТРАНСПОРТИРОВАНИЕ И ХРАНЕНИЕ

5.1. На каждом протекторе на рабочей поверхности должна быть нанесена четкая маркировка, содержащая:

товарный знак предприятия-изготовителя;

обозначение типоразмера протектора в соответствии с табл. 21;

марку сплава и номер плавки.

Допускается отдельные цифры маркировки наносить ударным способом клеймами по ГОСТ 25726-83 шрифтом высотой не менее 10 мм.

Таблица 21

Типоразмер протектора

Обозначение при маркировке

Типоразмер протектора

Обозначение при маркировке

П-ККА-13

13

П-НКМ-12

12Н

П-КЛА-15

15

П-НЛМ-14

14Н

П-КОА-1

1

П-НЛМ-63

63Н

П-КОА-1-1

1-1

П-НОЦ-5

П-KOA-3

3

П-НОЦ-10

10Н

П-коА-3-1

3-1

П-ПОА-10

10П

П-КОА-4

4

П-ПОА-15

15П

П-КОА-5

5

П-ПОА-30

30П

П-КОА-5-1

5-1

П-ПОА-45

45П

П-КОА-8

8

П-ПОА-60

60П

П-КОА-10

10

П-ПОМ-4

П-КОА-12

12

П-ПОМ-10

10П

П-КОА-20

20

П-ПОМ-30

30П

П-КОМ-3

3

П-ПОМ-60

60П

П-КОМ-6

6

П-РОА-5

П-КОМ-10

10

П-РОА-8

П-КОЦ-5

5

П-РОА-11

11Р

П-КОЦ-10

10

П-РОМ-0,8

0,8Р

П-КОЦ-15

15

П-РОМ-3

П-КОЦ-18

18

П-РОМ-6

П-КОЦ-36

36

П-РОМ-7

П-НКМ-6

 

 

На протекторы типоразмеров П-КОА-1, П-КОА-1-1, П-КОА-3, П-KOA-3-1, П-КОА-5, П-КОА-5-1 и П-КОА-12 из сплава марок АП2 и АП4, а также на протекторы типоразмеров П-КОМ-3 и П-КОМ-6 из сплава марки МП1 дополнительно поперек протектора в средней зоне рабочей поверхности наносят полосу шириной - 20 мм несмываемой краской:

для сплава марки АП2 - красного цвета;

для сплава марки АП4 - желтого цвета;

для сплава марки МП1 - белого цвета.

Структура маркировки протектора:

первая цифра - обозначение типоразмера протектора в соответствии с табл. 21;

через дефис - марка сплава;

цифры через промежуток - номер плавки.

Пример маркировки протекторов: П-КОА-3 из сплава марки АП2 плавка № 965:

3-А2 965;

то же, из сплава марки АП3:

3-А3 965;

П-НОЦ-5 из сплава марки ЦП2 плавки № 861:

5Н-Ц2 861;

П-РОМ-3 из сплава марки МП1 плавки № 146:

3Р-М1 146.

(Измененная редакция, Изм. № 1, 2).

5.2. Протекторы укладывают в транспортные пакеты по ГОСТ 24597-81 или универсальные контейнеры или упаковывают в дощатые ящики по ГОСТ 2991-85 тип III или по ГОСТ 10198-78.

При поставке протекторов малыми партиями (не более одного упаковочного места) допускается использование ящиков типов I и II по ГОСТ 2991-85.

Для исключения возможности перемещения груза внутри ящика протекторы каждого горизонтального ряда должны быть раскреплены с помощью реек. Размеры дощатых ящиков - по ГОСТ 21140-88.

Протекторы в контейнеры укладывают стопами или производят пакетирование стоп на подкладках по ГОСТ 22322-77. Средства скрепления стоп и пакетов - по ГОСТ 21650-76.

Консервация протекторов не производится.

В каждый контейнер или ящик должен быть вложен упаковочный лист, содержащий:

наименование и адрес предприятия-изготовителя;

типоразмер протекторов, число протекторов;

обозначение настоящего стандарта.

(Измененная редакция, Изм. № 1, 2).

5.3. Грузовые места должны иметь транспортную маркировку, которая должна быть нанесена на ящики или фанерные ярлыки по ГОСТ 14192-77. Фанерные ярлыки должны быть прочно прикреплены проволокой к грузу.

5.4. Отгружаемая партия протекторов должна сопровождаться документом, в котором указывают:

наименование или товарный знак предприятия-изготовителя;

марку сплава;

типоразмер протектора;

число протекторов в партии;

год выпуска партии;

обозначение настоящего стандарта;

данные о качестве и соответствии протекторов требованиям настоящего стандарта.

(Измененная редакция, Изм. № 1).

5.5. Транспортирование протекторов в ящиках или транспортных пакетах должно проводиться в крытых вагонах в соответствии с требованиями ГОСТ 21929-76, средства скрепления - по ГОСТ 21650-76 при соблюдении условий хранения 5 по ГОСТ 15150-69.

5.6. Протекторы должны храниться на предприятиях-изготовителях и у потребителей протекторов на стеллажах или в ящиках, разложенными по типоразмерам, а в пределах каждого типоразмера - по маркам сплавов. Условия хранения 3 - по ГОСТ 15150-69 в помещениях, защищенных от действия активных реагентов.

Допускается хранение протекторов в пакетах в закрытых складах на специально отведенной площадке.

5.5, 5.6. (Измененная редакция, Изм. № 2).

6. УКАЗАНИЯ ПО ЭКСПЛУАТАЦИИ

6.1. Протекторы должны устанавливаться на поверхность корпусных конструкций, имеющих периодический или постоянный контакт с морской водой.

6.2. При эксплуатации судов, оборудованных протекторной защитой, следует контролировать сохранность протекторов, заменяя изношенные более чем на 70 % или сорванные протекторы.

6.3. При проведении окрасочных работ на поверхностях, оборудованных протекторной защитой, следует предусмотреть защиту рабочей поверхности протекторов от попадания на них краски.

7. ГАРАНТИИ ИЗГОТОВИТЕЛЯ

7.1. Изготовитель гарантирует соответствие протекторов требованиям настоящего стандарта при соблюдении условий транспортирования и хранения.

7.2. Гарантийный срок хранения протекторов с момента их изготовления:

3 года - для магниевых протекторов;

3 года - для цинковых протекторов;

5 лет - для алюминиевых протекторов.

(Измененная редакция, Изм. № 2).

7.3. По истечении гарантийного срока хранения перед монтажом систем протекторной защиты должна проводиться проверка состояния протекторов в объеме 10 % из партии на соответствие требованиям настоящего стандарта по внешнему виду, массе, размерам.

Допускается использовать задел изложниц до их физического износа.

(Введен дополнительно, Изм. № 2).

ПРИЛОЖЕНИЕ 1

Рекомендуемое

Область применения протекторов

Типоразмер протектора

Область применения

П-КОА-4; П-КОА-10; П-КОМ-10

Подводная часть судов малого (до 1000 т) водоизмещения

П-КЛА-15; П-ККА-13; П-НКМ-6; П-НКМ-12; П-НЛМ-14; П-НЛМ-63

Подводная часть стальных корпусов судов среднего (1000 - 30000 т) и большого (более 30000 т) водоизмещения

П-КОА-1; П-КОА-1-1, П-КОА-3; П-КОА-3-1; П-КОА-5; П-КОА-5-1; П-КОА-8; П-КОА-12; П-КОА-20; П-КОМ-3; П-КОМ-6; П-КОЦ-5; П-КОЦ-10; П-КОЦ-15; П-КОЦ-18; П-КОЦ-36; П-НОЦ-5; П-НОЦ-10

Внутренние поверхности танков, и цистерн судов

П-РОМ-0,8; П-РОМ-3; П-РОМ-6; П-РОМ-7; П-РОА-5; П-РОА-9; П-РОА-11

Подводная часть стальных и алюминиевых корпусов судов

П-ПОА-10; П-ПОА-15; П-ПОА-30; П-ПОА-45; П-ПОА-60, П-ПОМ-4; П-ПОМ-10; П-ПОМ-30; П-ПОМ-60

Подводная часть корпусов судов, эксплуатирующихся на стоянках, и стационарных металлических сооружений

ПРИЛОЖЕНИЕ 2

Справочное

Физико-химические характеристики протекторных сплавов

Марка сплава

Плотность, г/см2

Отрицательный потенциал по водородному электроду сравнения, мВ

Отрицательный потенциал по хлорсеребряному электроду сравнения, мВ

Удельная теоретическая токоотдача, А×ч/кг

Коэффициент полезного использования, % не менее

стационарный

рабочий

стационарный

рабочий

МП1

1,8

1300

1210

1540

1450

2200

65

АП1

2,8

820

700

1060

940

2880

80

АП2

2,7

650

600

890

840

2940

80

АП3

2,8

820

700

1060

940

2880

80

АП4

2,8

900

800

1140

1040

2880

80

ЦП1

7,1

820

730

1060

970

820

95

ЦП2

7,1

820

730

1060

970

820

95

ЦП3

7,1

820

730

1060

970

820

95

(Измененная редакция, Изм. № 1).


ПРИЛОЖЕНИЕ 3

Справочное

Основные материалы для производства протекторных сплавов

Марка сплава

Марка цветных металлов, применяемых в качестве шихты

Магний

Алюминий

Цинк

Марганец

Флюс бариевый

Олово

Цирконий двуокись

Таллий

Силумин

Сера молотая

Галлий

Индий

МП1

Не ниже марки Мг95 ГОСТ 804-72

Не ниже марки А85 ГОСТ 11069-74

Не ниже марки Ц0 ГОСТ 3640-79

Не ниже марки Mp1 ГОСТ 6008-82

По технической документации

-

-

-

-

ГОСТ 127-76

-

-

АП1

-

Не ниже марки А85 ГОСТ 11069-74

Не ниже марки Ц1 ГОСТ 3640-79

-

-

-

-

-

-

-

-

-

АП2

-

Не ниже марки А85 ГОСТ 11069-74

Не ниже марки Ц1 ГОСТ 3640-79

Не ниже марки Мр0 ГОСТ 6008-82

-

-

-

-

-

-

-

-

АП3

-

Не ниже марки A85 ГОСТ 11069-74

Не ниже марки Ц1 ГОСТ 3640-79

-

-

-

Цр0 ГОСТ 21907-76

-

-

-

-

-

АП4

Не ниже марки Мг95 ГОСТ 804-72

Не ниже марки А85 ГОСТ 11069-74

Не ниже марки Ц1 ГОСТ 3640-79

-

-

Не ниже марки 01 ГОСТ 860-75

-

-

-

-

Не ниже марки Гл-1 по ГОСТ 12797-77

Не ниже марки Ин-2 по ГОСТ 10297-75

ЦП1

-

Не ниже марки А99 ГОСТ 11069-74

Не ниже марки ЦВ00 ГОСТ 3640-79

-

-

-

-

-

-

-

-

-

ЦП2

Не ниже марки Мг95 ГОСТ 804-72

Не ниже марки А99 ГОСТ 11069-74

Не ниже марки ЦВ ГОСТ 3640-79

Не ниже марки Мр0 ГОСТ 6008-82

-

-

-

-

-

-

-

-

ЦП3

-

-

Не ниже марки Ц0 ГОСТ 3640-79

-

-

-

-

Не ниже марки ТЛ0 ГОСТ 18337-80

Не ниже марки СИЛ-0 ГОСТ 1521-76

-

-

-

(Измененная редакция, Изм. № 2).




© 2013 Ёшкин Кот :-)