Информационная система
«Ёшкин Кот»

XXXecatmenu

ГОСУДАРСТВЕННЫЕ СТАНДАРТЫ СОЮЗА ССР

 

ВИНТЫ С НАКАТАННОЙ НИЗКОЙ ГОЛОВКОЙ
И СТУПЕНЧАТЫМ КОНЦОМ

Конструкция и размеры

 

ГОСТ 21334-75

 

 

 

ИПК ИЗДАТЕЛЬСТВО СТАНДАРТОВ

Москва

 

 

ГОСУДАРСТВЕННЫЙ СТАНДАРТ СОЮЗА ССР

ВИНТЫ С НАКАТАННОЙ НИЗКОЙ ГОЛОВКОЙ И СТУПЕНЧАТЫМ КОНЦОМ

Конструкция и размеры

Low knurled-head and step-point screws.

Construction and dimensions

ГОСТ
21334-75*

Взамен

ГОСТ 10492-63

в части варианта со ступенчатым концом

Постановлением Государственного комитета стандартов Совета Министров СССР от 8 декабря 1975 г. № 3800 срок введения установлен

с 01.01.77

Проверен в 1991 г. Постановлением Госстандарта от 27.06.91 № 1173 снято ограничение срока действия

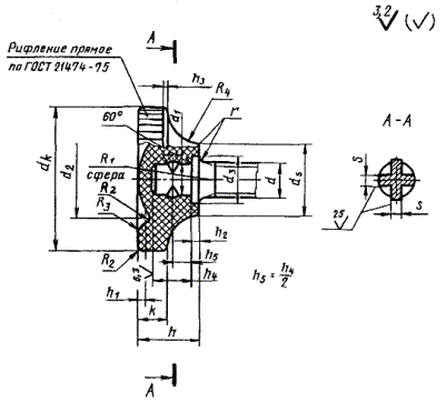
1. Настоящий стандарт распространяется на цельные и составные винты с металлической или пластмассовой накатанной низкой головкой и ступенчатым концом классов точности А и В с диаметром резьбы от 3 до 12 мм.

Требования настоящего стандарта являются обязательными.

(Измененная редакция, Изм. № 1, 2).

2. (Исключен, Изм. № 1).

3. Конструкция и размеры винтов должны соответствовать указанным на чертеже и в табл. 1 и 2.

Исполнение 1

Исполнение 2

Таблица 1

мм

Номинальный диаметр резьбы d

3,0

(3,5)

4,0

5,0

6,0

8,0

10,0

12,0

Шаг резьбы

крупный

0,50

0,60

0,70

0,80

1,00

1,25

1,50

1,75

мелкий

0,35

0,50

0,75

1,00

1,25

Диаметр головки dК

12

14

16

20

24

30

36

40

Высота головки h

5

6

7

8

10

12

14

16

k

2,5

3,0

3,5

4,0

5,0

6,0

8,0

10,0

h1

0,35

0,45

0,60

0,75

0,90

1,20

1,50

1,75

h2

1,0

1,1

1,2

1,4

1,6

2,0

2,4

2,8

h3

0,4

0,5

0,7

0,8

0,9

1,0

h4

2,5

3,0

3,5

4,5

5,5

7,0

9,0

10,0

Диаметр подголовка ds

6

7

8

10

12

16

20

24

d2

7

8

9

11

13

18

22

24

d3

5

5

6

7

8

10

12

14

S

1,2

1,5

1,8

2,2

2,6

3,4

4,2

5,0

Радиус сферы R1

8,4

9,0

10,2

12,3

18,0

20,4

21,0

R2

0,35

0,60

0,75

0,9

1,20

1,50

1,75

R3

0,2

0,3

0,4

0,5

0,6

0,7

0,8

Радиус под головкой r

0,5

1,0

2,0

R4

2

3

4

5

6

с, не более

0,3

0,4

0,5

0,6

0,8

Длина резьбы b

9

10

12

15

18

22

28

34

Примечание. Размеры, приведенные в скобках, непредпочтительны.

Таблица 2

мм

Примечания:

1. Винты в области от верхней сплошной линии до пунктирной изготавливаются с резьбой по всей длине.

2. Размеры, приведенные в скобках, непредпочтительны.

Пример условного обозначения винта класса точности А, исполнения 1, диаметром резьбы d = 10 mm, с крупным шагом резьбы, длиной l = 16 мм, класса прочности 4.6, без покрытия:

Винт А.М10´16.46 ГОСТ 21334-75

То же, класса точности В, исполнения 2, с мелким шагом резьбы, цинковым покрытием толщиной 6 мкм, нанесенным способом катодного восстановления, хроматированным:

Винт В2.М10´1,25 - 6g´16.46.016 ГОСТ 21334-75

(Измененная редакция, Изм. № 1, 2).

4. Резьба - по ГОСТ 24705-81, поле допуска резьбы 6g - по ГОСТ 16093-81.

(Измененная редакция, Изм. № 1).

5. Диаметр гладкой части стержня должен быть равен наружному диаметру резьбы или диаметру стержня под накатывание метрической резьбы по ГОСТ 19256-73.

Диаметр d1 должен находиться в пределах от наружного до среднего диаметра резьбы.

(Измененная редакция, Изм. № 1, 2).

6. Размеры сбегов и недорезов резьбы - по ГОСТ 27148-86.

(Измененная редакция, Изм. № 1).

7. (Исключен, Изм. № 1).

8. Технические требования - по ГОСТ 21338-75.

9. Теоретическая масса винтов приведена в приложениях 1 и 2.

(Измененная редакция, Изм. № 2).

10. Конец винта ступенчатый с конусом - по ГОСТ 12414-66.

11. Допуски размеров, отклонений формы и расположения поверхностей - по ГОСТ 1759.1-82.

10, 11. (Введены дополнительно, Изм. № 2).

ПРИЛОЖЕНИЕ 1

Справочное

Длина винта l, мм

Теоретическая масса 1000 шт. стальных винтов с пластмассовой низкой головкой, кг ≈, при номинальном диаметре резьбы d, мм

3,0

(3,5)

4,0

5,0

6,0

8,0

10,0

12,0

4

1,03

-

-

-

-

-

-

-

5

1,08

1,68

2,42

-

-

-

-

-

6

1,12

1,75

2,49

4,4

-

-

-

-

8

1,21

1,9

2,64

4,6

7,7

-

-

-

10

1,30

2,05

2,79

4,8

8,0

-

-

-

12

1,38

2,21

2,94

5,0

8,3

16,0

-

-

(14)

1,47

2,36

3,10

5,3

8,7

16,7

-

-

16

1,56

2,51

3,25

5,5

9,0

17,3

29,7

-

(18)

1,65

2,66

3,41

5,7

9,3

17,9

30,8

-

20

1,74

2,81

3,56

6,0

9,7

18,6

32

-

(22)

1,81

2,96

3,72

6,3

10,1

19,4

33

-

25

1,97

3,19

3,94

6,6

10,6

20,2

34

52

(28)

2,08

3,41

4,12

6,9

11,1

21,0

35

53

30

2,19

3,56

4,32

7,2

11,5

21,8

37

55

(32)

2,28

3,72

4,50

7,6

12,0

22,6

38

57

35

2,42

3,94

4,69

8,0

12,5

23,4

39

59

(38)

-

-

4,87

8,3

13,0

24,2

40

60

40

-

-

5,07

8,6

13,2

24,9

42

62

45

-

-

-

-

-

26,5

44

66

50

-

-

-

-

-

28,1

47

70

55

-

-

-

-

-

-

49

73

60

-

-

-

-

-

-

52

77

ПРИЛОЖЕНИЕ 2

Справочное

Длина винта l, мм

Теоретическая масса 1000 шт. стальных винтов с пластмассовой низкой головкой, кг ≈, при номинальном диаметре резьбы d, мм

3,0

(3,5)

4,0

5,0

6,0

8,0

10,0

12,0

4

2,39

 

 

 

 

 

 

 

5

2,43

3,90

5,97

 

 

 

 

 

6

2,47

3,96

6,03

10,5

 

 

 

 

8

2,56

4,08

6,1

10,8

18,9

 

 

 

10

2,64

4,2

6,25

11,1

19,4

 

 

 

12

2,73

4,32

6,4

11,3

19,8

38,0

 

 

(14)

2,82

4,43

6,55

11,5

20,1

38,4

 

 

16

2,91

4,55

6,7

11,7

20,4

39,0

71,5

 

(18)

3,00

4,67

6,85

11,9

20,7

39,6

72,5

 

20

3,1

4,79

7,0

12,1

21,0

40,2

73,5

 

(22)

3,17

4,91

7,15

12,3

21,3

40,8

74,5

 

25

3,26

5,02

7,37

12,6

21,8

41,7

76,0

116

(28)

3,35

5,14

7,50

12,9

22,3

42,6

77,5

118

30

3,52

5,26

7,81

13,2

22,9

43,2

78,4

120

(32)

3,75

5,39

8,19

13,5

23,5

43,8

79,8

121

35

4,20

5,52

8,51

14,2

24,1

44,4

80,9

123

(38)

 

 

8,95

15,0

24,8

45,2

82,8

125

40

 

 

9,30

15,9

25,6

45,9

83,4

127

45

 

 

 

 

 

46,6

86,0

130

50

 

 

 

 

 

47,3

88,4

134

55

 

 

 

 

 

 

90,9

138

60

 

 

 

 

 

 

93,4

141

ПРИЛОЖЕНИЯ 1, 2. (Измененная редакция, Изм. № 2).

 

 



© 2013 Ёшкин Кот :-)