Информационная система
«Ёшкин Кот»

XXXecatmenu

РОССИЙСКОЕ АКЦИОНЕРНОЕ ОБЩЕСТВО
ЭНЕРГЕТИКИ И ЭЛЕКТРИФИКАЦИИ «ЕЭС РОССИИ»

ДЕПАРТАМЕНТ НАУКИ И ТЕХНИКИ

 

ТИПОВАЯ ИНСТРУКЦИЯ
ПО ЭКСПЛУАТАЦИИ УСТАНОВОК ПОДОГРЕВА
СЕТЕВОЙ ВОДЫ НА ТЭЦ И КЭС

 

РД 34.40.503-94

 

 

 

ОРГРЭС
Москва 1996

 

Разработано Акционерным обществом «Фирма по наладке, совершенствованию технологии и эксплуатации электростанций и сетей ОРГРЭС»

Исполнитель И.М. ЮДИНА

Утверждено Департаментом науки и техники 23.12.94 г.

Первый заместитель начальника А.П. БЕРСЕНЕВ

ТИПОВАЯ ИНСТРУКЦИЯ
ПО ЭКСПЛУАТАЦИИ УСТАНОВОК ПОДОГРЕВА
СЕТЕВОЙ ВОДЫ НА ТЭЦ И КЭС

РД 34.40.503-94

Вводится в действие

с 01.01.97 г.

1. ОБЩАЯ ЧАСТЬ

1.1. Настоящая Типовая инструкция составлена на основе нормативно-технической и заводской документации по подогревателям сетевой воды, опыта их эксплуатации, а также работ, проведенных НПО ЦКТИ и АО «Фирма ОРГРЭС», и является руководящим документом при разработке местных рабочих инструкций по эксплуатации оборудования установок подогрева сетевой воды на ТЭЦ и КЭС.

1.2. Типовая инструкция устанавливает основные требования, обеспечивающие надежную и эффективную работу установок подогрева сетевой воды при пусковых операциях, работе под нагрузкой, останове и выводе в ремонт.

При составлении рабочих инструкций должны учитываться все местные условия, особенности установленного оборудования и тепловой схемы.

1.3. Типовая инструкция может быть использована в качестве учебного пособия при обучении персонала, обслуживающего установки подогрева сетевой воды.

1.4. Типовая инструкция предусматривает объем контрольно-измерительных приборов, автоматики и защит, предусмотренных соответствующими руководящими документами.

1.5. При эксплуатации установок подогрева сетевой воды следует дополнительно использовать следующие документы:

паспорта на сетевые подогреватели, конденсатные и сетевые насосы и другое оборудование, входящее в систему;

«Правила технической эксплуатации электрических станций и сетей Российской Федерации: РД 34.20.501-95. - 15-е изд., перераб. и доп.» (М.: СПО ОРГРЭС, 1996);

«Правила техники безопасности при эксплуатации тепломеханического оборудования электростанций и тепловых сетей» (М.: «Энергоатомиздат», 1985);

«Правила устройства и безопасной эксплуатации трубопроводов пара и горячей воды» (Л.: НПО ЦКТИ, 1991);

«Правила устройства и безопасной эксплуатации сосудов, работающих под давлением» (Л.: НПО ЦКТИ, 1991);

«Сборник распорядительных документов по эксплуатации энергосистем (Теплотехническая часть). Ч. 1. (Разделы первый - третий). Изд. 3-е перераб. и доп.» (М.: СПО ОРГРЭС, 1991);

ГОСТ 12.1.004-91. ССБТ. Пожарная безопасность. Общие требования;

«Методические указания по объему технологических измерений, сигнализации, автоматического регулирования на тепловых электростанциях: РД 34.35.101-88» (М.: СПО Союзтехэнерго, 1990);

инструкции завода-изготовителя по монтажу и безопасной эксплуатации сетевых подогревателей;

тепловые схемы, схемы контрольно-измерительных приборов и управления, объём и условия действия технологических защит, блокировок и сигнализации, разработанные проектной организацией и заводами-изготовителями.

В настоящее время АО «Фирма ОРГРЭС» разработана «Типовая инструкция по защите тепловых сетей от наружной коррозии».

При разработке местных эксплуатационных инструкций следует учитывать материал, приведенный в справочных приложениях 1 - 4.

1.6. С выходом настоящей Типовой инструкции утрачивает силу «Типовая инструкция по эксплуатации станционных установок подогрева сетевой воды: РД 34.40.503» (М.: СПО Союзтехэнерго, 1982).

1.7. Условные обозначения, принятые в Типовой инструкции:

АВР - автоматическое включение резерва;

БЩУ - блочный щит управления;

ГВС - горячее водоснабжение;

КГП - конденсат греющего пара;

КИП - контрольно-измерительные приборы;

КОС - клапан обратный с сервоприводом;

КСН - коллектор собственных нужд (паровой);

КЭН - конденсатный электронасос;

НТД - научно-техническая документация;

ПВС - паровоздушная смесь;

ПНД - подогреватель низкого давления;

ПСВ - подогреватель сетевой вертикальный;

ПСГ - подогреватель сетевой горизонтальный;

ПСО - подогреватель сетевой основной;

ПСП - подогреватель сетевой пиковой;

РК - регулирующий клапан;

РУ - регулятор уровня;

СН - сетевой насос;

ХОВ - химически обессоленная вода;

ЦНД - цилиндр низкого давления.

2. ТРЕБОВАНИЯ БЕЗОПАСНОСТИ

2.1. При эксплуатации оборудования установок подогрева сетевой воды необходимо соблюдать меры безопасности согласно Правилам техники безопасности при эксплуатации тепломеханического оборудования электростанций и тепловых сетей, ГОСТ 12.1.004.91 и другой НТД для ТЭС.

2.2. Обслуживающий персонал должен строго выполнять действующие правила Госгортехнадзора России по безопасной эксплуатации трубопроводов пара и горячей воды и сосудов, работающих под давлением.

До пуска в работу подогреватели сетевой воды, подлежащие контролю согласно правилам Госгортехнадзора России, должны быть зарегистрированы в органах Госгортехнадзора России, от которых необходимо получить разрешение на их эксплуатацию. Трубная система и корпус подогревателей должны подвергаться периодически гидравлическим испытаниям на прочность и плотность по инструкции завода-изготовителя или правилам Госгортехнадзора России.

2.3. Для контроля за работой и обеспечения безопасности работы установки подогрева сетевой воды должны быть оборудованы КИП, средствами защиты, блокировок и сигнализации.

2.4. Эксплуатация подогревателей сетевой воды при параметрах пара и воды, превышающих значения, указанные в паспорте, не допускается.

2.5. Корпус подогревателя, трубопроводы, а также их фланцевые соединения и арматура должны иметь тепловую изоляцию. Температура поверхности изоляции при температуре окружающего воздуха 25 °С не должна превышать 45 °С. Поврежденная изоляция должна своевременно восстанавливаться.

2.6. Арматура, КИП и предохранительные устройства оборудования установок подогрева сетевой воды должны быть установлены в местах, доступных для наблюдения и обслуживания, и оборудованы площадками и лестницами с ограждениями. Площадки и лестницы должны быть в исправном состоянии, сухими и чистыми и не должны загромождаться посторонними предметами.

2.7. Зона установки подогрева сетевой воды должна быть оборудована рабочим и аварийным освещением в соответствии с действующими нормами.

2.8. На работающем оборудовании запрещается производить какие-либо ремонтные работы или работы, связанные с ликвидацией неплотностей. При опробовании и прогреве трубопроводов пара и воды после ремонта подтяжку болтов фланцевых соединений можно производить при избыточном давлении не выше 0,5 МПа (5 кгс/см2).

2.9. Эксплуатация подогревателей не допускается при:

неисправности элементов любой блокировки или защиты;

неисправности клапана регулятора уровня;

отсутствии или неисправности КИП, измеряющих давление или уровень в корпусе;

выявлении неплотности в трубной системе;

обнаружении в основных элементах аппарата трещин, выпучин, недопустимого утонения стенок, течи в сварных швах, разрыва прокладок.

2.10. Задвижки и вентили на трубопроводах должны иметь надписи присвоенных им номеров, а также указатели направления вращения штурвала.

2.11. Запрещается открывать вентили опорожнения и вентили выпуска воздуха из трубопроводов и оборудования, находящихся в рабочем состоянии.

2.12. При продувке импульсных линий измерения давления пара или конденсата обслуживающий персонал должен располагаться по отношению к вентилю продувки так, чтобы выходящая струя среды не была направлена на него.

2.13. После замены водомерных стекол подогревателя необходимо включить их в работу с соблюдением следующих мер предосторожности:

производить работу в рукавицах и очках;

прогреть подключаемое стекло через продувочный кран постепенным открытием верхнего парового крана;

после 10 - 15-минутного прогрева стекла закрыть продувочный вентиль и верхний паровой отключающий кран;

подключить стекло медленным открытием отключающих кранов (открывать сначала нижний кран).

2.14. Доступные для случайного прикосновения вращающиеся части насоса должны быть надежно ограждены. Пуск и работа насоса без ограждения или с плохо закрепленными ограждениями запрещаются.

2.15. На работающих насосах запрещается регулировать затяжку сальниковых уплотнений.

3. ТЕПЛОВЫЕ СХЕМЫ ВКЛЮЧЕНИЯ УСТАНОВОК ПОДОГРЕВА СЕТЕВОЙ ВОДЫ

3.1. Установка подогрева сетевой воды предназначена для многоступенчатого подогрева сетевой воды паром из отборов турбины или общестанционного КСН.

Тепловые схемы установок подогрева сетевой воды включаются заводами-изготовителями в объем разрабатываемых ими тепловых схем турбоустановок с турбинами теплофикационного типа или разрабатываются отдельно для турбоустановок с турбинами конденсационного типа. Этим объясняется многообразие схем станционных установок подогрева сетевой воды, предназначенных для целей теплофикации.

3.2. Станционные установки подогрева сетевой воды можно разделить на три группы:

установки, в которых используется пар теплофикационных турбин с двумя отопительными отборами (например, Т-250/300-240; Т-175/210-130; Т-100/120-130; ПТ-135/165-130/15; Т-50-130 ТМЗ; ПТ-80/100-130/13 ЛМЗ и т.п.);

установки, в которых используется пар теплофикационных турбин с одним отопительным отбором (например, Т-25-90; ПТ-25-90; ПТ-60-90; ПТ-60-130 ЛМЗ и т.п.);

установки, в которых используется пар регенеративных отборов конденсационных турбин.

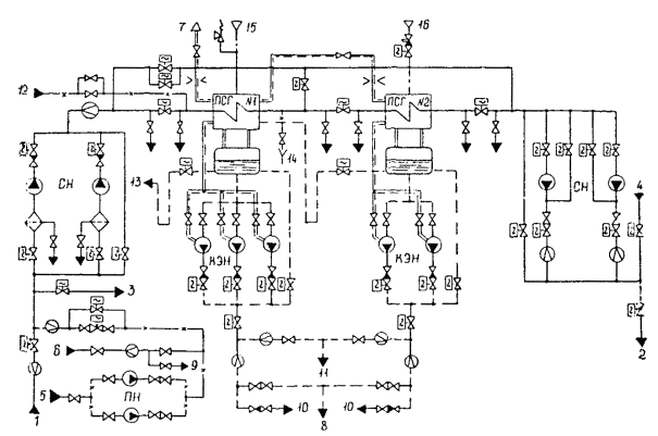
3.3. На рис. 1 приведена схема установки подогрева сетевой воды паром от теплофикационной турбины с двумя отопительными отборами. Она включает в себя два горизонтальных подогревателя сетевой воды, сетевые насосы I и II ступеней, конденсатные и подпиточные насосы, трубопроводы и необходимую запорную и регулирующую арматуру.

Рис. 1. Схема подогрева сетевой воды паром от турбин с двумя отопительными отборами:

1 - сетевая вода из обратной магистрали тепловой сети; 2 - сетевая вода в прямую магистраль тепловой сети; 3 - сетевая вода в общестанционный коллектор обратной сетевой воды; 4 - сетевая вода в общестанционный коллектор прямой сетевой воды; 5 - вода из водоподготовителъной установки; 6 - вода из технического или питьевого водопровода; 7 - отсос парогазовой смеси в конденсатор; 8 - аварийный слив КГП из сетевых подогревателей; 9 - контрольный слив; 10 - КГП в линию основного конденсата турбины; 11 - КГП на обессоливающую установку; 12 - ХОВ на заполнение ПСГ № 1; 13 - слив КГП в конденсатор; 14 - контрольный слив при заполнении ХОВ трубок ПСГ № 1; 15 - пар из нижнего отопительного отбора; 16 - пар из верхнего отопительного отбора

3.3.1. Сетевая вода из обратной магистрали, пройдя грязевик, поступает на сторону всасывания СН I ступени, подающих воду в ПСГ № 1 и ПСГ № 2. Подогреватели включены последовательно, а задвижки, установленные на подводе воды к подогревателям и на их обводе, позволяют отключить либо только ПСГ № 2, либо ПСГ № 1 и ПСГ № 2 одновременно.

Пройдя подогреватели, сетевая вода поступает на сторону всасывания СН II ступени, которые направляют ее в прямую магистраль тепловой сети.

3.3.2. Тепловой схемой установки предусматривается возможность подогрева подпиточной или сетевой воды во встроенном пучке конденсатора.

Блок встроенного пучка конденсатора является частью поверхности теплообмена конденсатора и предназначен как для пропуска циркуляционной воды, так и для подогрева подпиточной или обратной сетевой воды при работе турбоустановки по тепловому графику, когда конденсатор по циркуляционной воде отключен.

3.3.3. Греющий пар поступает к подогревателям сетевой воды от отопительных отборов турбины. На трубопроводах подвода пара к ПСГ № 2 устанавливаются отключающая задвижка и КОС, позволяющие отключить ПСГ № 2 по пару при срабатывании защиты по уровню или по режимным соображениям.

На трубопроводе подвода пара к ПСГ № 1 отключающая арматура и КОС не устанавливаются, но предусмотрены предохранительные клапаны, предназначенные для защиты турбины, трубопроводов и ПСГ № 1 от аварийного повышения давления в камере отбора.

3.3.4. Предусмотрен подвод химически очищенной деаэрированной воды для организации небольшого протока через трубную систему ПСГ № 1, так как он не может быть отключен по пару. На трубопроводе подвода ХОВ к ПСГ № 1 параллельно установлены два вентиля: один - для заполнения трубной системы подогревателя, другой - для регулирования протока воды через трубную систему отключенного подогревателя.

3.3.5. Для отвода КГП из конденсатосборника ПСГ № 1 установлены три конденсатных насоса или более, один из которых является резервным. При малых расходах греющего пара конденсат из ПСГ № 1 сливается в конденсатор турбины через гидрозатвор. В нормальных режимах эксплуатации КГП из ПСГ № 1 направляется в линию основного конденсата после соответствующего ПНД турбины.

3.3.6. Конденсат греющего пара из конденсатосборника ПСГ № 2 откачивается двумя конденсатными насосами, один из которых является резервным, и в нормальных условиях подается в линию основного конденсата после соответствующего ПНД турбины. При малых расходах греющего пара КГП из ПСГ № 2 сливается через гидрозатвор в корпус ПСГ № 1.

3.3.7. При ухудшении качества конденсат ПСГ отводится на обессоливающую установку или используется в цикле электростанции. При разрыве трубок поверхности нагрева ПСГ предусмотрен аварийный слив конденсата в циркуляционный водовод или бак загрязненного конденсата.

3.3.8. Отвод неконденсирующихся газов из подогревателей осуществляется из вышестоящего ПСГ в нижестоящий и далее в конденсатор турбины непосредственно или через расширитель дренажей турбины. Пропускная способность этих отводов ограничена установкой ограничительных шайб и арматуры, позволяющей отключить подогреватель при его останове.

Отвод воздуха из КЭН осуществляется в корпус соответствующего ПСГ.

3.4. На рис. 2 и 3 приведены схемы установок подогрева сетевой воды паром от теплофикационных турбин с одним отопительным отбором и паром от регенеративных отборов конденсационных турбин. Они включают в себя два ПСО (горизонтальных или вертикальных), ПСП, сетевые, конденсатные и подпиточные насосы, трубопроводы и необходимую запорную и регулирующую арматуру.

Рис. 2. Схема подогрева сетевой воды паром от турбин с одним отопительным отбором:

1 - сетевая вода из обратной магистрали тепловой сети; 2 - сетевая вода в прямую магистраль тепловой сети; 3 - сетевая вода в общестанционный коллектор обратной сетевой воды; 4 - сетевая вода в общестанционный коллектор прямой сетевой воды; 5 - вода из водоподготовительной установки; 6 - вода из технического или питьевого водопровода; 7 - отсос парогазовой смеси в конденсатор; 8 - аварийный слив КГП из сетевых подогревателей; 9 - контрольный слив; 10 - КГП в линию основного конденсата турбины; 11 - слив КГП в бак низких точек; 12 - слив КГП в деаэратор; 13 - пар от общестанционного коллектора 7 кгс/см2; 14 - пар из отопительного отбора; 15 - общестанционный коллектор отопительных отборов теплофикационных турбин

Рис. 3. Схема подогрева сетевой воды паром от регенеративных отборов конденсационных турбин:

1 - сетевая вода из обратной магистрали тепловой сети; 2 - сетевая вода в прямую магистраль тепловой сети; 3 - сетевая вода в общестанционный коллектор обратной сетевой воды; 4 - сетевая вода в общестанционный коллектор прямой сетевой воды; 5 - вода из водоподготовителъной установки; 6 - вода из технического или питьевого водопровода; 7 - отсос парогазовой смеси в конденсатор; 8 - аварийный слив КГП из сетевых подогревателей; 9 - контрольный слив; 10 - КГП в линию основного конденсата турбины; 11 - слив КГП в бак низких точек; 12 - слив КГП в конденсатор; 13 - пар от постороннего источника 7 кгс/см2; 14 - пар из регенеративного отбора турбины 5 - 7 кгс/см2; 15 - пар из регенеративного отбора турбины 1,2 - 2 кгс/см2

В схемах рис. 2 и 3 в качестве греющего пара ПСО используется пар отопительного отбора теплофикационной турбины или пар из общестанционного коллектора отопительных отборов теплофикационных турбин (в схемах с поперечными связями). Для подогрева сетевой воды в пиковом подогревателе используется пар от общестанционного коллектора или пар более высокого регенеративного отбора турбины.

3.5. Подпитка тепловой сети в нормальных режимах осуществляется химически очищенной деаэрированной водой во всасывающий коллектор сетевых насосов.

4. ОСНОВНЫЕ ТЕХНОЛОГИЧЕСКИЕ ПРИНЦИПЫ ОРГАНИЗАЦИИ РЕЖИМОВ ВКЛЮЧЕНИЯ И ОТКЛЮЧЕНИЯ УСТАНОВОК ПОДОГРЕВА СЕТЕВОЙ ВОДЫ

4.1. Включение в работу установки подогрева сетевой воды производится при достижении турбиной нагрузки, определяемой заводом - изготовителем турбины.

4.2. Включение сетевых подогревателей осуществляется путем открытия задвижек на входе и выходе подогревателя при открытой задвижке на обводе, а набор тепловой нагрузки - закрытием задвижки на обводе подогревателя.

4.3. Открытие паровых задвижек на трубопроводах, подводящих пар из отборов турбины к сетевому подогревателю, осуществляется после организации пропуска воды по трубной системе.

4.4. До подключения установки сетевой воды трубные пучки неотключаемого по пару ПСГ № 1 охлаждаются деаэрированной водой, подаваемой на вход подогревателя со сливом через воронку за подогревателем.

4.5. Работа ПСГ № 2 с отключенным ПСГ № 1 запрещена.

4.6. Работа с ненастроенными предохранительными клапанами на ПСГ № 1 запрещена.

5. ПОДГОТОВКА К ПУСКУ УСТАНОВОК ПОДОГРЕВА СЕТЕВОЙ ВОДЫ

5.1. Перед включением установки подогрева сетевой воды в работу необходимо проверить:

завершение всех ремонтных и наладочных работ, производимых по нарядам и допускам;

устранение всех дефектов и замечаний по работе оборудования системы подогрева сетевой воды, записанных в журнале дефектов оборудования.

5.2. После получения распоряжения о подготовке подогревателей сетевой воды к пуску дежурный персонал должен:

5.2.1. Проверить готовность рабочего места, для чего:

осмотром оборудования и запорной и регулирующей арматуры убедиться в их исправном состоянии;

убедиться в готовности и чистоте рабочих мест и оборудования, отсутствии посторонних предметов, исправности рабочего и аварийного освещения и наличии противопожарного инвентаря;

проверить исправность и подключение КИП;

проверить исправность и подключение водоуказательных стекол;

проверить исправность изоляции.

5.2.2. Проверить готовность к пуску сетевых и конденсатных насосов, для чего:

осмотреть электродвигатели насосов и убедиться, что муфты соединены, ограждения поставлены и закреплены;

проверить наличие и исправность заземления электродвигателей;

проверить наличие и исправность смазки подшипников;

проверить наличие давления воды в трубопроводе воды на охлаждение подшипников;

убедиться в том, что задвижки и обратные клапаны на трубопроводах подвода пара к подогревателям закрыты;

убедиться, что регулирующие клапаны на сливе КГП закрыты;

проверить отсутствие воды в корпусах подогревателей, отключаемых по пару, и закрыть на них вентили опорожнения пароводяного пространства.

5.2.3. Дать заявку на сборку схем электродвигателей насосов, дистанционного управления арматурой, подачу напряжения на питание КИП, устройства автоматики и сигнализации.

5.2.4. Включить все КИП.

5.2.5. Произвести проверку защит, блокировок и сигнализации в соответствии с действующей инструкцией по эксплуатации автоматики и защит.

5.2.6. Включить сигнализацию предельного уровня в подогревателях.

5.2.7. Подготовить схему сетевой воды для включения, для чего:

закрыть вентили на подводе и затем на отводе деаэрированной воды в трубную систему ПСГ № 1;

открыть задвижку и ее байпас на выходе сетевой воды из ПСГ № 1 (ПСО);

открыть задвижку и ее байпас на обводе установки сетевой воды;

закрыть или проверить закрытие задвижки на входе сетевой воды ПСГ № 1 (ПСО);

закрыть или проверить закрытие задвижки на входе сетевой воды в ПСГ № 2 (ПСП) и выхода из него;

закрыть арматуру на дренажах трубопроводов сетевой воды и сетевых подогревателей;

открыть воздушники на трубопроводах сетевой воды и трубных системах сетевых подогревателей.

5.2.8. Убедиться в исправном состоянии КОС на паропроводах к подогревателям. Взвести КОС и опробовать их посадку дистанционным воздействием на соленоиды защелки.

При удовлетворительной работе КОС, открыв подвод сжатого воздуха или конденсата, взвести клапаны, после чего закрыть подвод воздуха или конденсата.

Примечание. Запрещается включение отбора при неисправности на нем КОС.

5.2.9. Подготовить к пуску конденсатные насосы подогревателей и сетевые насосы установки, для чего:

подать конденсат к уплотнениям насосов;

подать воду на охлаждение подшипников;

собрать электрические схемы электродвигателей насосов;

открыть задвижки на стороне всасывания насосов;

открыть вентили на отводе воздуха из корпусов насосов и после заполнения насосов водой закрыть вентили (в случаях, если не предусмотрен отсос воздуха в подогреватель);

закрыть или проверить закрытие задвижек на стороне нагнетания насосов.

5.2.10. Убедиться в наличии нормального давления в обратном и подающем коллекторе сетевой воды и нормальной работе насосов подпитки тепловой сети.

6. ПУСК УСТАНОВОК ПОДОГРЕВА СЕТЕВОЙ ВОДЫ

6.1. Пуск установки подогрева сетевой воды, питающейся паром от турбин с двумя регулируемыми отборами пара и работающей в параллель с другими установками подогрева сетевой воды

6.1.1. Убедиться в наличии протока деаэрированной воды через трубные пучки ПСГ № 1 и открытии задвижки на сливе конденсата из конденсатосборника ПСГ № 1 в конденсатор.

6.1.2. Убедиться, что предохранительные клапаны на паропроводах к ПСГ № 1 настроены.

6.1.3. Проверить работу системы регулирования уровня в конденсатосборниках ПСГ № 1 и ПСГ № 2, управляющей клапаном регулятора уровня. Перевести клапан регулятора уровня на автоматическое управление и убедиться, что клапан открылся в соответствии с уровнем в конденсатосборнике. Переведя клапан на дистанционное управление, открыть его полностью. Переключить управление им на автоматическое и проследить, вернулся ли клапан в положение, соответствующее уровню в конденсатосборнике. Переключить клапан на дистанционное управление и закрыть его.

6.1.4. Убедиться, что конденсатные насосы ПСГ № 1 и ПСГ № 2 подготовлены к пуску согласно п. 5.2.9.

6.1.5. Проверить защиты и блокировки конденсатных насосов ПСГ № 1 и ПСГ № 2, для чего:

подать напряжение в цепи АВР насосов;

открыть задвижки на линиях рециркуляции насосов;

включить по одному конденсатному насосу ПСГ № 1 и ПСГ № 2 на рециркуляцию, открыв задвижки на стороне нагнетания этих насосов, и убедиться в нормальной их работе;

открыть задвижки на стороне нагнетания насосов, поставленных на АВР;

поочередно опробовать АВР по повышению уровня в подогревателе или отключению работающего насоса; убедившись в нормальной работе, отключить их.

6.1.6. Проверить действие защит подогревателей ПСГ № 1 и ПСГ № 2 по повышению уровня в корпусе подогревателя и в конденсатосборнике и повышению давления пара в сетевом подогревателе. При проверке последней защиты следует предварительно перевести накладку защиты «на сигнал», так как действием этой защиты отключается турбина.

6.1.7. Открыть вентиль, соединяющий камеру мембраны регулятора давления с камерой отбора на подогреватель ПСГ № 1, убедиться, что камера заполнена конденсатом.

6.1.8. Убедиться, что сетевые насосы подготовлены к пуску согласно п. 5.2.9.

6.1.9. Подготовить схему сетевой воды для включения, для чего:

закрыть вентили на подводе и затем на отводе деаэрированной воды в трубную систему ПСГ № 1;

открыть задвижки и ее байпас на выходе сетевой воды из ПСГ № 1 (ПСО);

открыть задвижки и ее байпас на обводе установки сетевой воды;

закрыть или проверить закрытие задвижки на входе сетевой воды ПСГ № 1 (ПСО);

закрыть или проверить закрытие задвижки на входе сетевой воды в ПСГ № 2 (ПСП) и выходе из него;

закрыть арматуру на дренажах трубопроводов сетевой воды и сетевых подогревателей;

открыть воздушники на трубопроводах сетевой воды и трубных системах сетевых подогревателей.

6.1.10. Убедиться в нормальном давлении в прямой и обратной магистралях сетевой воды.

6.1.11. Заполнить трубные пучки ПСГ № 1 и ПСГ № 2 сетевой водой, для чего:

частично приоткрыть задвижку на обводной линии сетевых насосов I ступени;

частично приоткрыть задвижку на выходе ПСГ № 2; после появления непрерывной струи через воздушники закрыть их и закрыть задвижку на выходе сетевой воды из ПСГ № 2.

проверить заполнение трубной системы ПСГ № 1 и закрыть воздушники на ней;

закрыть задвижку на выходе из ПСГ № 1;

закрыть задвижку на обводной линии сетевых насосов I ступени.

6.1.12. Пустить СН I ступени; открыть задвижку на стороне нагнетания насоса. Задвижкой на обводной линии сетевых насосов отрегулировать давление на стороне нагнетания, которое не должно превышать 8 кгс/см2.

6.1.13. Пустить СН II ступени на рециркуляцию, не допуская изменения температуры сетевой воды более чем на 5 °С за 10 мин; открыть задвижку на стороне нагнетания насоса и закрыть задвижку на линии рециркуляции СН II ступени и обводной линии СН I ступени.

6.1.14. Подать напряжение в цепи защит и блокировок СН.

6.1.15. Подготовить к пуску резервные СН, открыв задвижки на стороне нагнетания этих насосов и поставив их в режим АВР. Поочередно проверить работу АВР СН I и II ступеней и убедиться в нормальной работе резервных насосов. Проверить работу защит СН.

6.1.16. Подготовить систему слива КГП ПСГ № 1 и ПСГ № 2 к включению.

Закрыть или проверить закрытие задвижек:

на линиях подачи КГП в систему регенерации турбины и на обессоливающую установку;

на стороне нагнетания КЭН ПСГ № 1 и ПСГ № 2;

на линии рециркуляции КЭН ПСГ № 2;

на линии аварийного слива КГП ПСГ № 1 и ПСГ № 2.

Открыть или проверить открытие задвижек:

на линии слива КГП ПСГ № 1 в конденсатор турбины;

на стороне всасывания КЭН ПСГ № 1 и ПСГ № 2;

на линии рециркуляции КЭН ПСГ № 1;

на отсосе воздуха из корпусов КЭН.

6.1.17. Собрать схему отсоса воздуха из ПСГ № 1 в конденсатор.

6.1.18. Приступить к включению ПСГ № 1 в работу.

Включение ПСГ № 1 производится при электрической нагрузке турбины, оговоренной заводом - изготовителем турбины, и при температуре сетевой воды, поступающей в него, не менее 30 °С. Следить за давлением в водяном пространстве подогревателя, которое не должно превышать максимально допустимого 8 кгс/см2.

Включение ПСГ № 1 производить в следующем порядке:

воздействуя на механизм управления регулятора давления нижнего отопительного отбора в сторону «повышения», включить сервомотор ЦНД; продолжая воздействовать на механизм управления регулятора давления, включить его и установить минимальное давление в отборе в соответствии с инструкцией по эксплуатации турбины; включение сервомотора и регулятора контролировать в соответствии с инструкцией по эксплуатации турбины;

открыть задвижку на входе сетевой воды и плавным открытием задвижки на выходе сетевой воды из подогревателя (задвижка на обводе ПСГ № 2) произвести включение ПСГ № 1 в работу;

включить в работу один КЭН ПСГ № 1, открыть задвижку на стороне нагнетания и перевести клапан регулятора уровня на автоматическое управление;

открыть задвижки на стороне нагнетания остальных КЭН ПСГ № 1 и включить АВР этих насосов;

собрать схему откачки КГП в линию основного конденсата турбины или на обессоливающую установку в зависимости от качества конденсата в конденсатосборнике;

закрыть задвижку на сливе КГП из ПСГ № 1 в конденсатор.

6.1.19. Нагрузить ПСГ № 1 по теплу, постепенно закрывая задвижку на обводе подогревателя; скорость нагружения не должна превышать максимального значения, установленного заводской инструкцией по эксплуатации турбины.

6.1.20. Закрыть задвижку на линии рециркуляции КЭН при расходе конденсата, достаточном для нормальной работы этого насоса.

6.1.21. Довести давление в отборе на ПСГ № 1 до требуемого значения механизмом управления регулятора давления; следить, чтобы абсолютное давление в паровом пространстве подогревателя не превышало допустимого значения, установленного заводом-изготовителем.

6.1.22. Приступить к включению в работу ПСГ № 2.

Включение ПСГ № 2 в работу производится при электрической нагрузке на турбине, оговоренной в заводской инструкции по эксплуатации турбины.

Включение ПСГ № 2 производить в следующем порядке:

прогреть паропровод к ПСГ № 2, открыв дренаж на нем;

собрать схему отсоса воздуха из ПСГ № 2 в ПСГ № 1;

открыть задвижку на сливе КГП из ПСГ № 2 в ПСГ № 1;

переключить регулятор давления с камеры нижнего на камеру верхнего отопительного отбора и закрыть вентиль на линии, соединяющей мембрану с камерой нижнего отопительного отбора;

открыть задвижку на входе сетевой воды в ПСГ № 2;

медленно открыть задвижку на паропроводе к ПСГ № 2;

открытием задвижки на выходе сетевой воды из ПСГ № 2 включить его в работу;

постепенным прикрытием задвижки на обводе ПСГ № 2 произвести нагружение подогревателя; скорость нагружения не должна превышать значения, установленного заводской инструкцией по эксплуатации турбины;

открыть задвижку на линии рециркуляции КЭН ПСГ № 2 и включить в работу один насос;

открыть задвижку на стороне нагнетания и перевести клапан регулятора уровня на автоматическое управление;

открыть задвижки на стороне нагнетания остальных КЭН ПСГ № 2 и включить АВР этих насосов;

собрать схему откачки КГП в линию основного конденсата турбины или на обессоливающую установку в зависимости от качества конденсата в конденсатосборнике;

закрыть задвижку на сливе КГП из ПСГ № 2 в ПСГ № 1;

закрыть задвижку на дренаже паропровода отбора пара к ПСГ № 2.

6.1.23. Закрыть задвижку на линии рециркуляции КЭН при расходе конденсата, достаточном для нормальной работы этого насоса.

6.1.24. Довести давление в отборе на ПСГ № 2 до требуемого значения механизмом управления регулятора давления; следить, чтобы абсолютное давление в паровом пространстве подогревателя не превышало допустимого значения, установленного заводом-изготовителем.

6.1.25. При подогреве сетевой или подпиточной воды во встроенных пучках конденсатора следить за расходом воды через встроенный пучок и абсолютным давлением в конденсаторе. Значения этих величин не должны превышать значений, оговоренных в инструкции по эксплуатации турбины.

При совместном использовании для охлаждения в конденсаторе подпиточной (во встроенном пучке) и циркуляционной воды разность температур между ними на входе не должна превышать значения, оговоренного в инструкции по эксплуатации турбины.

6.1.26. Для включения встроенного пучка при переводе турбины на работу по тепловому графику необходимо следующее:

закрыть задвижки на входе циркуляционной воды во встроенный пучок и выходе из него и, открыв вентиль на дренажной линии, опорожнить его; при необходимости промыть встроенный пучок химически очищенной водой;

закрыть вентили на линии опорожнения и открыть воздушники;

открыть задвижку на подводе подпиточной воды к пучку, приоткрыв задвижку на выходе из него; после появления непрерывной струи из воздушников закрыть их;

контролировать давление воды во встроенном пучке, не допуская увеличения его значения выше оговоренного заводской инструкцией;

убедиться, что отсос воздуха из встроенного пучка производится в конденсатор турбины (задвижка на линии отсоса воздуха в конденсатор открыта, а на линии отсоса на эжектор закрыта);

выполнить перевод турбины на работу по тепловому графику в соответствии с инструкцией по эксплуатации турбины;

перевести отсос воздуха из встроенного пучка на эжектор при прекращении подачи циркуляционной воды в основные пучки конденсатора, для чего открыть задвижку на линии отсоса на эжектор и закрыть на линии отсоса в конденсатор.

6.2. Пуск установки подогрева сетевой воды, питающейся паром от турбин с одним регулируемым отбором или паром от регенеративных отборов конденсационных турбин и работающей в параллель с другими установками подогрева сетевой воды

6.2.1. Заполнить корпус ПСО конденсатом из линии основного конденсата турбины до появления уровня по указателю.

6.2.2. Проверить работу системы регулирования уровня в корпусе ПСО, управляющей клапаном регулятора уровня. Перевести клапан регулятора уровня на автоматическое управление и убедиться, что он открылся в соответствии с уровнем в подогревателе.

Переведя клапан на дистанционное управление, открыть его полностью. Переключить управление им на автоматическое и проследить, вернулся ли клапан в положение, соответствующее уровню в корпусе подогревателя. Переключить клапан на дистанционное управление и закрыть его.

6.2.3. Прогреть паропроводы к ПСО до задвижек, открыв вентили на дренажах этих паропроводов.

6.2.4. Убедиться в нормальном давлении в прямой и обратной магистралях сетевой воды.

6.2.5. Подготовить СН или убедиться в их готовности к пуску согласно п. 5.2.9.

6.2.6. Убедиться в нормальном давлении в прямой и обратной магистралях сетевой воды.

6.2.7. Подготовить схему сетевой воды для включения:

закрыть или проверить закрытие задвижек на входе сетевой воды в ПСП и выходе из него и задвижки на обводе этого подогревателя;

открыть или проверить открытие задвижек на входе сетевой воды в ПСО и выходе из них;

закрыть арматуру на дренажах трубопроводов сетевой воды и сетевых подогревателей;

открыть воздушники на трубопроводах сетевой воды и трубных системах сетевых подогревателей.

6.2.8. Открыть задвижки на стороне нагнетания СН и заполнить последовательно сетевой водой трубопроводы установки подогрева сетевой воды и сетевые подогреватели. При появлении непрерывной струи из воздушников закрыть их. Закрыть задвижки на стороне нагнетания СН.

6.2.9. Включить ПСО в работу:

пустить СН на рециркуляцию, открыв задвижку на линии рециркуляции; следить за температурой сетевой воды, не допуская ее изменение более чем на 5 °С за 10 мин;

медленно открывая задвижки на стороне нагнетания СН и обводной линии ПСП, включить в работу ПСО;

закрыть задвижку на трубопроводе рециркуляции СН.

6.1.10 Подать напряжение в цепи защит и блокировок СН.

6.2.11. Подготовить к пуску резервные СН, открыв задвижки на стороне нагнетания этих насосов и поставив их в режим АВР. Проверить работу АВР СН и убедиться в нормальной работе резервных насосов. Проверить работу защит СН.

6.2.12. Проверить плотность трубных систем подогревателей сетевой воды по отсутствию роста уровня по водомерным стеклам.

6.2.13. Убедиться в том, что КЭН сетевых подогревателей подготовлены к пуску согласно п. 5.2.9.

6.2.14. Собрать схему отсоса ПВС от КЭН и от ПСО в конденсатор турбины.

6.2.15. Включить ПСО по пару, для чего:

приоткрыв задвижки на линии подвода пара к ПСО, прогреть подогреватели в течение 15 мин, после чего включить подогреватели сетевой воды по пару постепенно открыв полностью задвижки, при этом контролировать скорость повышения температуры сетевой воды за установкой, которая не должна превышать 5 °С за 10 мин.

Примечания: 1. При подогреве сетевой воды паром от регенеративных отборов турбины или от общестанционных коллекторов необходимая температура сетевой воды за установкой регулируется степенью открытия задвижек на линиях подвода пара к сетевым подогревателям.

2. При подогреве сетевой воды паром от регулируемого отбора турбины перед началом прогрева подогревателей в теплофикационном отборе устанавливается минимальное давление, а после полного открытия задвижки на паропроводе дальнейшее нагружение подогревателей производится путем повышения давления в регулируемом отборе;

при повышении уровня КГП в подогревателе до отметки половины нормального, включить в работу КЭН; собрать схему отвода конденсата на сброс либо в линии основного конденсата, либо в деаэратор в зависимости от качества КГП и режима работы турбоустановки;

перевести клапан регулятора уровня на автоматическое управление.

6.2.16. Проверить защиты и блокировки КЭН, для чего:

подать напряжение в цепи АВР насосов;

открыть задвижки на стороне нагнетания насосов, поставленных на АВР;

поочередно опробовать АВР по повышению уровня в подогревателе или отключению работающего насоса; убедившись в нормальной работе, отключить их.

6.2.17. Если при работе ПСО не обеспечивается температура сетевой воды согласно температурному графику тепловой сети, необходимо в работу включить ПСП (если он предусмотрен тепловой схемой), для чего:

прогреть паропровод к ПСП до задвижек перед ним;

собрать схему отсоса ПВС из подогревателя в конденсатор;

открыть воздушники на трубопроводах сетевой воды и трубных системах сетевых подогревателей;

открыв задвижку на входе сетевой воды в ПСП, заполнить его водой; после появления непрерывной струи закрыть воздушники;

приоткрыв задвижку на выходе сетевой воды из ПСП, прогреть его трубную систему в течение 10 мин;

нагрузить ПСП полностью, открыв задвижку на выходе сетевой воды из него и закрыв на обводной линии;

приоткрыв задвижку на линии подвода пара к ПСП, прогреть его в течение 15 мин;

медленно открывая задвижку на линии подвода пара к ПСО, включить подогреватели сетевой воды по пару, контролируя скорость повышения температуры сетевой воды за установкой, которая не должна превышать 5 °С за 10 мин;

поднять температуру сетевой воды за ПСП в соответствии с температурным графиком путем открытия задвижки на линии подвода пара.

6.3. Пуск установки подогрева сетевой воды на отключенную тепломагистраль

6.3.1. Пуск установки подогрева сетевой воды совместно с пуском тепловой сети должен осуществляться в соответствии с рабочей программой, утвержденной главным инженером тепловой сети и согласованной с главным инженером электростанции.

6.3.2. Совместный пуск установки подогрева сетевой воды и тепломагистрали должен производиться под руководством назначенного ответственного лица, которое информирует диспетчера тепловой сети и дежурного инженера электростанции о проводимых пусковых операциях.

6.3.3. В программе совместного пуска должны быть оговорены:

очередность и порядок пуска каждой отдельной магистрали и ее ответвлений;

время наполнения каждой опорожненной магистрали;

расчетное статистическое давление для заполнения каждого участка тепловой сети, которое должно быть не выше прочности приборов систем теплопотребления;

порядок проведения всех операций по пуску установки подогрева сетевой воды и тепловой сети;

состав пусковой бригады, расстановка и обязанности каждого исполнителя;

способ организации и средства связи ответственного исполнителя пусковой бригады с дежурным диспетчером тепловой сети, с дежурным персоналом района и теплоснабжающей электростанции, с исполнителями пусковой бригады, а также между отдельными членами бригады.

К программе пуска прилагается:

тепловая схема установки сетевой воды;

оперативная схема тепловой сети.

6.3.4. Отключенная магистраль должна быть заполнена водой, в ней должно поддерживаться заданное давление. При необходимости заполнения тепломагистрали температура поступающей в нее воды не должна превышать 70 °С.

До пуска необходимо убедиться в нормальной работе подпиточных насосов и в том, что давление в обратном коллекторе сетевой воды поддерживается на установленном уровне.

6.3.5. Подготовка к пуску и пуск установки подогрева сетевой воды и СН должны осуществляться в соответствии с разд. 5; 6.1 и 6.2 настоящей Типовой инструкции.

6.3.6. После включения СН и открытия задвижки на линии, соединяющей установку подогрева сетевой воды с тепломагистралью, поднять давление в тепловой сети до нормального. Если давление в обратной магистрали недостаточно, довести его до заданного по графику значения за счет увеличения подпитки тепловой сети.

После стабилизации давления в прямой и обратной магистралях на заданном значении включить регулирующий клапан подпитки тепловой сети на автоматическое управление.

7. ОБСЛУЖИВАНИЕ УСТАНОВОК СИСТЕМЫ ПОДОГРЕВА СЕТЕВОЙ ВОДЫ ВО ВРЕМЯ РАБОТЫ

7.1. Для каждого сетевого подогревателя и группы подогревателей на основе проектных данных и данных испытаний должны быть установлены:

расчетная тепловая производительность и соответствующие ей параметры греющего пара и сетевой воды;

температурный напор и максимальная температура подогрева сетевой воды;

расчетный расход сетевой воды и соответствующие ему потери напора;

предельное допустимое давление с водяной и паровой стороны каждого подогревателя.

Испытания должны проводиться на вновь смонтированном оборудовании установок подогрева сетевой воды и периодически (1 раз в 3 - 4 года) в процессе эксплуатации.

7.2. При эксплуатации оборудования установки подогрева сетевой воды должны быть обеспечены:

нормативные значения температуры сетевой воды за каждым подогревателем;

надежность теплообменных аппаратов во всех режимах работы турбоустановки;

оптимальные режимы работы конденсатных, подпиточных и сетевых насосов.

7.3. При эксплуатации оборудования необходимо выполнять следующее:

производить регистрацию показаний приборов, всех переключений и выявленных неисправностей оборудования;

следить за правильностью положения уставок сигнализации и АВР;

следить за исправностью КИП и автоматики.

7.4. В соответствии с графиком производить переход на резервное оборудование, опробование АВР насосов и проверку сигнализации предельного уровня в подогревателях.

7.5. При работе установки подогрева сетевой воды необходимо вести наблюдение за:

уровнем КГП в подогревателях, не допуская их работы с затоплением трубных пучков и воздухоотсасывающих коллекторов, а также работы без уровня;

работой регуляторов уровня;

давлением пара в отборах и подогревателях, не допуская работы с не полностью открытыми задвижками и КОС на паропроводах отборов;

значениями нагрева и температурного напора в каждом подогревателе;

гидравлической плотностью подогревателя по качеству КГП.

7.6. Наиболее экономичная работа турбоустановки достигается при обеспечении минимальных недогревов сетевой воды в подогревателях.

Причинами повышенного недогрева могут быть:

неплотность задвижки на обводе сетевого подогревателя или группы подогревателей;

неудовлетворительный отсос ПВС из корпусов подогревателей, особенно работающих под разрежением;

повышенные присосы воздуха в подогреватели, работающие под разрежением;

уменьшение рабочей поверхности подогревателя из-за большого числа заглушенных трубок или затопления части поверхности при повышении уровня;

тепловая перегрузка подогревателя;

ухудшение теплообмена в связи с загрязнением поверхности нагрева.

7.7. В процессе эксплуатации наблюдается образование отложений на внутренней поверхности трубных систем подогревателей. В зависимости от качества воды, поступающей на установку, температурных условий и длительности эксплуатации образуются различные по составу и количеству отложения. Отложения ухудшают теплообмен и, как следствие, вызывают повышенный температурный напор. Поэтому значение температурного напора может служить критерием степени загрязненности труб.

В процессе эксплуатации для удаления отложений с внутренних поверхностей труб применяется химическая очистка или безреагентные способы очистки, например с помощью гидромониторов.

Периодичность очистки трубной системы зависит от скорости загрязнения, но производиться очистка должна не реже одного раза в год (перед отопительным сезоном).

7.8. Контролировать работу насосов, выполняя следующее:

следить за состоянием фланцевых и болтовых соединений арматуры, не допуская протечки и подсосов через них;

следить за состоянием электродвигателей насосов, не допуская их перегрузки;

следить за температурой подшипников насосов, которая не должна превышать 65 °С;

периодически проверять вибрацию корпусов подшипников насосов;

следить за работой сальников насосов; при правильной затяжке сальников вода через них должна просачиваться каплями или тонкой струйкой; нагрев сальника указывает на слишком сильную затяжку или на недостаточное поступление охлаждающего конденсата.

7.9. При понижении давления на стороне нагнетания насоса, свидетельствующем о его перегрузке, подключить дополнительно резервный насос, не дожидаясь срабатывания АВР.

7.10. Следить за насосами, находящимися в резерве, поддерживая их постоянную готовность к включению; при этом должно быть выполнено следующее:

полностью открыты задвижки на стороне всасывания и стороне нагнетания резервного насоса;

проверено количество и качество масла в подшипниках;

открыта подача охлаждающей воды на подшипники и сальники насосов, а также отсос воздуха из корпуса резервного насоса в соответствующий подогреватель;

подан конденсат к уплотнениям насосов.

7.11. При переходе с рабочего на резервный насос необходимо выполнить следующие операции:

проверить готовность резервного насоса к работе (см. п. 7.10);

включить электродвигатель пускаемого насоса; убедиться в нормальной работе насосного агрегата и повышении давления в напорном коллекторе;

поставить переключатель блокировок включенного насоса в положение «работа»;

закрыть отсос воздуха из корпуса включенного насоса;

отключить останавливаемый насос и, убедившись в том, что давление в напорном коллекторе осталось в пределах нормы, поставить переключатель блокировок в положение «резерв»;

открыть отсос воздуха из корпуса остановленного насоса.

7.12. Режим работы теплофикационной установки должен вестись в соответствии с температурным графиком, утвержденным главным инженером тепловой сети и согласованным с главным инженером электростанции.

7.13. При наличии нагрузки горячего водоснабжения температура сетевой воды в подающем трубопроводе не должна быть ниже:

70 °С для закрытых систем теплоснабжения;

60 °С для открытых систем теплоснабжения.

7.14. Регулировать нагрев сетевой воды в подогревателях механизмом управления регулятора давления в теплофикационном отборе либо задвижками на линиях подвода пара к подогревателям от регенеративных отборов конденсационных турбин или общестанционных коллекторов или расходом сетевой воды через подогреватель.

Регулировка нагрева сетевой воды путем затопления части трубной системы подогревателя конденсатом не допускается.

7.15. При понижении давления греющего пара, поступающего к подогревателю сетевой воды, перевести питание подогревателей от другого источника или принять меры к восстановлению нормального давления в отборе.

8. ПЛАНОВЫЙ ОСТАНОВ УСТАНОВКИ ПОДОГРЕВА СЕТЕВОЙ ВОДЫ

8.1. Останов установки подогрева сетевой воды, питающейся паром от турбин с двумя регулируемыми отборами пара и работающей в параллель с другими установками подогрева сетевой воды

8.1.1. Перед отключением установки подогрева сетевой воды при необходимости передать тепловую нагрузку отключаемой установки на работающие установки подогрева сетевой воды.

8.1.2. Для отключения встроенного пучка необходимо:

перевести основные пучки конденсатора на охлаждение циркуляционной водой; перевести отсос воздуха из встроенного пучка в конденсатор и закрыть отсос из него на эжектор;

закрыть задвижки на входе подпиточной (сетевой) воды во встроенный пучок и выходе из него и, открыв вентиль на дренажной линии, опорожнить пучок;

закрыть вентили на линии опорожнения и открыть воздушники;

выполнить перевод турбины на работу по тепловому графику в соответствии с инструкцией по эксплуатации турбины;

установить слабый проток химически очищенной деаэрированной воды через встроенный пучок для его консервации.

8.1.3. При останове подогревателей сетевой воды сначала отключается по пару и воде ПСГ № 2, а затем только по воде ПСГ № 1.

8.1.4. Для отключения ПСГ № 2 необходимо:

начать разгружение ПСГ № 2 постепенным открытием задвижки на обводной линии этого подогревателя;

продолжить разгружение ПСГ № 2 постепенным закрытием задвижки на выходе сетевой воды из подогревателя;

отключить ПСГ № 2 закрыв задвижки на входе сетевой воды в подогреватель и на линии подвода пара к нему.

Примечание. Разгружение подогревателя производить постепенно со скоростью, не превышающем максимально допустимую заводом-изготовителем; следить, чтобы скорость изменения температуры сетевой воды в подающей магистрали не превышала 5 °С за 10 мин;

открыть задвижку на сливе КГП из ПСГ № 2 в ПСГ № 1;

отключить АВР КЭН ПСГ № 2;

остановить работающий КЭН и закрыть задвижку на сливе КГП в линию основного конденсата;

переключить регулятор давления с камеры верхнего регулируемого отбора на нижний отбор;

выключить регулятор уровня в конденсатосборнике ПСГ № 2, оставив в работе электронный сигнализатор уровня в корпусе подогревателя и дистанционный указатель уровня в конденсатосборнике того же подогревателя;

закрыть задвижки на линии отсоса ПВС из корпуса ПСГ № 2;

открыть воздушник и вентиль на линии опорожнения трубной системы ПСГ № 2;

Примечание. Если трубная система ПСГ № 2 на период кратковременного останова остается неопорожненной, проследить за открытием воздушников из водяного пространства в атмосферу, так как в противном случае при недостаточной плотности паровых задвижек может иметь место недопустимое повышение давления в трубной системе.

8.1.5. Для отключения ПСГ № 1 необходимо:

начать разгружение ПСГ № 1 постепенным открытием задвижки на обводной линии подогревателей;

продолжить разгружение ПСГ № 1 постепенным закрытием задвижки на выходе сетевой воды из подогревателя;

отключить ПСГ № 1, закрыв задвижки на входе сетевой воды в подогреватель.

Примечание. Разгружение подогревателя производить постепенно со скоростью, не превышающей максимально допустимую заводом-изготовителем; следить, чтобы скорость изменения температуры сетевой воды в подающей магистрали не превышала 5 °С за 10 мин;

открыть задвижку на сливе КГП из ПСГ № 1 в конденсатор;

отключить АВР КЭН ПСГ № 1;

остановить работающий КЭН и закрыть задвижку на сливе КГП в линию основного конденсата;

выключить регулятор уровня в конденсатосборнике ПСГ № 1, оставив в работе электронный сигнализатор уровня в корпусе подогревателя и дистанционный указатель уровня в конденсатосборнике того же подогревателя;

закрыть задвижки на линии отсоса ПВС из корпуса ПСГ № 1;

открыть вентиль на линии слива из трубной системы ПСГ № 1 на воронку и вентиль на линии подвода химически очищенной деаэрированной воды; обеспечить небольшой проток воды через трубную систему подогревателя.

8.1.6. После отключения ПСГ № 1 и ПСГ № 2 остановить СН, для чего:

отключить АВР СН I и II ступени;

закрыть задвижки на стороне нагнетания резервных насосов I и II ступени;

закрыть задвижку на стороне нагнетания работающего СН II ступени, переведя его на рециркуляцию, а затем остановить его;

остановить СН I ступени, закрыть задвижку на стороне нагнетания насоса;

закрыть задвижки на стороне всасывания СН.

8.1.7. При отключении установки подогрева сетевой воды на длительное время дополнительно выполнить следующее:

закрыть задвижки на линиях нагнетания и всасывания КЭН подогревателей, а также вентили на линиях отсоса воздуха из корпусов насосов в подогреватели сетевой воды;

открыть вентили опорожнения сетевых и конденсатных насосов и трубопроводов установки сетевой воды;

выключить регуляторы давления в отопительных отборах;

отключить электронные сигнализаторы уровня конденсата в корпусах и дистанционные указатели уровня в конденсатосборниках подогревателей сетевой воды (если турбина не работает).

Примечание. Если трубная система ПСГ № 2 на период кратковременного останова остается неопорожненной, проследить за открытием воздушников из водяного пространства в атмосферу, так как в противном случае при недостаточной плотности паровых задвижек может иметь место недопустимое повышение давления в трубной системе.

8.1.8. При необходимости произвести проверку плотности трубной системы подогревателей сетевой воды. После отключения и полного опорожнения трубной системы подогревателя закрыть вентили на линиях дренажа, открыть задвижки на линии отсоса воздуха из корпуса подогревателя в конденсатор и убедиться в отсутствии подсосов воздуха в ПСГ через воздушники на трубной системе подогревателя.

После проверки плотности закрыть вентили на линиях отсоса воздуха в конденсатор и на линии опорожнения водяного пространства подогревателя. Если турбоустановка остается в работе, необходимо заполнить трубный пучок ПСГ № 1 химически очищенной деаэрированной водой и обеспечить небольшой проток ее через трубную систему подогревателя.

8.2. Останов установки подогрева сетевой воды, питающейся паром от турбин с одним регулируемым отбором или паром от регенеративных отборов конденсационных турбин и работающей в параллель с другими установками подогрева сетевой воды

8.2.1. Отключение оборудования установки подогрева сетевой воды производить в такой последовательности:

пиковые подогреватели сетевой воды;

основные подогреватели сетевой воды;

конденсатные насосы;

сетевые насосы.

8.2.2. При отключении ПСП необходимо:

отключить регулятор температуры сетевой воды;

разгрузить ПСП постепенным открытием задвижки на обводной линии этого подогревателя;

закрыть вентили на линии отсоса воздуха из корпуса подогревателя;

закрыть задвижки на подводе пара к подогревателю; проследить, чтобы скорость изменения температуры сетевой воды не превышала 5 °С в 10 мин;

закрыть задвижки на входе сетевой воды в пиковый подогреватель и выходе из него;

закрыть задвижки на линии отвода КГП в ПСО; открыть задвижки на отводе КГП в бак низких точек и после опорожнения подогревателя закрыть их.

При останове ПСП на длительное время необходимо дополнительно выполнить следующее:

опорожнить водяное пространство ПСП, открыв воздушники и дренажи на трубной системе подогревателя;

после опорожнения ПСП закрыть вентили на линиях дренажа.

8.2.3. При отключении ПСО необходимо:

отключить регулятор температуры сетевой воды;

разгрузить ПСО постепенным открытием задвижки на обводной линии этих подогревателей;

закрыть вентили на линии отсоса воздуха из корпуса подогревателя;

закрыть задвижки на подводе пара к подогревателю; проследить, чтобы скорость изменения температуры сетевой воды не превышала 5 °С в 10 мин;

отключить АВР КЭН и при снижении уровня конденсата в корпусах ПСО до минимального значения остановить работающий КЭН;

закрыть задвижку на трубопроводе отвода КГП после КЭН в деаэратор (конденсатор) и линию основного конденсата турбоустановки;

закрыть задвижки на линиях нагнетания и всасывания КЭН ПСО, а также вентили на линиях отсоса воздуха из корпусов насосов в ПСО;

закрыть задвижки на входе сетевой воды в ПСО и выходе из них;

опорожнить водяное пространство ПСО, открыв воздушники и дренажи на трубной системе подогревателя;

отключить АВР СН;

закрыть задвижки на стороне нагнетания резервных насосов;

закрыть задвижку на стороне нагнетания работающего СН, переведя его на рециркуляцию, а затем остановить его;

закрыть задвижки на стороне всасывания СН.

8.2.4. При отключении установки подогрева сетевой воды на длительное время открыть вентили опорожнения сетевых и конденсатных насосов и трубопроводов установки сетевой воды. Насосы подпитки тепловой сети не отключать, поддерживать необходимое статическое давление воды в сети. Насосы подпитки отключаются только в случае опорожнения тепловой сети.

9. ВЫВОД В РЕМОНТ ОБОРУДОВАНИЯ УСТАНОВОК ПОДОГРЕВА СЕТЕВОЙ ВОДЫ

9.1. Ремонтные работы на оборудовании установки подогрева сетевой воды должны выполняться по наряду-допуску и под руководством ответственного исполнителя работ.

9.2. При выводе оборудования в ремонт выполнить операции по останову ремонтируемого оборудования в соответствии с разд. 8 настоящей Типовой инструкции.

9.3. При выводе в ремонт подогревателей сетевой воды необходимо выполнить дополнительные операции.

9.3.1. Убедиться в надежном закрытии всей запорной арматуры по греющему пару, сетевой воде, конденсату и отсосу ПВС из подогревателя.

9.3.2. Убедиться в отсутствии давления в паровом пространстве подогревателя, открыть вентиль на линии опорожнения корпуса.

9.3.3. Проверить открытие воздушников водяных камер подогревателя и вентиля на линии опорожнения трубной системы подогревателя.

9.3.4. Разобрать электрические схемы электрифицированной арматуры.

9.3.5. Разобрать электрические схемы электродвигателей КЭН.

9.3.6. Запереть на замки всю отключающую арматуру в закрытом состоянии, а вентили воздушников и дренажей в открытом. На отключающей арматуре вывесить плакаты: «Не открывать! Работают люди», а на открытых вентилях дренажей и воздушников: «Не закрывать! Работают люди».

9.3.7. Ремонт неотключаемого по пару ПГС № 1 производить только при остановленной турбине.

9.3.8. При длительном ремонте, а также недостаточной плотности отключающей арматуры ремонтируемое оборудование следует отглушить. Толщина заглушек должна соответствовать параметрам рабочей среды.

9.3.9. Необходимо соблюдать осторожность при разбалчивании фланцевых соединений.

9.3.10. При выводе в ремонт любого насоса установки необходимо:

остановить насос;

закрыть задвижки на стороне нагнетания и стороне всасывания;

закрыть вентиль на линии отсоса воздуха из КЭН;

закрыть воду на уплотнение сальников и охлаждение подшипников;

разобрать электрические схемы электродвигателей и электрифицированной арматуры;

опорожнить насос,

запереть на замки всю отключающую арматуру в закрытом состоянии, а дренажи в открытом; на отключающей арматуре вывесить плакаты: «Не открывать! Работают люди», а на открытых вентилях дренажей: «Не закрывать! Работают люди».

9.3.11. При выводе в ремонт одного из нескольких установленных насосов провести следующие операции:

включить в работу резервный насос;

отключить насос, выводимый в ремонт; убедиться, что давление воды в общем напорном коллекторе не изменилось;

разобрать электросхему отключенного насоса;

закрыть подвод конденсата на уплотнение сальника и охлаждение подшипника насоса; проверить закрытие отсоса воздуха из насоса;

закрыть задвижку на стороне всасывания насоса, контролируя изменение давления в насосе и работу включенных насосов, не допуская их срыва;

открытием байпаса обратного клапана на стороне нагнетания насоса опрессовать насос; осмотреть корпус насоса, сальники, напорный и всасывающий патрубки, выявить дефекты;

закрыть байпас обратного клапана и задвижку на стороне нагнетания насоса; резкое понижение давления на стороне всасывания насоса указывает на неплотность всасывающей задвижки; в этом случае вывод в ремонт насоса при работающей турбине не допустим, так как возможен подсос воздуха, срыв насоса и вакуума;

при отсутствии замечаний при опрессовке насоса разобрать электросхему задвижки на стороне нагнетания, открыть задвижку на линии опорожнения насоса и на отключенную арматуру повесить цепи с замком и предупреждающие плакаты.

9.3.12. По окончании ремонта ответственный производитель работ обязан лично убедиться в том, что все работы действительно окончены, заглушки сняты, с ремонтируемого участка ушли все рабочие и произведена уборка рабочего места. Только после этого разрешается снять замки с вентилей и задвижек.

10. ДЕЙСТВИЯ ПЕРСОНАЛА В АВАРИЙНЫХ СИТУАЦИЯХ

10.1. При ликвидации аварийных ситуаций на установках подогрева сетевой воды должны быть приняты меры к обеспечению нормального теплоснабжения потребителей путем использования связей с соседними установками.

10.2. Любой насос установки подогрева сетевой воды должен быть немедленно остановлен при:

появлении посторонних шумов в корпусе двигателя и насоса;

недопустимом перегреве подшипников насоса;

возникновении внезапной сильной вибрации;

появлении огня, дыма или искр из подшипников насоса или электродвигателя;

возрастании тока сверх предельно допустимого значения и несрабатывании электрических защит;

срыве насоса;

разрыве или появлении течи напорного трубопровода насоса.

Примечание. После аварийного останова работающего насоса (кроме случая срыва насоса) необходимо немедленно включить резервный насос, если он не включился по АВР. Остановленный насос при необходимости вывести в ремонт.

10.3. При срыве КЭН необходимо:

остановить работающие насосы;

отключить АВР резервного насоса;

проверить уровень конденсата в подогревателе и работу регулятора уровня.

При отсутствии уровня в подогревателе прикрыть регулирующий клапан, отключив его от регулятора уровня. После восстановления уровня в подогревателе включить КЭН, подключить регулятор уровня и проверить его работу. В случае нормальной его работы поставить резервный насос на АВР.

При наличии уровня в подогревателе включить резервный насос, остановить неисправный, выяснить и устранить причину срыва насоса.

10.4. При выходе из строя всех КЭН необходимо:

открыть задвижки на линиях безнасосного слива конденсата из корпусов подогревателей;

разгрузить подогреватели сетевой воды;

если разгрузка не привела к стабилизации уровня, отключить подогреватели в соответствии с разд. 8;

принять меры к восстановлению нормальной работы КЭН.

10.5. При выходе из строя одного СН необходимо:

проследить за включением резервного насоса по АВР или включить его вручную;

отключить неисправный насос;

закрыть задвижки на сторонах нагнетания и всасывания насоса;

проконтролировать давление в подающем и обратном коллекторах сетевой воды;

принять меры к восстановлению нормальной работы неисправного СН.

10.6. При останове всех СН, работающих на отдельную магистраль, вследствие потери напряжения или по другим причинам необходимо:

немедленно отключить сетевые подогреватели по паровой и водяной стороне;

подготовить насосы к пуску и при появлении напряжения пустить их;

включить и нагрузить сетевые подогреватели.

Примечание. При наличии работающих связей по всасыванию и нагнетанию СН (открыты задвижки на трубопроводах связи по сетевой воде) при останове всех СН установки включить резервные насосы соседних установок, подготовить к пуску остановившиеся насосы и при появлении напряжения пустить их. Отключить резервные насосы соседних установок. При всех переключениях по сетевой воде необходимо следить за давлением сетевой воды в подогревателях, не допуская превышения значений, установленных заводом-изготовителем.

10.7. Подогреватели сетевой воды должны быть остановлены при:

повышении уровня в сетевом подогревателе или повышении солесодержания в КГП выше допустимого значения и несрабатывании защит;

повышении давления в корпусе подогревателя или его трубной системе выше допустимого значения, несмотря на выполнение требований инструкции;

выявлении неисправности предохранительных клапанов;

появлении трещин, свищей в корпусе подогревателя и сильных парений во фланцевых соединениях, потения в сварных швах;

возникновении пожара, непосредственно угрожающего подогревателю;

неисправности манометра и невозможности определить давление в корпусе подогревателя по другим приборам.

10.8. При прекращении подачи пара от рабочего источника следует немедленно перейти на питание от резервного источника пара, если это предусмотрено тепловой схемой.

При аварийном прекращении подачи пара к подогревателям и отсутствии резервных источников питания отключить подогреватели данной установки по водяной и паровой стороне, остановить КЭН, открыть дренажи на паропроводах к подогревателям. Подпиточные и сетевые насосы оставить в работе, используя обвод данной установки по сетевой воде или работающие связи по всасыванию и нагнетанию СН.

10.9. При разрыве трубопроводов тепловой сети, на которую работает отдельная установка, необходимо:

10.9.1. Организовать максимальную подпитку тепловой сети путем включения резервного подпиточного насоса и использования всех имеющихся источников подпитки тепловой сети. Потребовать от химического цеха максимальной подачи ХОВ на подпитку тепловой сети. Каждый случай подачи сырой воды на подпитку должен отмечаться в оперативном журнале с указанием количества поданной воды и источника теплоснабжения.

10.9.2. Сообщить диспетчеру тепловой сети о разрыве трубопровода сетевой воды и необходимости срочного отключения поврежденного участка.

10.9.3. Если принятые меры не позволяют сохранить давление в обратной магистрали тепловой сети и оно продолжает падать, то при давлении в обратной магистрали, превышающем на 0,5 кгс/см2 атмосферное, отключить установку и остановить подпиточные насосы.

10.10. При наличии нескольких магистралей тепловой сети, работающих от общего коллектора, и разрыве на одной из них необходимо:

выполнить операции по пп. 10.9.1 и 10.9.2;

если принятые меры не позволяют сохранить давление в обратной магистрали и оно продолжает понижаться, то по согласованию с диспетчером тепловой сети отключить подающую и обратную магистрали поврежденного участка.

11. ПЕРЕЧЕНЬ ВОЗМОЖНЫХ НЕИСПРАВНОСТЕЙ И МЕТОДЫ УСТРАНЕНИЯ

Неисправность

Причина неисправности

Метод устранения

Насосы

1. Нет подачи перекачивающей жидкости

1.1. Неправильное вращение ротора насоса

1.1. Изменить направление вращения ротора

 

1.2. Закрыта задвижка на стороне всасывания частично или полностью

1.2. Открыть всасывающую задвижку

 

1.3. Недостаточный подпор на стороне всасывания насоса (для СН)

1.3. Проверить, не засорен ли входной трубопровод; проверить и очистить при необходимости грязевики насосов

2. Насос не развивает требуемый напор или подачу

2.1. Подача насоса ниже номинальной

2.1. Включить резервный насос

 

2.2. Износ уплотнений

2.2. Вывести насос в ремонт

 

2.3. Подсос воздуха в насос

2.3. Проверить открытие вентиля на линии отсоса воздуха из насоса и давление воды, подаваемой на уплотнение

 

2.4. Повреждено рабочее колесо

2.4. Вывести насос в ремонт

3. Перегрузка двигателя

3.1. Подача насоса выше номинальной

3.1. Проверить давление и подачу насоса и отрегулировать их

 

3.2. Туго затянуты сальники

3.2. Отпустить гайку прижимной буксы

 

3.3. Задевания в уплотнениях

3.3. Вывести насос в ремонт

 

3.4. Перекошены подшипники

3.4. Устранить перекос

 

3.5. Низкое гидравлическое сопротивление сети

3.5. Увеличить гидравлическое сопротивление сети

4. Вибрация насоса

4.1. Расцентровка роторов насоса и двигателя

4.1. Вывести насос в ремонт

 

4.2. Ротор имеет дисбаланс

4.2. Вывести насос в ремонт

 

4.3. Вибрация трубопроводов обвязки

4.3. Устранить причину вибрации трубопроводов, усилить крепление трубопроводов

 

4.4. Задевание вращающихся деталей за корпус

4.4. Вывести насос в ремонт

 

4.5. Большие зазоры в подшипниках

4.5. Вывести насос в ремонт

5. Неплотности в сальнике

5.1. Износ или неправильно установлена набивка

5.1. Набить сальники новой набивкой, соблюдая правила ее установки

 

5.2. Быстрый износ набивки

5.2. Прошлифовать поверхность защитной втулки в месте установки сальника

 

5.3. Повышенное давление в линии охлаждения сальника

5.3. Отрегулировать перепад давления воды на сальник

6. Перегрев подшипников

6.1. Перекос подшипника

6.1. Вывести насос в ремонт

 

6.2. Неточная центровка насоса с двигателем

6.2. Проверить центровку

 

6.3. Недостаточное количество смазки или смазка загрязнена

6.3. Добавить или заменить смазку

 

6.4. Недостаточный расход воды на охлаждение подшипника

6.4. Проверить положение арматуры на подводе воды к подшипнику и при необходимости увеличить степень ее открытия

7. Перегрев сальника

7.1. Конденсат не поступает к сальнику

7.1. Проверить значение давления конденсата на подводе к сальнику

 

7.2. Туго затянут сальник

7.2. Отпустить гайку прижимной буксы

8. Стук и удары в насосе

8.1. Кавитация

8.1. Увеличить подпор, снизить температуру рабочей жидкости

 

8.2. Разрушение подшипника

8.2. Вывести насос в ремонт для замены подшипника

 

8.3. Повреждение в проточной части насоса

8.3. Вывести насос в ремонт

Подогреватели сетевой воды

1. Недостаточный нагрев воды в подогревателе

1.1. Загрязнение трубной системы с паровой или водяной стороны

1.1. Произвести очистку поверхностей нагрева

 

1.2. Наличие воздуха или неконденсирующихся газов в паровом пространстве подогревателя

1.2. Уплотнить подогреватели, работающие под разряжением. Проверить схему отсоса паровоздушной смеси

 

1.3. Дросселирование пара в подводящем паропроводе

1.3. Проверить положение запорной паровой задвижки и КОС. Устранить дросселирование пара в этих элементах

 

1.4. Пропуск воды через задвижки байпасных линий

1.4. Отревизовать задвижку, устранить пропуск воды

2. Повышенный уровень конденсата в корпусе подогревателя

2.1. Разрыв трубок

2.1. Отключить подогреватель; установить заглушки или отключить поврежденный участок трубной системы

 

2.2. Засорение импульсной линии регулятора уровня. Отказ в работе регулятора

2.2. Продуть импульсную линию. Отрегулировать работу регулятора

 

2.3. Работающий насос не обеспечивает откачку конденсата из подогревателя

2.3. Пустить резервный насос

 

2.4. Частичное открытие задвижки на линии отвода КГП

2.4. Полностью открыть задвижки

 

2.5. Перегрузка подогревателя

2.5. Разгрузить подогреватель открытием байпаса по водяной стороне

3. Низкий уровень конденсата

3.1. Неисправность автоматики поддержания уровня

3.1. Наладить работу автоматики или перейти на дистанционное управление

 

3.2. Неисправность регулирующего клапана на линии отвода КГП

3.2. Отревизовать клапан, восстановить работоспособность клапана

 

3.3. Частичное открытие задвижки на подводе пара к подогревателям

3.3. Полностью открыть задвижки

4. Гидравлические удары в паропроводах к подогревателям

4.1. Наличие воды в паропроводах при пуске. Недостаточный прогрев паропроводов

4.1. Полностью открыть дренажи из нижних точек паропроводов. Произвести необходимый прогрев паропроводов перед пуском

5. Гидравлические удары в трубопроводах сетевой воды

5.1. Недостаточные давление и расход сетевой воды

5.1. Восстановить давление и расход сетевой воды

 

5.2. Завоздушивание водяных камер подогревателей

5.2. Стравить воздух из водяных камер

6. Увеличение гидравлического сопротивления подогревателя

6.1. Занос трубок с водяной стороны продуктами коррозии

6.1. Вывести подогреватель в ремонт. Произвести очистку поверхностей нагрева. Обеспечить работу с низким содержанием коррозионно-активных газов в конденсате

 

6.2. Неполное открытие (заклинивание) арматуры на линии сетевой воды

6.2. Проверить и отревизовать водяную арматуру подогревателя

7. Неплотность в перегородках водяных камер

7. Разрыв сварных соединений между перегородками и в местах приварки их к обечайке водяной камеры

7. Демонтировать водяную камеру, устранить неплотность

8. Вибрация корпуса подогревателя

8. Вибрация трубной системы из-за перегрузки подогревателя

8. Снизить паровую нагрузку подогревателя отводом части воды по байпасной линии

Приложение 1

Справочное

КОНТРОЛЬ, УПРАВЛЕНИЕ, АВТОМАТИЧЕСКОЕ РЕГУЛИРОВАНИЕ, ЗАЩИТЫ И БЛОКИРОВКИ

1. Контрольно-измерительные приборы

1.1. Перечень контролируемых параметров, место и форма их представления и использования предусматриваются в соответствии с «Методическими указаниями по объему технологических измерений, автоматического регулирования на тепловых электростанциях: РД 34.35.101-88» (М.: СПО Союзтехэнерго, 1990) и комплектацией завода-изготовителя (табл. П1.1).

1.2. Об отклонении уровня в любом сетевом подогревателе, а также срабатывании защит и блокировок оператор оповещается световой и звуковой сигнализацией.

1.3. Управление системой подогрева сетевой воды производится с БЩУ, для чего на БЩУ выводится вся необходимая информация.

1.4. К дистанционно управляемой с БЩУ арматуре относятся:

задвижки на подводе пара к сетевым подогревателям;

задвижки на входе и выходе в каждом сетевом подогревателе и на обводе этих подогревателей по сетевой воде;

регулирующие клапаны уровня сетевых подогревателей;

задвижки на трубопроводе слива КГП за КЭН.

2. Автоматическое регулирование

Все подогреватели сетевой воды оборудованы автоматическими регуляторами уровня конденсата. Поддержание нормального уровня в заданном диапазоне осуществляется регулирующим клапаном на сливе КГП.

Регуляторы получают импульс от датчиков уровня. Задание по уровню устанавливаются ручными задатчиками, входящими в комплект авторегуляторов. Схемы и типы применяемой в авторегуляторах аппаратуры выбирает проектная организация.

Таблица П1.1

Перечень контролируемых параметров установки подогрева сетевой воды

Измеряемый или регулируемый параметр

Форма предоставления информации

Автоматическое регулирование

на БЩУ

на МЩУ

по месту

Постоянно

По требованию

Сигнализация

Постоянно

Сигнализация

Регистрация

Суммирование

1. Температура сетевой воды на выходе из каждого подогревателя

 

+

 

 

 

 

 

+

 

2. Температура сетевой воды в общих подающих или обратных трубопроводах каждой группы сетевых подогревателей

 

+

 

 

 

 

 

+

 

3. Температура сетевой воды в подающем коллекторе (при секционировании коллектора - в каждой секции)

 

 

 

 

 

 

 

+

 

4. Температура сетевой воды в каждом подающем трубопроводе, подключенном к коллектору

 

 

 

+

 

+

 

+

-

5. Температура сетевой воды в каждом обратном трубопроводе до подвода подпиточной воды

 

 

 

+

 

+

 

+

 

6. Температура сетевой воды в обратном коллекторе (при секционировании коллектора - в каждой секции)

 

 

 

 

 

 

 

+

 

7. Температура воды в подпиточном трубопроводе

 

 

 

 

 

+

 

+

 

8. Температура воды в подводящих и отводящих трубопроводах баков-аккумуляторов

 

 

 

 

 

 

 

+

 

9. Температура пара в каждом паровом коллекторе электростанции

 

 

 

 

 

 

 

+

 

10. Температура пара теплофикационных отборов

 

+

 

 

 

 

 

 

 

11. Температура пара регенеративных отборов

 

+

 

 

 

 

 

 

 

12. Давление воды во всасывающих патрубках сетевых, подпиточных и конденсатных насосов и насосов к бакам-аккумуляторам (после задвижек по ходу воды)

 

 

 

 

 

 

 

+

 

13. Давление воды в напорных патрубках сетевых, подпиточных и конденсатных насосов и насосов к бакам-аккумуляторам (до обратного клапана)

 

 

 

 

 

 

 

+

 

14. Давление воды в напорном трубопроводе СН (после задвижек)

 

 

 

 

 

 

 

+

 

15. Давление сетевой воды в подающем коллекторе (при секционировании коллектора - в каждой секции)

 

 

 

+

↓↑

+

 

+

 

16. Давление сетевой воды в каждом подающем трубопроводе, подключенном к коллектору (после выходных задвижек по ходу воды)

 

 

 

 

 

 

 

+

 

17. Давление сетевой воды в обратном коллекторе (при секционировании коллектора - в каждой секции)

 

 

 

+

↓↑

+

 

+

+

18. Давление сетевой воды в каждом обратном трубопроводе, подключенном к коллектору (до задвижек по ходу воды)

 

 

 

 

 

+

 

+

 

19. Давление воды в подпиточном трубопроводе до регулирующего органа и после него

 

 

 

 

 

 

 

+

 

20. Давление воды в подводящих и отводящих трубопроводах каждого бака-аккумулятора

 

 

 

 

 

 

 

+

 

21. Давление воды перед каждым сетевым подогревателем и после него

 

 

 

 

 

 

 

+

 

22. Давление сетевой воды до и после грязевика

 

 

 

 

 

 

 

+

 

23. Давление воды в трубопроводах хозяйственно-питьевого и технического водопровода, подключенных к подпиточному трубопроводу (перед задвижками по ходу воды)

 

 

 

 

 

 

 

+

 

24. Давление пара в сетевом подогревателе

 

+

 

 

 

 

 

 

25. Давление пара в общих паропроводах к сетевым подогревателям

 

 

 

 

 

 

 

+

 

26. Расход воды в трубопроводах хозяйственно-питьевого и технического водопроводов, подключенных к подпиточному трубопроводу

 

 

 

 

 

 

+

+

 

27. Расход сетевой воды через сетевые подогреватели

 

 

 

 

 

+

 

+

 

28. Расход сетевой воды в каждом подающем трубопроводе, подключенном к коллектору

 

 

 

+

 

+

 

 

 

29. Расход сетевой воды в каждом обратном трубопроводе, подключенном к коллектору

 

 

 

+

 

+

 

 

 

30. Расход подпиточной воды

 

 

 

+

 

+

 

 

 

31. Расход воды в подводящих и отводящих трубопроводах каждого бака-аккумулятора

 

 

 

+

 

+

 

 

 

32. Уровень конденсата в сетевых подогревателях

+

 

↓↑

 

 

 

 

+

+

33. Уровень воды в каждом баке-аккумуляторе

 

 

+

 

+

 

+

 

Примечание. В графе «Сигнализация» ↑ и ↓ обозначают соответственно повышение и понижение параметра.

3. Защиты

Защиты выполняются согласно требованиям руководящих документов, заводов-изготовителей оборудования и проектной организации. Все защиты имеют накладки, с помощью которых защита может быть включена на сигнал при проведении проверок срабатывания защит без воздействия на работающее оборудование.

3.1. Защита по повышению давления пара в сетевом подогревателе. Действует на останов турбины путем закрытия стопорных и регулирующих клапанов турбины.

3.2. Защита по повышению уровня в ПСГ. Защита локальная и действует на отключение установки подогрева сетевой воды. Уровень в каждом сетевом подогревателе контролируется двумя приборами, один из которых устанавливается в конденсатосборнике, второй - в корпусе подогревателя.

3.2.1 Для турбин ПО ТМЗ:

при повышении уровня в корпусе или в конденсатосборнике ПСГ № 2 защита действует на закрытие обратных клапанов и задвижек на паре к подогревателю и открытие задвижки на байпасной линии подогревателя по сетевой воде. После начала открытия этой задвижки закрываются задвижки на сетевой воде до и после подогревателя;

при повышении уровня в корпусе или в конденсатосборнике ПСГ № 1 защита действует на отключение всех групп подогревателей: закрытие обратных клапанов и задвижек на паре к ПСГ № 2 и открытие задвижки на общей байпасной линии, после начала открытия которой закрываются задвижки на сетевой воде до и после группы подогревателей, а также задвижка на байпасе ПСГ № 2.

3.2.2. Для турбин ПОТ ЛМЗ:

количество уровнемеров указывается в технических условиях завода-изготовителя;

при повышении уровня в ПСГ № 2 защита действует на закрытие задвижек на сетевой воде до и после подогревателя, а также на открытие задвижек на байпасной линии подогревателя;

при повышении уровня в ПСГ № 1 защита действует на отключение всей группы подогревателей по сетевой воде: закрытие задвижек до и после группы подогревателей, а также на открытие задвижки на общей байпасной линии.

3.3. Защита по повышению солесодержания в КГП сетевого подогревателя. Защита локальная.

При повышении солесодержания конденсата в ПСГ № 2 подается соответствующий сигнал на щит, отключается ПСГ № 2 и открывается задвижка на линии аварийного сброса конденсата. Операции при отключении ПСГ № 2 аналогичны операциям при отключении указанного подогревателя при повышении уровня.

При повышении солесодержания конденсата в ПСГ № 1 подается соответствующий сигнал на щит, отключается ПСГ № 1 и ПСГ № 2 и открываются задвижки на линии аварийного сброса конденсата из этих подогревателей. Операции при отключении сетевых подогревателей аналогичны операциям при отключении указанного подогревателя при повышении уровня.

3.4. Защита по повышению давления сетевой воды перед ПСГ № 1.

Защита локальная и действует на отключение всей группы сетевых подогревателей. Операции при отключении сетевых подогревателей аналогичны операциям при отключении указанного подогревателя при повышении уровня. Защита предусматривается в схемах некоторых турбоустановок.

3.5. Защита по давлению сетевой воды на стороне всасывания СН I и II ступени.

Защита локальная и действует на отключение работающих СН при понижении давления на стороне всасывания до определенного значения, задаваемого заводом-изготовителем.

Включение СН возможно при давлении воды на стороне всасывания, обеспечивающем кавитационный запас.

3.6. Защита по падению давления на стороне нагнетания СН II ступени. Защита локальная.

При понижении давления в напорном трубопроводе за СН II ступени до заданного значения происходит отключение насоса.

3.7. Защита по понижению давления масла на смазку подшипников СН.

Защита локальная и действует на останов насосов при понижении давления масла до определенного значения, определяемого заводом-изготовителем.

3.8. Защита по минимальному напряжению.

При потере напряжения на секции 6 кВ все электродвигатели СН должны отключаться защитой минимального напряжения по соображениям техники безопасности с выдержкой времени 9 с.

4. Блокировки

Блокировки по оборудованию и арматуре установки подогрева сетевой воды выполняются согласно требованиям заводов - изготовителей оборудования и проектной организации.

4.1. Конденсатные насосы ПСГ № 1 (ПСГ № 2).

В схемах установок подогрева сетевой воды устанавливаются два или три КЭН, один из которых является резервным. При постановке насоса в режим АВР, задвижка на напоре должна быть открыта.

Конденсатный насос пускается при включении в работу ПСГ № 1 (ПСГ № 2).

Включение насоса возможно, если выполнены следующие условия:

отсутствие технологического сигнала «Уровень конденсата в сетевом подогревателе низок»;

задвижка на стороне всасывания насоса открыта;

задвижка на стороне нагнетания насоса закрыта;

задвижка на линии рециркуляции КЭН закрыта.

4.1.1. Пуск первого насоса производится вручную, при этом:

задвижка на стороне нагнетания КЭН открывается автоматически по сигналу достижения номинального давления;

задвижка на линии рециркуляции КЭН медленно открывается и закрывается при достижении расхода конденсата более 30 % номинальной подачи насоса.

4.1.2. Пуск резервного насоса производится автоматически при:

повышении уровня в корпусе сетевого подогревателя или в его конденсатосборнике до определенного заданного значения;

падении давления за работающим насосом;

исчезновении электропитания работающего насоса.

4.1.3. Останов насосов производится в любой последовательности, исключая одновременный останов всех насосов, вручную или автоматически при снижении уровня конденсата в корпусе подогревателя или в его конденсатосборнике до I предела.

4.1.4. Конденсатный насос может быть отключен, если уровень в конденсатосборнике ПСГ не выше II предела, и включен, если уровень выше I предела.

4.2. Арматура на трубопроводах слива КГП

4.2.1. Задвижка на линии рециркуляции КЭН сетевых подогревателей:

открывается автоматически при пуске первого насоса и закрывается при расходе более 30 % номинальной подачи этого насоса;

имеет запрет на открытие при работе двух насосов и более.

4.2.2. Задвижка на стороне нагнетания КЭН сетевых подогревателей (на общей линии):

открывается автоматически при пуске любого из насосов и по сигналу достижения давлением номинального значения;

имеет запрет на закрытие при нахождении в работе любого из насосов.

4.2.3. Задвижка на сливе КГП из сетевых подогревателей в конденсатор (бак низких точек):

автоматически закрывается при пуске любого из насосов;

имеет запрет на открытие вручную при нахождении в работе любого из этих насосов.

4.2.4. Задвижка на сливе КГП из ПСГ № 2 через гидрозатвор в конденсатосборник ПСГ № 1:

автоматически открывается при падении давления за КЭН ПСГ № 2 и закрывается при восстановлении давления.

4.2.5. Задвижка на трубопроводе аварийного слива КГП сетевых подогревателей после КЭН:

открывается при повышении уровня в соответствующем подогревателе выше III предела и закрывается при снижении уровня до заданного минимального значения.

4.3. Арматура на трубопроводах сетевой, подпиточной и циркуляционной воды

4.3.1. Задвижки на входе и выходе сетевой воды ПСГ № 1:

автоматически закрываются при отключении ПСГ № 1;

имеют запрет на закрытие при открытой задвижке на выходе сетевой воды за ПСГ № 2.

4.3.2. Задвижки на байпасе ПСГ № 2;

автоматически одновременно открываются при аварийном отключении ПСГ № 2 или при закрытии задвижки на входе в ПСГ № 2;

автоматически одновременно закрываются при аварийном отключении ПСГ № 1.

Из двух указанных сигналов последний имеет приоритет.

4.3.3. Задвижка на выходе сетевой воды за ПСГ № 2:

автоматически закрывается при аварийном отключении ПСГ № 2, ПСГ № 1 и аварийном отключении турбины;

имеет запрет на открытие при закрытых задвижках на входе и выходе сетевой воды ПСГ № 1.

4.3.4. Задвижка на обводе установки подогрева сетевой воды автоматически открывается при аварийном отключении ПСГ № 1.

4.3.5. Задвижки на подводах подпиточной и циркуляционной воды к встроенному пучку конденсатора имеют следующие блокировки:

при пропуске через встроенный пучок подпиточной воды и открытой задвижке на ее подводе задвижка на подводе циркуляционной воды имеет запрет на открытие и наоборот.

4.3.6. При снижении расхода подпиточной воды через встроенный пучок на щит подается звуковой и световой сигнал.

Приложение 2

Справочное

ОПИСАНИЕ КОНСТРУКЦИЙ ПОДОГРЕВАТЕЛЕЙ СЕТЕВОЙ ВОДЫ СЗЭМ И ПО «ТУРБОМОТОРНЫЙ ЗАВОД»

Подогреватели сетевой воды выпускаются двух типов - вертикальные (ПСВ) и горизонтальные (ПСГ). Саратовский завод энергетического машиностроения специализируется на выпуске ПСВ, а ПО «Турбомоторный завод» - ПСГ.

Подогреватели предназначены для подогрева сетевой воды в открытых и закрытых системах теплоснабжения. Греющей средой в них является пар регенеративных отборов теплофикационных или конденсационных турбин электростанций. Все подогреватели сетевой воды поверхностного типа. Конденсация греющего пара происходит на трубках подогревателя при температуре насыщения, соответствующей давлению пара в его паровом пространстве. Эта температура является пределом, до которого могла бы нагреться вода в подогревателе. Однако на практике имеет место недогрев воды по сравнению с температурой насыщения (температурный напор), значение которого зависит как от конструктивного, так и от эксплуатационных факторов:

наличия воздуха и неконденсирующихся газов в паровом пространстве подогревателя;

загрязнения трубок поверхностей нагрева;

наличия теплового сопротивления на пути передачи тепла от греющего пара к нагреваемой среде.

Воздух проникает в паровое пространство подогревателя через неплотности во фланцевых соединениях трубопроводов и подогревателей, работающих под разрежением. Неконденсирующиеся газы поступают в подогреватели с паром из отборов турбины. Наличие воздуха и неконденсирующихся газов существенно ухудшает теплоотдачу от конденсирующегося пара к стенкам трубок поверхности нагрева подогревателя, что приводит к увеличению недогрева воды. Для отвода воздуха и неконденсирующихся газов из корпуса подогревателя предусматривается система отсосов.

В процессе эксплуатации подогревателей сетевой воды на внутренней поверхности трубной системы образуются отложения. Состав и количество отложений зависят от качества сетевой воды, поступающей в подогреватели, температурных условий и длительности эксплуатации. Отложения ухудшают коэффициент теплопередачи, что приводит к увеличению температурного напора, т.е. недогреву сетевой воды. Таким образом, повышенный температурный напор в подогревателях может косвенно свидетельствовать о загрязнении трубной системы и необходимости ее чистки.

Саратовский завод энергетического машиностроения изготавливает ПСВ с поверхностью теплообмена в одном корпусе от 45 до 500 м2. Конструктивно все аппараты выполнены одинаково. Основными узлами в каждом из них являются корпус, трубная система, верхняя и нижняя (плавающая) водяные камеры. К верхней части корпуса приварен фланец. Между этим фланцем и фланцем верхней водяной камеры закрепляется трубная доска. К нижней части обечайки корпуса приварено штампованное эллиптическое днище с патрубком для отвода конденсата греющего пара.

Верхняя водяная камера состоит из обечайки с приваренными к ней эллиптическим днищем, фланцем и патрубком для подвода и отвода сетевой воды. В камере имеется система перегородок, с помощью которых в аппарате создаются четыре хода воды.

Трубная система включает в себя верхнюю и нижнюю трубные доски, трубы каркаса пучка, поперечные сегментные перегородки и поверхность теплообмена, набранную из прямых труб диаметром 19 и толщиной 1 мм из латуни Л68 и Л070-1 (ГОСТ 494-76). Концы этих трубок развальцованы в трубных досках.

Фланцы корпуса и водяных камер, а также трубные доски выполняются из стали 20К, а остальные элементы подогревателя - из листовой углеродистой стали ВСт.3сп (ГОСТ 380-71). Все типоразмеры подогревателей сетевой воды завод выпускает четырехходовыми, но дает разрешение заказчику на переделку подогревателей с поверхностью теплообмена от 45 до 200 м2 с четырехходовых на двухходовые.

У четырехходовых по сетевой воде подогревателей в верхней камере имеются две взаимно перпендикулярные перегородки, а в нижней - одна. У двухходовых - в верхней водяной камере должна быть только одна перегородка (по диаметру), а в нижней перегородка не требуется.

Эти изменения в камерах заказчик осуществляет самостоятельно при монтаже на основе технической документации завода-изготовителя.

Подогреваемая сетевая вода поступает в верхнюю водяную камеру, далее через трубы в нижнюю плавающую камеру, возвращается в верхнюю камеру и т.д. Греющий пар, омывая трубки снаружи, конденсируется на поверхности труб и стекает в нижнюю часть корпуса. Движение пара направляется системой перегородок внутри корпуса подогревателя, КГП отводится из нижней части подогревателя. На линии отвода установлен регулирующий клапан, получающий импульс от датчика, фиксирующего отклонение уровня от нормального в корпусе подогревателя. В корпусе подогревателя предусмотрен патрубок для отвода воздуха и неконденсирующихся газов из парового пространства, а также краны-воздушники на верхних водяных камерах трубной системы.

Все подогреватели комплектуются:

водоуказательными приборами (водомерными стеклами);

уравнительным сосудом для присоединения датчика дистанционного указателя уровня;

регулятором уровня конденсата в паровом пространстве подогревателя;

регулирующим клапаном регулятора уровня конденсата;

вентилями для выпуска воздуха из водяных камер подогревателя;

вентилями для выпуска воздуха из парового пространства;

манометром для измерения давления;

термометрами или термопарами для измерения температуры воды и пара.

Производственное объединение «Турбомоторный завод» выпускает ПСГ, которыми комплектуются теплофикационные турбины, с поверхностью теплообмена от 800 до 5000 м2. Корпус подогревателя представляет собой цельносварную конструкцию. Поверхность трубного пучка образована прямыми трубками, концы которых развальцованы в трубных досках. По длине трубного пучка установлены промежуточные перегородки, являющиеся одновременно дополнительными опорами для труб. Между перегородками выбрано расстояние, которое исключает опасные формы колебаний, ведущие к повреждению труб во время вибрации. Трубки изготавливаются из латуни марки ЛО70-1 (ГОСТ 494-76) или нержавеющей стали марки 12Х18Н10Т.

Подвод пара к подогревателю осуществляется через специальные диффузоры, расположенные в верхней части аппарата, внутри которых смонтированы концентрические рассекатели для равномерного распределения пара по длине трубного пучка. Количество подводов пара различное: два в аппаратах с поверхностью теплообмена 800; 1300 и 2300 м2 и четыре - для 5000 м2.

Трубный пучок расположен в корпусе эксцентрично, что позволяет создать внутри подогревателя в зоне, прилегающей к месту ввода пара, симметричный клиновой раздающий коллектор, охватывающий пучок. Это обеспечивает улучшение распределения парового потока по наружному контуру трубного пучка и одновременно облегчает доступ пара в глубину пучка через имеющиеся в нем специальные проходы, связанные с коллектором.

Для защиты труб поверхности нагрева от эрозии, в зоне входа пара в первом ряду пучка по его периферии установлены стальные трубы, в которые сетевая вода не поступает.

Для компенсации температурных расширений труб на корпусе подогревателя со стороны поворотной камеры установлен двойной линзовый компенсатор.

Паровоздушная смесь отводится из подогревателя через специальную зону - воздухоохладитель, КГП с поверхности труб стекает в нижнюю часть корпуса, а оттуда в конденсатосборник. В этих трубах установлены специально спрофилированные сопла, которые препятствуют поступлению в корпус подогревателя и далее в турбину пара, образующегося в конденсатосборнике при быстрых сбросах нагрузки турбиной за счет вскипания конденсата, находящегося в конденсатосборнике.

Подогреватели по сетевой воде выпускаются как четырехходовыми, так и двухходовыми.

Все подогреватели комплектуются:

водоуказательными приборами (водомерными стеклами);

уравнительным сосудом для присоединения датчика дистанционного указателя уровня;

регулятором уровня конденсата в паровом пространстве подогревателя;

регулирующим клапаном регулятора уровня конденсата;

вентилями для выпуска воздуха из водяных камер подогревателя;

вентилями для выпуска воздуха из парового пространства;

манометром для измерения давления;

термометрами или термопарами для измерения температуры воды и пара.

В табл. П2.1 - П2.4 приведены технические и конструктивные характеристики сетевых подогревателей.

Таблица П2.1

Конструктивные характеристики подогревателей сетевой воды

Типоразмер подогревателя

Площадь поверхности теплообмена, м2

Количество трубок, шт.

Длина трубок, мм

Диаметр трубок и толщина стенки, мм

Материал трубок

Площадь сечения по воде, м

Масса подогревателя, т

Двухходовые подогреватели

Четырехходовые подогреватели

без воды

с водой в водяном пространстве

полностью заполненного водой

ПСВ-45-7-15

45

228

3410

19´1

Латунь Л68 мягкая (ГОСТ 11383-65)

0,0259

0,0129

2,02

2,20

3,72

ПСВ-63-7-15

63

320

3410

19´1

0,0369

0,0182

2,514

3,124

4,68

ПСВ-90-7-15

90

456

3410

19´1

0,0518

0,0259

3,824

4,83

7,27

ПСВ-125-7-15

125

640

3410

19´1

0,0727

0,0364

4,08

5,22

7,48

ПСВ-200-3-23

200

1020

3410

19´1

0,1160

0,0580

6,76

8,72

13,02

ПСВ-200-14-23

200

1020

3410

19´1

0,1155

0,0516

6,97

8,83

13,13

ПСВ-315-3-23

315

1212

4545

19´1

0,1380

0,1375

11,65

14,00

21,03

ПСВ-315-14-23

315

1212

4545

19´1

0,1380

0,1375

12,42

14,37

22,00

ПСВ-500-3-23

500

1928

4545

19´1

0,2190

0,2190

14,00

17,00

25,34

ПСВ-500-14-23

500

1928

4545

19´1

0,2180

0,2182

14,97

18,14

25,58

ПСГ-800-3-8-I

800

2300

4600

24´1

Латунь Л070-1 (ГОСТ 494-76)

-

-

19,1

29,3

39,1

ПСГ-1300-3-8-I

1300

3440

5000

24´1

-

-

29,7

44,1

61,1

ПСГ-1300-3-8-II

1300

3440

5000

24´1

-

-

31,7

48,5

65,5

ПСГ-2300-2-8-I

2300

4999

6080

24´1

-

-

50,7

76,8

109,0

ПСГ-2300-3-8-II

2300

4999

6080

24´1

Нержавеющая сталь 2Х18Н10Т

-

-

50,3

74,7

105,70

ПСГ-5000-2,5-8-I

5000

7208

9000

25´1

-

-

108,54

171,06

245,56

ПСГ-5000-2,5-8-I

500

7208

9000

25´1,2

-

-

115,90

178,43

252,93

ПСГ-5000-3,5-8-I

5000

7208

9000

25´1

-

-

98,55

151,20

225,92

ПСГ-5000-3,5-8-I

5000

7208

9000

25´1,2

-

-

105,92

158,57

225,92


Таблица П2.2

Технические характеристики ПСВ

Типоразмер подогревателя

Площадь поверхности теплообмена, м2

Рабочее давление, кгс/см2, в пространстве

Максимальная температура пара на входе, °C

Число ходов воды

Расчетная номинальная теплопроизводительность, Гкал/ч

Расчетные параметры

Скорость в трубках поверхности теплообмена при номинальном расходе, м/с

Гидравлическое сопротивление водяного пространства при номинальном расходе, м вод. ст., не более

паровом

водяном

пара

сетевой воды

Давление (абс.), кгс/см2

Температура, °С

Номинальный расход ´ 10, т/ч

Давление (абс.), кгс/см2

Температура на входе, °С

Температура на выходе, °С

Номинальный расход, т/ч

ПСВ-45-7-15

45

7

15

400

2

7,2

2,5

126,8

1,4

16,0

70

110

180

2,00

1,5

 

 

 

 

 

2

9,0

8,0

169,6

1,9

16,0

100

150

180

2,10

1,5

 

 

 

 

 

4

7,2

8,0

169,6

1,5

16,0

70

150

90

2,00

2,0

 

 

 

 

 

2

9,6

2,5

126,8

1,9

16,0

70

110

240

1,85

2,0

ПСВ-63-7-15

63

7

15

400

2

9,6

8,0

169,6

2,0

16,0

110

150

240

2,00

2,0

 

 

 

 

 

4

9,6

8,0

169,6

2,0

16,0

70

150

120

1,95

2,5

 

 

 

 

 

2

14,0

2,5

126,8

2,7

16,0

70

110

350

1,95

2,5

ПСВ-90-7-15

90

7

15

400

2

14,0

8,0

169,6

2,9

16,0

110

150

350

1,95

2,5

 

 

 

 

 

4

14,0

8,0

169,6

3,0

16,0

70

150

175

2,00

3,0

 

 

 

 

 

2

20,0

2,5

126,8

3,8

16,0

70

110

500

2,00

2,75

ПСВ-125-7-15

125

7

15

400

2

20,0

8,0

169,6

4,1

16,0

110

150

500

2,10

2,75

 

 

 

 

 

4

20,0

8,0

169,6

4,1

16,0

70

150

250

1,95

3,5

 

 

 

 

 

2

32,0

2,5

126,8

6,2

24,0

70

110

800

2,00

3,0

ПСВ-200-3-23

200

3

23

400

2

32,0

4,0

142,9

6,3

24,0

90

130

800

2,00

3,0

 

 

 

 

 

4

24,0

4,0

142,9

4,8

24,0

70

130

400

2,00

4,0

 

 

 

 

 

2

32,0

8,0

169,6

6,5

24,0

110

150

800

2,10

3,0

ПСВ-200-14-23

200

14

23

400

2

40,0

15,0

197,4

8,6

24,0

130

180

800

2,10

3,0

 

 

 

 

 

4

32,0

8,0

169,6

6,6

24,0

70

150

400

2,00

4,0

 

 

 

 

 

4

24,0

15,0

197,4

5,15

24,0

120

180

400

2,10

4,0

ПСВ-315-3-23

315

3

23

400

2

56,5

2,5

126,8

11,0

24,0

70

120

1130

2,35

3,8

 

 

 

 

 

2

56,5

4,0

142,9

11,0

24,0

80

130

1130

2,40

3,8

ПСВ-315-14-23

315

14

23

400

2

45,2

8,0

169,6

9,25

24,0

110

150

1130

2,40

4,8

 

 

 

 

 

2

45,2

15,0

197,4

9,7

24,0

140

180

1130

2,50

4,8

ПСВ-500-3-23

500

3

23

400

2

60,0

2,5

126,8

11.5

24,0

70

110

1500

1,95

5,5

 

 

 

 

 

2

52,5

4,0

142,9

10,25

24,0

95

130

1500

2,00

5,5

ПСВ-500-14-23

500

14

23

400

2

60,0

8,0

169,6

12,25

24,0

110

150

1500

2,00

6,0

 

 

 

 

 

2

70,0

15,0

197,4

16,2

24,0

130

180

1500

2,10

6,0

Таблица П2.3

Технические характеристики ПСГ

Типоразмер подогревателя

Площадь поверхности теплообмена, м2

Рабочее давление, кгс/см2, в пространстве

Число ходов воды

Расчетная теплопроизводительность, Гкал/ч

Расчетные параметры

Скорость воды в трубках поверхности теплообмена при номинальном расходе воды, м/с

Расчетное гидравлическое сопротивление водяного пространства при номинальном расходе воды, м вод. ст., не более

 

пара

сетевой воды

 

Давление (абс.), кгс/см2

Температура пара, °С

Расход, т/ч

Давление

(абс.), кгс/см2

Температура на входе, °С

Разность температур на входе и выходе, °С

Расход, т/ч

паровом

водяном

Номинальная

Максимальная

номинальный

максимальный

номинальный

максимальный

Номинальная

Максимальная

Номинальное

Максимальное

ПСГ-800-3-8-I

800

3,0

8,0

4

30,0

60,0

0,3 - 2,5

250

58

116

9,0

120

50

1250

2000

1,59

2,54

3,5

8,4

 

ПСГ-1300-3-8-I

ПСГ-1300-3-8-II

1300

3,0

8,0

4

55,0

110,0

0,3 - 2,5

250

105

210

9,0

120

50

2000

3000

1,70

2,55

4,2

8,9

 

ПСГ-2300-2-8-I

ПСГ-2300-3-8-II

230

2,0

8,0

4

87,5

175,0

0,3 - 2,0

250

170

340

9,0

115

50

3500

4500

2,05

2,63

6,7

10,7

3,0

 

 

 

 

0,6 - 2,5

 

 

 

 

120

 

 

 

 

 

ПСГ-5000-2,5-8-I

ПСГ-5000-3,5-8-I,II

5000

2,5

8,0

4

165,0

330,0

0,3 - 1,5

300

295

590

9,0

105

50

6000

8000

2,22

2,90

9,7

1665

3,5

 

 

 

 

0,6 - 2,0

 

 

 

 

115

 

 

 

 

 

 

 


Таблица П2.4

Типы сетевых подогревателей для комплектации турбоустановок

Турбоустановка

Сетевой подогреватель

Тип

Назначение по тепловой схеме

Типоразмер

Завод-изготовитель

К-160/170-130 ХТЗ

ПСВ

Основной

Выбирается проектной организацией

СЗЭМ

 

ПСВ

Пиковый

 

К-210/215-130 ЛМЗ

ПСВ

Основной

СЗЭМ

 

ПСВ

Пиковый

 

К-300/310-240 ХТЗ

ПСВ

Основной

СЗЭМ

 

ПСВ

Пиковый

 

К-300/310-240 ЛМЗ

ПСВ

Основной

СЗЭМ

 

ПСВ

Пиковый

 

К-500-240-4 ХТЗ

ПСВ

Основной

СЗЭМ

 

ПСВ

Пиковый

 

К-800-240-5 ЛМЗ

ПСВ

Основной

СЗЭМ

 

ПСВ

Пиковый

 

ПТ-60/75-130 ЛМЗ

ПСВ

Основной

СЗЭМ

 

ПСВ

Пиковый

 

ПТ-80/100-130/13 ЛМЗ

ПСГ

Основной

ПСГ-1300-3-8-I

ПО ТМЗ

 

ПСГ

Пиковый

ПСГ-1300-3-8-I

 

T-110/120-130 ТМЗ

ПСГ

Основной

ПСГ-2300-2-8-I

ПО ТМЗ

 

ПСГ

Основной

ПСГ-2300-3-8-II

 

ПТ-140/165-130/15 ТМЗ

ПСГ

Основной

ПСГ-1300-3-8-I

ПО ТМЗ

 

ПСГ

Основной

ПСГ-1300-3-8-I

 

Т-180/210-130 ЛМЗ

ПСГ

Основной

ПСГ-5000-3,5-8-I,II

ПО ТМЗ

 

ПСГ

Основной

ПСГ-5000-3,5-8-I,II

 

 

ПСВ

Пиковый

ПСВ-90-7-15

СЗЭМ

Т-185/220-130-2 ТМЗ

ПСГ

Основной

ПСГ-5000-3,5-8-II

ПО ТМЗ

 

ПСГ

Основной

ПСГ-5000-3,5-8-II

 

Т-250/300-240 ТМЗ

ПСГ

Основной

ПСГ-5000-2,5-8-I

ПО ТМЗ

 

ПСГ

Основной

ПСГ-5000-3,5-8-I

 

Приложение 3

Справочное

ОСНОВНЫЕ ТРЕБОВАНИЯ К ТРУБОПРОВОДАМ СЕТЕВОЙ ВОДЫ И ИХ ЭКСПЛУАТАЦИИ

1. К трубопроводам сетевой воды на электростанциях должны предъявляться особые требования для обеспечения надежной их работы, поскольку аварии на этих трубопроводах могут вызвать серьезные нарушения в теплоснабжении городов и промышленных предприятий. Особое внимание должно быть уделено организации систематических осмотров трубопроводов и мерам по предупреждению и устранению наружной коррозии трубопроводов.

2. При эксплуатации станционных трубопроводов сетевой воды работникам электростанций необходимо руководствоваться действующими Правилами технической эксплуатации электрических станций и сетей и правилами Госгортехнадзора России.

3. Принимать необходимые меры к устранению причин, вызывающих наружную коррозию трубопроводов. Наружные поверхности трубопроводов сетевой воды должны быть защищены стойкими антикоррозионными покрытиями. Должно быть исключено попадание на поверхности трубопроводов воды, растворов кислот и щелочей, вызывающих ускоренное протекание процессов коррозии. Не допускать увлажнения изоляции и затопления трубопроводов. Своевременно устранять парения и течи в них.

4. Ко всем трубопроводам сетевой воды должен быть обеспечен доступ для осмотра и контроля. Трубопроводы должны осматриваться не реже одного раза в месяц работниками электростанции, ответственными за их безопасную эксплуатацию. Осмотр должен производиться по графику и маршруту, утвержденному руководством электростанции. Все выявленные недостатки должны заноситься в журнал дефектов установки подогрева сетевой воды и оперативно устраняться.

5. В случае обнаружения участков труб, подвергшихся увлажнению из-за парений, течей или затопления, они должны быть освобождены от изоляции и подвергнуты тщательному визуальному осмотру.

6. Если при осмотре трубопроводов обнаружены следы коррозии, необходимо во время очередного ремонта зачистить поверхности труб и измерить толщину стенки с помощью неразрушающих методов.

При выявлении местного утонения стенки трубопроводов на 10 % проектного (первоначального) значения и более эти участки подвергнуть контрольной засверловке для определения фактической толщины стенки. При подтверждении утонения стенки от 10 до 20 % эти участки проконтролировать в ремонтную кампанию следующего года. Участки с утонением стенки на 20 % и более подлежат замене.

7. Участки трубопроводов, на которых выявлена интенсивная коррозия, в процессе дальнейшей эксплуатации должны подвергаться усиленному надзору и контролю для предупреждения аварии.

8. Тепловые сети, расположенные на территории электростанции, должны периодически испытываться на потенциал блуждающих токов.

9. Все трубопроводы, арматура, фланцевые соединения и компенсаторы должны быть покрыты исправной тепловой изоляцией. Материал изоляции не должен оказывать коррозионного воздействия на трубопроводы.

Запрещается применение засыпной и набивной изоляции при прокладке труб в гильзах.

10. Все изменения в установках, производящиеся в процессе эксплуатации, должны вноситься в схемы немедленно за подписью ответственного лица. Технологические схемы должны проверяться на их соответствие фактическим эксплуатационным схемам не реже одного раза в два года с отметкой на них о проверке. Обозначения и нумерация в схемах должны соответствовать обозначениям и нумерации, выполненным в натуре.

11. Арматура установки подогрева сетевой воды должна иметь порядковые номера согласно рабочей схеме, указатели направления вращения штурвалов, а также указатели степени открытия регулирующего органа.

Местная и дистанционная (из точек, не доступных для затопления) системы управления отключающей и секционирующей арматурой станционных трубопроводов сетевой воды должны быть в исправном состоянии.

12. Все соединения трубопроводов должны быть сварными, за исключением мест применения фланцевой арматуры.

13. Необходимо вести систематический контроль за внутренней коррозией трубопроводов по анализам сетевой воды и конденсата, а также по индикаторам внутренней коррозии.

14. Следует ежегодно проверять состояние опор, подвесок и компенсаторов сетевых трубопроводов.

15. На всех трубопроводах технической, циркуляционной или водопроводной воды, подключенных к сетевым трубопроводам, должны устанавливаться две задвижки и контрольный кран между ними. При работе в нормальных условиях обе задвижки должны быть закрыты, а контрольный кран открыт.

16. Трубопроводы сетевой воды должны спрессовываться после окончания отопительного сезона для выявления дефектов и их устранения в период ремонта, а также перед отопительным сезоном для проверки готовности установки подогрева сетевой воды к работе.

Каждый участок трубопроводов сетевой воды должен испытываться давлением 1,25 рабочего, но не ниже 16 кгс/см2 для подающих и обратных трубопроводов. Подающие и обратные трубопроводы должны быть испытаны раздельно по условиям прочности неподвижных опор.

Для гидравлических испытаний на прочность и плотность трубопроводы сетевой воды должны заполняться водой с температурой не выше 45 °С.

Неработающие трубопроводы сетевой воды должны заполняться только деаэрированной водой.

Приложение 4

Справочное

ОСНОВНЫЕ ТРЕБОВАНИЯ К БАКАМ-АККУМУЛЯТОРАМ ДЛЯ ПОДПИТКИ ТЕПЛОВОЙ СЕТИ И ИХ ЭКСПЛУАТАЦИИ

1. Установка для подпитки тепловой сети должна обеспечивать их подпитку химически очищенной деаэрированной водой в рабочем режиме и аварийную подпитку необработанной водой из системы хозяйственно-питьевого или производственного водопровода качеством и в объемах, установленных «Нормами технологического проектирования тепловых электрических станций и тепловых сетей» (М.: СЦНТИ ОРГРЭС, 1975).

2. Подпиточно-сбросные устройства должны поддерживать заданное давление на всасывающей стороне сетевых насосов при рабочем режиме тепловых сетей и останове сетевых насосов. Должна быть предусмотрена защита обратных трубопроводов сетевой воды от внезапного повышения давления.

3. Баки-аккумуляторы должны заполняться только деаэрированной водой температурой не выше 95 °С. Скорость заполнения должна соответствовать пропускной способности вестовой трубы.

4. Антикоррозионная защита баков-аккумуляторов должна быть выполнена в соответствии с «Руководящими указаниями по защите баков-аккумуляторов от коррозии и воды в них от аэрации» (М.: СПО Союзтехэнерго, 1981). Эксплуатация баков-аккумуляторов без антикоррозионной защиты внутренней поверхности запрещается.

5. Оценка состояния баков-аккумуляторов и определение их пригодности к дальнейшей эксплуатации должны производиться ежегодно в период отключения установок ГВС путем визуального осмотра и составления акта.

Инструментальное обследование конструкций бака-аккумулятора с определением толщины стенок должно выполняться не реже 1 раза в 3 года.

При коррозионном износе стен и днища бака на 20 % и более их проектной толщины эксплуатация бака запрещается.

6. Эксплуатация баков-аккумуляторов запрещается:

при отсутствии блокировок, обеспечивающих полное прекращение подачи воды в бак при достижении ею верхнего предельного уровня, а также отключение насосов при достижении ею нижнего предельного уровня;

если баки не оборудованы аппаратурой для контроля уровня воды и сигнализацией предельного уровня, переливной трубой, установленной на отметке предельно допустимого уровня заполнения, а также вестовой трубой. Электрическая схема сигнализации должна опробоваться ежемесячно.

 

СОДЕРЖАНИЕ

1. Общая часть. 1

2. Требования безопасности. 2

3. Тепловые схемы включения установок подогрева сетевой воды.. 4

4. Основные технологические принципы организации режимов включения и отключения установок подогрева сетевой воды.. 7

5. Подготовка к пуску установок подогрева сетевой воды.. 8

6. Пуск установок подогрева сетевой воды.. 9

7. Обслуживание установок системы подогрева сетевой воды во время работы.. 15

8. Плановый останов установки подогрева сетевой воды.. 17

9. Вывод в ремонт оборудования установок подогрева сетевой воды.. 20

10. Действия персонала в аварийных ситуациях. 21

11. Перечень возможных неисправностей и методы устранения. 23

Приложение 1. Контроль, управление, автоматическое регулирование, защиты и блокировки. 25

Приложение 2. Описание конструкций подогревателей сетевой воды сзэм и по «турбомоторный завод». 30

Приложение 3. Основные требования к трубопроводам сетевой воды и их эксплуатации. 37

Приложение 4. Основные требования к бакам-аккумуляторам для подпитки тепловой сети и их эксплуатации. 39

 

 



© 2013 Ёшкин Кот :-)