| 
 | ||||||||||||||||||||||||||||
| 
 Скачать Альбом АТР БГБ 3.1-2015 Альбом технических решений по проектированию и возведению зданий в районах строительства сейсмичностью 7, 8, 9 баллов, этажностью до 3-х этажей включительно, с несущими стенами из блоков стеновых неармированных из ячеистого бетона автоклавного твердения B3,5 D600Дата актуализации: 10.08.2017
 | 
| Обозначение: |    Альбом АТР БГБ 3.1-2015 | 
| Обозначение англ: |    АТР БГБ 3.1-2015 | 
| Статус: | не определен законодательством | 
| Название рус.: | Альбом технических решений по проектированию и возведению зданий в районах строительства сейсмичностью 7, 8, 9 баллов, этажностью до 3-х этажей включительно, с несущими стенами из блоков стеновых неармированных из ячеистого бетона автоклавного твердения B3,5 D600 | 
| Дата добавления в базу: | 12.02.2016 | 
| Дата актуализации: | 05.05.2017 | 
| Дата введения: | 04.02.2015 | 
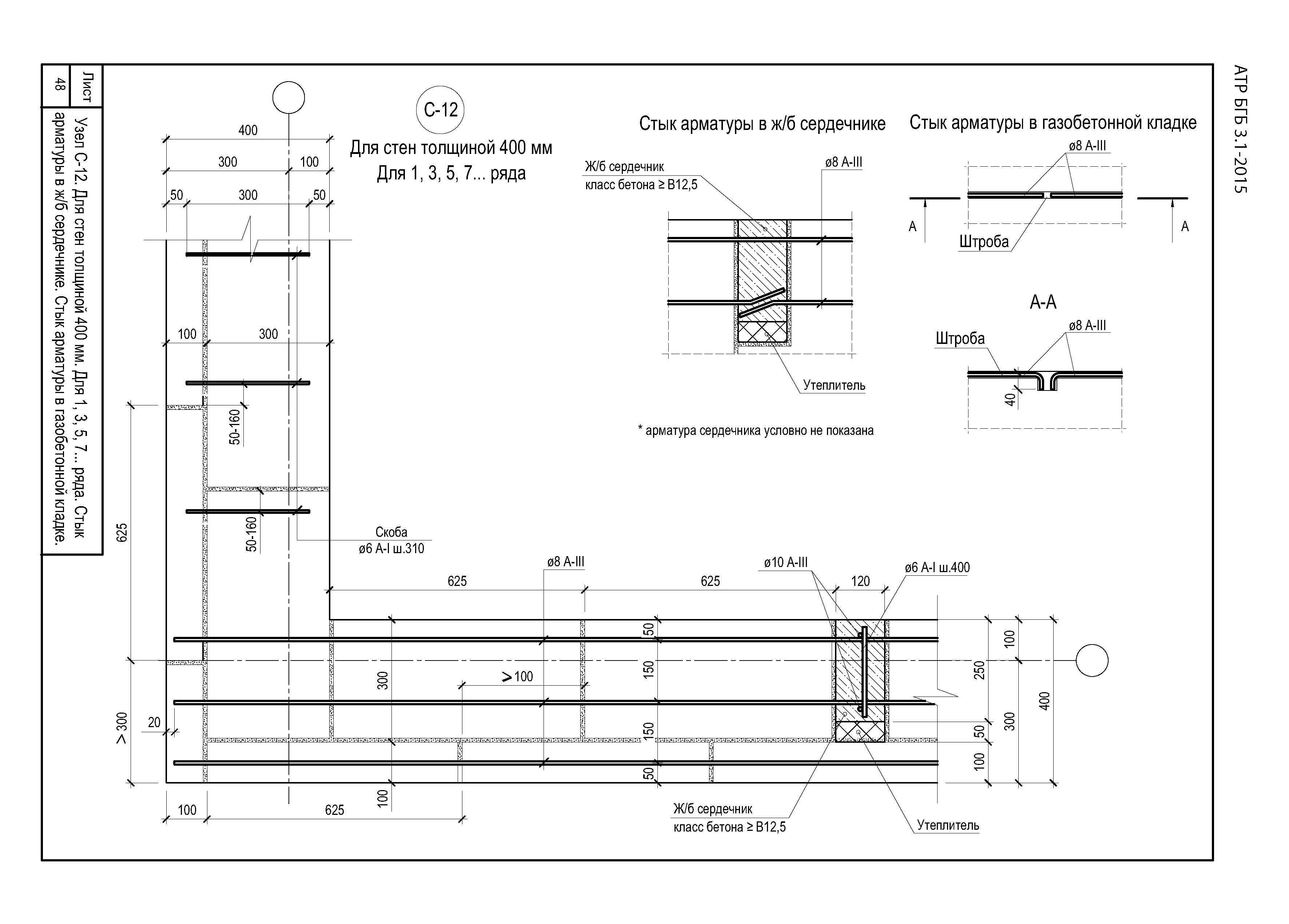
| Оглавление: | 1. Общие положения 2. Общие технические требования к автоклавным ячеистым бетонам и номенклатура неармированных изделий из них 3. Указания по расчету конструкций из мелких ячеистобетонных блоков 4. Конструктивные требования к кладке 5. Указания по проектированию зданий из мелких ячеистобетонных блоков 6. Производство работ 7. Приемка работ Приложение А (обязательное). Узлы и детали сопряжений конструктивных элементов зданий этажностью до 3-х этажей включительно, с несущими стенами из блоков стеновых неармированных из ячеистого бетона автоклавного тверденияВ3.5 D600 Приложение Б (справочное). Рекомендации по отделке и наружному утеплению кладки из автоклавного газобетона Приложение В (справочное). Рекомендательное письмо о возможности крепления НФС Краспан на строительное основание из автоклавного газобетона Приложение Г (справочное). Рекомендации по выбору крепежа и его монтажу Приложение Д (справочное). Рекомендательное письмо от Министерства строительства, дорожного хозяйства Иркутской области Приложение Е (справочное). Рекомендательное письмо от Министерства строительства и модернизации жилищно-коммунального комплекса Республики Бурятия Библиография | 
| Разработан: | ЦНИИСК им. В.А. Кучеренко ООО Сибирский институт проектироавния и исследований ООО Байкальский газобетон | 
| Утверждён: | 04.02.2015 ООО Байкальский газобетон | 
| Расположен в: | |
| Нормативные ссылки: | 
 | 











































































































