Информационная система
«Ёшкин Кот»

Скачать базу одним архивом
Скачать обновления
История создания базы
Карта сайта

Скачать Технологическая карта К-1-26-3 Сооружение фундаментов опор ВЛ из четырех фундаментов типа ФМТС-III-2, ФМТС-III-4, ФМТС-III-4т

Дата актуализации: 10.08.2017

Технологическая карта К-1-26-3

Сооружение фундаментов опор ВЛ из четырех фундаментов типа ФМТС-III-2, ФМТС-III-4, ФМТС-III-4т

Обозначение: Технологическая карта К-1-26-3
Обозначение англ: К-1-26-3
Статус:не установлен срок действия
Название рус.:Сооружение фундаментов опор ВЛ из четырех фундаментов типа ФМТС-III-2, ФМТС-III-4, ФМТС-III-4т
Дата добавления в базу:01.10.2014
Дата актуализации:05.05.2017
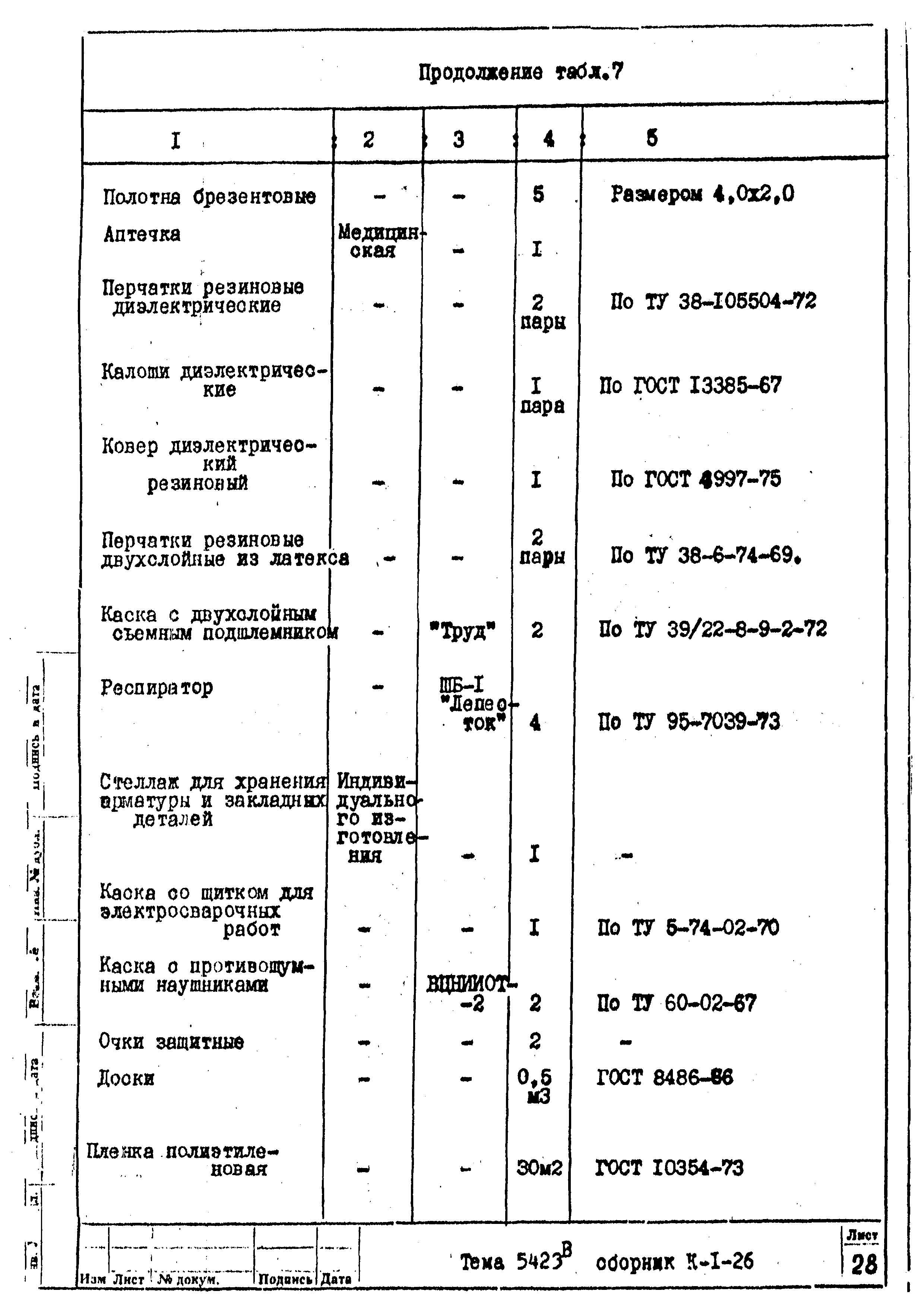
Область применения:Технологическая карта служит руководством для сооружения фундаментов опор ВЛ 35 - 500 кВ из четырех фундаментных блоков типа ФМТС-III-2. ФМТС-III-4, ФМТС-III-4т в трещиноватых скальных грунтах. в горных условиях.
Оглавление:Общая часть
1 Область применения
2 Организация и технология строительного процесса
3 Технико-экономические показатели
4 Материально-технические ресурсы
Приложение 1. Форма сдаточной документации (образец)
Разработан: Институт Оргэнергострой Одесский филиал
Утверждён: Институт Оргэнергострой Одесский филиал
Расположен в:Техническая документация Строительство Справочные документы Технологические карты Линии электропередачи
Нормативные ссылки:
Технологическая карта К-1-26-3Технологическая карта К-1-26-3Технологическая карта К-1-26-3Технологическая карта К-1-26-3Технологическая карта К-1-26-3Технологическая карта К-1-26-3Технологическая карта К-1-26-3Технологическая карта К-1-26-3Технологическая карта К-1-26-3Технологическая карта К-1-26-3Технологическая карта К-1-26-3Технологическая карта К-1-26-3Технологическая карта К-1-26-3Технологическая карта К-1-26-3Технологическая карта К-1-26-3Технологическая карта К-1-26-3Технологическая карта К-1-26-3Технологическая карта К-1-26-3Технологическая карта К-1-26-3Технологическая карта К-1-26-3Технологическая карта К-1-26-3Технологическая карта К-1-26-3Технологическая карта К-1-26-3Технологическая карта К-1-26-3Технологическая карта К-1-26-3Технологическая карта К-1-26-3Технологическая карта К-1-26-3Технологическая карта К-1-26-3Технологическая карта К-1-26-3Технологическая карта К-1-26-3Технологическая карта К-1-26-3Технологическая карта К-1-26-3Технологическая карта К-1-26-3Технологическая карта К-1-26-3Технологическая карта К-1-26-3Технологическая карта К-1-26-3Технологическая карта К-1-26-3Технологическая карта К-1-26-3Технологическая карта К-1-26-3Технологическая карта К-1-26-3Технологическая карта К-1-26-3Технологическая карта К-1-26-3Технологическая карта К-1-26-3Технологическая карта К-1-26-3Технологическая карта К-1-26-3Технологическая карта К-1-26-3Технологическая карта К-1-26-3Технологическая карта К-1-26-3

© 2013 Ёшкин Кот :-) Карта сайта