Скачать Типовой проект 902-1-46 Альбом VI/80. Электрооборудование, автоматизация и технологический контроль. Чертежи монтажной зоныДата актуализации: 10.08.2017 Типовой проект 902-1-46
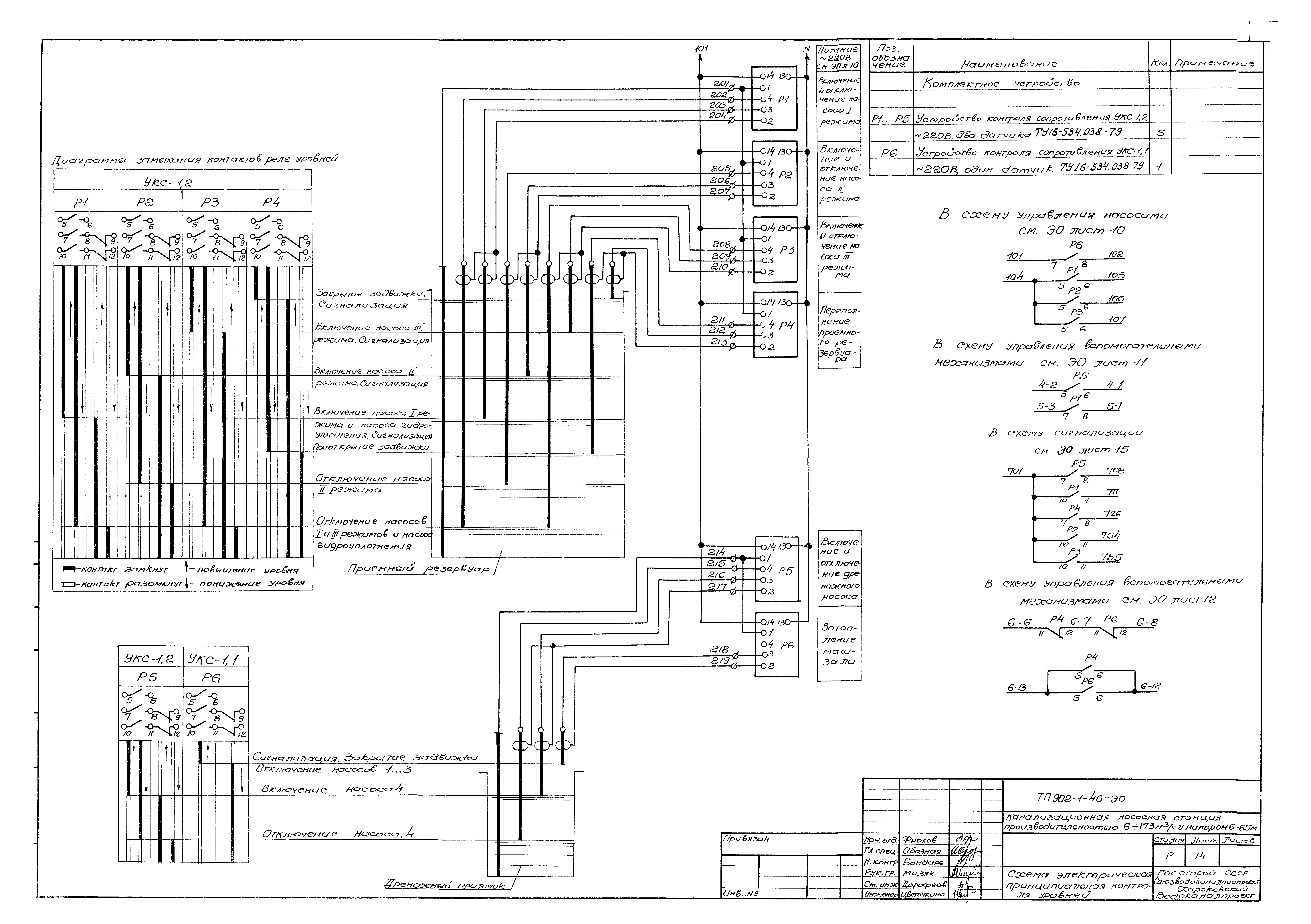
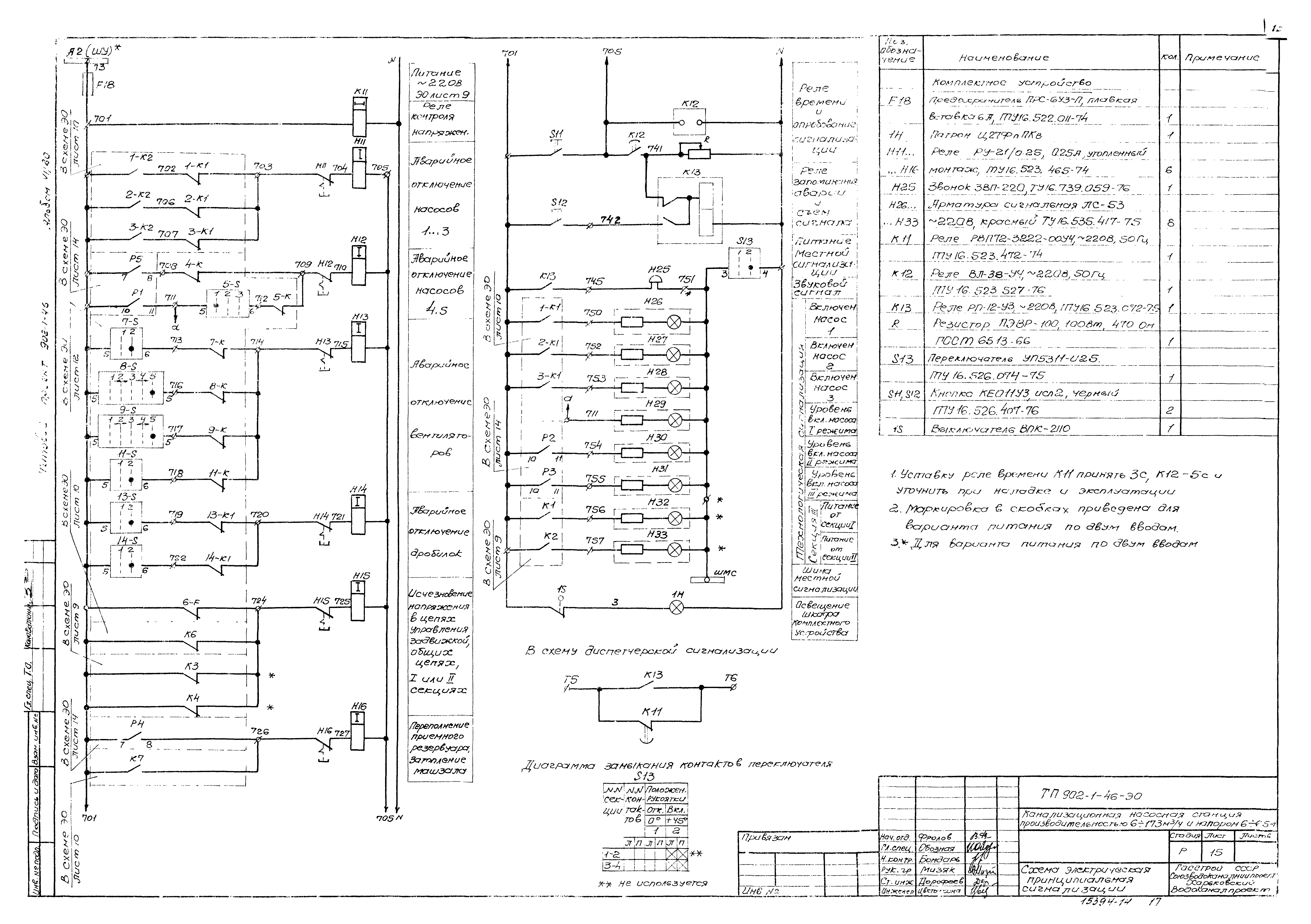
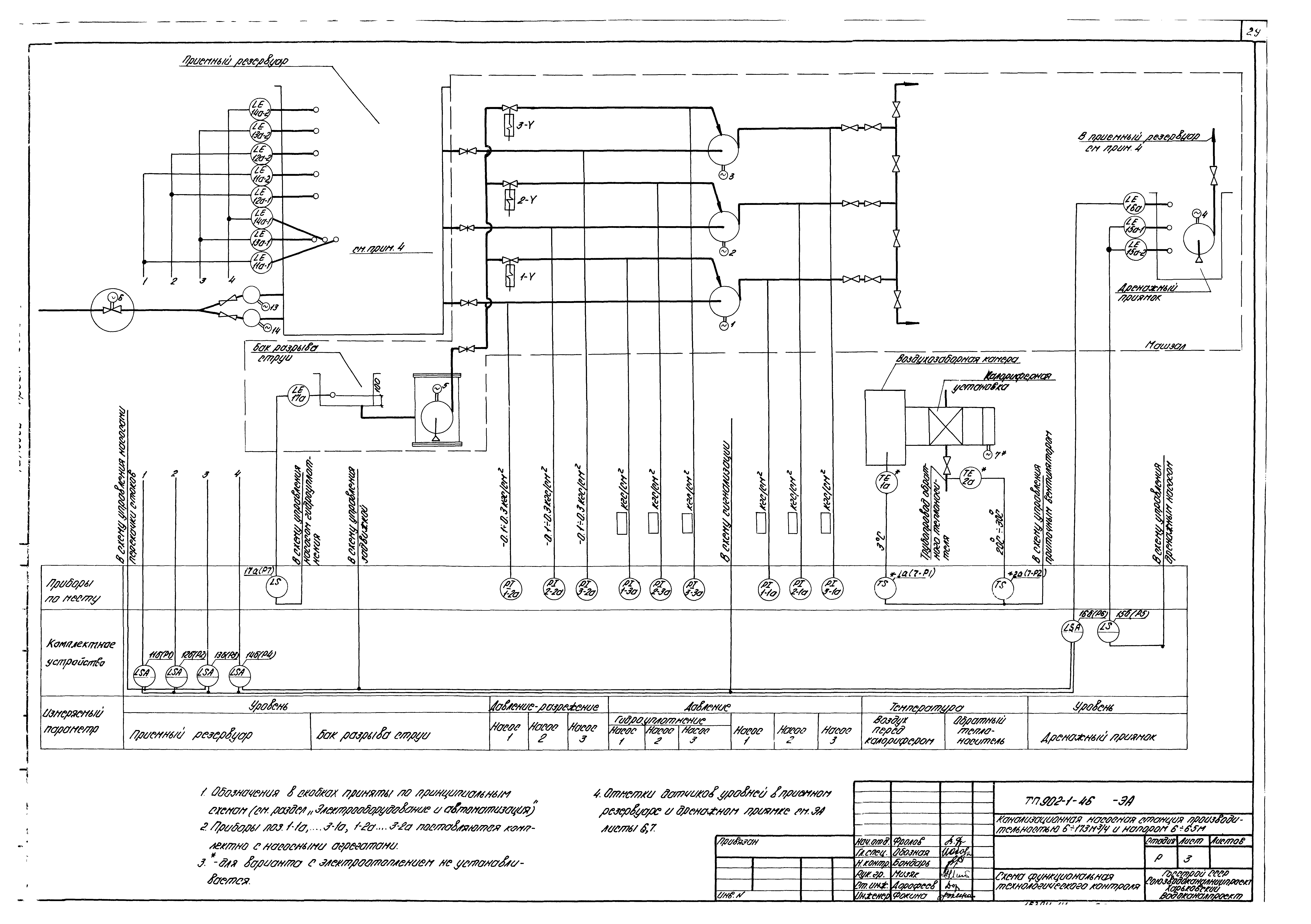
Альбом VI/80. Электрооборудование, автоматизация и технологический контроль. Чертежи монтажной зоныОбозначение: | Типовой проект 902-1-46 | Обозначение англ: | 902-1-46 | Статус: | заменен | Название рус.: | Альбом VI/80. Электрооборудование, автоматизация и технологический контроль. Чертежи монтажной зоны | Дата добавления в базу: | 01.10.2014 | Дата актуализации: | 05.05.2017 | Дата введения: | 01.02.1985 | Оглавление: | Чертежи основного комплекта марки ЭО Общие данные Схема электрическая принципиальная однолинейная распределительной сети 380/220 В (с двумя вводами) Схема электрическая принципиальная однолинейная распределительной сети 380/220 В (с одним вводом) Схемы электрические принципиальные переключения III секции, АВР оперативного тока и учета электроэнергии Схема электрическая принципиальная управления насосами Схемы электрические принципиальные управления вспомогательными механизмами Электроотопление. Схемы электрические принципиальные Схема электрическая принципиальная контроля уровней Схема электрическая принципиальная сигнализации Схема подключения комплектного устройства ШОН (с двумя вводами) Схема подключения комплектного устройства ШОН (с одним вводом) Схема подключения электрооборудования Схема расположения электрооборудования. Прокладка кабелей Электроотопление. Схема подключения и план расположения электрооборудования. Прокладка кабелей Кабельный журнал Электроосвещение Зануление Комплектные устройства. Общие виды. Перечень надписей Чертежи основного комплекта марки ЭА Общие данные Схема функциональная технологического контроля Схема внешних электрических и трубных проводок. План расположения средств автоматизации и проводок Электроотопление. Схемы технологического контроля и внешних электрических и трубных проводок. План расположения средств автоматизации и проводок Конструкция №1 для установки датчиков уровня в дренажном приямке. Общий вид и схема соединений Конструкция №2 для установки датчиков уровня в приемном резервуаре. Общий вид и схема соединений | Разработан: | Харьковский Водоканалпроект
| Утверждён: | 20.03.1980 СоюзводоканалНИИпроект (SoyuzvodokanalNIIproject 19)
| Расположен в: |
| Заменяет собой: | | Чем заменён: |  Типовой проект 902-1-92.84 «Канализационная насосная станция производительностью 25 - 173 куб. м/ч, напором 6 - 65 м при глубине заложения подводящего коллектора 4,0 м (сборно-монолитный вариант)» Типовой проект 902-1-93.84 «Канализационная насосная станция производительностью 25 - 173 куб. м/ч, напором 6 - 65 м при глубине заложения подводящего коллектора 4,0 м (монолитный вариант)» Типовой проект 902-1-94.84 «Канализационная насосная станция производительностью 25 - 173 куб. м/ч, напором 6 - 65 м при глубине заложения подводящего коллектора 5,5 м (сборно-монолитный вариант)» Типовой проект 902-1-95.84 «Канализационная насосная станция производительностью 25 - 173 куб. м/ч, напором 6 - 65 м при глубине заложения подводящего коллектора 5,5 м (монолитный вариант)» Типовой проект 902-1-96.84 «Канализационная насосная станция производительностью 25 - 173 куб. м/ч, напором 6 - 65 м при глубине заложения подводящего коллектора 7,0 м»
|
                                
|