Скачать Типовой проект 902-1-46 Альбом VI. Электрооборудование, автоматизация и технологический контроль. Чертежи монтажной зоны (основной вариант)Дата актуализации: 10.08.2017 Типовой проект 902-1-46
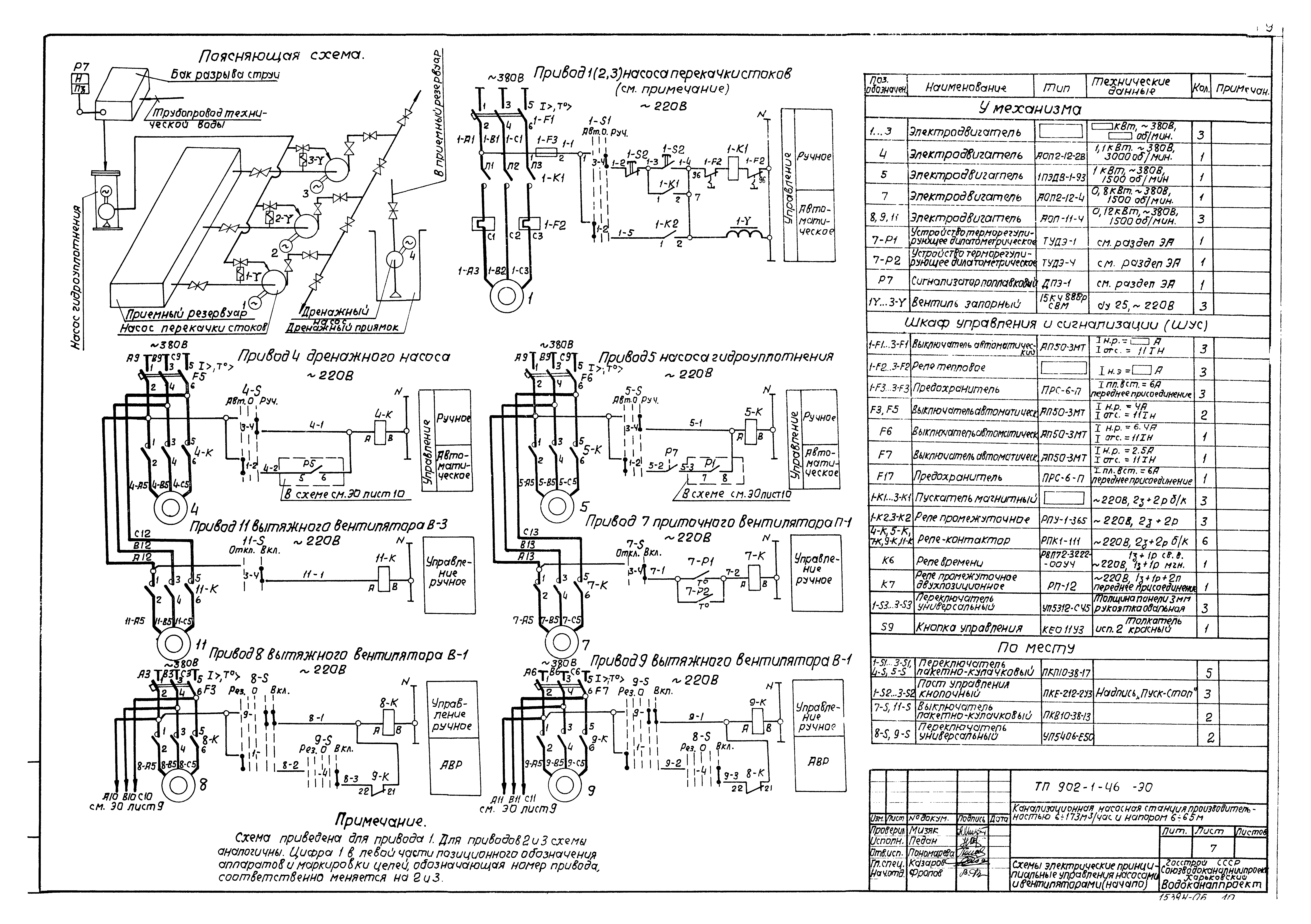
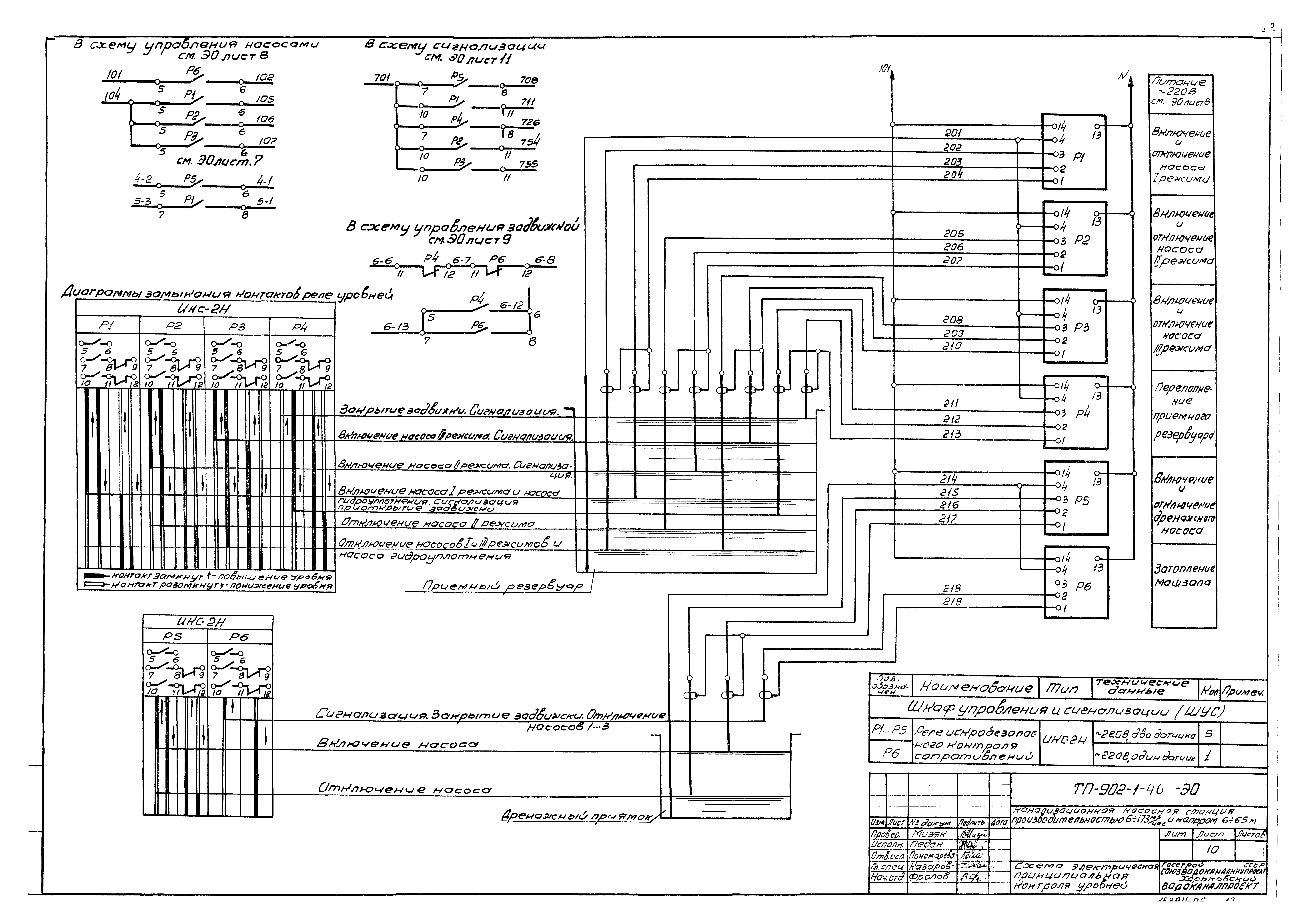
Альбом VI. Электрооборудование, автоматизация и технологический контроль. Чертежи монтажной зоны (основной вариант)Обозначение: | Типовой проект 902-1-46 | Обозначение англ: | 902-1-46 | Статус: | заменен | Название рус.: | Альбом VI. Электрооборудование, автоматизация и технологический контроль. Чертежи монтажной зоны (основной вариант) | Дата добавления в базу: | 01.10.2014 | Дата актуализации: | 05.05.2017 | Дата введения: | 04.09.1980 | Оглавление: | Содержание альбома Силовое электрооборудование Общие данные Схема электрическая принципиальная однолинейная распределительной сети 380/220 В Схемы электрические принципиальные переключения III секции, АВР оперативного тока и учета электроэнергии Схемы электрические принципиальные управления насосами и вентиляторами Схемы электрические принципиальные управления задвижкой и решетками-дробилками Схема электрическая принципиальная контроля уровней Схема электрическая принципиальная сигнализации Схема подключения шкафа управления и сигнализации ШУС Схема подключения электрооборудования Схема подключения электрооборудования. Прокладка кабелей Кабельный журнал Электроосвещение Зануление Технологический контроль Общие данные Схема функциональная технологического контроля Схема внешних электрических и трубных проводок. План расположения средств автоматизации и проводок Конструкция №1 для установки датчиков уровня в дренажном приямке. Общий вид и схема соединений Конструкция №2 для установки датчиков уровня в приемном устройстве. Общий вид и схема соединений | Разработан: | Харьковский Водоканалпроект
| Утверждён: | 08.12.1975 СоюзводоканалНИИпроект (SoyuzvodokanalNIIproject 105)
| Расположен в: |
| Заменяет собой: | | Чем заменён: | |
                         
|