Скачать ГОСТ IEC 60400-2011 Патроны для трубчатых люминесцентных ламп и стартеровДата актуализации: 10.08.2017 ГОСТ IEC 60400-2011
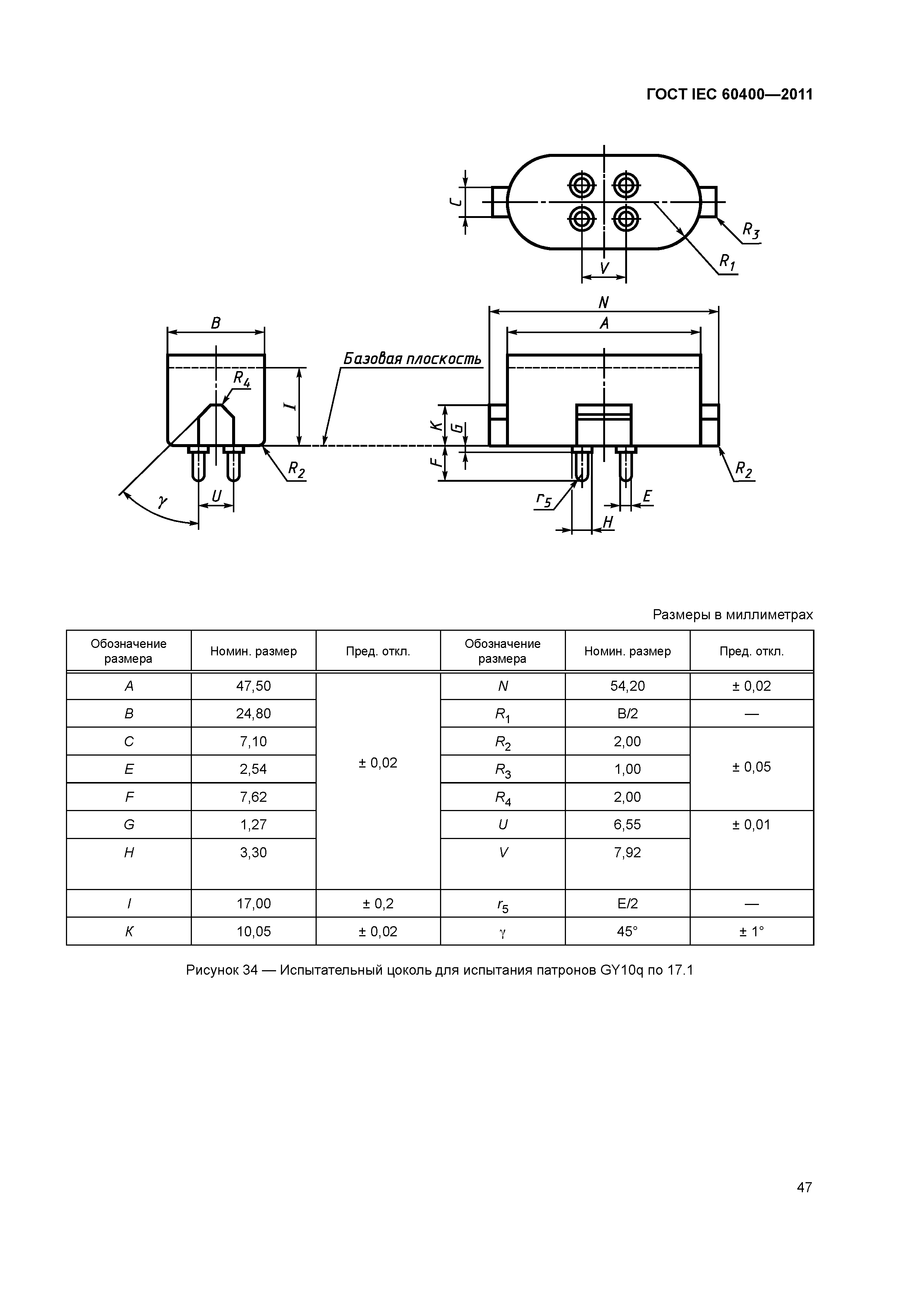
Патроны для трубчатых люминесцентных ламп и стартеровОбозначение: | ГОСТ IEC 60400-2011 | Обозначение англ: | 60400-2011 | Статус: | введен впервые | Название рус.: | Патроны для трубчатых люминесцентных ламп и стартеров | Название англ.: | Lampholders for tubular fluorescent lamps and starterholders | Дата добавления в базу: | 01.10.2014 | Дата актуализации: | 05.05.2017 | Дата введения: | 01.01.2014 | Область применения: | Стандарт устанавливает размеры и технические требования к патронам для трубчатых люминесцентных ламп и стартеров, а также методы испытаний, которые должны использоваться для оценки безопасности применения и возможности вставления в них ламп и стартеров. Стандарт распространяется на независимые и встраиваемые патроны для трубчатых люминесцентных ламп с цоколями, указанными в приложении А, а также на независимые и встраиваемые патроны для стартеров в соответствии с IEC 60155, предназначенные для включения в сеть переменного тока с действующим значением рабочего напряжения не более 1000 В. Стандарт также распространяется на патроны для одноцокольных трубчатых люминесцентных ламп, вмонтированных в наружный корпус с донышком, снабженным резьбой, аналогичной патронам с резьбой Эдисона (например для ламп с цоколями G23 и G24). Патроны с круглой резьбой для абажурных колец должны соответствовать последнему изданию IEC 60399. Стандарт, насколько возможно, распространяется на комбинации патронов для ламп и стартеров, на патроны для ламп и указанные комбинации, которые полностью или частично выполнены заодно со светильником, а также на патроны для ламп и стартеров, отличающихся от вышеуказанных, и на ламповые соединители. | Оглавление: | Общее 1.1 Область применения 1.2 Нормативные ссылки 2 Определения 3 Общие требования 4 Общие требования к испытаниям 5 Нормируемые электрические параметры 6 Классификация 7 Маркировка 8 Защита от поражения электрическим током 9 Контактные зажимы 10 Конструкция 11 Защита от пыли и влаги 12 Сопротивление и электрическая прочность изоляции 13 Износостойкость 14 Механическая прочность 15 Винты, токоведущие детали и соединения 16 Пути утечки и воздушные зазоры 17 Теплостойкость, огнестойкость и устойчивость к токам поверхностного разряда 18 Защита от старения и коррозии Приложение А (обязательное) Перечень патронов, на которые распространяется настоящий стандарт Приложение В (обязательное) Испытание на старение и коррозию Приложение С (справочное) Примеры для пояснения узлов к требованиям пункта 8.2 Приложение ДА (справочное) Сведения о соответствии межгосударственных стандартов ссылочным международным стандартам | Разработан: | ФГУП ВНИИНМАШ
| Утверждён: | 22.12.2011 Евразийский совет по стандартизации, метрологии и сертификации (ЕАСС) (Eurasian Council for Standardization, Metrology and Certification (EASC) 48) 13.12.2011 Федеральное агентство по техническому регулированию и метрологии (1458-ст)
| Издан: | Стандартинформ (2013 г. ) Стандартинформ (2015 г. )
| Расположен в: |
| Нормативные ссылки: | |
                                                               
|