| 
 | ||||||||||||||||||||||||||
| 
 Скачать Типовые конструкции ОГ-ТП.010.09 Стальные опоры из гнутого профиля для высоковольтных линий электропередач 10 кВ с неизолированными проводамиДата актуализации: 10.08.2017
 | 
| Обозначение: |  Типовые конструкции ОГ-ТП.010.09 | 
| Обозначение англ: |  ОГ-ТП.010.09 | 
| Статус: | не определен законодательством | 
| Название рус.: | Стальные опоры из гнутого профиля для высоковольтных линий электропередач 10 кВ с неизолированными проводами | 
| Дата добавления в базу: | 01.10.2014 | 
| Дата актуализации: | 05.05.2017 | 
| Дата введения: | 01.07.2010 | 
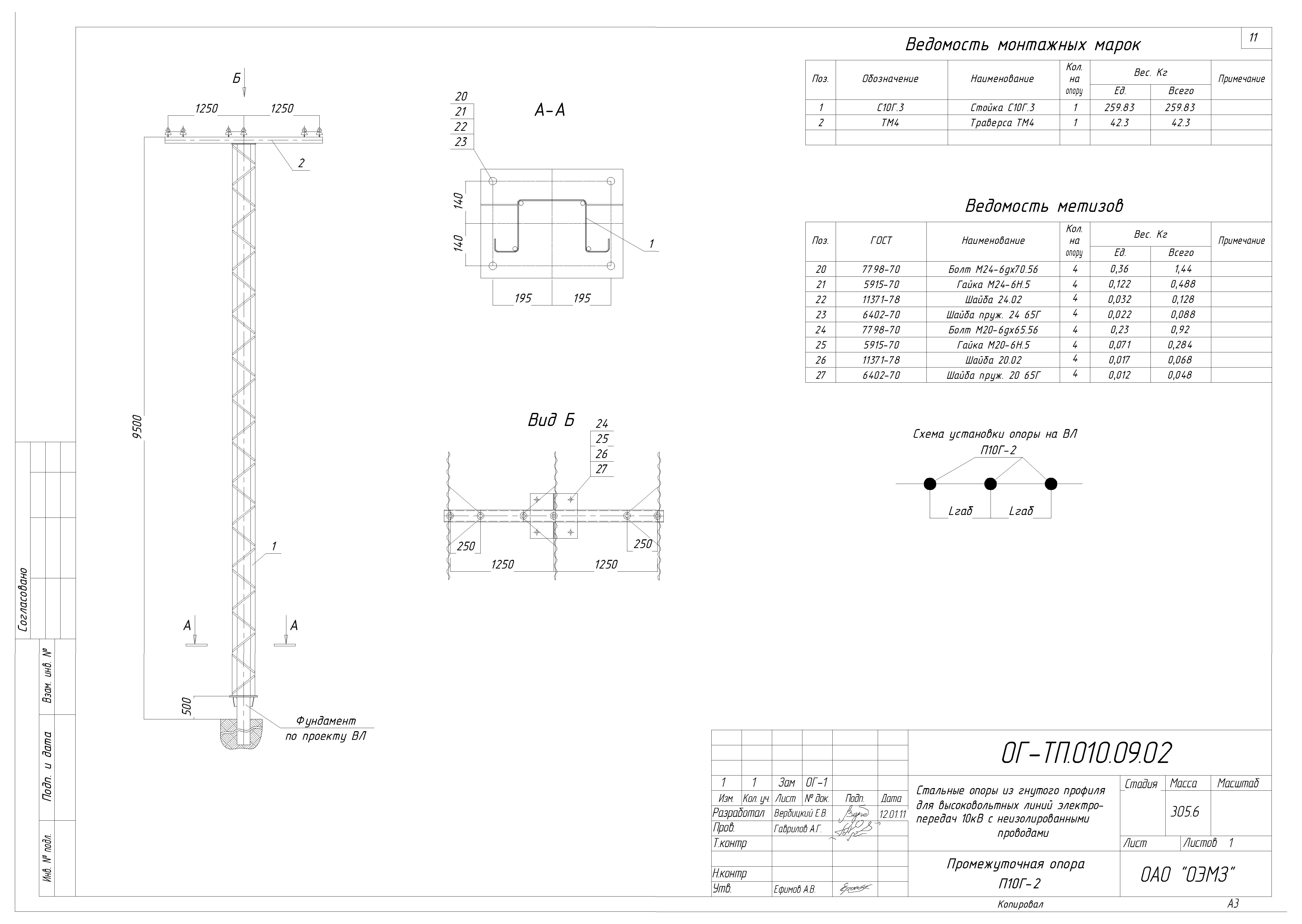
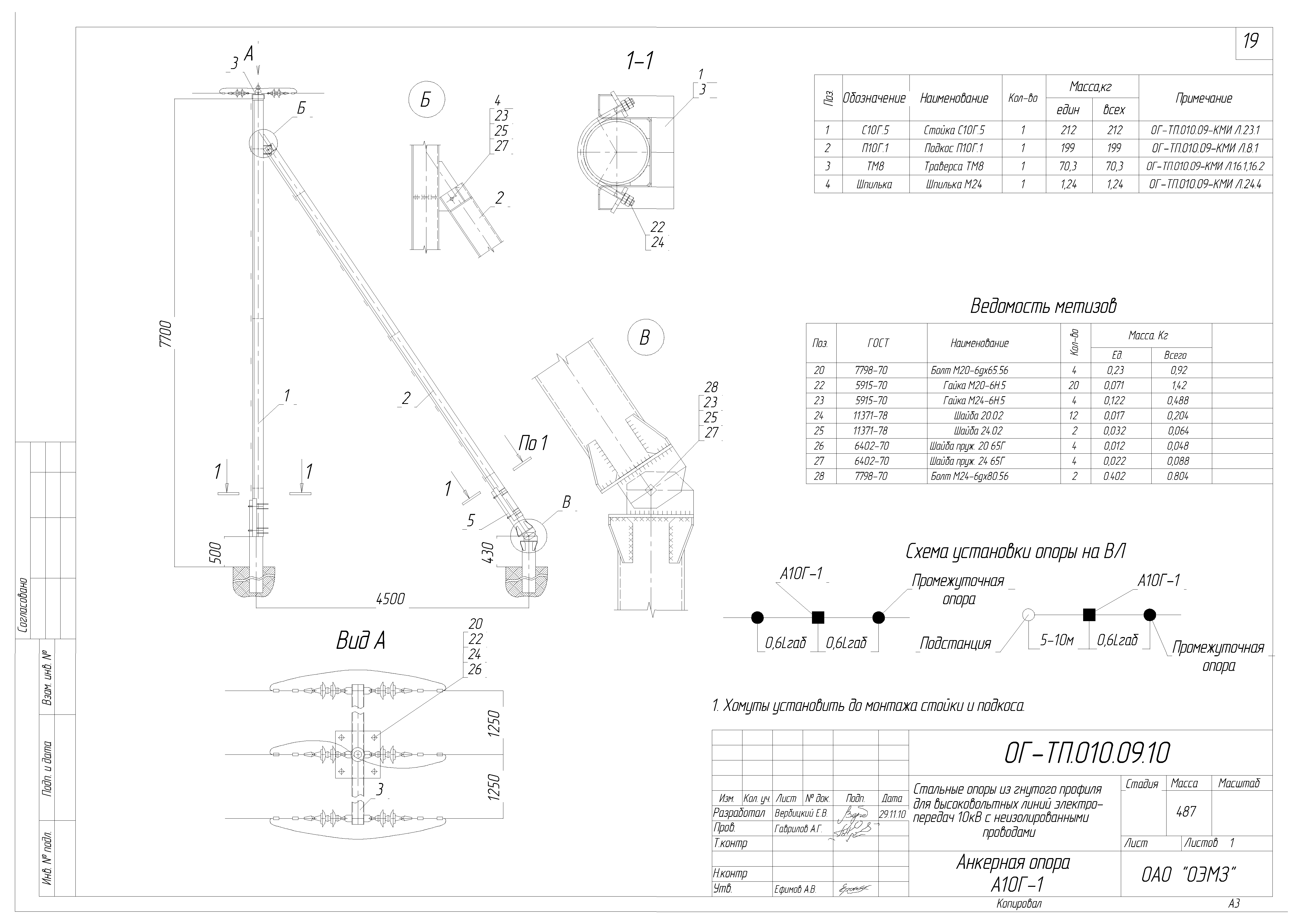
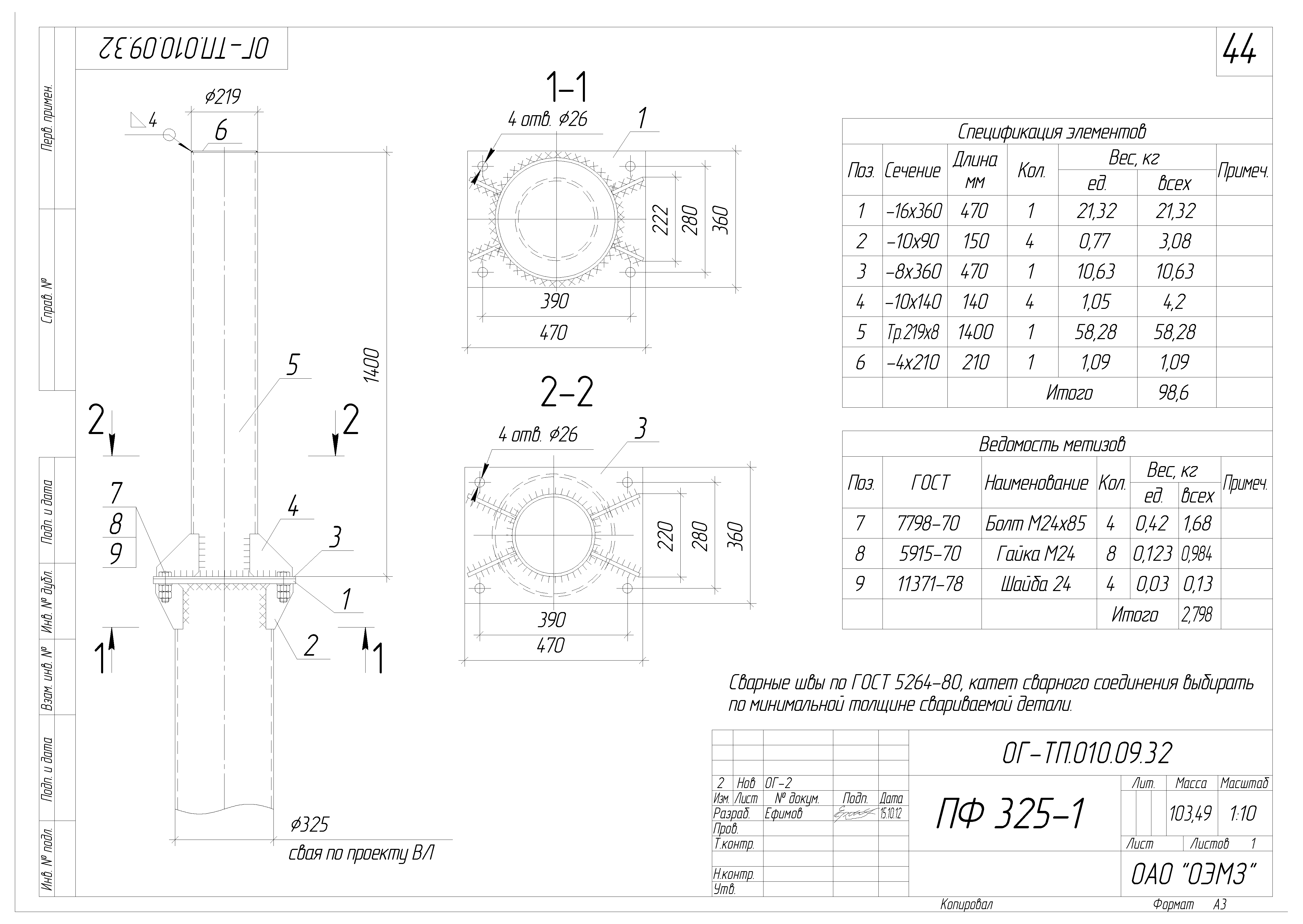
| Оглавление: | 1. Общая часть 2. Особенности проектирования ВЛ с учетом требований ПУЭ седьмого издания 3. Указания по применению опор 4. Провода, изоляторы, арматура 5. Основные положения по расчету опор 6. Технико-экономические показатели Номенклатура опор ВЛ 10 кВ Промежуточные опоры Анкерные и анкерные угловые опоры Линейная изоляция ВЛ Пример установки разрядников на ВЛ Типовые решения фундаментов Схема устройств ответвления | 
| Разработан: | ОАО Омский ЭМЗ | 
| Утверждён: | 01.07.2010 ОАО Омский ЭМЗ | 
| Расположен в: | 


















































