Информационная система
«Ёшкин Кот»

Скачать базу одним архивом
Скачать обновления
История создания базы
Карта сайта

Скачать Типовой проект 264-12-318.92 Альбом 3. Пояснительная записка. Конструкции металлические

Дата актуализации: 10.08.2017

Типовой проект 264-12-318.92

Альбом 3. Пояснительная записка. Конструкции металлические

Обозначение: Типовой проект 264-12-318.92
Обозначение англ: 264-12-318.92
Статус:не определен законодательством
Название рус.:Альбом 3. Пояснительная записка. Конструкции металлические
Дата добавления в базу:01.10.2014
Дата актуализации:05.05.2017
Дата введения:17.09.1992
Оглавление:Пояснительная записка
Конструкции металлические
   Общие данные
   Зона 1. Схема каркаса на отм. 0.000
   Зона 1. Каркас на отм. 0.000. Узлы каркаса 1 - 4
   Зона 1. Каркас выше отм. 0.650
   Зона 1. Каркас выше отм. 0.650. Узлы каркаса "5" и "6"
   Зона 1. Пространственная решетчатая конструкция. Схемы стержней поясов. Спецификация
   Зона 1. Пространственная решетчатая конструкция. Разрез I-I. Схемы раскосов. Узлы 1, 2
   Зона 1. Пространственная решетчатая конструкция. Стержневые и узловые элементы. Пояснительная записка
   Порталы №№1, 2. Монтажная схема ригеля. Спецификация
   Планы штакетных и колосниковых балок. Монтажные узлы №I и II, фермы Фм-1
   Ферма ОМ-1. Монтажный узел III. Спецификация на монтажные элементы фермы Фм-2
   Ферма Фм-1. Схемы, таблица элементов. Узлы 1 и 2
   Ферма Фм-1. Узлы 3 - 9
   Балки БМ-1 - БМ-4
   Балки БМ-5 - БМ-10
   Балки БМ-11 - БМ-15
   Схема связей и балок по верхнему и нижнему поясам ферм Фм-2
   Монтажные узлы 1 - 8 фермы Фм-2
   Монтажные узлы 9 - 16 фермы Фм-2
   Ферма Фм-2. Схемы, таблица элементов и техническая спецификация стали
   Ферма Фм-2. Узлы 1 - 7
   Металлические балки БМ-17, БМ-25 - БМ-28
   Металлические балки БМ-16, БМ-18, БМ-29, БМ-30
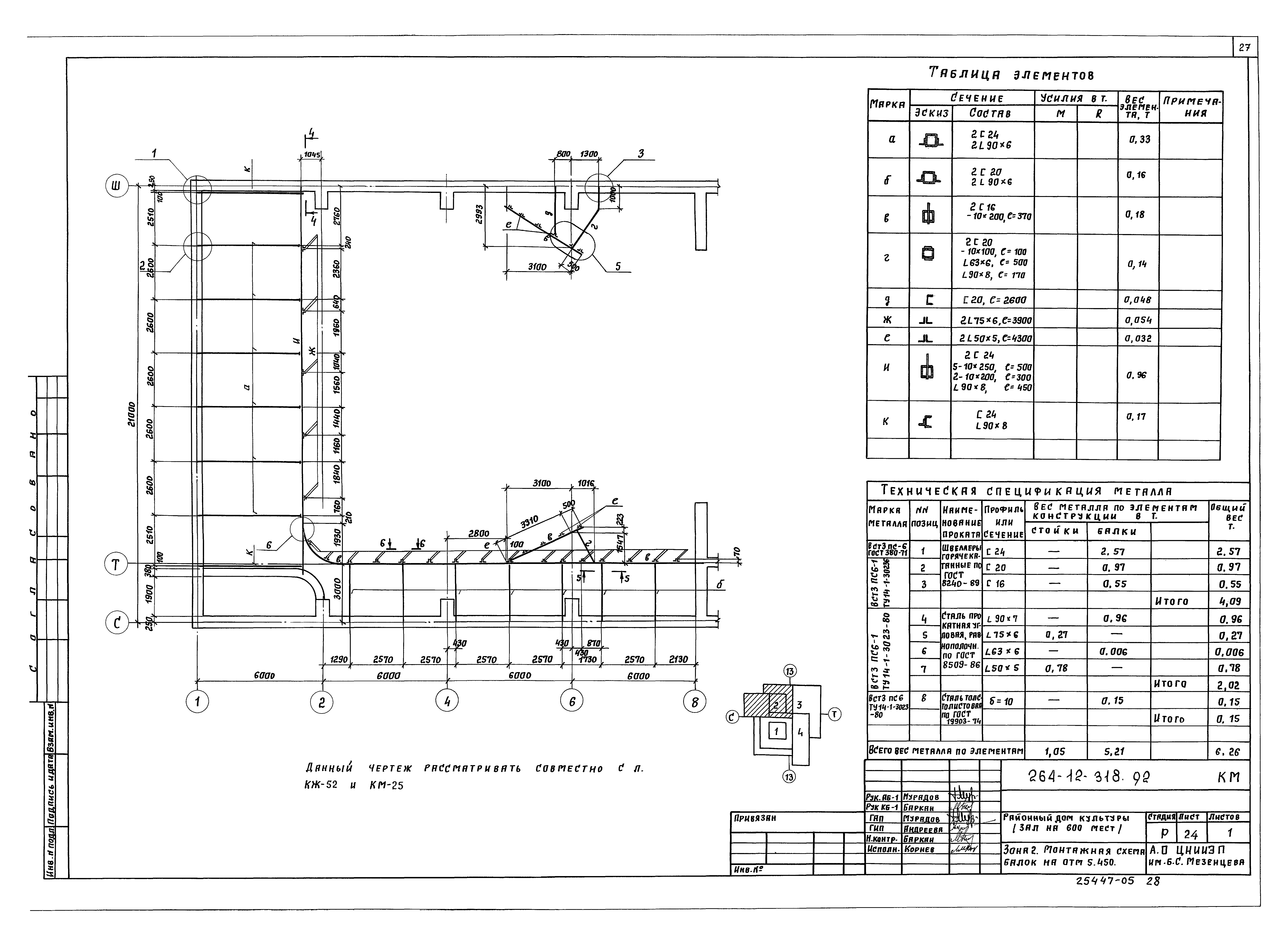
   Монтажная схема балок на отм. 5.450
   Монтажная схема балок на отм. 5.450. Узлы 1 - 6
   Монтажная схема ферм Ф-3. Узел "А"
   Техническая спецификация стали
   Лестницы №5 и 6. Монтажные схемы
   Лестница №7. Монтажная схема. Техническая спецификация стали
   Лестницы №5, 6, 7. Узлы 1 - 4
   Лестницы №5, 6, 7. Ограждения лестниц ОЛ-1 - ОЛ-7
   Лестница ЛМ-1. Ограждение ОЛ-8. Балка ИМ-13. Рамка ИМ-15
   Металлические лестницы и стремянки
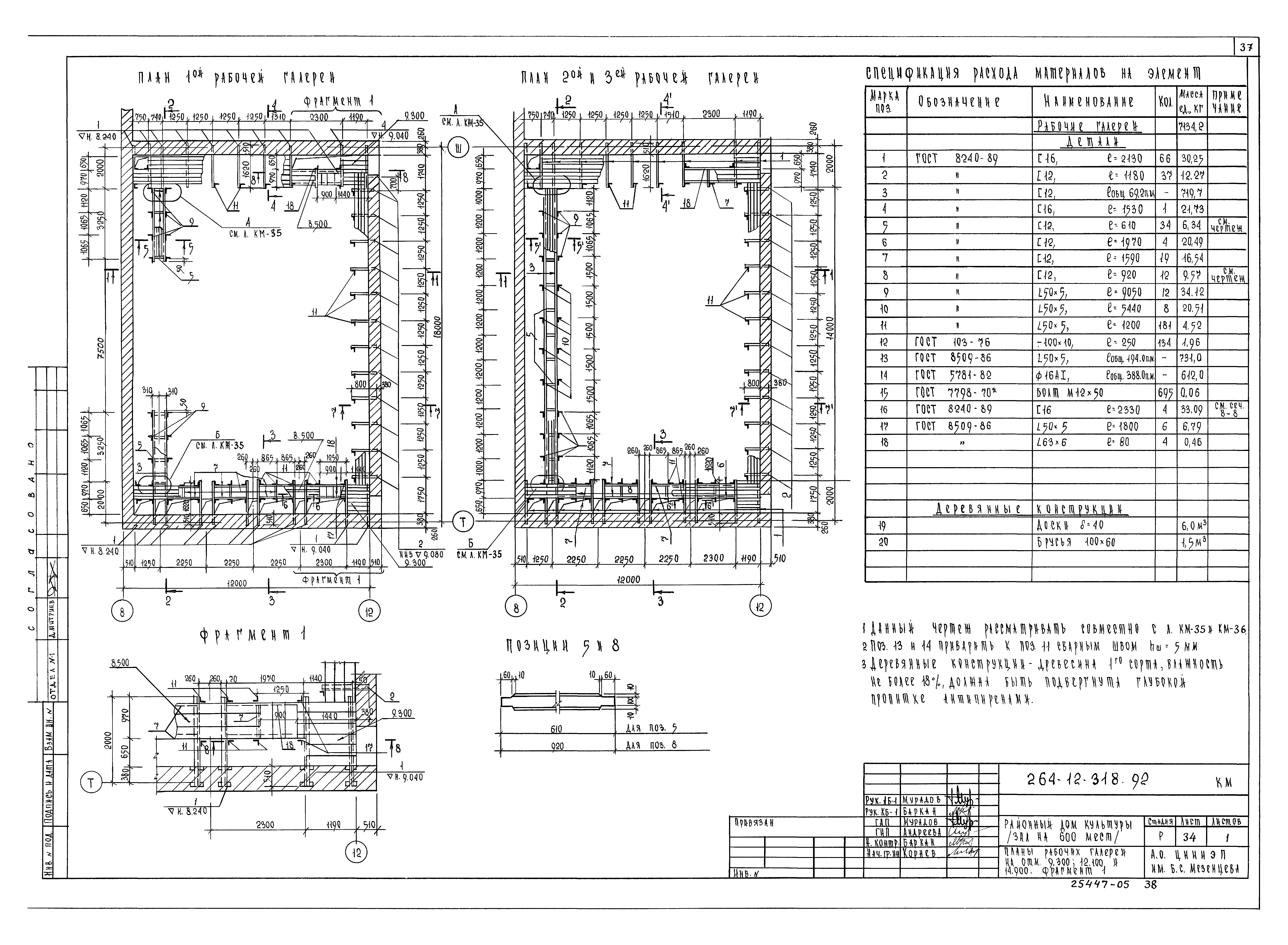
   Планы рабочих галерей на отм. 9.300; 12.000 и 14.900. Фрагмент 1
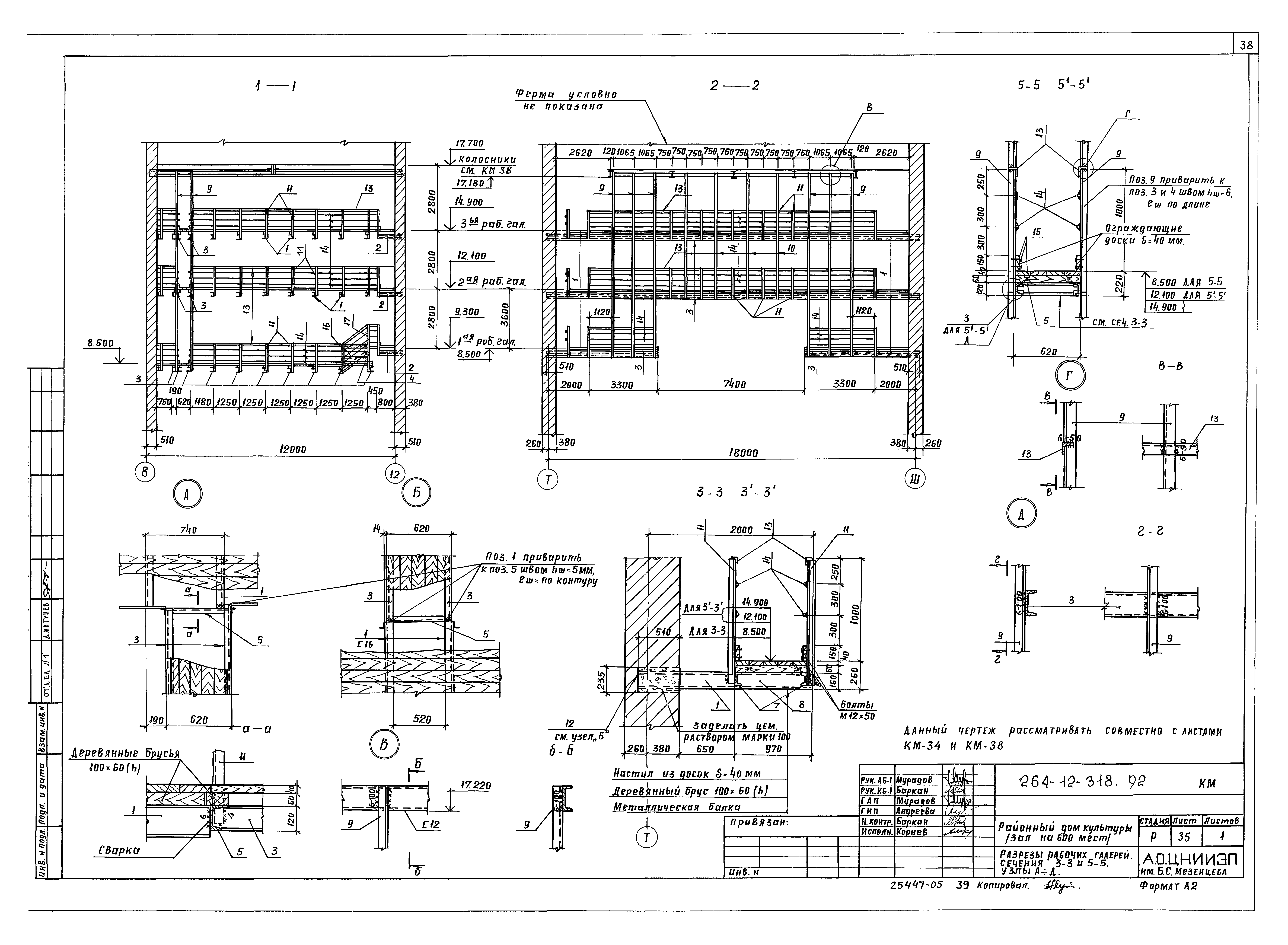
   Разрезы рабочих галерей. Сечения 3-3 и 5-5. Узлы А - Д
   Рабочие галереи. Сечения 4-4 - 9-9. Узлы "Е", "Ж". Детали I - III
   План штакетных балок. Сечения 1-1 - 5-5
   План колосников. Сечения 7-7 - 10-10
   Арьерсцена. Планы колосниковых и штакетных балок и консолей под стеллажи сейфа. Разрезы
   Арьерсцена. Узлы А - Е
   Арьерсцена. Расположение направляющих. Узел "И"
   Развертки стен по осям "Т" и "Ш". Сечения 1-1 - 3-3
   Развертка стены по оси "8". Фрагмент дымового люка. Сечения 4-4 - 8-8
   Развертка стены по оси "Ш". Сечения 1-1 - 5-5
   Металлические изделия М-1 - М-4
   Конструкция барьера оркестровой ямы. Кожуха рампы ИМ-10 и ИМ-11
   Ходовые мостики. План. Сечения
   Ходовые мостики. Разрез 1-1. Узлы 1 - 3
   Склад объемных декораций. Крановые пути
   Монтажные схемы перегородок П-1, П-2
   Монтажные схемы перегородок П-3 - П-6
   Монтажные схемы перегородок П-7 - П-9, витража 3-1
   Монтажные схемы витражей В-2, В-3
   Монтажные схемы витражей В-4, В-5, решетка воздуходува
   Спецификация монтажных элементов с поз. 1 по 59
   Спецификация монтажных элементов с поз. 60 по 90
Разработан: ЦНИИЭП им. Б.С. Мезенцева Госкомархитектуры
Утверждён:29.11.1991 Госкомархитектура (2-129)
Расположен в:Техническая документация Строительство Справочные документы Типовые строительные конструкции, изделия и узлы Общероссийский строительный каталог Общественные здания в городах и поселках городского типа Зрелищные и культурно-просветительские учреждения. Здания для органов управления и общественных организаций Зрелищные и культурно-просветительские учреждения Клубы, дома культуры, центры досуга, залы танцевальные, залы игровых автоматов
Типовой проект 264-12-318.92Типовой проект 264-12-318.92Типовой проект 264-12-318.92Типовой проект 264-12-318.92Типовой проект 264-12-318.92Типовой проект 264-12-318.92Типовой проект 264-12-318.92Типовой проект 264-12-318.92Типовой проект 264-12-318.92Типовой проект 264-12-318.92Типовой проект 264-12-318.92Типовой проект 264-12-318.92Типовой проект 264-12-318.92Типовой проект 264-12-318.92Типовой проект 264-12-318.92Типовой проект 264-12-318.92Типовой проект 264-12-318.92Типовой проект 264-12-318.92Типовой проект 264-12-318.92Типовой проект 264-12-318.92Типовой проект 264-12-318.92Типовой проект 264-12-318.92Типовой проект 264-12-318.92Типовой проект 264-12-318.92Типовой проект 264-12-318.92Типовой проект 264-12-318.92Типовой проект 264-12-318.92Типовой проект 264-12-318.92Типовой проект 264-12-318.92Типовой проект 264-12-318.92Типовой проект 264-12-318.92Типовой проект 264-12-318.92Типовой проект 264-12-318.92Типовой проект 264-12-318.92Типовой проект 264-12-318.92Типовой проект 264-12-318.92Типовой проект 264-12-318.92Типовой проект 264-12-318.92Типовой проект 264-12-318.92Типовой проект 264-12-318.92Типовой проект 264-12-318.92Типовой проект 264-12-318.92Типовой проект 264-12-318.92Типовой проект 264-12-318.92Типовой проект 264-12-318.92Типовой проект 264-12-318.92Типовой проект 264-12-318.92Типовой проект 264-12-318.92Типовой проект 264-12-318.92Типовой проект 264-12-318.92Типовой проект 264-12-318.92Типовой проект 264-12-318.92Типовой проект 264-12-318.92Типовой проект 264-12-318.92Типовой проект 264-12-318.92Типовой проект 264-12-318.92Типовой проект 264-12-318.92Типовой проект 264-12-318.92Типовой проект 264-12-318.92Типовой проект 264-12-318.92

© 2013 Ёшкин Кот :-) Карта сайта