| ||||||||||||||||||||||||||||
Скачать Типовые проектные решения 407-03-433.87 Альбом III. Строительные изделияДата актуализации: 10.08.2017
|
| Обозначение: | Типовые проектные решения 407-03-433.87 |
| Обозначение англ: | 407-03-433.87 |
| Статус: | заменен |
| Название рус.: | Альбом III. Строительные изделия |
| Дата добавления в базу: | 01.09.2013 |
| Дата актуализации: | 05.05.2017 |
| Дата введения: | 01.10.1992 |
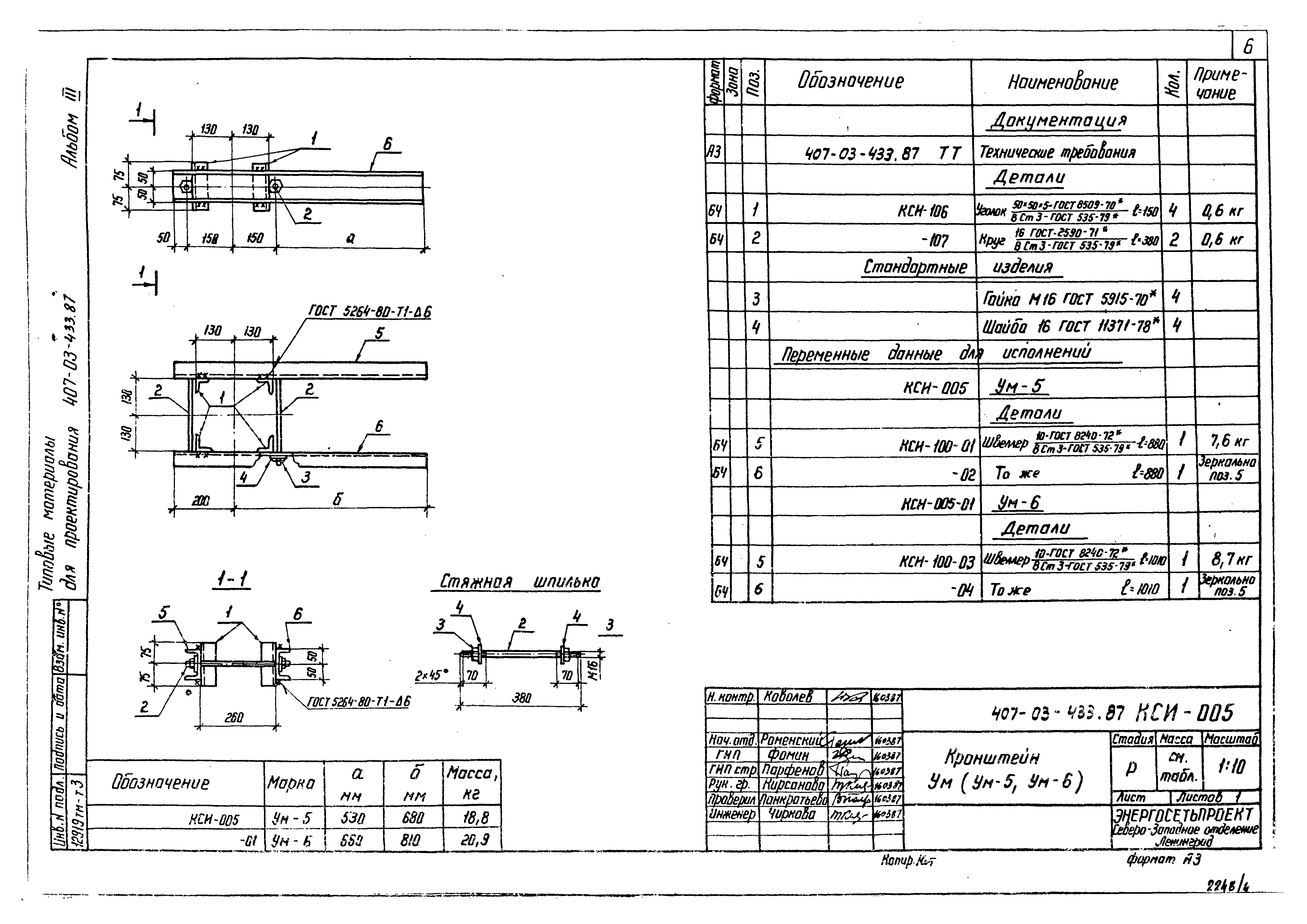
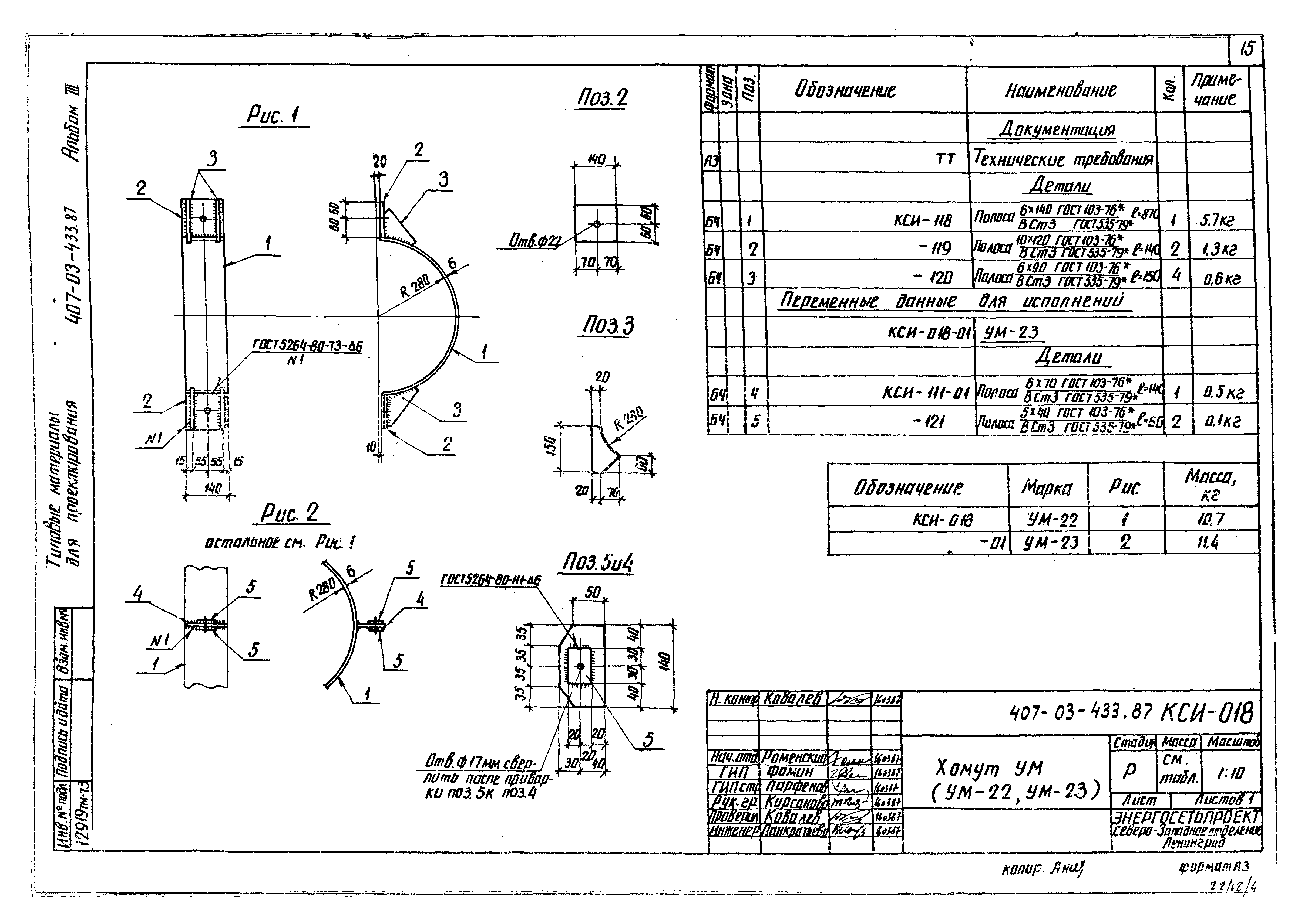
| Оглавление: | Содержание альбома 407-03-433.87-ТТ Технические требования 407-03-433.87 КСИ-001 Изделие крепежное УМ-1 407-03-433.87 КСИ-002 Изделие крепежное УМ-2 407-03-433.87 КСИ-003 Балка УМ-3 407-03-433.87 КСИ-004 Балка УМ-4 407-03-433.87 КСИ-005 Кронштейн УМ (УМ-5, УМ-6) 407-03-433.87 КСИ-006 Балка УМ-7 407-03-433.87 КСИ-007 Балка УМ-8 407-03-433.87 КСИ-008 Балка УМ-9 407-03-433.87 КСИ-009 Изделие крепежное УМ-10 407-03-433.87 КСИ-010 Решетка УМ-11 407-03-433.87 КСИ-011 Изделие крепежное УМ-12 407-03-433.87 КСИ-012 Башмак УМ (УМ-13, УМ-14) 407-03-433.87 КСИ-013 Изделие крепежное УМ-15 407-03-433.87 КСИ-014 Изделие крепежное УМ-16 407-03-433.87 КСИ-015 Изделие крепежное УМ-17 407-03-433.87 КСИ-016 Изделие крепежное УМ-18 407-03-433.87 КСИ-017 Хомут УМ (УМ-19…УМ-21) 407-03-433.87 КСИ-018 Хомут УМ (УМ-22…УМ-23) 407-03-433.87 КСИ-019 Изделие крепежное УМ-24 407-03-433.87 КСИ-020 Изделие крепежное УМ-25 407-03-433.87 КСИ-021 Изделие крепежное УМ-26 407-03-433.87 КСИ-022 Балка УМ (УМ-27, УМ-28) 407-03-433.87 КСИ-023 Изделие крепежное УМ (УМ-29, УМ-30) 407-03-433.87 КСИ-024 Косынка УМ (УМ31, УМ-32) 407-03-433.87 КСИ-025 Косынка УМ33 407-03-433.87 КСИ-026 Косынка УМ34 407-03-433.87 КСИ-027 Косынка УМ35 407-03-433.87 КСИ-028 Изделие крепежное УМ (УМ-36, УМ-37) 407-03-433.87 КСИ-029 Раскос УМ (УМ-38, УМ-39, УМ-40) 407-03-433.87 КСИ-030 Балка УМ-41 407-03-433.87 КСИ-031 Балка УМ (УМ-42, УМ-43) 407-03-433.87 КСИ-032 Изделие крепежное УМ-44 407-03-433.87 КСИ-033 Изделие крепежное УМ-45 407-03-433.87 КСИ-034 Изделие крепежное УМ (УМ-46, УМ-47) 407-03-433.87 КСИ-035 Распорка УМ (УМ-48, УМ-49) 407-03-433.87 КСИ-036 Распорка УМ-50 407-03-433.87 КСИ-037 Распорка УМ-51 407-03-433.87 КСИ-038 Оголовок УМ-52 407-03-433.87 КСИ-039 Хомут УМ (УМ-53, УМ-54, УМ-55) 407-03-433.87 КСИ-040 Изделие крепежное УМ (УМ-56...УМ-58) 407-03-433.87 КСИ-041 Оголовок УМ-59 407-03-433.87 КСИ-042 Хомут УМ (УМ-60, УМ-61) 407-03-433.87 КСИ-043 Пластина УМ-62 407-03-433.87 КСИ-044 Распорка УМ (УМ-63, УМ-64) 407-03-433.87 КСИ-045 Изделие крепежное УМ-65 407-03-433.87 КСИ-046 Изделие крепежное УМ-66 407-03-433.87 КСИ-047 Лежень железобетонный ЛЖ-1,6 407-03-433.87 КСИ-048 Каркас К (К-1, К-2) 407-03-433.87 КСИ-049 Деталь закладная М-1 |
| Разработан: | Северо-западное отделение института Энергосетьпроект |
| Утверждён: | 17.03.1987 Минэнерго СССР (USSR Minenergo 19) |
| Расположен в: | |
| Чем заменён: |
|







































