Информационная система
«Ёшкин Кот»

Скачать базу одним архивом
Скачать обновления
История создания базы
Карта сайта

Скачать Типовой проект 272-14-17 Альбом III. Электрическое освещение и силовое электрооборудование. Автоматизация устройств инженерного оборудования. Связь и сигнализация

Дата актуализации: 10.08.2017

Типовой проект 272-14-17

Альбом III. Электрическое освещение и силовое электрооборудование. Автоматизация устройств инженерного оборудования. Связь и сигнализация

Обозначение: Типовой проект 272-14-17
Обозначение англ: 272-14-17
Статус:действует
Название рус.:Альбом III. Электрическое освещение и силовое электрооборудование. Автоматизация устройств инженерного оборудования. Связь и сигнализация
Дата добавления в базу:01.09.2013
Дата актуализации:05.05.2017
Дата введения:29.01.1982
Оглавление:Чертежи основного комплекта марки ЭОМ
   Общие данные
   Спецификация
   Расчетная схема питающих сетей
   Схема расчетная ЩС1, ЩС2, ЩС3
   Схема расчетная ЩС3, ЩС4
   Схема расчетная ЩС4, ЩС5, ЩС6
   Схема расчетная ЩС7, ЩС8
   Схема расчетная ЩС9, ЩС10
   Принципиальная схема автоматического отключения вентиляции при пожаре
   Экспликация помещений
   План осветительных сетей 1 этажа в осях 1 - 7; А - Л
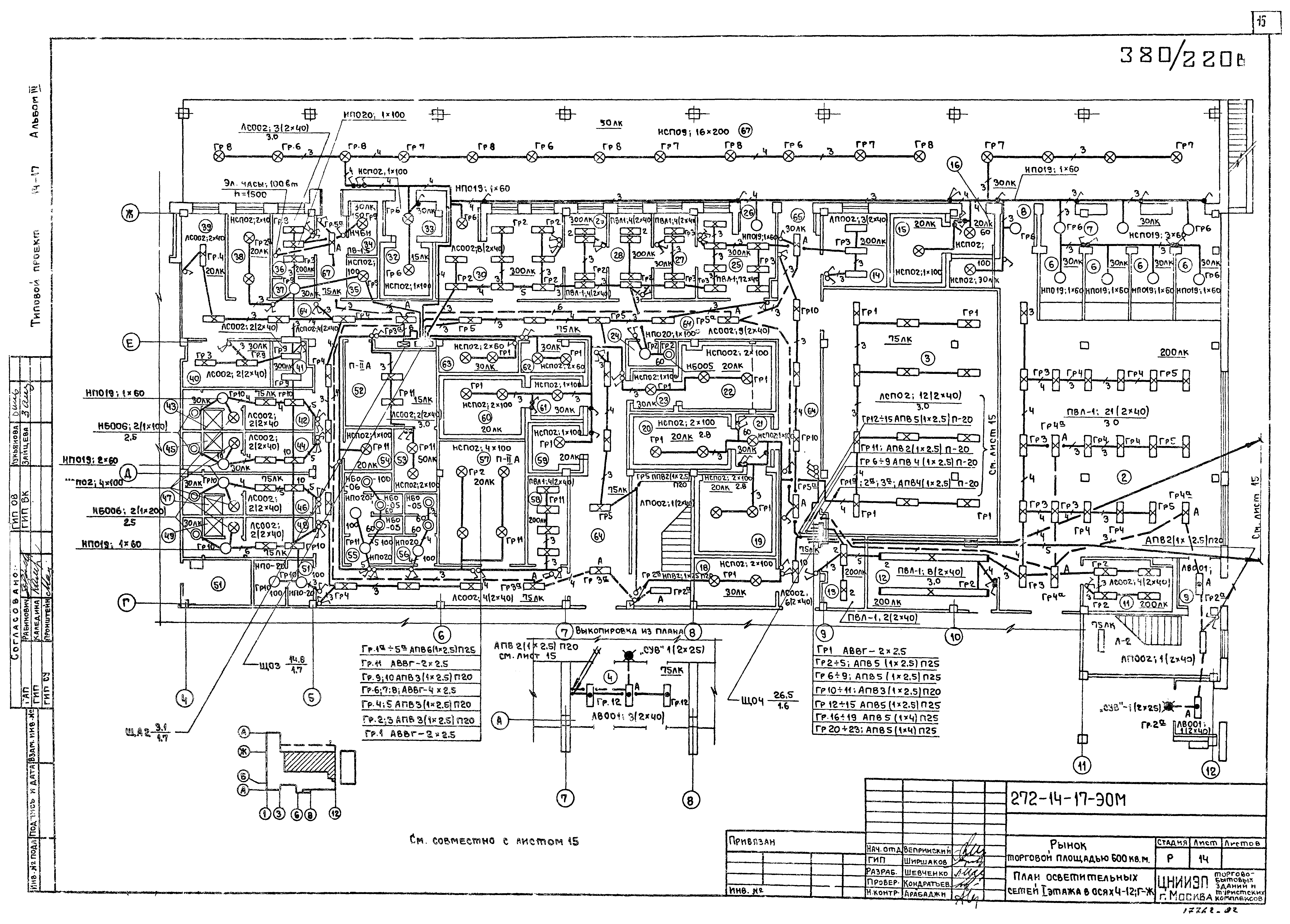
   План осветительных сетей 1 этажа в осях 4 - 12; Г - Ж
   План осветительных сетей сезонной торговли и 2 этажа в осях 7 - 12; А - Д
   Планы осветительных сетей 2 и 3 этажей в осях 1 - 3; А - И
   План силовых и питающих сетей 1 этажа в осях 1 - 7; А - Л
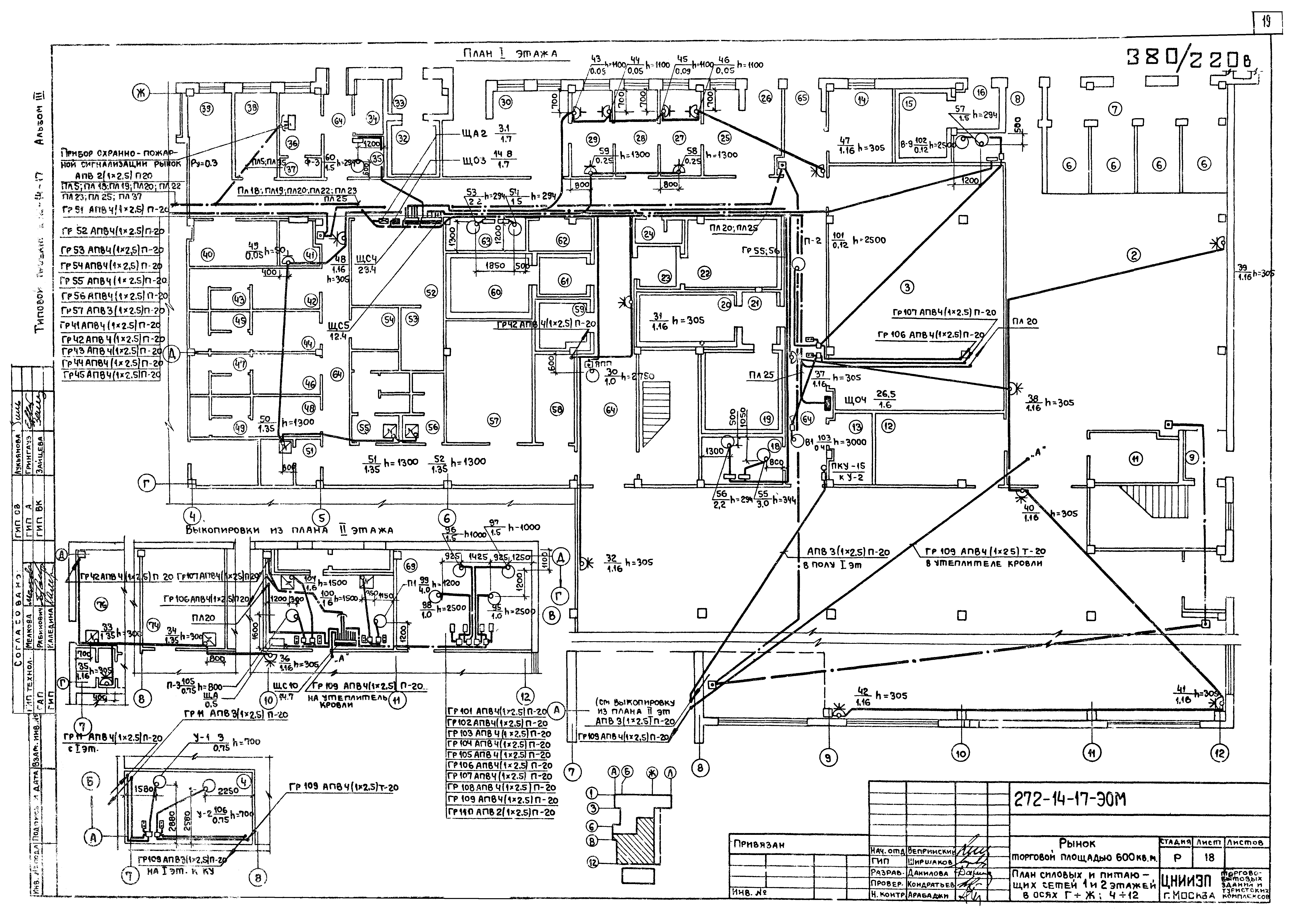
   Планы силовых и питающих сетей 1 и 2 этажей в осях Г - Ж; 4 - 12
   Планы силовых и питающих сетей 2 и 3 этажей в осях 1 - 3; А - И
   Размещение вводно-распределительного устройства. Опросный лист
Чертежи основного комплекта марки АУ
   Общие данные
   Система П1. Схема функциональная
   Система П1. Схема электрическая принципиальная
   Система П1. Схема внешних проводок
   Системы П3, П4, П5 - П9. Схемы функциональная и электрическая принципиальная
   Системы П3, П4, П5 - П9. Схема внешних проводок
   Системы П1, П3, П4, П6, П7. План расположения
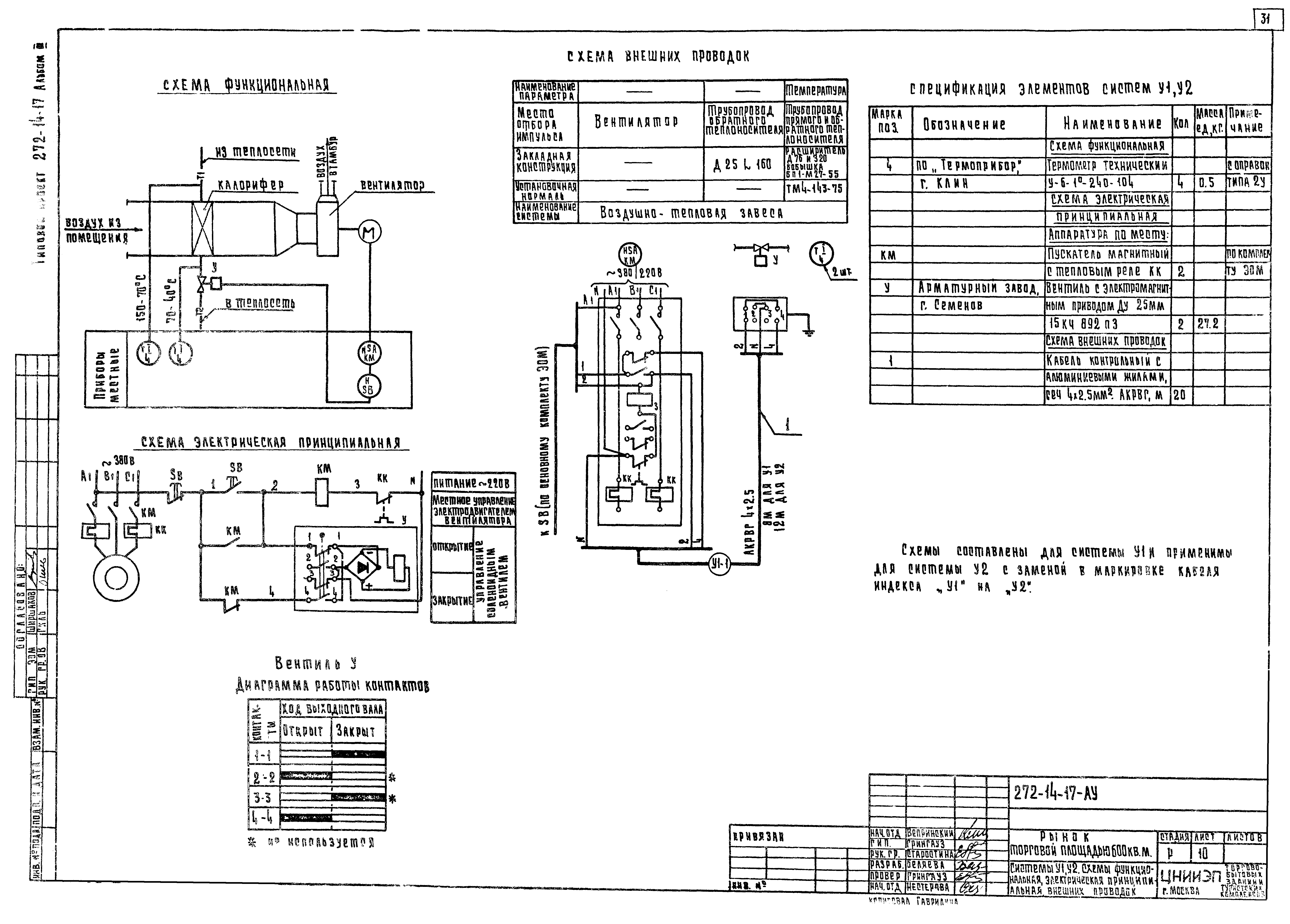
   Системы У1, У2. Схемы функциональная, электрическая принципиальная, внешних проводок
   Системы У1, У2. План расположения
   Узел присоединения калориферов. Схемы функциональная и внешних проводок. План расположения
   Зарядная станция. Схемы функциональная и электрическая принципиальная
   Зарядная станция. Схема внешних проводок
   Зарядная станция. План расположения
   Холодильная машина для камер. Схема внешних проводок
   Холодильная машина для камер. План расположения
Чертежи основного комплекта марки СС
   Общие данные
   Спецификация
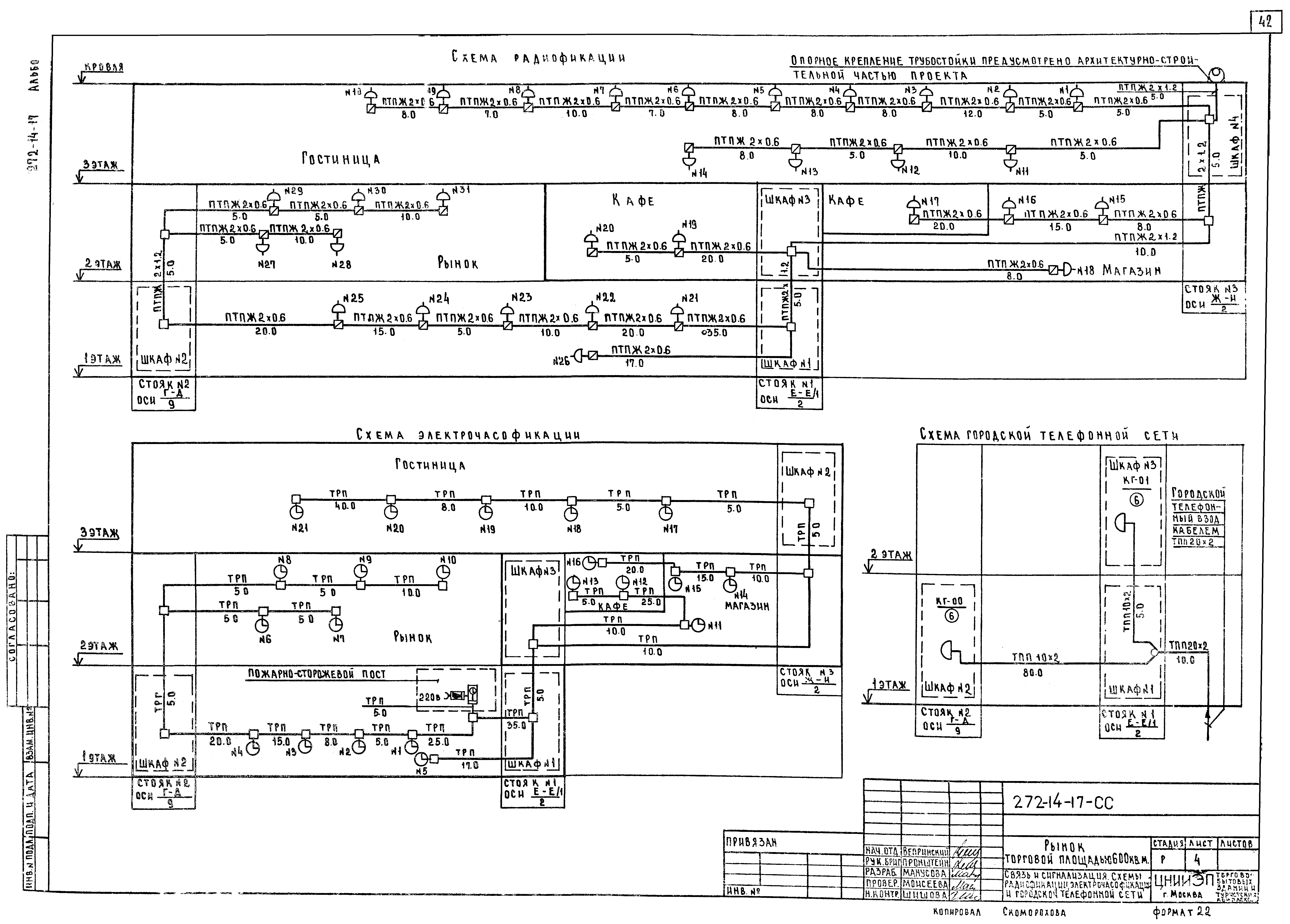
   Связь и сигнализация. Схемы радиофикации, электрочасофикации и городской телефонной сети
   Связь и сигнализация. План 1 этажа в осях 1 - 12, Г - Ж
   Связь и сигнализация. План 2 этажа в осях 1 - 3, А - И
   Связь и сигнализация. План 2 этажа в осях 7 - 12, А - Д. Схема озвучения
   Связь и сигнализация. План 3 этажа в осях 1 - 3, А - И
   Охранно-пожарная сигнализация. План 1 этажа в осях 1 - 7, А - Г. Схемы блокировки
   Охранно-пожарная сигнализация. План 1 этажа в осях 7 - 12, А - Г. Схема
   Охранно-пожарная сигнализация. План 1 этажа в осях 1 - 7, Г - И
   Охранно-пожарная сигнализация. План 1 этажа в осях 7 - 12, Г - Ж. Схема
   Охранно-пожарная сигнализация. План 1 этажа в осях 1 - 3, И - Л. План 2 этажа в осях 1 - 3, А - И
   Охранно-пожарная сигнализация. План 2 этажа в осях 7 - 12, А - Д. Схема
   Охранно-пожарная сигнализация. План 3 этажа в осях 1 - 3, А - И. Схема
   Экспликация помещений
Разработан: ЦНИИЭП торгово-бытовых зданий и туристских комплексов
Утверждён:13.10.1980 Госгражданстрой (Gosgrazhdanstroy 265)
Расположен в:Техническая документация Строительство Справочные документы Типовые строительные конструкции, изделия и узлы Общероссийский строительный каталог Общественные здания в городах и поселках городского типа Предприятия торговли и общественного питания. Общественные центры Предприятия торговли Рынки крытые и рыночные павильоны
Типовой проект 272-14-17Типовой проект 272-14-17Типовой проект 272-14-17Типовой проект 272-14-17Типовой проект 272-14-17Типовой проект 272-14-17Типовой проект 272-14-17Типовой проект 272-14-17Типовой проект 272-14-17Типовой проект 272-14-17Типовой проект 272-14-17Типовой проект 272-14-17Типовой проект 272-14-17Типовой проект 272-14-17Типовой проект 272-14-17Типовой проект 272-14-17Типовой проект 272-14-17Типовой проект 272-14-17Типовой проект 272-14-17Типовой проект 272-14-17Типовой проект 272-14-17Типовой проект 272-14-17Типовой проект 272-14-17Типовой проект 272-14-17Типовой проект 272-14-17Типовой проект 272-14-17Типовой проект 272-14-17Типовой проект 272-14-17Типовой проект 272-14-17Типовой проект 272-14-17Типовой проект 272-14-17Типовой проект 272-14-17Типовой проект 272-14-17Типовой проект 272-14-17Типовой проект 272-14-17Типовой проект 272-14-17Типовой проект 272-14-17Типовой проект 272-14-17Типовой проект 272-14-17Типовой проект 272-14-17Типовой проект 272-14-17Типовой проект 272-14-17Типовой проект 272-14-17Типовой проект 272-14-17Типовой проект 272-14-17Типовой проект 272-14-17Типовой проект 272-14-17Типовой проект 272-14-17Типовой проект 272-14-17Типовой проект 272-14-17Типовой проект 272-14-17Типовой проект 272-14-17Типовой проект 272-14-17Типовой проект 272-14-17Типовой проект 272-14-17Типовой проект 272-14-17Типовой проект 272-14-17

© 2013 Ёшкин Кот :-) Карта сайта