Информационная система
«Ёшкин Кот»

Скачать базу одним архивом
Скачать обновления
История создания базы
Карта сайта

Скачать Серия 1.133.1-7 Выпуск 1-4. Укрупненные легкобетонные блоки для стен толщиной 400 мм. Рабочие чертежи

Дата актуализации: 10.08.2017

Серия 1.133.1-7

Выпуск 1-4. Укрупненные легкобетонные блоки для стен толщиной 400 мм. Рабочие чертежи

Обозначение: Серия 1.133.1-7
Обозначение англ: Series 1.133.1-7
Статус:не действует
Название рус.:Выпуск 1-4. Укрупненные легкобетонные блоки для стен толщиной 400 мм. Рабочие чертежи
Дата добавления в базу:01.09.2013
Дата актуализации:05.05.2017
Дата введения:01.05.1999
Область применения:Настоящий выпуск содержит технические требования, номенклатуру и сборочные чертежи блоков наружных стен
Оглавление:1.133.1-7.1-4-ТТ Технические требования
1.133.1-7.1-4-НИ Номенклатура изделий
1.133.1-7.1-4-РС Ведомость расхода стали, кг
1.133.1-7.1-4-01 Блок цокольный 7БН 24.12.35-7,5П
1.133.1-7.1-4-02 Блок цокольный 7БН 30.12.35-7,5П
1.133.1-7.1-4-03 Блок цокольный 7БН 24.12.35-7,5П-а
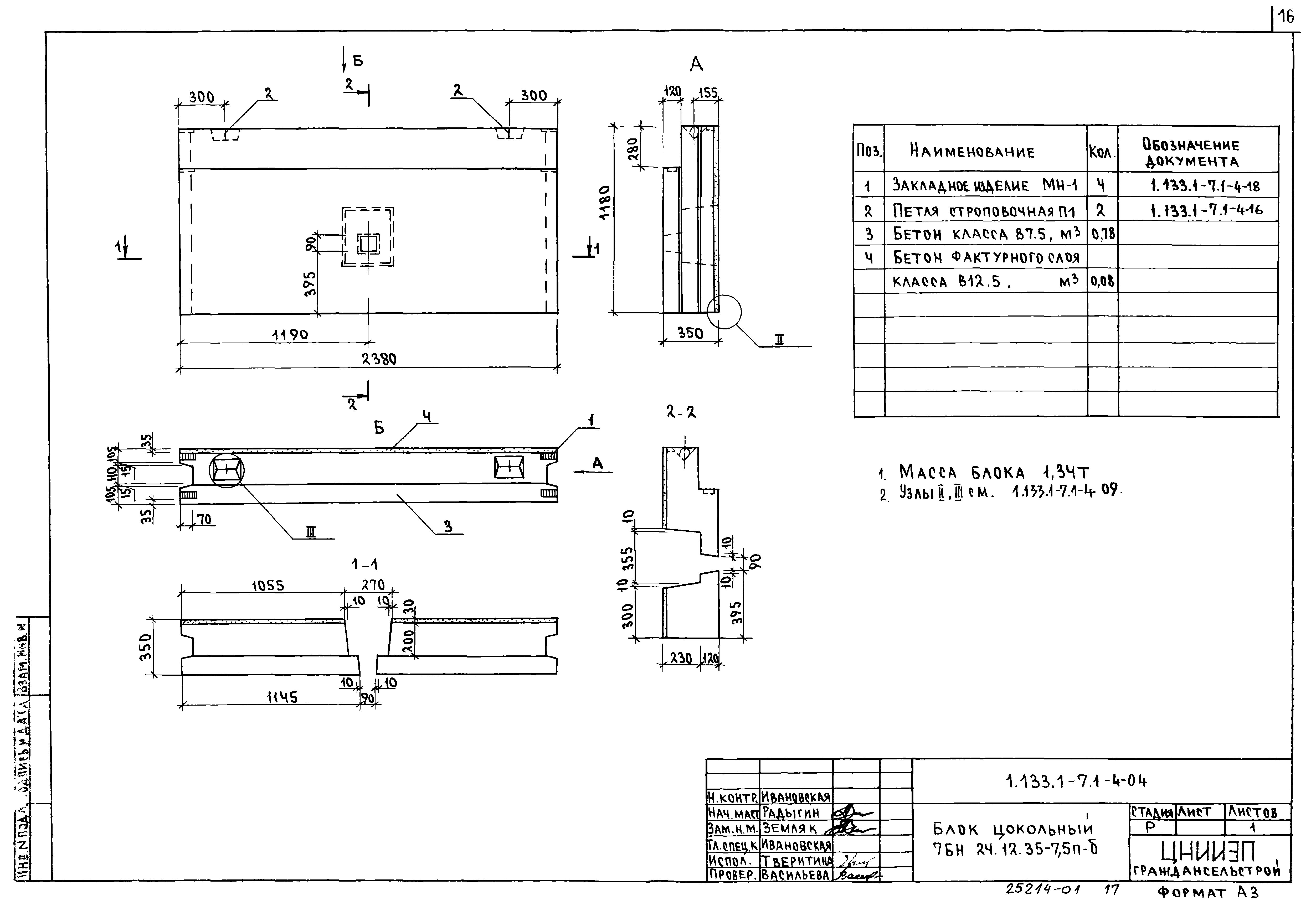
1.133.1-7.1-4-04 Блок цокольный 7БН 24.12.35-7,5П-б
1.133.1-7.1-4-05 Блок цокольный угловой 7БНУ 14.12.35-7,5П-1
1.133.1-7.1-4-06 Блок цокольный угловой 7БНУ 14.12.35-7,5П-2
1.133.1-7.1-4-07 Блок простеночный 1БН 25.22.40-5П
1.133.1-7.1-4-08 Блок простеночный 1БН 31.22.40-5П
1.133.1-7.1-4-09 Узел I - IV
1.133.1-7.1-4-10 Каркас пространственный КП-1
1.133.1-7.1-4-11 Сетка С-1
1.133.1-7.1-4-12 Каркас плоский КР-1
1.133.1-7.1-4-13 Каркас плоский КР-2
1.133.1-7.1-4-14 Каркас плоский КР-3
1.133.1-7.1-4-15 Каркас плоский КР-4
1.133.1-7.1-4-16 Петля строповочная П1, П2
1.133.1-7.1-4-17 Петля строповочная П3
1.133.1-7.1-4-18 Изделие закладное МН-1
Разработан: ЦНИИЭП граждансельстрой
Утверждён:08.10.1991 Госкомархитектура (136)
Расположен в:Техническая документация Строительство Справочные документы Типовые строительные конструкции, изделия и узлы Общероссийский строительный каталог Строительные конструкции, изделия и узлы зданий и сооружений для всех видов строительства Конструкции, изделия и узлы зданий Конструкции нулевого цикла Цокольные панели и блоки стен подвалов
Нормативные ссылки:
Серия 1.133.1-7Серия 1.133.1-7Серия 1.133.1-7Серия 1.133.1-7Серия 1.133.1-7Серия 1.133.1-7Серия 1.133.1-7Серия 1.133.1-7Серия 1.133.1-7Серия 1.133.1-7Серия 1.133.1-7Серия 1.133.1-7Серия 1.133.1-7Серия 1.133.1-7Серия 1.133.1-7Серия 1.133.1-7Серия 1.133.1-7Серия 1.133.1-7Серия 1.133.1-7Серия 1.133.1-7Серия 1.133.1-7Серия 1.133.1-7Серия 1.133.1-7Серия 1.133.1-7Серия 1.133.1-7Серия 1.133.1-7Серия 1.133.1-7Серия 1.133.1-7

© 2013 Ёшкин Кот :-) Карта сайта