Информационная система
«Ёшкин Кот»

Скачать базу одним архивом
Скачать обновления
История создания базы
Карта сайта

Скачать Типовой проект 708-18.85 Альбом 3. Закрытая емкость. Архитектурные решения. Конструкции железобетонные. Конструкции металлические. Организация строительства

Дата актуализации: 10.08.2017

Типовой проект 708-18.85

Альбом 3. Закрытая емкость. Архитектурные решения. Конструкции железобетонные. Конструкции металлические. Организация строительства

Обозначение: Типовой проект 708-18.85
Обозначение англ: 708-18.85
Статус:действует
Название рус.:Альбом 3. Закрытая емкость. Архитектурные решения. Конструкции железобетонные. Конструкции металлические. Организация строительства
Дата добавления в базу:01.09.2013
Дата актуализации:05.05.2017
Оглавление:Чертежи основного комплекта марки АР
   Общие данные
   Схемы №1, №2 сооружений склада. Исполнения I, II
   Закрытая емкость. Схемы №1, №2. Исполнения I, II. Планы на отм. 0.000; 10.400
   Закрытая емкость. Схемы №1, №2. Исполнения I, II. Планы на отм. 10.400. Разрез 1-1. План кровли
   Закрытая емкость. Схемы №1, №2. Исполнения I, II. Разрез 2-2. План подштабельной галереи
   Закрытая емкость. Схемы №1, №2. Исполнения I, II. Фасады 1 - 7; 7 - 1; А - Б; Б - А
   Натяжной пункт. Схема №1. Планы на отм. - 3.300; - 0.150. Разрезы 1-1, 2-2. Фасады 1 - 2; 2 - 1; А - Б; Б - А. План кровли
   Натяжной пункт. Схема №2. Планы на отм. - 3.300; - 0.150. Разрезы 1-1, 2-2. Фасады 1 - 2; 2 - 1; А - Б; Б - А. План кровли
   Вентпомещение. Схемы №1, №2. План на отм. - 2.300. Разрезы 1-1, 2-2. Фасады 1 - 2; 2 - 1; А - Б; Б - А. План кровли
Чертежи основного комплекта марки КЖ
   Закрытая емкость
      Общие данные
      Схемы расположения конструктивных элементов
      Тоннель монолитный Тм1, Тм1-н. Опалубка
      Тоннель монолитный Тм1, Тм1-н. Сечения 1-1 - 9-9
      Тоннель монолитный Тм1, Тм1-н. Армирование. Схема расположения конструктивных элементов
      Тоннель монолитный Тм1, Тм1-н. Армирование. Плита днища
      Тоннель монолитный Тм1, Тм1-н. Армирование. Балка днища Бм1
      Тоннель монолитный Тм1, Тм1-н. Армирование. Стены СТм1, СТм1-н
      Тоннель монолитный Тм1-н. Армирование. Стена СТм2
      Тоннель монолитный Тм1, Тм1-н. Армирование. Плита перекрытия на отм. 0.000
      Тоннель монолитный Тм1, Тм1-н. Армирование. Плита перекрытия на отм. 0.000. Балка Бм6
      Тоннель монолитный Тм1, Тм1-н. Армирование. Балки Бм2, Бм3, Бм4
      Тоннель монолитный Тм1, Тм1-н. Армирование. Балка Бм5
      Тоннель монолитный Тм1. Спецификация
      Тоннель монолитный Тм1-н. Спецификация
      Тоннель монолитный Тм1, Тм1-н. Ведомость деталей и расхода стали
      Тоннель монолитный Тм2. Опалубка
      Тоннель монолитный Тм2. Армирование. Схема расположения конструктивных элементов
      Тоннель монолитный Тм2. Армирование. Плита днища
      Тоннель монолитный Тм2. Армирование. Схема расположения выпусков и поддерживающих каркасов, балка Бм8
      Тоннель монолитный Тм2. Армирование. Балка днища Бм7
      Тоннель монолитный Тм2. Армирование. Стена СТм3
      Тоннель монолитный Тм2. Армирование. Стена СТм4
      Тоннель монолитный Тм2. Армирование. Плита перекрытия на отм. 0.000
      Тоннель монолитный Тм2. Спецификация
      Тоннель монолитный Тм2. Ведомость деталей и расхода стали
      Набетонки на отм. 0.000. Фундаменты Фм1, Фм2
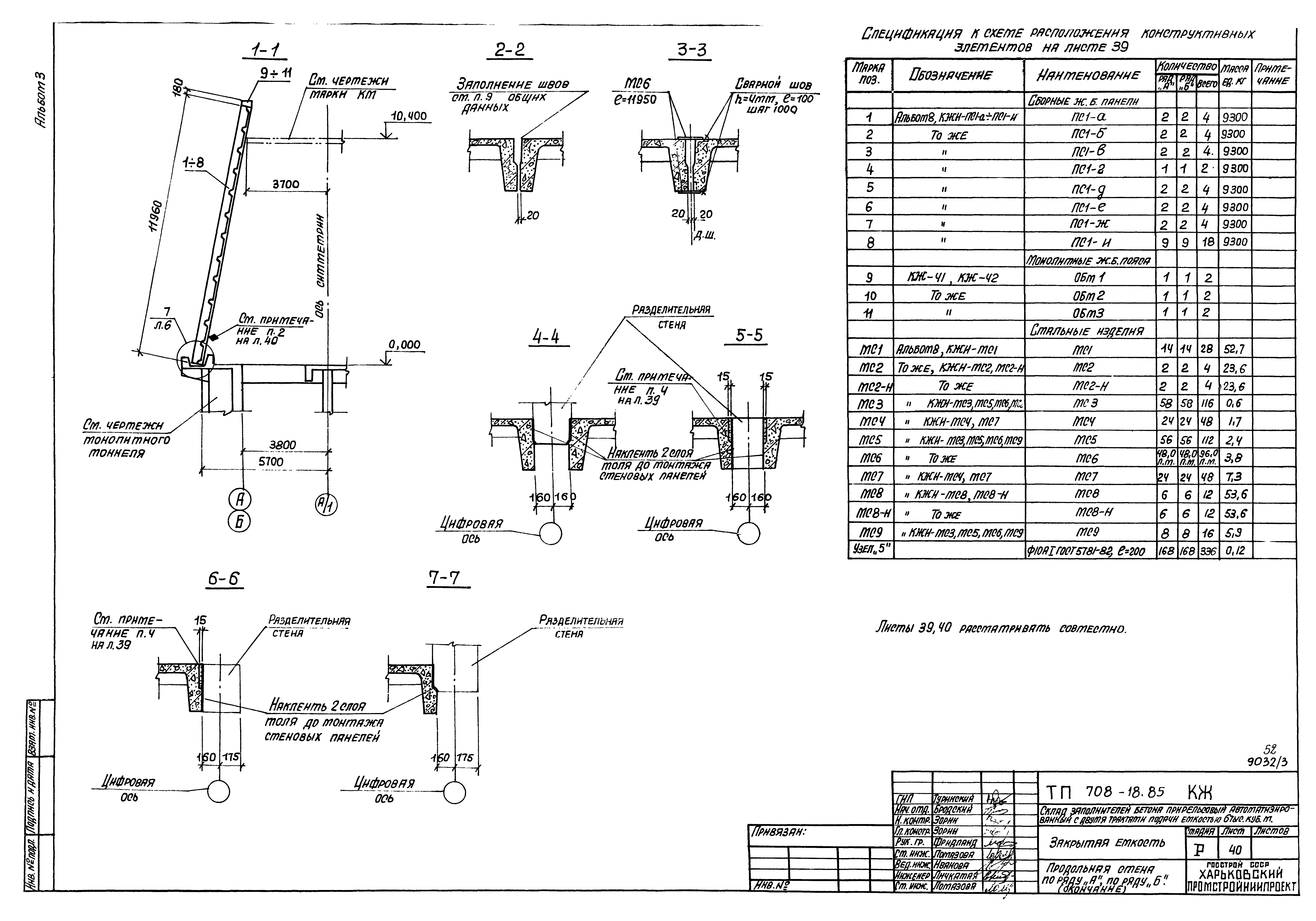
      Продольная стена по ряду "А", по ряду "Б"
      Обвязочные пояса ОБМ1, ОБМ2
      Обвязочный пояс ОБМ3
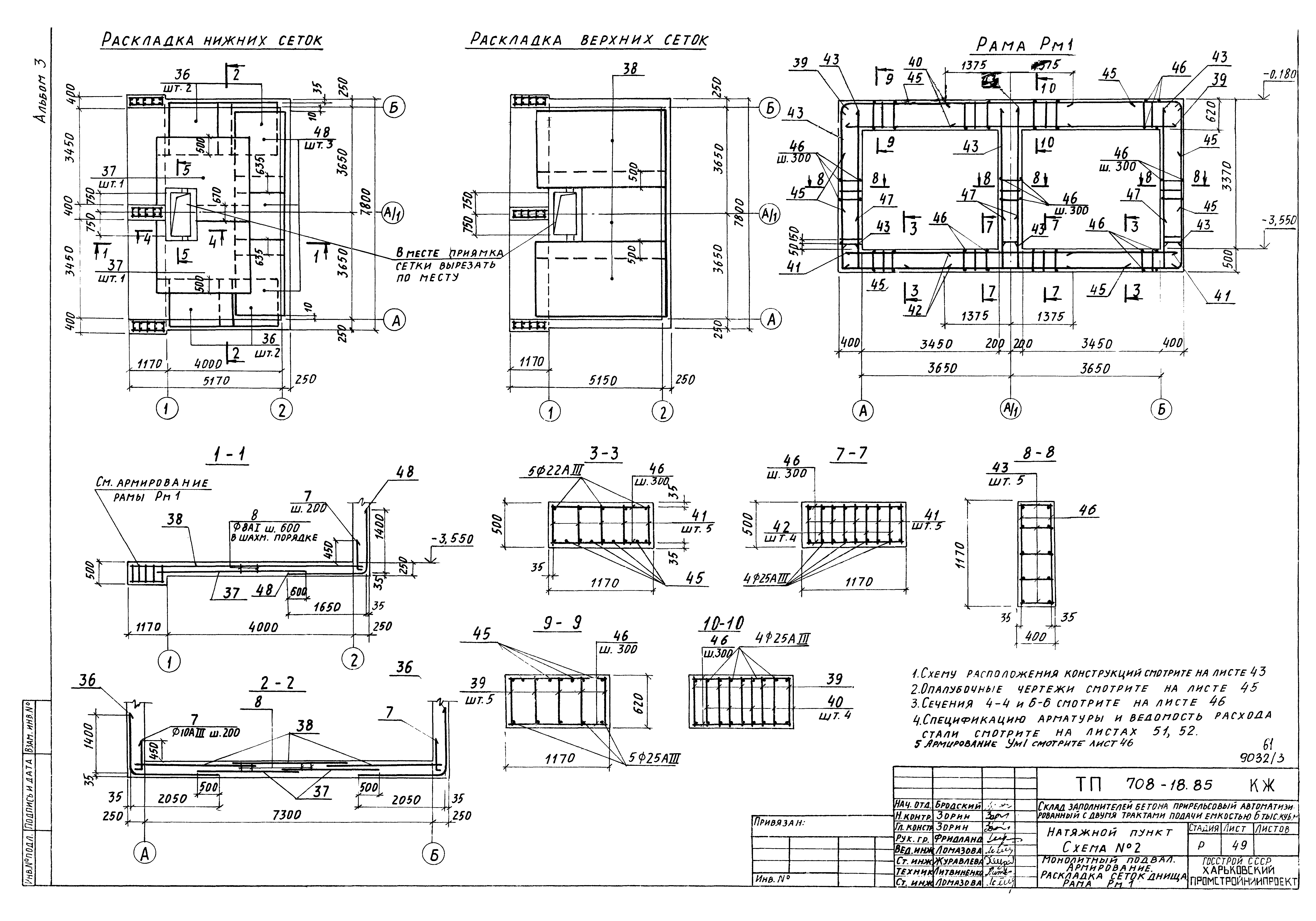
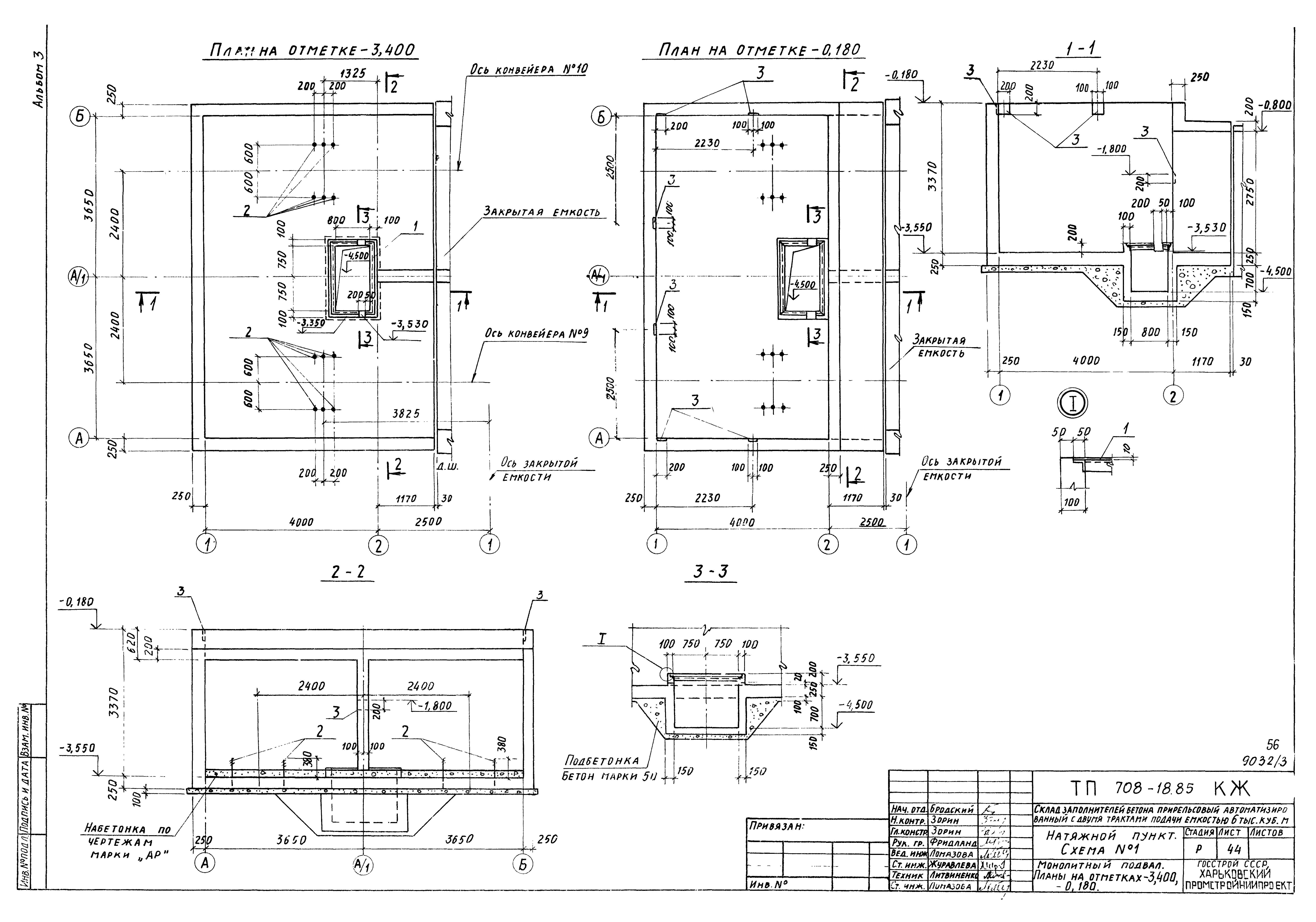
   Натяжной пункт
      Схемы №1, №2. Схемы расположения конструктивных элементов
      Схема №1. Монолитный подвал. Планы на отм. - 3.400; - 0.180
      Схема №2. Монолитный подвал. Планы на отм. - 3.400; - 0.180
      Схема №1. Монолитный подвал. Армирование. Днище. Участок монолитный Ум1
      Схема №1. Монолитный подвал. Армирование. Стены СТм1, СТм2, СТм2н
      Схема №1. Монолитный подвал. Армирование. Стена СТм3. Плита ПМ1. Спецификация
      Схема №2. Монолитный подвал. Армирование. Раскладка сеток днища. Рама Рм1
      Схема №2. Монолитный подвал. Армирование. Стены СТм4, СТм4н. Расчетная схема Рм1
      Схемы №1, №2. Монолитный подвал. Армирование. Спецификация
      Схемы №1, №2. Монолитный подвал. Армирование. Спецификация. Ведомость деталей
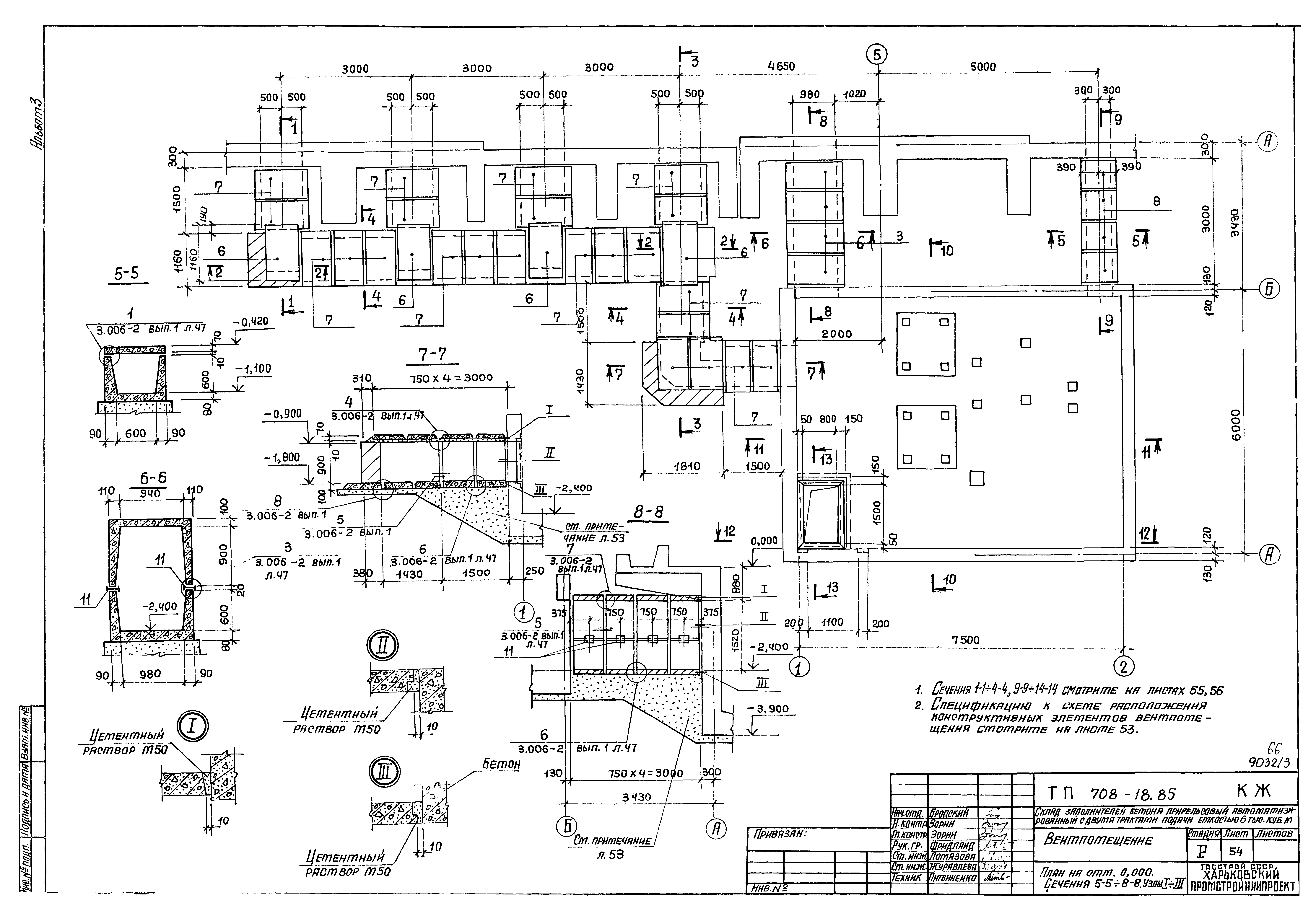
   Вентпомещение
      Схема расположения конструктивных элементов
      План на отм. 0.000. Сечения 5-5 - 8-8. Узлы I - III
      План на отм. - 2.400. Сечения 1-1 - 4-4
      Сечения 9-9 - 13-13
      Монолитный подвал. Армирование. Плита днища
      Монолитный подвал. Армирование. Стены СТм1, СТм2
      Монолитный подвал. Армирование. Стены СТм3, СТм4
      Спецификация
Чертежи основного комплекта марки КМ
   Общие данные
   Техническая спецификация металла
   Техническая спецификация металла. Лестницы, площадки, ограждения
   Схема покрытия
   Схемы монорельсов
   Схемы фахверков
   Схема перекрытия на отм. 10.400
   План ферм под конвейеры. Разрезы
   Схемы бункеров
   Бункера Б-1 - Б-3. Схемы балок для установки УКМ
   Лестница у оси "1"
   Лестница у оси "1". Разрезы
   Схемы монорельса, площадок лестниц и ограждений. Разрезы
   Схемы монорельса и каркаса венткамеры
Чертежи основного комплекта марки ОС
   Общие данные
   Календарный график строительства
   Закрытая емкость. Схемы производства работ
   Стройгенплан
Разработан: Харьковский Промстройниипроект
Утверждён:07.01.1983 Госстрой СССР (Государственный комитет Совета Министров СССР по делам строительства) (USSR Gosstroy ВА-2)
Расположен в:Техническая документация Строительство Справочные документы Типовые строительные конструкции, изделия и узлы Общероссийский строительный каталог Промышленные предприятия, здания и сооружения Предприятия, здания и сооружения складские Склады строительных материалов и изделий
Типовой проект 708-18.85Типовой проект 708-18.85Типовой проект 708-18.85Типовой проект 708-18.85Типовой проект 708-18.85Типовой проект 708-18.85Типовой проект 708-18.85Типовой проект 708-18.85Типовой проект 708-18.85Типовой проект 708-18.85Типовой проект 708-18.85Типовой проект 708-18.85Типовой проект 708-18.85Типовой проект 708-18.85Типовой проект 708-18.85Типовой проект 708-18.85Типовой проект 708-18.85Типовой проект 708-18.85Типовой проект 708-18.85Типовой проект 708-18.85Типовой проект 708-18.85Типовой проект 708-18.85Типовой проект 708-18.85Типовой проект 708-18.85Типовой проект 708-18.85Типовой проект 708-18.85Типовой проект 708-18.85Типовой проект 708-18.85Типовой проект 708-18.85Типовой проект 708-18.85Типовой проект 708-18.85Типовой проект 708-18.85Типовой проект 708-18.85Типовой проект 708-18.85Типовой проект 708-18.85Типовой проект 708-18.85Типовой проект 708-18.85Типовой проект 708-18.85Типовой проект 708-18.85Типовой проект 708-18.85Типовой проект 708-18.85Типовой проект 708-18.85Типовой проект 708-18.85Типовой проект 708-18.85Типовой проект 708-18.85Типовой проект 708-18.85Типовой проект 708-18.85Типовой проект 708-18.85Типовой проект 708-18.85Типовой проект 708-18.85Типовой проект 708-18.85Типовой проект 708-18.85Типовой проект 708-18.85Типовой проект 708-18.85Типовой проект 708-18.85Типовой проект 708-18.85Типовой проект 708-18.85Типовой проект 708-18.85Типовой проект 708-18.85Типовой проект 708-18.85Типовой проект 708-18.85Типовой проект 708-18.85Типовой проект 708-18.85Типовой проект 708-18.85Типовой проект 708-18.85Типовой проект 708-18.85Типовой проект 708-18.85Типовой проект 708-18.85Типовой проект 708-18.85Типовой проект 708-18.85Типовой проект 708-18.85Типовой проект 708-18.85Типовой проект 708-18.85Типовой проект 708-18.85Типовой проект 708-18.85Типовой проект 708-18.85Типовой проект 708-18.85Типовой проект 708-18.85Типовой проект 708-18.85Типовой проект 708-18.85Типовой проект 708-18.85Типовой проект 708-18.85Типовой проект 708-18.85Типовой проект 708-18.85Типовой проект 708-18.85Типовой проект 708-18.85Типовой проект 708-18.85Типовой проект 708-18.85Типовой проект 708-18.85Типовой проект 708-18.85Типовой проект 708-18.85Типовой проект 708-18.85Типовой проект 708-18.85Типовой проект 708-18.85Типовой проект 708-18.85Типовой проект 708-18.85Типовой проект 708-18.85Типовой проект 708-18.85Типовой проект 708-18.85Типовой проект 708-18.85Типовой проект 708-18.85Типовой проект 708-18.85Типовой проект 708-18.85Типовой проект 708-18.85Типовой проект 708-18.85Типовой проект 708-18.85

© 2013 Ёшкин Кот :-) Карта сайта