Информационная система
«Ёшкин Кот»

Скачать базу одним архивом
Скачать обновления
История создания базы
Карта сайта

Скачать Типовой проект 901-7-6.84 Альбом VI. Строительные изделия

Дата актуализации: 10.08.2017

Типовой проект 901-7-6.84

Альбом VI. Строительные изделия

Обозначение: Типовой проект 901-7-6.84
Обозначение англ: 901-7-6.84
Статус:не действует
Название рус.:Альбом VI. Строительные изделия
Дата добавления в базу:01.09.2013
Дата актуализации:05.05.2017
Оглавление:ТП 901-7-6.84-КЖИ.К1 Колонна (К1,К2)
ТП 901-7-6.84-КЖИ.К3 Колонна К3
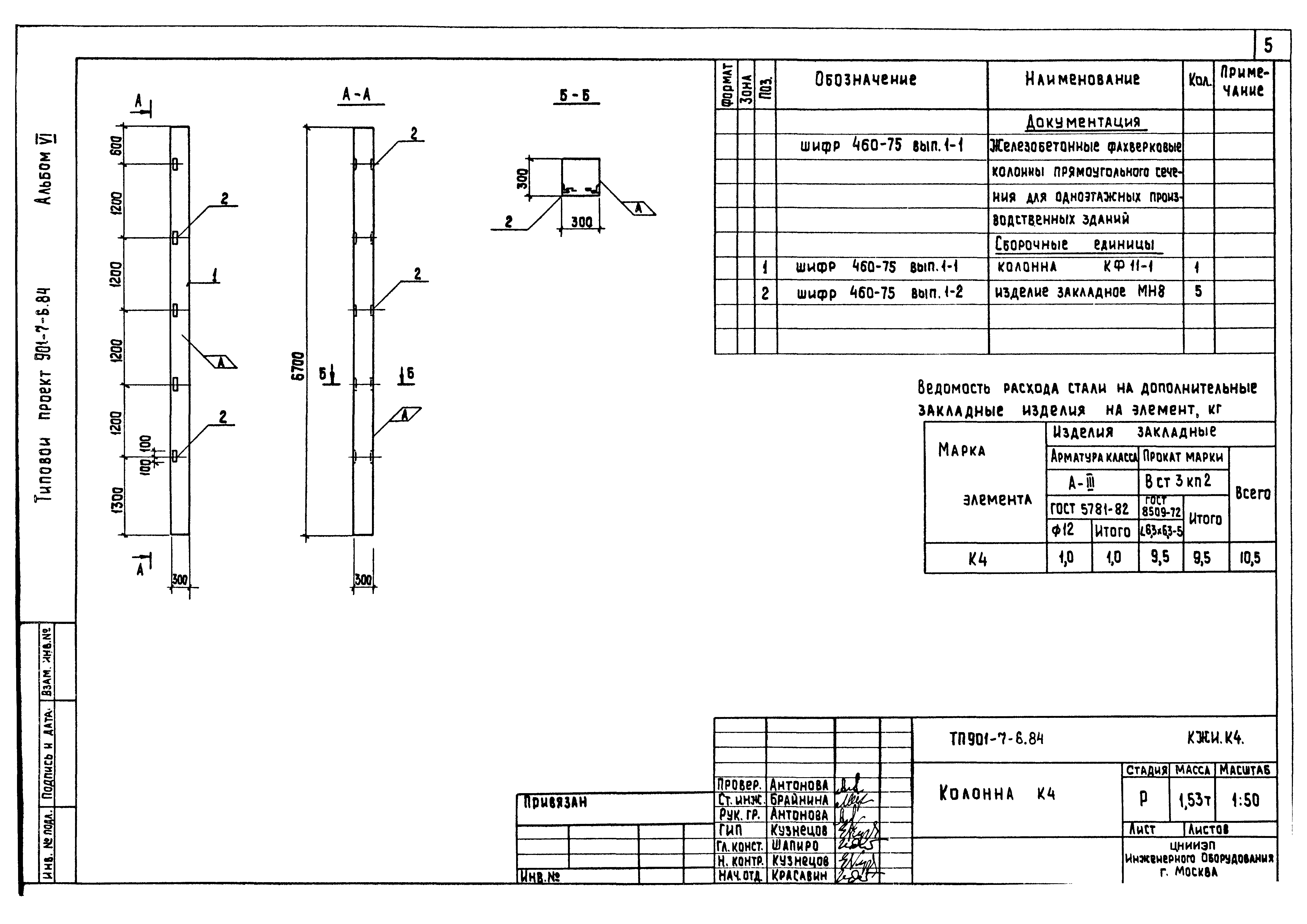
ТП 901-7-6.84-КЖИ.К4 Колонна К4
ТП 901-7-6.84-КЖИ.БС1 Балка стропильная БС1
ТП 901-7-6.84-КЖИ.БС2 Балка стропильная БС2
ТП 901-7-6.84-КЖИ.П4 Плита покрытия П4
ТП 901-7-6.84-КЖИ.П5 Плита покрытия (П5...П7)
ТП 901-7-6.84-КЖИ.П8 Плита покрытия П8
ТП 901-7-6.84-КЖИ.П11 Плита перекрытия П11
ТП 901-7-6.84-КЖИ.ПС9 Панель стеновая ПС9
ТП 901-7-6.84-КЖИ.ПС7 Панель стеновая ПС7
ТП 901-7-6.84-КЖИ.СК1 Стойка СК1
ТП 901-7-6.84-КЖИ.МС1 Элемент соединительный МС1
ТП 901-7-6.84-КЖИ.МС2 Элемент соединительный МС2
ТП 901-7-6.84-КЖИ.МС3 Элемент соединительный МС3
ТП 901-7-6.84-КЖИ.МН9 Изделие закладное МН9
ТП 901-7-6.84-КЖИ.МН1 Рама металлическая (МН1,МН2)
ТП 901-7-6.84-КЖИ.МН11 Рама металлическая (МН11,МН12)
ТП 901-7-6.84-КЖИ.МН3 Изделие закладное (МН3,МН4)
ТП 901-7-6.84-КЖИ.Щ1 Щит стальной (Щ1,Щ2)
Разработан: ЦНИИЭП иженерного оборудования
Утверждён:27.12.1979 Госгражданстрой (Gosgrazhdanstroy 279)
Расположен в:Техническая документация Строительство Справочные документы Типовые строительные конструкции, изделия и узлы Общероссийский строительный каталог Промышленные предприятия, здания и сооружения Здания и сооружения санитарно-технические Водоснабжение Сооружения и установки по обеззараживанию воды Реагентное хозяйство для станций очистки
Чем заменён:
Типовой проект 901-7-6.84Типовой проект 901-7-6.84Типовой проект 901-7-6.84Типовой проект 901-7-6.84Типовой проект 901-7-6.84Типовой проект 901-7-6.84Типовой проект 901-7-6.84Типовой проект 901-7-6.84Типовой проект 901-7-6.84Типовой проект 901-7-6.84Типовой проект 901-7-6.84Типовой проект 901-7-6.84Типовой проект 901-7-6.84Типовой проект 901-7-6.84Типовой проект 901-7-6.84Типовой проект 901-7-6.84Типовой проект 901-7-6.84Типовой проект 901-7-6.84Типовой проект 901-7-6.84Типовой проект 901-7-6.84

© 2013 Ёшкин Кот :-) Карта сайта