Скачать Типовой проект 807-11-3 Альбом III. Строительные изделия (из ТП 807-11-1)Дата актуализации: 10.08.2017 Типовой проект 807-11-3
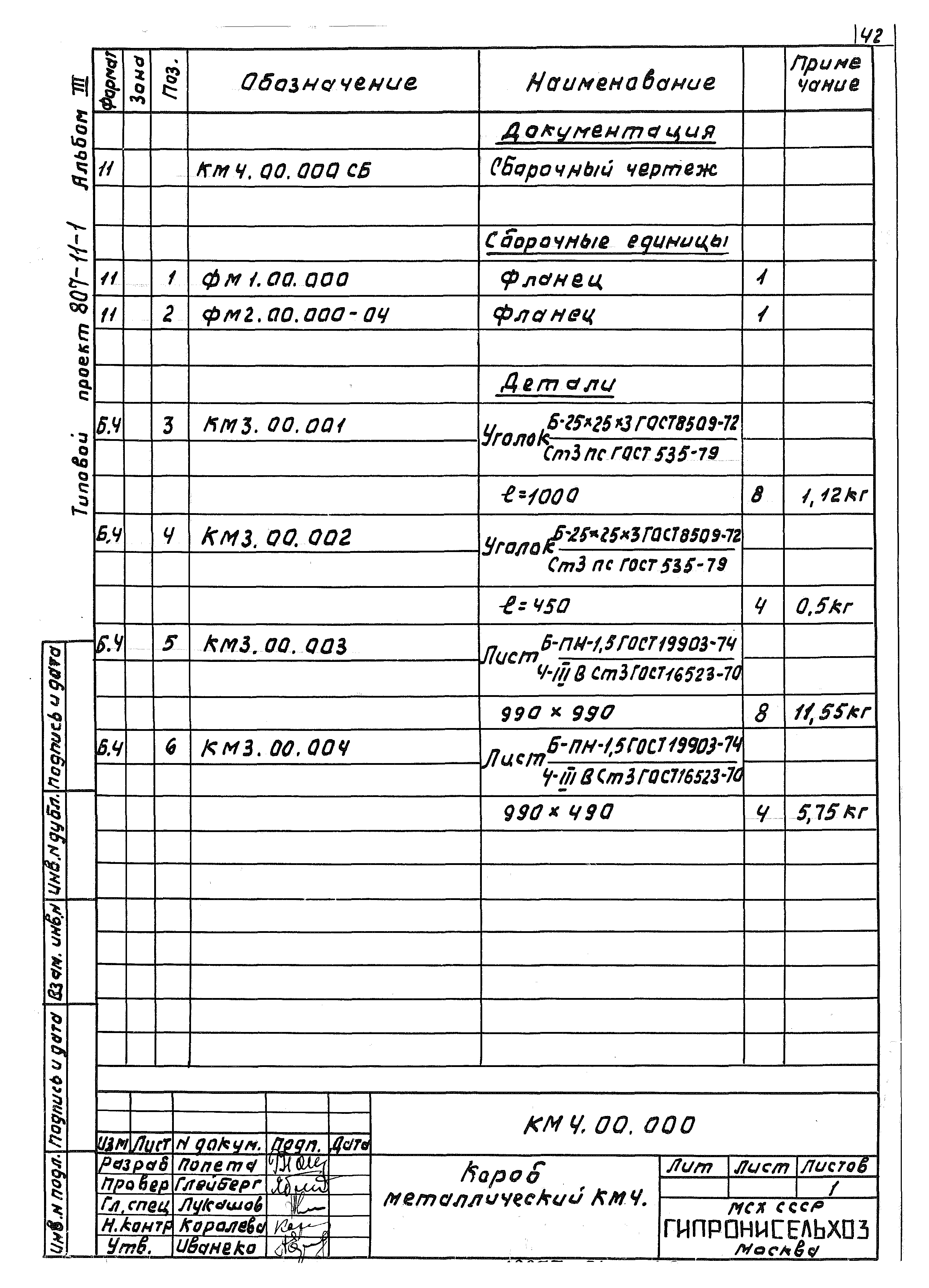
Альбом III. Строительные изделия (из ТП 807-11-1)Обозначение: | Типовой проект 807-11-3 | Обозначение англ: | 807-11-3 | Статус: | не определен законодательством | Название рус.: | Альбом III. Строительные изделия (из ТП 807-11-1) | Дата добавления в базу: | 01.09.2013 | Дата актуализации: | 05.05.2017 | Дата введения: | 21.09.1981 | Оглавление: | ТП 807-11-1 Содержание альбома ТП 807-11-1-КЖИ-00.00.01.00 Спецификация на колонну КФ1 ТП 807-11-1-КЖИ-00.00.01.00 СБ Спецификация на колонну КФ1. Сборочный чертеж ТП 807-11-1-КЖИ-00.00.02.00 Спецификация на колонну КФ2 ТП 807-11-1-КЖИ-00.00.02.00 СБ Спецификация на колонну КФ2. Сборочный чертеж ТП 807-11-1-КЖИ-00.00.01.00 Спецификация на рамку металлическую РМ1 ТП 807-11-1-КЖИ-00.00.01.00 СБ Рамка металлическая РМ1. Сборочный чертеж ТП 807-11-1-КЖИ-00.00.02.00 Спецификация на рамку металлическую РМ2 ТП 807-11-1-КЖИ-00.00.02.00 СБ Рамка металлическая РМ2. Сборочный чертеж ТП 807-11-1-КЖИ-00.00.03.00 Спецификация на рамки металлические РМ3-РМ6,РМ8,РМ10,РМ11 ТП 807-11-1-КЖИ-00.00.03.00 СБ Спецификация на рамки металлические РМ3-РМ6,РМ8,РМ10,РМ11. Сборочный чертеж ТП 807-11-1-КЖИ-00.00.07.00 Спецификация на рамку металлическую РМ7 ТП 807-11-1-КЖИ-00.00.07.00 СБ Рамка металлическая РМ7. Сборочный чертеж ТП 807-11-1-КЖИ-00.00.09.00 Спецификация на рамку металлическую РМ9 ТП 807-11-1-КЖИ-00.00.09.00 СБ Рамка металлическая РМ9. Сборочный чертеж ТП 807-11-1-КЖИ-00.00.12.00 СБ Рамка металлическая РМ12. Сборочный чертеж ТП 807-11-1-КЖИ-00.00.13.00 Спецификация на рамку металлическую РМ13 ТП 807-11-1-КЖИ-00.00.13.00 СБ Рамка металлическая РМ13. Сборочный чертеж ТП 807-11-1-КЖИ-00.00.01.00 Спецификация на кронштейн КР1 ТП 807-11-1-КЖИ-00.00.01.00 СБ Кронштейн КР1. Сборочный чертеж ТП 807-11-1-КЖИ-00.00.01.00 СБ Анкер АН1. Сборочный чертеж ТП 807-11-1-КЖИ-00.00.02.00 СБ Анкер АН2. Сборочный чертеж ТП 807-11-1-КЖИ-00.00.03.00 Спецификация на анкер АН3 ТП 807-11-1-КЖИ-00.00.03.00 СБ Анкер АН3. Сборочный чертеж ТП 807-11-1-КЖИ-00.00.04.00 Спецификация на анкеры А4,А5 ТП 807-11-1-КЖИ-00.00.04.00 СБ Анкер А4. Анкер А5. Сборочный чертеж ТП 807-11-1-КЖИ-00.00.06.00 СБ Насадка металлическая Т6а. Сборочный чертеж ТП 807-11-1-КМ1.00.000 Короб металлический КМ1,КМ2 ТП 807-11-1-КМ3.00.000 Короб металлический КМ3 ТП 807-11-1-КМ4.00.000 Короб металлический КМ4 ТП 807-11-1-ФМ1.00.000 Фланец ТП 807-11-1-ФМ2.00.000 Фланец ТП 807-11-1-КМ1.00.000 СБ Короб металлический КМ1,КМ2. Сборочный чертеж ТП 807-11-1-КМ3.00.000 СБ Короб металлический КМ3. Сборочный чертеж ТП 807-11-1-КМ4.00.000 СБ Короб металлический КМ4. Сборочный чертеж ТП 807-11-1-ФМ1.00.000 СБ Фланец. Сборочный чертеж ТП 807-11-1-ФМ2.00.000 СБ Фланец. Сборочный чертеж | Разработан: | ФГНУ НПЦ Гипронисельхоз
| Утверждён: | 13.07.1981 Главсельстройпроект Минсельхоза СССР (Glavselstroyproject, USSR Minselkhoz 63)
| Расположен в: |
|
                                                     
|