Информационная система
«Ёшкин Кот»

Скачать базу одним архивом
Скачать обновления
История создания базы
Карта сайта

Скачать Типовой проект 903-1-220.86 Альбом 9. Задание заводу-изготовителю низковольтных комплектных устройств управления

Дата актуализации: 10.08.2017

Типовой проект 903-1-220.86

Альбом 9. Задание заводу-изготовителю низковольтных комплектных устройств управления

Обозначение: Типовой проект 903-1-220.86
Обозначение англ: 903-1-220.86
Статус:действует
Название рус.:Альбом 9. Задание заводу-изготовителю низковольтных комплектных устройств управления
Дата добавления в базу:01.09.2013
Дата актуализации:05.05.2017
Дата введения:09.01.1986
Оглавление:ТП 903-1-220.86 Содержание альбома
ТП 903-1-220.86-ЭМ3 Чертежи заводу-изготовителю НКУ (марка ЭМЗ)
ТП 903-1-220.86-ЭМ3-1 Низковольтные комплектные устройства управления. Задание заводу-изготовителю. Опись чертежей
ТП 903-1-220.86-ЭМ3-2 Перечень комплектных устройств
ТП 903-1-220.86-ЭМ3-3 Щит открытый 1Щ(2Щ,3Щ,4Щ). Технические данные аппаратов
ТП 903-1-220.86-ЭМ3-4 Щит открытый 1Щ(2Щ,3Щ,4Щ). Общий вид
ТП 903-1-220.86-ЭМ3-5 Щит открытый 1Щ(2Щ,3Щ,4Щ). Общий вид. Панель 1
ТП 903-1-220.86-ЭМ3-6 Щит открытый 1Щ(2Щ,3Щ,4Щ). Схема соединений и подключений. Панель 1
ТП 903-1-220.86-ЭМ3-7 Щит открытый 1Щ(2Щ,3Щ,4Щ). Перечень надписей
ТП 903-1-220.86-ЭМ3-8 Щит открытый 5Щ. Технические данные аппаратов
ТП 903-1-220.86-ЭМ3-9 Щит открытый 5Щ. Общий вид
ТП 903-1-220.86-ЭМ3-10 Щит открытый 5Щ. Общий вид. Панель 1
ТП 903-1-220.86-ЭМ3-11 Щит открытый 5Щ. Общий вид. Панель 2
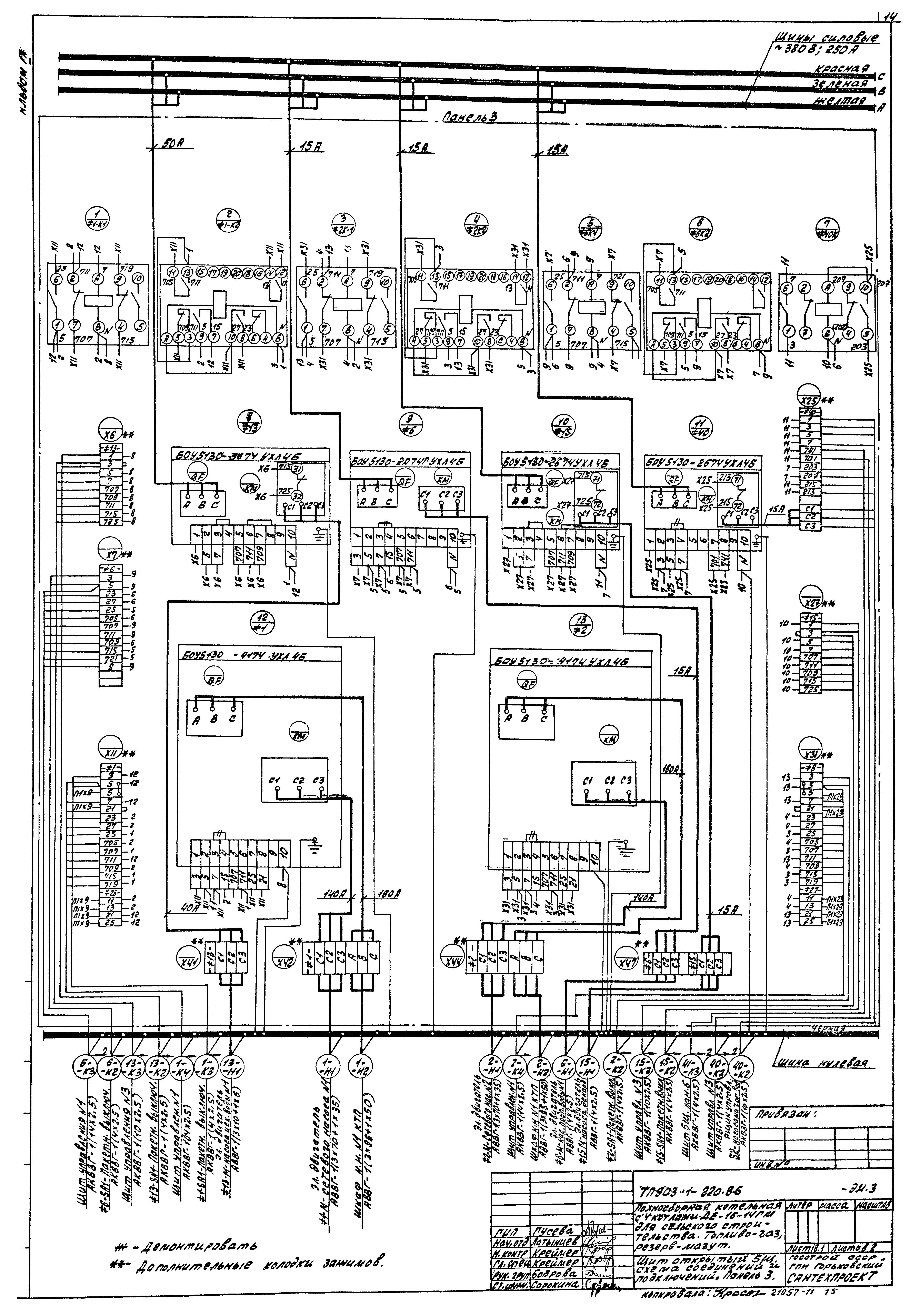
ТП 903-1-220.86-ЭМ3-12 Щит открытый 5Щ. Общий вид. Панель 3
ТП 903-1-220.86-ЭМ3-13 Щит открытый 5Щ. Общий вид. Панель 4
ТП 903-1-220.86-ЭМ3-14 Щит открытый 5Щ. Общий вид. Панель 5
ТП 903-1-220.86-ЭМ3-15 Щит открытый 5Щ. Общий вид. Панель 6
ТП 903-1-220.86-ЭМ3-16 Щит открытый 5Щ. Схема соединений и подключений. Панель 1
ТП 903-1-220.86-ЭМ3-17 Щит открытый 5Щ. Схема соединений и подключений. Панель 2
ТП 903-1-220.86-ЭМ3-18 Щит открытый 5Щ. Схема соединений и подключений. Панель 3
ТП 903-1-220.86-ЭМ3-19 Щит открытый 5Щ. Схема соединений и подключений. Панель 4
ТП 903-1-220.86-ЭМ3-20 Щит открытый 5Щ. Схема соединений и подключений. Панель 5
ТП 903-1-220.86-ЭМ3-21 Щит открытый 5Щ. Схема соединений и подключений. Панель 6
ТП 903-1-220.86-ЭМ3-22 Щит открытый 5Щ. Перечень надписей
ТП 903-1-220.86-ЭМ3-23 Ящик S1. Технические данные аппаратов
ТП 903-1-220.86-ЭМ3-24 Ящик S1. Общий вид
ТП 903-1-220.86-ЭМ3-25 Ящик S1. Схема соединений и подключений
ТП 903-1-220.86-ЭМ3-26 Ящик S1. Перечень надписей
ТП 903-1-220.86-ЭМ3-27 Ящик S2. Технические данные аппаратов
ТП 903-1-220.86-ЭМ3-28 Ящик S2. Общий вид
ТП 903-1-220.86-ЭМ3-29 Ящик S2. Схема соединений и подключений
ТП 903-1-220.86-ЭМ3-30 Ящик S2. Перечень надписей
ТП 903-1-220.86-ЭМ3-31 Ящик S3. Технические данные аппаратов
ТП 903-1-220.86-ЭМ3-32 Ящик S3. Общий вид
ТП 903-1-220.86-ЭМ3-33 Ящик S3. Схема соединений и подключений
ТП 903-1-220.86-ЭМ3-34 Ящик S3. Перечень надписей
ТП 903-1-220.86-ЭМ1 Прилагаемые материалы к марке ЭМ1
ТП 903-1-220.86-ЭМ1.Н1 Ведомость изделий МЭЗ
ТП 903-1-220.86-ЭМ1.Н2 Ведомость изделий и материалов для изготовления изделий МЭЗ
ТП 903-1-220.86-ЭО Прилагаемые материалы к марке ЭО
ТП 903-1-220.86-ЭО-Н1 Ведомость изделий МЭЗ
ТП 903-1-220.86-ЭО-Н2 Ведомость изделий и материалов для изготовления изделий МЭЗ
Разработан: Горьковский Сантехпроект
Утверждён:07.09.1985 Минсельхоз СССР (USSR Minselkhoz 60-ЭГ)
Расположен в:Техническая документация Строительство Справочные документы Типовые строительные конструкции, изделия и узлы Общероссийский строительный каталог Промышленные предприятия, здания и сооружения Здания и сооружения санитарно-технические Теплоснабжение Котельные установки Закрытые системы теплоснабжения Топливо - газ, резерв - мазут
Типовой проект 903-1-220.86Типовой проект 903-1-220.86Типовой проект 903-1-220.86Типовой проект 903-1-220.86Типовой проект 903-1-220.86Типовой проект 903-1-220.86Типовой проект 903-1-220.86Типовой проект 903-1-220.86Типовой проект 903-1-220.86Типовой проект 903-1-220.86Типовой проект 903-1-220.86Типовой проект 903-1-220.86Типовой проект 903-1-220.86Типовой проект 903-1-220.86Типовой проект 903-1-220.86Типовой проект 903-1-220.86Типовой проект 903-1-220.86Типовой проект 903-1-220.86Типовой проект 903-1-220.86Типовой проект 903-1-220.86Типовой проект 903-1-220.86Типовой проект 903-1-220.86Типовой проект 903-1-220.86Типовой проект 903-1-220.86Типовой проект 903-1-220.86Типовой проект 903-1-220.86Типовой проект 903-1-220.86

© 2013 Ёшкин Кот :-) Карта сайта