| ||||||||||||||||||||||||||||
Скачать Серия 01.036-1 Выпуск 1. Дверь защитно-герметичная ДУ-III-5Дата актуализации: 10.08.2017
|
| Обозначение: | Серия 01.036-1 |
| Обозначение англ: | Series 01.036-1 |
| Статус: | не определен законодательством |
| Название рус.: | Выпуск 1. Дверь защитно-герметичная ДУ-III-5 |
| Дата добавления в базу: | 01.09.2013 |
| Дата актуализации: | 05.05.2017 |
| Дата введения: | 23.12.1982 |
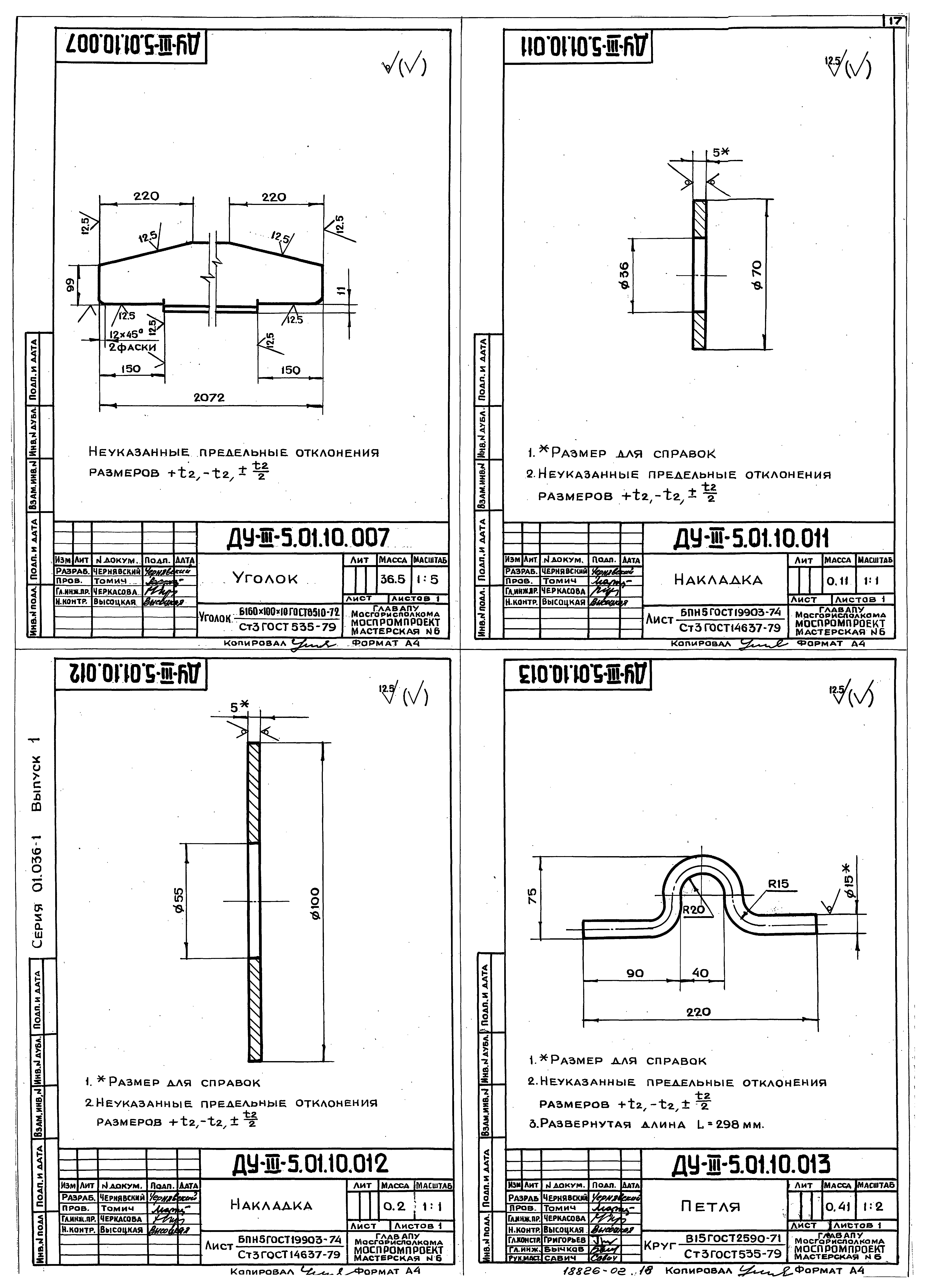
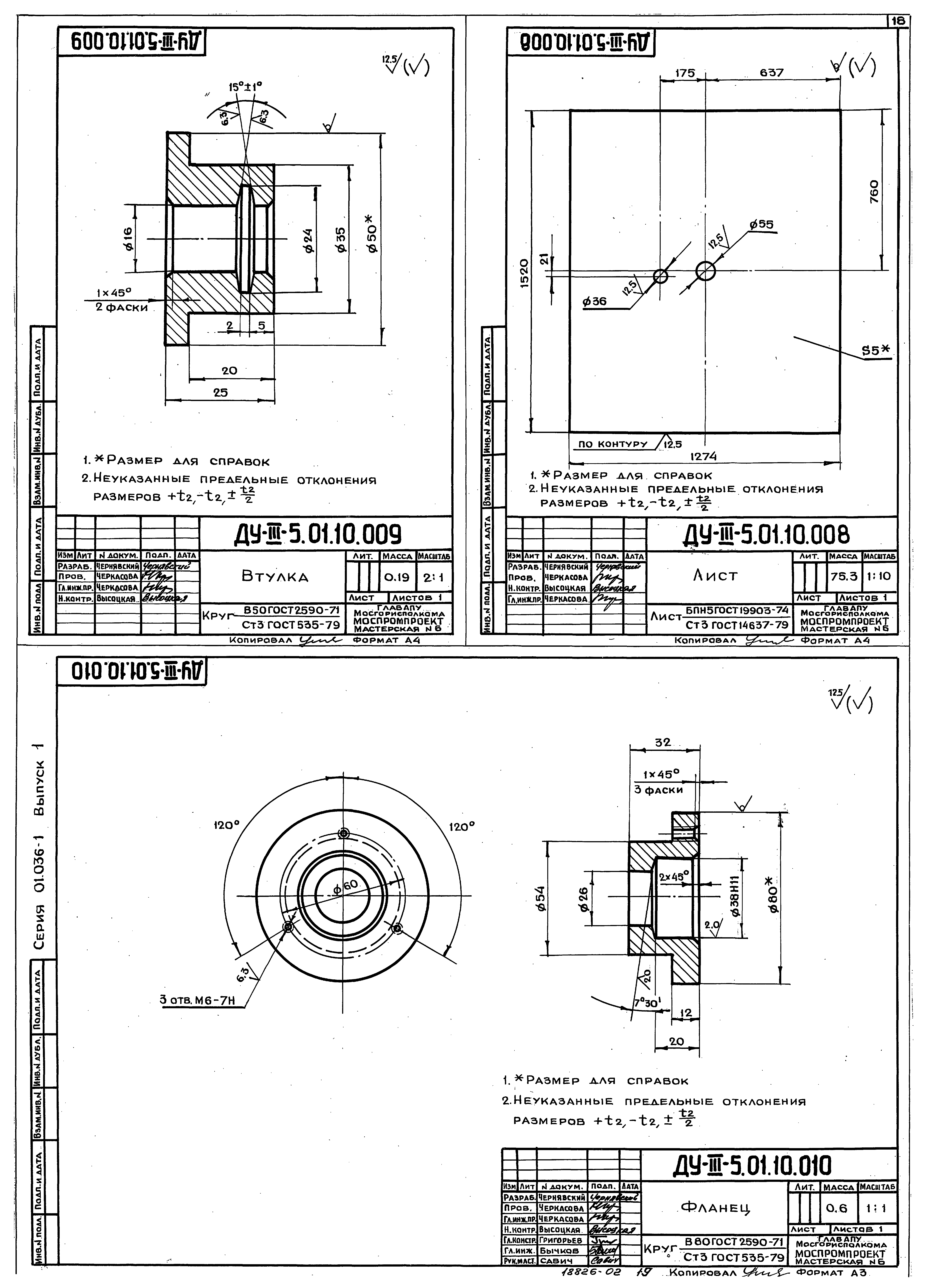
| Оглавление: | 01.036-1 ДУ-III-5.00.00.000 Дверь ДУ-III-5 л.1,2 01.036-1 ДУ-III-5.01.00.000 Полотно в сборе л.1,2 01.036-1 ДУ-III-5.01.10.000 Полотно л.1,2 01.036-1 ДУ-III-5.01.20.000 Механизм задраивания 01.036-1 ДУ-III-5.01.21.000 Редуктор 01.036-1 ДУ-III-5.01.20.100 Штурвал в сборе 01.036-1 ДУ-III-5.01.20.110 Штурвал 01.036-1 ДУ-III-5.01.20.200 Тяга 01.036-1 ДУ-III-5.01.30.000 Блокировочное устройство 01.036-1 ДУ-III-5.01.31.000 Замок электромагнитн. л.1,2 01.036-1 ДУ-III-5.01.31.200 Основание 01.036-1 ДУ-III-5.02.00.000 Коробка 01.036-1 ДУ-III-5.03.00.000 Петля в сборе 01.036-1 ДУ-III-5.03.00.200 Полупетля 01.036-1 ДУ-III-5.03.00.100 Петля 01.036-1 ДУ-III-5.00.00.000 СБ Дверь ДУ-III-5. Сборочный чертеж л.1 01.036-1 ДУ-III-5.00.00.000 СБ Дверь ДУ-III-5. Сборочный чертеж л.2 01.036-1 ДУ-III-5.01.00.000 СБ Полотно в сборе. Сборочный чертеж л.1 01.036-1 ДУ-III-5.01.00.000 СБ Полотно в сборе. Сборочный чертеж л.2 01.036-1 ДУ-III-5.01.00.001 Кожух 01.036-1 ДУ-III-5.01.00.002 Прокладка 01.036-1 ДУ-III-5.01.00.003 Прокладка регулировочная 01.036-1 ДУ-III-5.01.10.000 СБ Полотно. Сборочный чертеж л.1 01.036-1 ДУ-III-5.01.10.000 СБ Полотно. Сборочный чертеж л.2 01.036-1 ДУ-III-5.01.10.003 Планка 01.036-1 ДУ-III-5.01.10.001 Основание 01.036-1 ДУ-III-5.00.00.002 Основание 01.036-1 ДУ-III-5.00.00.001 Сухарь 01.036-1 ДУ-III-5.01.10.006 Ребро 01.036-1 ДУ-III-5.01.10.005 Пластина 01.036-1 ДУ-III-5.01.10.004 Ручка 01.036-1 ДУ-III-5.01.10.002 Основание 01.036-1 ДУ-III-5.01.10.013 Петля 01.036-1 ДУ-III-5.01.10.012 Накладка 01.036-1 ДУ-III-5.01.10.011 Накладка 01.036-1 ДУ-III-5.01.10.007 Уголок 01.036-1 ДУ-III-5.01.10.010 Фланец 01.036-1 ДУ-III-5.01.10.008 Лист 01.036-1 ДУ-III-5.01.10.009 Втулка 01.036-1 ДУ-III-5.01.20.000 СБ Механизм задраивания. Сборочный чертеж 01.036-1 ДУ-III-5.01.20.002 Клин 01.036-1 ДУ-III-5.01.20.004 Винт 01.036-1 ДУ-III-5.01.20.007 Шайба 01.036-1 ДУ-III-5.01.20.003 Палец 01.036-1 ДУ-III-5.01.20.006 Планка строповочная 01.036-1 ДУ-III-5.01.20.005 Шайба торцевая 01.036-1 ДУ-III-5.01.21.000 СБ Редуктор. Сборочный чертеж 01.036-1 ДУ-III-5.01.21.001 Шестерня 01.036-1 ДУ-III-5.01.21.003 Колесо 01.036-1 ДУ-III-5.01.21.002 Корпус л.1 01.036-1 ДУ-III-5.01.21.002 Корпус л.2 01.036-1 ДУ-III-5.01.21.004 Крышка 01.036-1 ДУ-III-5.01.21.006 Прокладка регулировочная 01.036-1 ДУ-III-5.01.20.111 Рычаг 01.036-1 ДУ-III-5.01.21.005 Вал 01.036-1 ДУ-III-5.01.20.100 СБ Штурвал в сборе. Сборочный чертеж 01.036-1 ДУ-III-5.01.20.112 Вилка 01.036-1 ДУ-III-5.01.20.113 Втулка 01.036-1 ДУ-III-5.01.20.101 Ручка 01.036-1 ДУ-III-5.01.20.102 Палец 01.036-1 ДУ-III-5.01.20.110 СБ Штурвал. Сборочный чертеж 01.036-1 ДУ-III-5.01.20.103 Пружина 01.036-1 ДУ-III-5.01.20.200 СБ Тяга. Сборочный чертеж 01.036-1 ДУ-III-5.01.20.201 Вилка 01.036-1 ДУ-III-5.01.20.202 Вилка 01.036-1 ДУ-III-5.01.30.000 СБ Блокировочное устройство. Сборочный чертеж 01.036-1 ДУ-III-5.01.30.001 Муфта 01.036-1 ДУ-III-5.01.30.002 Палец 01.036-1 ДУ-III-5.01.31.001 Пружина 01.036-1 ДУ-III-5.01.30.003 Шайба строповочная 01.036-1 ДУ-III-5.01.31.000 СБ Замок электромагнитный. Сборочный чертеж 01.036-1 ДУ-III-5.01.31.002 Муфта 01.036-1 ДУ-III-5.01.31.003 Хомут 01.036-1 ДУ-III-5.01.31.004 Шток 01.036-1 ДУ-III-5.01.31.005 Пружина 01.036-1 ДУ-III-5.01.31.100 СБ Ключ в сборе. Сборочный чертеж 01.036-1 ДУ-III-5.01.31.101 Ручка 01.036-1 ДУ-III-5.01.31.300 СБ Шток в сборе. Сборочный чертеж 01.036-1 ДУ-III-5.01.31.301 Шток 01.036-1 ДУ-III-5.01.31.200 СБ Основание. Сборочный чертеж 01.036-1 ДУ-III-5.01.31.400 СБ Опора в сборе. Сборочный чертеж 01.036-1 ДУ-III-5.01.31.401 Корпус 01.036-1 ДУ-III-5.01.31.302 Рамка 01.036-1 ДУ-III-5.01.31.303 Штырь 01.036-1 ДУ-III-5.01.31.402 Втулка 01.036-1 ДУ-III-5.01.31.500 СБ Валик в сборе. Сборочный чертеж 01.036-1 ДУ-III-5.01.31.501 Пруток 01.036-1 ДУ-III-5.01.31.502 Палец 01.036-1 ДУ-III-5.02.00.000 СБ Коробка. Сборочный чертеж 01.036-1 ДУ-III-5.02.00.004 Уголок 01.036-1 ДУ-III-5.02.00.003 Пластина 01.036-1 ДУ-III-5.02.00.001 Полоса 01.036-1 ДУ-III-5.02.00.002 Полоса 01.036-1 ДУ-III-5.03.00.000 СБ Петля в сборе. Сборочный чертеж 01.036-1 ДУ-III-5.03.00.001 Штырь 01.036-1 ДУ-III-5.03.00.002 Втулка 01.036-1 ДУ-III-5.03.00.003 Крышка 01.036-1 ДУ-III-5.03.00.004 Крышка 01.036-1 ДУ-III-5.03.00.100 СБ Полупетля в сборе 01.036-1 ДУ-III-5.03.00.101 Стакан 01.036-1 ДУ-III-5.03.00.102 Ребро 01.036-1 ДУ-III-5.03.00.103 Ребро 01.036-1 ДУ-III-5.03.00.104 Основание 01.036-1 ДУ-III-5.03.00.200 СБ Полупетля. Сборочный чертеж 01.036-1 ДУ-III-5.03.00.201 Полупетля 01.036-1 ДУ-III-5.03.00.202 Основание 01.036-1 ДУ-III-5.01.20.001 Опора 01.036-1 ДУ-III-5.01.00.004 Втулка прижимная 01.036-1 ДУ-III-5.01.10.014 Двутавр |
| Разработан: | Моспромпроект |
| Утверждён: | 08.07.1982 11 Управление Г.О. СССР (235/11-1827) |
| Издан: | ЦИТП Госстроя СССР (CITP, Gosstroy (USSR) 1988 г. ) |
| Расположен в: |














































