| 
 Скачать Альбом  Индустриальные железобетонные изделия. Рабочая документация. Опалубочные чертежи изделий. Разные изделияДата актуализации: 10.08.2017   Альбом
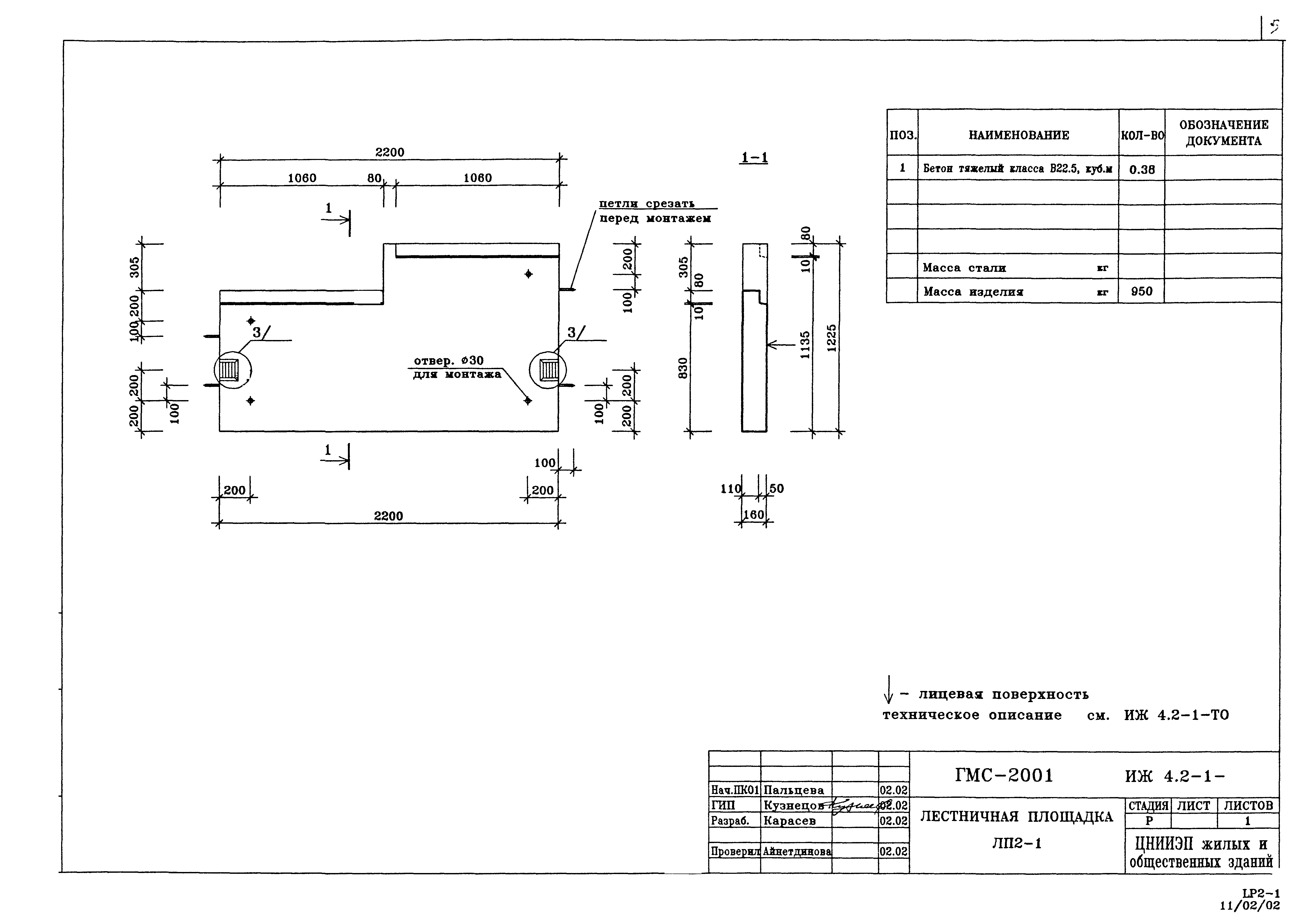
Индустриальные железобетонные изделия. Рабочая документация. Опалубочные чертежи изделий. Разные изделия| Обозначение: |  Альбом |  | Статус: | не определен законодательством |  | Название рус.: | Индустриальные железобетонные изделия. Рабочая документация. Опалубочные чертежи изделий. Разные изделия |  | Дата добавления в базу: | 01.09.2013 |  | Дата актуализации: | 05.05.2017 |  | Дата введения: | 18.12.2002 |  | Разработан: | ЦНИИЭП жилища 
 |  | Утверждён: | 18.12.2002 ЦНИИЭП жилища (TsNIIEPzhilishcha ) 
 |  | Расположен в: | 
 | 
                         |