| ||||||||||||||||||||||||||
Скачать Серия 1.100.1-7 Выпуск 4. Панели внутренних стен из тяжелого бетона. Рабочие чертежиДата актуализации: 10.08.2017
|
| Обозначение: | Серия 1.100.1-7 |
| Обозначение англ: | Series 1.100.1-7 |
| Статус: | действует |
| Название рус.: | Выпуск 4. Панели внутренних стен из тяжелого бетона. Рабочие чертежи |
| Дата добавления в базу: | 01.09.2013 |
| Дата актуализации: | 05.05.2017 |
| Дата введения: | 01.06.1990 |
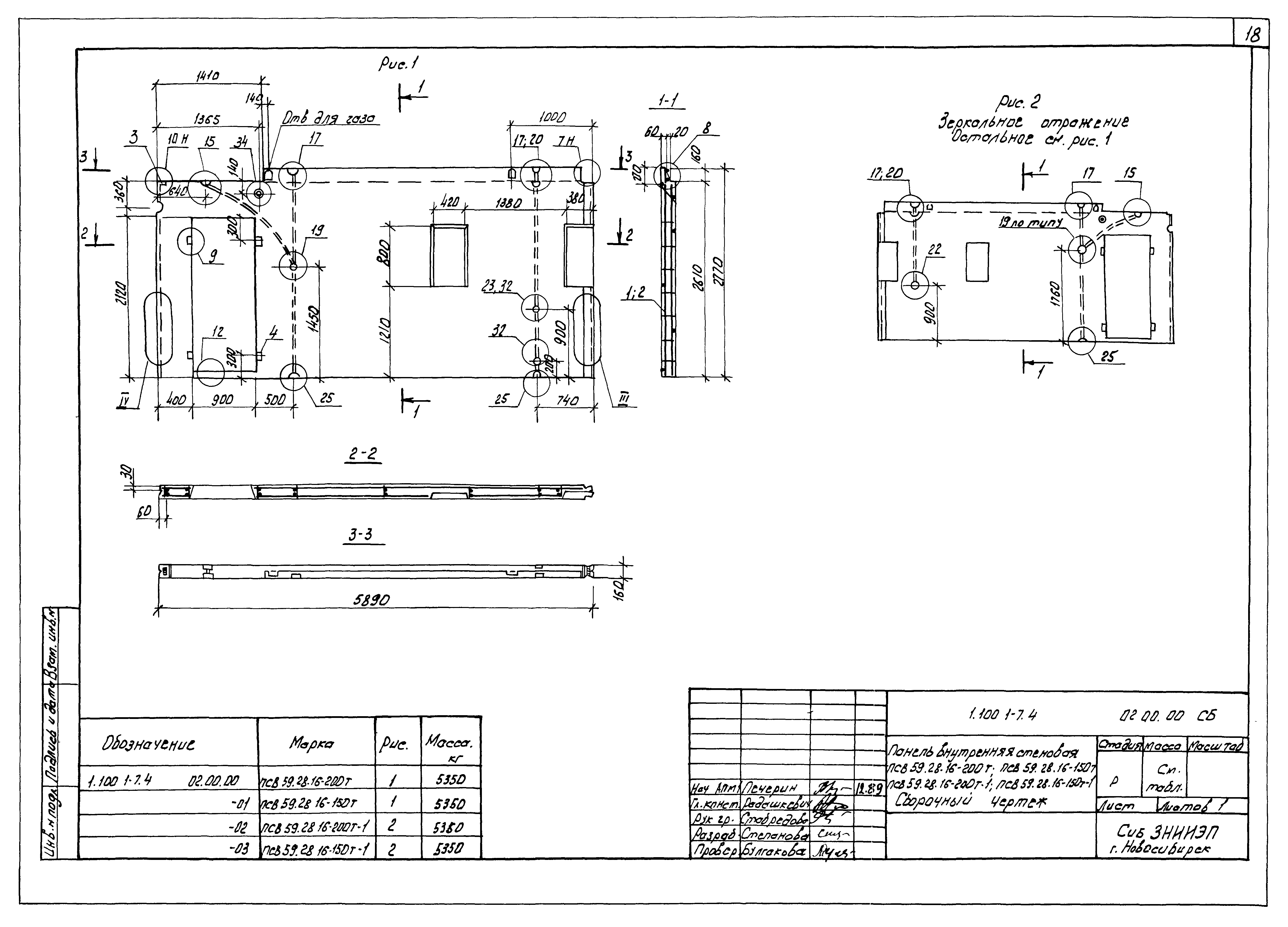
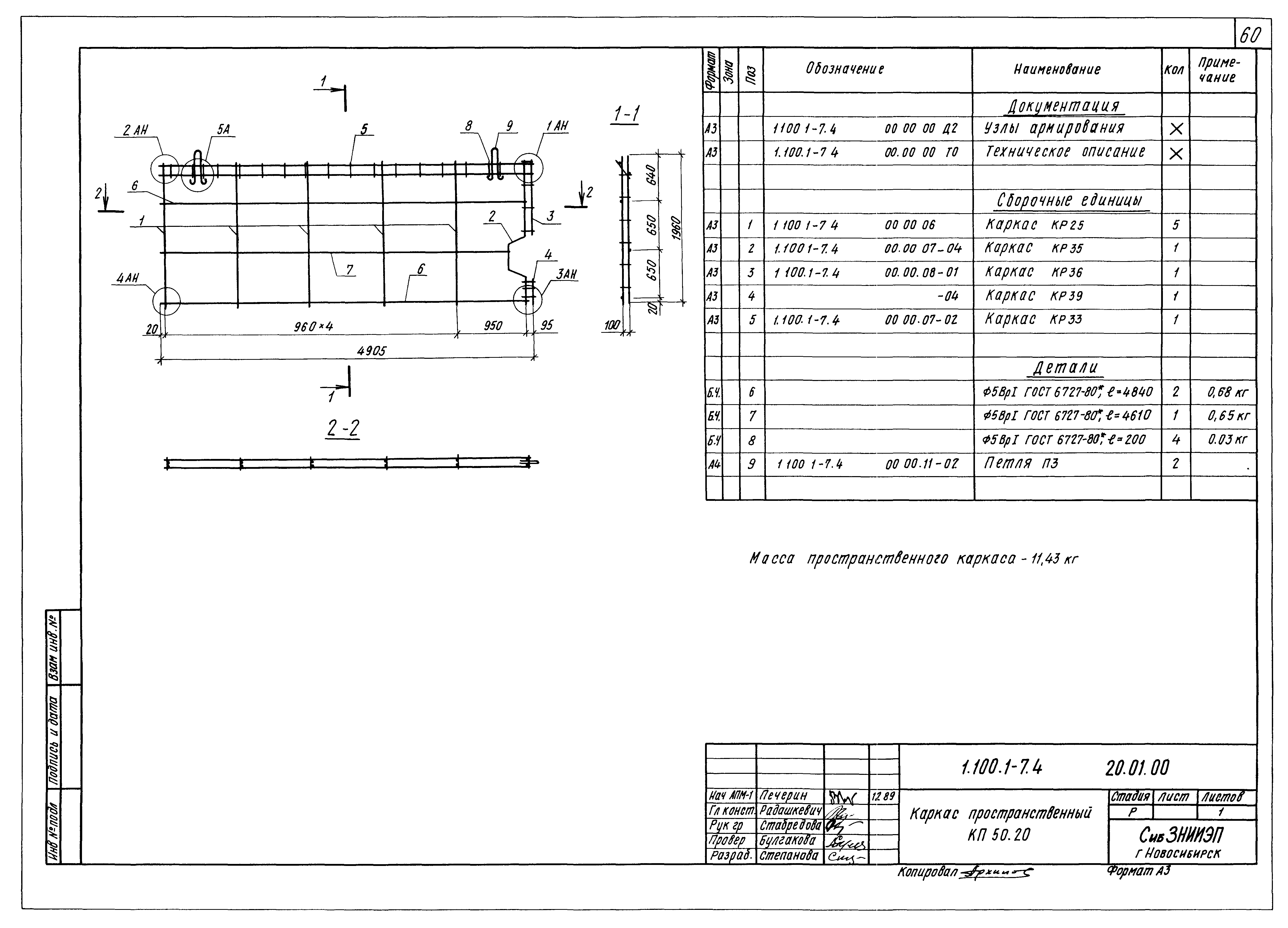
| Оглавление: | 1.100.1-7.4 00.00.00 Содержание 1.100.1-7.4 00.00.00ТО Техническое описание 1.100.1-7.4 00.00.00НИ Номенклатура изделий 1.100.1-7.4 01.00.00 Панель стеновая ПС859.26.16-200т,ПС859.26.16-150т 1.100.1-7.4 01.01.00 Каркас пространственный КП59.26 1.100.1-7.4 02.00.00 Панель внутренняя стеновая ПС859.28.16-200т,ПС859.28.16-150т,ПС859.28.16-200т-1,ПС859.28.16-150т-1 1.100.1-7.4 02.00.00 СБ Панель внутренняя стеновая ПС859.28.16-200т,ПС859.28.16-150т,ПС859.28.16-200т-1,ПС859.28.16-150т-1. Сборочный чертеж 1.100.1-7.4 02.01.00 Каркас пространственный КП59.28 1.100.1-7.4 02.02.00 Каркас пространственный КП59.28-1 1.100.1-7.4 03.00.00 Панель внутренняя стеновая ПС859.28.16-200т-2,ПС859.28.16-150т-2 1.100.1-7.4 03.01.00 Каркас пространственный КП59.28-2 1.100.1-7.4 04.00.00 Панель внутренняя стеновая ПС859.28.16-200т-3,ПС859.28.16-150т-3,ПС859.28.16-200т-4,ПС859.28.16-150т-4 1.100.1-7.4 04.00.00 СБ Панель внутренняя стеновая ПС859.28.16-200т-3,ПС859.28.16-150т-3,ПС859.28.16-200т-4,ПС859.28.16-150т-4. Сборочный чертеж 1.100.1-7.4 04.01.00 Каркас пространственный КП59.28-3 1.100.1-7.4 04.02.00 Каркас пространственный КП59.28-4 1.100.1-7.4 05.00.00 Панель внутренняя стеновая ПС859.28.16-200т-5,ПС859.28.16-150т-5 1.100.1-7.4 05.01.00 Каркас пространственный КП59.28-5 1.100.1-7.4 06.00.00 Панель внутренняя стеновая ПС859.28.16-200т-6,ПС859.28.16-150т-6,ПС859.28.16-200т-7,ПС859.28.16-150т-7 1.100.1-7.4 06.00.00 СБ Панель внутренняя стеновая ПС859.28.16-200т-6,ПС859.28.16-150т-6,ПС859.28.16-200т-7,ПС859.28.16-150т-7. Сборочный чертеж 1.100.1-7.4 06.01.00 Каркас пространственный КП59.28-6 1.100.1-7.4 06.02.00 Каркас пространственный КП59.28-7 1.100.1-7.4 07.00.00 Панель внутренняя стеновая ПС859.28.16-200т-8,ПС859.28.16-150т-8 1.100.1-7.4 07.01.00 Каркас пространственный КП59.28-8 1.100.1-7.4 08.00.00 Панель внутренняя стеновая ПС859.26.16-200т-1,ПС859.26.16-150т-1 1.100.1-7.4 08.01.00 Каркас пространственный КППСВ59.26-1 1.100.1-7.4 09.00.00 Панель внутренняя стеновая ПС844.26.16-200т,ПС844.26.16-150т 1.100.1-7.4 09.01.00 Каркас пространственный КП44.26 1.100.1-7.4 10.00.00 Панель внутренняя стеновая ПС844.26.16-200т-1,ПС844.26.16-150т-1 1.100.1-7.4 10.01.00 Каркас пространственный КП44.26-1 1.100.1-7.4 11.00.00 Панель внутренняя стеновая ПС844.26.16-200т-2,ПС844.26.16-150т-2 1.100.1-7.4 11.01.00 Каркас пространственный КП44.26-2 1.100.1-7.4 12.00.00 Панель внутренняя стеновая ПС830.26.16-200т,ПС830.26.16-150т 1.100.1-7.4 12.01.00 Каркас пространственный КП30.26 1.100.1-7.4 13.00.00 Панель внутренняя стеновая ПС830.26.16-200т-1,ПС830.26.16-150т-1 1.100.1-7.4 13.01.00 Каркас пространственный КП30.26-1 1.100.1-7.4 14.00.00 Панель внутренняя стеновая ПС829.26.16-200т-1,ПС829.26.16-150т-1 1.100.1-7.4 14.01.00 Каркас пространственный КП29.26-1 1.100.1-7.4 15.00.00 Панель внутренняя стеновая ПС829.26.16-200т,ПС829.26.16-150т 1.100.1-7.4 15.01.00 Каркас пространственный КП29.26 1.100.1-7.4 16.00.00 Панель внутренняя стеновая ПС829.26.16-200т-2,ПС829.26.16-150т-2 1.100.1-7.4 16.01.00 Каркас пространственный КП29.26-2 1.100.1-7.4 17.00.00 Панель внутренняя стеновая ПС845.26.16-200т,ПС845.26.16-150т 1.100.1-7.4 17.01.00 Каркас пространственный КП45.26 1.100.1-7.4 18.00.00 Панель внутренняя стеновая ПС815.26.16-200т,ПС815.26.16-150т 1.100.1-7.4 18.01.00 Каркас пространственный КП15.26 1.100.1-7.4 19.00.00 Панель внутренняя стеновая ПС815.26.16-200т-1,ПС815.26.16-150т-1 1.100.1-7.4 19.01.00 Каркас пространственный КП15.26-1 1.100.1-7.4 20.00.00 Панель внутренняя цокольная ПСП50.20.16-200т,ПСП50.20.16-150т 1.100.1-7.4 20.01.00 Каркас пространственный КП50.20 1.100.1-7.4 21.00.00 Панель внутренняя цокольная ПСП50.21.16-200т,ПСП50.21.16-150т 1.100.1-7.4 21.01.00 Каркас пространственный КП50.21 1.100.1-7.4 22.00.00 Панель внутренняя цокольная ПСП44.20.16-200т,ПСП44.20.16-150т 1.100.1-7.4 22.01.00 Каркас пространственный КП44.20 1.100.1-7.4 23.00.00 Панель внутренняя цокольная ПСП44.20.16-200т-1,ПСП44.20.16-150т-1 1.100.1-7.4 23.01.00 Каркас пространственный КП44.20-1 1.100.1-7.4 24.00.00 Панель внутренняя цокольная ПСП29.20.16-200т,ПСП29.20.16-150т 1.100.1-7.4 24.01.00 Каркас пространственный КП29.20 1.100.1-7.4 25.00.00 Панель внутренняя цокольная ПСП15.20.16-200т,ПСП15.20.16-150т 1.100.1-7.4 25.01.00 Каркас пространственный КП15.20 1.100.1-7.4 26.00.00 Панель внутренняя цокольная ПСП6.20.16-200т,ПСП6.20.16-150т 1.100.1-7.4 26.01.00 Каркас пространственный КП6.20 1.100.1-7.4 00.00.00Д1 Узлы опалубки 1.100.1-7.4 00.00.00Д2 Узлы армирования 1.100.1-7.4 00.00.01 Каркасы КР1...КР6 1.100.1-7.4 00.00.02 Каркасы КР7,КР8,КР10,КР21,КР22,КР15 1.100.1-7.4 00.00.03 Каркасы КР15,КР14,КР16...КР19 1.100.1-7.4 00.00.04 Каркасы КР12,КР23,КР24,КР34,КР40 1.100.1-7.4 00.00.05 Каркасы КК1...КК6 1.100.1-7.4 00.00.06 Каркасы КР25...КР30 1.100.1-7.4 00.00.07 Каркасы КР31...КР33,КР20,КР35,КР41 1.100.1-7.4 00.00.08 Каркасы КР11,КР36...КР39 1.100.1-7.4 00.00.09 Изделие закладное М1 1.100.1-7.4 00.00.10 Изделие закладное М2 1.100.1-7.4 00.00.11 СБ Петли монтажные П1...П5. Сборочный чертеж 1.100.1-7.4 00.00.11 Петли монтажные П1...П5 1.100.1-7.4 01.00.01 Трубы полиэтиленовые Тр1...Тр32 1.100.1-7.4 00.00.00РС Ведомость расхода стали |
| Разработан: | СибЗНИИЭП Госгражданстроя |
| Утверждён: | 22.05.1990 Госкомархитектура (89) |
| Расположен в: |












































































































