| ||||||||||||||||||||||||||||||
Скачать Серия 1.464-13/82 Выпуск 2. Стальные конструкции фонарей с применением в покрытии железобетонных плит. Чертежи КМДата актуализации: 10.08.2017
|
| Обозначение: | Серия 1.464-13/82 |
| Обозначение англ: | Series 1.464-13/82 |
| Статус: | действует |
| Название рус.: | Выпуск 2. Стальные конструкции фонарей с применением в покрытии железобетонных плит. Чертежи КМ |
| Дата добавления в базу: | 01.09.2013 |
| Дата актуализации: | 05.05.2017 |
| Дата введения: | 01.01.1983 |
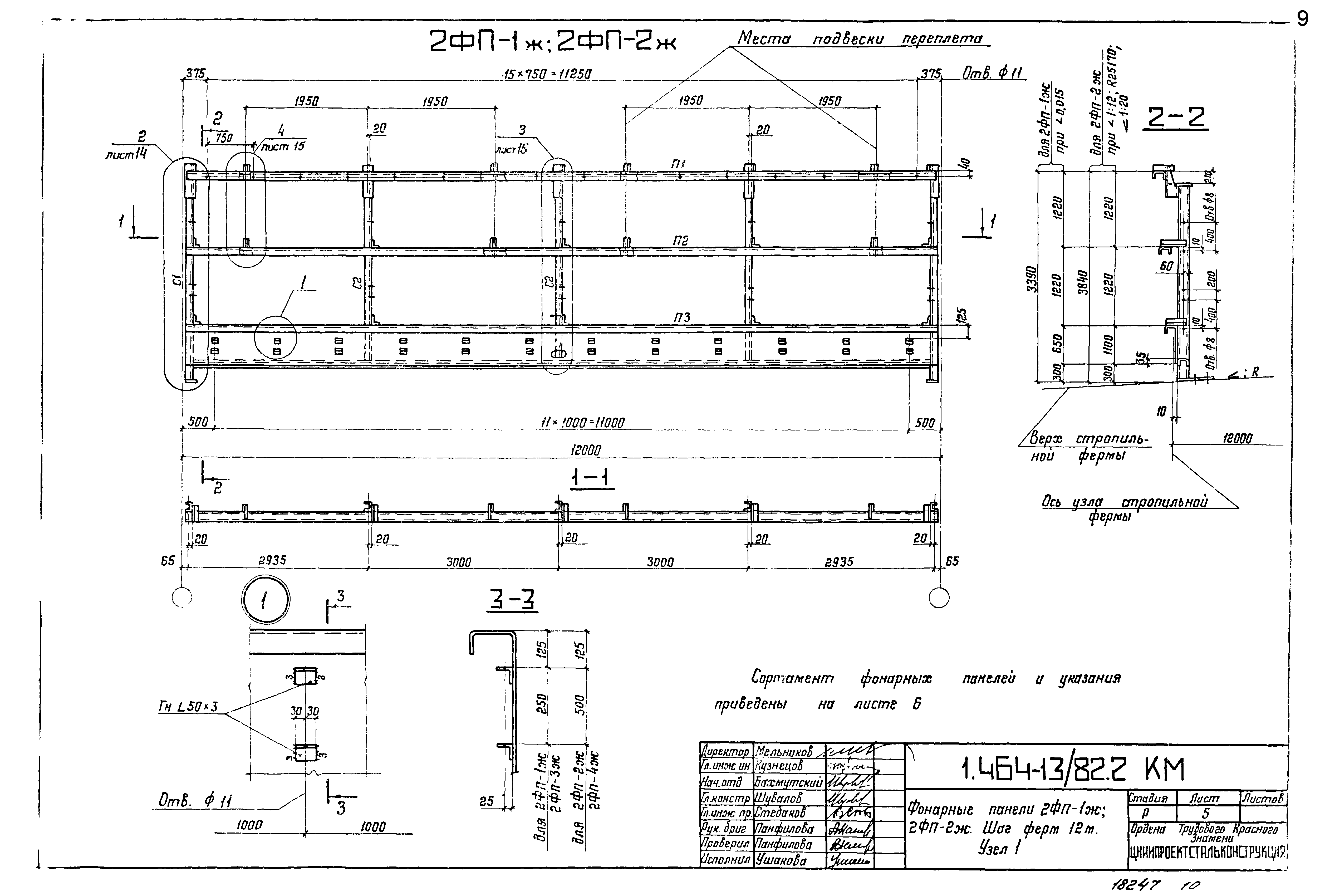
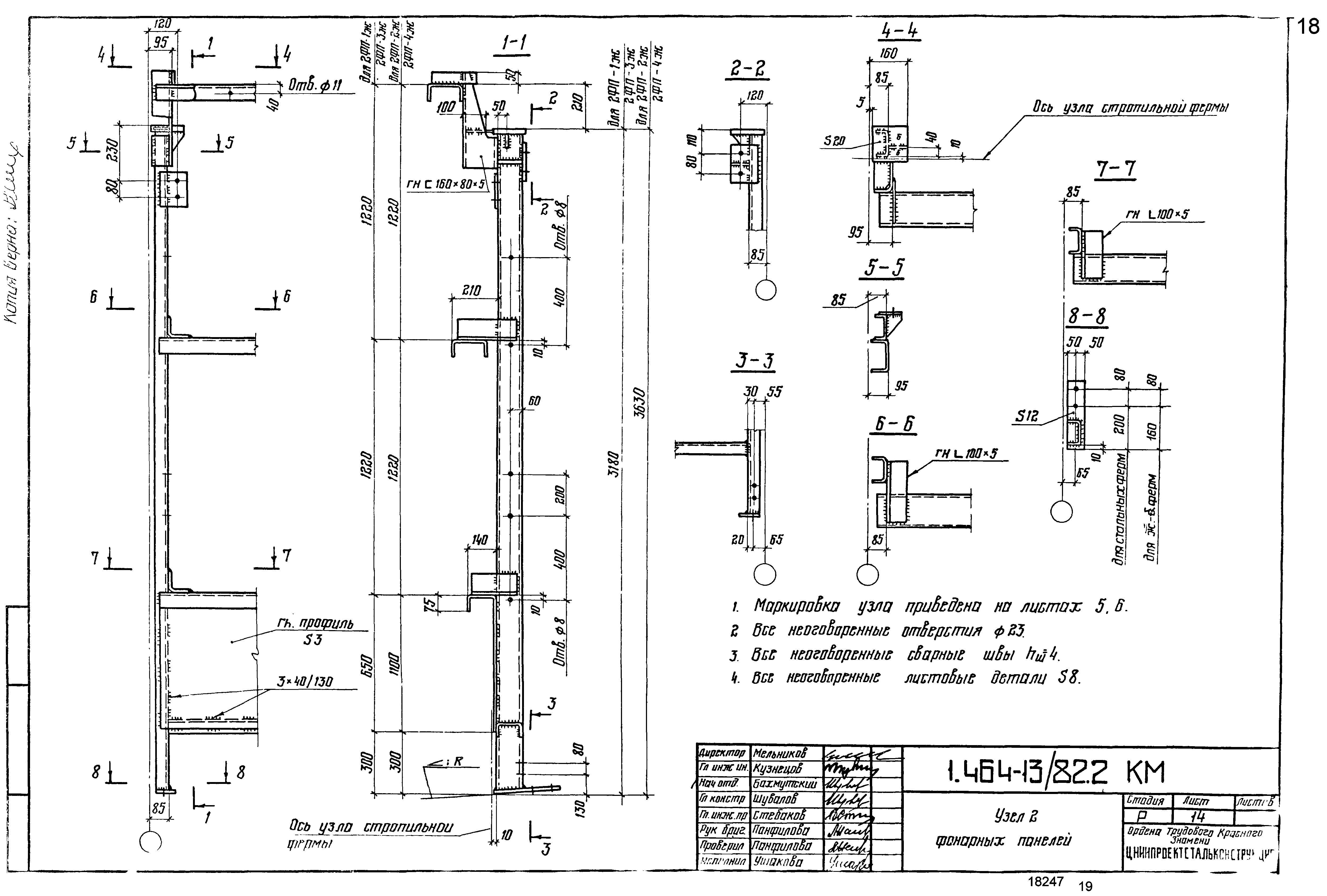
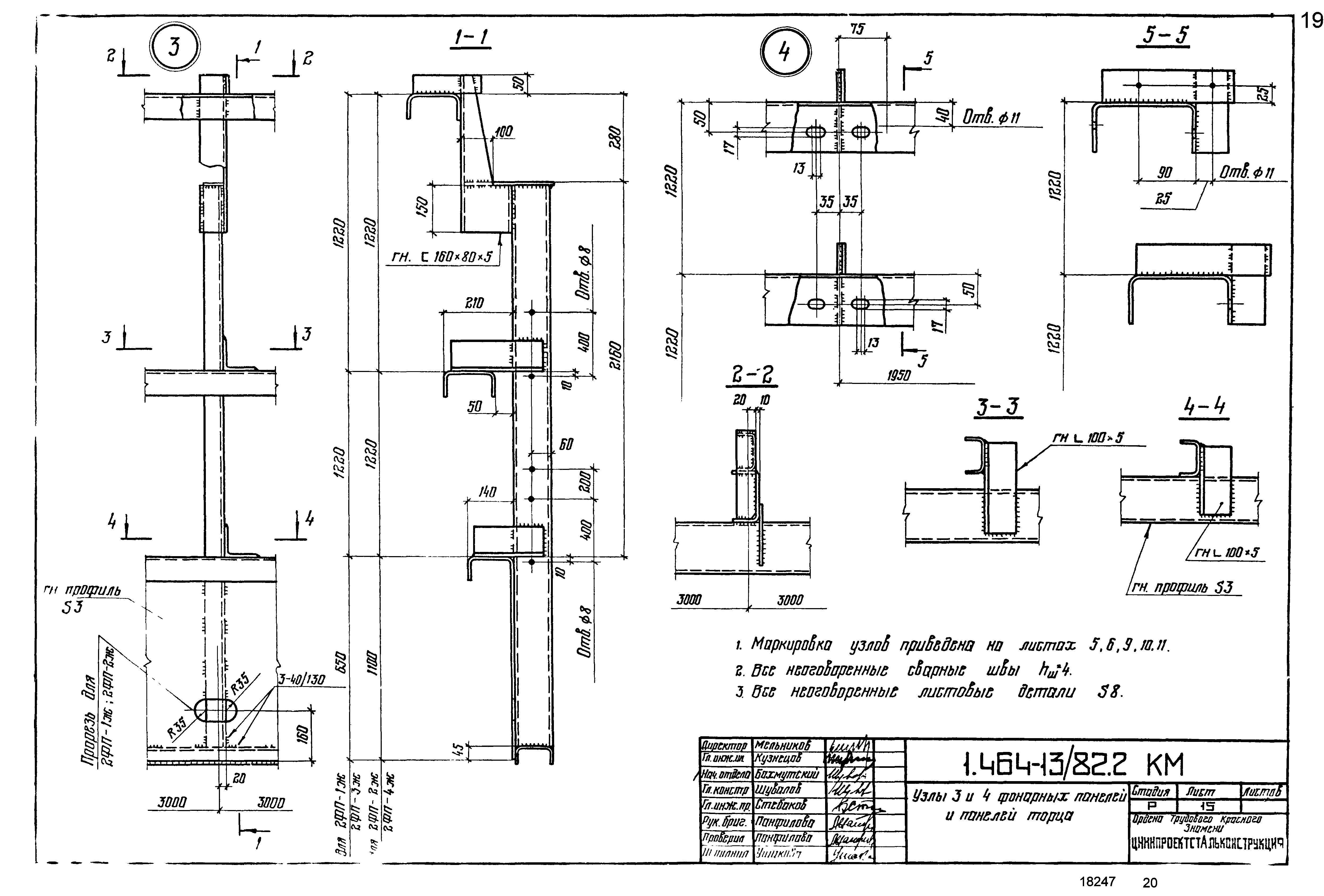
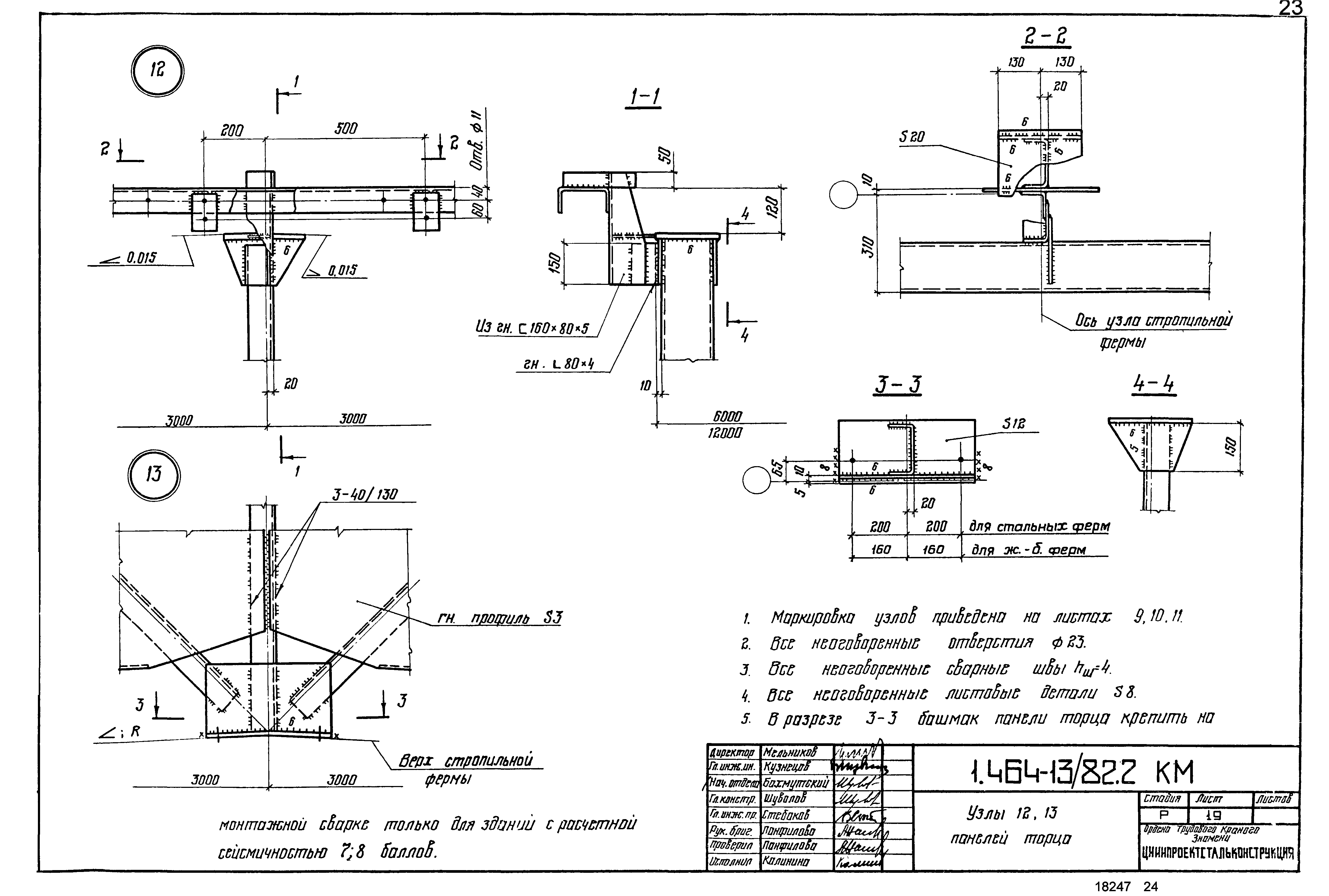
| Оглавление: | 1.464-13/82.2-КМ-1.1-1.3 Пояснительная записка 1.464-13/82.2-КМ-2 Нагрузки 1.464-13/82.2-КМ-3 Схемы расположения конструкций фонаря. Шаг ферм 6 м,12 м 1.464-13/82.2-КМ-4 Разрезы 1-1,2-2,3-3,4-4,5-5,. Вид 6-6. Таблица элементов 1.464-13/82.2-КМ-5 Фонарные панели 2ФП-1ж,2ФПС-2ж. Шаг ферм 12 м. Узел 1 1.464-13/82.2-КМ-6 Фонарная панель 2ФП-3ж,1ФП-4ж. Шаг ферм 6 м. Сортамент фонарных панелей 1.464-13/82.2-КМ-7 Фонарные фермы 2ФФ-1ж,2ФФ-2ж (<1:12;<1:20;<0,015) 1.464-13/82.2-КМ-8 Фонарные фермы 2ФФ-1ж;2ФФ-2ж (R25170). Сортамент фонарных ферм 1.464-13/82.2-КМ-9 Панель торца 2ПТ-1ж (<0.015) 1.464-13/82.2-КМ-10 Панель торца 2ПТ-2ж (<1:12;<1:20) 1.464-13/82.2-КМ-11 Панель торца 2ПТ-2ж (R25170) 1.464-13/82.2-КМ-12 Сортамент панелей торца и специальный гнутый профиль 1.464-13/82.2-КМ-13 Вертикальные связи: схемы и сортамент 1.464-13/82.2-КМ-14 Узел 2 фонарных панелей 1.464-13/82.2-КМ-15 Узлы 3 и 4 фонарных панелей и панелей торца 1.464-13/82.2-КМ-16 Узлы 5-8 фонарных панелей 1.464-13/82.2-КМ-17 Узел 9 панелей торца 1.464-13/82.2-КМ-18 Узлы 10;11 панелей торца 1.464-13/82.2-КМ-19 Узлы 12;13 панелей торца 1.464-13/82.2-КМ-20 Узлы 14-17 вертикальных связей пролетом 12 м;6 м. Узлы 18,19 распорок 1.464-13/82.2-КМ-21 Узлы 20-22 вертикальных связей пролетом 6 м,12 м. Узлы 23-25 горизонтальных связей 1.464-13/82.2-КМ-22 Монтажный узел 26 1.464-13/82.2-КМ-23 Монтажный узел 27 1.464-13/82.2-КМ-24 Крепление монтажных панелей к железобетонным плитам покрытия. Раскладка железобетонных плит покрытия. Узел 28 1.464-13/82.2-КМ-25 Спецификация стали |
| Разработан: | ЦНИИпроектстальконструкция |
| Утверждён: | 08.09.1982 Госстрой СССР (Государственный комитет Совета Министров СССР по делам строительства) (USSR Gosstroy 213) |
| Издан: | ЦИТП Госстроя СССР (CITP, Gosstroy (USSR) 1982 г. ) |
| Расположен в: | |
| Заменяет собой: |






























